Fórum témák
» Több friss téma |
K."P."!
Most iszom a kávémat, későn fekvő vagyok bizonyos dolgok miatt, a szemem se az igazi már, és a 66évem is alápakolt a 35 évesnek. Ezt azért írtam, hogy megértsd, ha néha már-már apáskodva írok. Az igaz, hogy zavar, mit megszólításnak írnom kell hozzád, látod én csak egy buta kecske vagyok, de Te! Bocsi a kilengésért, de nagyon színpatikus benned a tiszta beszéd, ez mindig fontos az eredményességben, mint a magunknak feltett jó kérdés, majd erre a jó válasz megadása. Ez vezet a tudáshoz. Ne haragudj, de jó más ember sikerének örülni, és nem jó elnézni a sikertelenséget. Hát ennyit a makacsságomról. Érteni, és megértetni: lehet, hogy nem láttam mit nem mondtál, mutattál. Többet látok, mert többet mutattál. Voltam fiatal, és türelmetlen. Már alig emlékszem mivel fizettem butaságaimért, mert az ember kerüli a rossz emlékeket. A lényeg a konstrukció az első a sikerben, jó hangban.(Tekintsd fejezet címnek) Írtad, nem olvastad! Kis makacs Emberke. Utólag akarod, mikor már valami nem gömbölyű. Akkor használtam Nektek, ha megértitek, ez adja a biztonságot, a jó üzemelési feltételeket. Jó volt olvasni, hogy van forrásod ehhez. Csak a szándékod más. Te tudod. Ha Neked jó a zsíroskenyér a rántotthús helyett, ennyi. Annak idején csináltam egyik gyermekünknek PC-be 2x25W-os erősítőt meghajtó dobozba, így csak igazat tudok Neked adni ebben, ami írtál. Megjegyzem a csillagpont itt is a hangszóró csatlakozó testpontja volt. Monoblokk! Tibor fh...,vf... rajzai jó minőségűek. Megfelelő tudással, ill. az általa javasolt módon, jó alkatrészek beépítésével, pazar, szelektív hangzás érhető el. A VF-2,3,4-os miket megépítettem, mind reagált a törődésre. Külön védelem, külön tápok, külön borda, stb "Össze van a kimenet és a bemenet...." Tessék figyelni! Ha a csillagpontot én a hangszóró csatlakozó negatív pontjára teszem, akkor itt találkoznak az osztott táp szigetelt, közös vezetékei legelőbb. Innen viszek testet a hangerő szabályzóra, a védelemre, a hűtőbordára. A csillagpontból elmenő testvezetékek vastagsága csak azok ellenállását csökkentik, mert ott különösebb áramút nincs. Az erősítőpanel a potiról testelődik. Így bigyómentes. 20k esete nálam, ez így egy 20k poti feltekerve, amikor csatlakozót dugsz a készülékbe, érhet meglepetés. Én amikor Tibor ajánlatán változtattam, annak oka volt. Például útban volt a szorító, jobb volt a jelút adott alkatrészekkel, a konstrukció igényelte, vélt félelmem volt elkóval kapcsolatban. A sodort vezetékeknek külön élete van. A kapcsoló üzemi táp ide nem illene, de Te tudod! Elnézést a sok dumáért, Fiatalúr. Na, kösse fel a gatyit, ozt had menjen. mek-mek
Nos okulva a leírtakon, és azon dolgon, hogy mnek menjek a rögös úton, mikor van játható út is, amit már más kitaposott. Értem ezen Király bukásait és felemelkedését.
Lehet a nyák vonalvezetésére nem fordított annyi gondot mint én, - mint írtad, ez csak egy tényező a sok más között és nem feltétlenül a legfontosabb -.de az alkatrészek elhelyezése okkal bírhat. Feláldoztam művészi hajlamaimat az esetleges - míg el nem készül, addig feltételes csak - siker oltárán és tovább sakkoztam. Megfordítottam a feteket, a sarus sorkapcsot szorítósra cseréltem, nincs kimeneti GND, de van bemeneti, és ott van közel egymás mellett a bemeneti és a kimeneti sönt és a visszacsatoló elko. Ez már kvázi a Királyi nyák elve, így már nagy gond nem adódhat. A bemenet esete még kérdéses továbbra is. Van egy digitális vezérlésű előerősítőm. Digitális hangerő szabályzással, tehát valószínű egy DAC-kon megy át a jel. Ha nincs jelforrás, ez az előerősítő mindenképpen terhelést jelent a bemenetre, a DAC analóg végerősítőjének kimeneti ellenállása terheli a VF bemenetét. hogy ez omikusan mennyi, nem tudom, de elegendőnek kell lennie, hogy ne szaladjon meg az erősítő valami kóbor interferencia miatt. A jel út is olyan a nyákon, hogy most már minden nagyáramú résztől távol van a bemenő vezető sáv. Sokan panaszkodtak fet és műveleti erősítő elszálásra VF3 esetén, de arról nem történt beszámolás, hogy Király nyákját használták-e, vagy sajátot. Elképzelésem szerint, kellő következetes vezetékeléssel lennie kell olyan zavar védettnek ennek a topológiának, mint a Királyi. Ami a kapcsoló üzemű tápot illeti, nem feltétlenül rossz párosítás. Jól kell megépíteni azt is. Nem rég vettem egy Thonet and Vander Hoch aktív hangdobozt, abban is egy flayback táplálja meg a TDA7265-öt és remekül szól a maga nemében. Én is valami hasonlóban gondolkodok. Vagy veszek kér 24V-os flaybacket, vagy építek egy félhidasat. Bár a hűtőborda úgy is helyet követel magának, tehát gyakorlatilag kár lenne a hely spórolás miatt vacakolni vele. Ok, ebbe is hajlok a jó szóra, marad az analóg táp! ![]() Ha valaki megírná, hogy a zéner feszt hogy kell kalibrálni megköszönném! Ne keljen már átnyálazni érte megint a fél topikot. Találkoztam vele, olvastam, de nem jegyeztem fel, mert akkor nem tartottam relevánsnak. Vagy ha valaki megmondja DC 24V-os táphoz mekkora zéner kell, az is jó nekem. ![]() Ja és a -remélhetőleg végleges - átdolgoztott nyák. Erről már sejthető s csillagpontos kábelezés. Most már neki ugrok Király első VF cikkeinek elolvasásának... A hozzászólás módosítva: Jún 11, 2017
Kedves "P"!
Hajlandóságod a jóra meg kell, hogy hálája magát. Nagyon tetszik az utolsó panelterved, szerintem kellemes benyomást keltő, egy pici igazítással. A 470ohm, 22k, 22µF jobb lenne, ha a szorító lábán találkoznának. Ha jól emlékszem az irf9540 és irf540 lábkiosztás azonos, így a dc-k azonos lábakra kellene, hogy kerüljenek, Nálad ne ezt véltem látni. A maga nemében persze, hogy minden jól szó, de amit jellemeztél az nem volt audiofil erősítő. Ha azt írtad, hogy stabil tápról menne az erősítőd, az felesleges, mert a stabil táp megint csak tele van bigyóval, ha komolyan vesszük. A királyaim, mind pufferről mennek, tökéletesen, így azt nem kell hűteni. A puffereket célszerű kisebb ESR kondikból építeni, paralel 100n wimákkal, mert dinamikában jobb lesz. Trafó, egyen, x1,41 puffer fesz. Ha hibás egy panel, vagy rosszul van beültetve, vagy a hütő nincs földelve, stb... egyre megy, hogy Király vagy saját. Jómagam azért vettem popcorn a-500-t anno, mert minőségi dac-ja van. Most persze álmodok az 500 pro ról. Szóval amikor a analóg tápra dugtam felcsillant a vf-4 hangja. Ennyit a kapcsoló üzemű tápokról. további ügyeskedést, most továbbállok, mek-mek
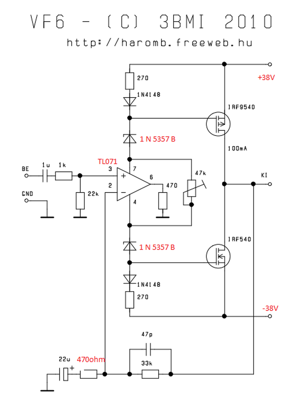
Szia! VF6 Zener méretezés: a tápfeszültségből vonj le 3,5V gate és 15V IC-tápfeszültséget!
Esetedben a 24-18,5=5,5 a gyakorlatban ZPD5,6-ot jelent.
A sorkapocsra csatlakozó vezetékek elférnek? Nem látjuk a kialakításra vonatkozó elképzelésedet, de szemből a trimmer, hátulról pedig a félvezetők lehetnek útban.
Kedves mek-elek!
Idézet: „Ha jól emlékszem az irf9540 és irf540 lábkiosztás azonos, így a dc-k azonos lábakra kellene, hogy kerüljenek, Nálad ne ezt véltem látni.” Bújom a rajzot, de nem értem hol, miben látod a hibát?? A DC-ék mind két fet surse lábára csatlakozik. A sorkapocs feliratozása elég közel van a fetek forr szeméhez, esetleg úgy tünhet hogy az 540 gate lábát jelölné a "-" jel, de a vezető sáv jól kivehető. Bár a zöld háttéren talán kevésbbé kivehető a sűrűbb elrendezés miatt. Ha arra gondolsz, hogy máshova került most a DC csatlakozás, ez azért van, mert a fetek most fordítva van beültetve, de pont úgy, mint Király Tibi nyákján. Ha visszalapozol, ott látható is. De jobban elképzelhetőnek tartom, hogy én rontottam el valamit, mint hogy Te tévedj, de most tényleg nem látom hol a hiba?! De holnap úgy is tudtomra adod. A 470, 22k, 2,2µF testelésének javaslata, érdekes felvetés, ez a királyi nyákon sem így valósul meg, de jó ötletnek tartom, mert közelebb nem nagyon tudom rakni a szorítót. Tibi nyákján meg elég rövid ez a távolság. Könnyen kialakítható ott egy hasított test vezető sáv, bár az eredeti koncepcióm az lett volna, hogy a kondi az IC és az ellenállások közé kerűlt volna. Még mindig van némi esztétikára való törekvés a nyákban, ami rontja a praktikusságot. Istenem, de nehezen vetkőzöm ezt le... De a gyakorlatlanság miatt van ez. De sokat tanúltam már e pár nap alatt is! Ez az elágazás eléggé bántja az én szemem is, holnap kijavítom. Megcsinálom az osztott sávos GND-ét is, praktikus, egy csillagpont a csillagponton belül, és megcsinálom a folyamatos vonalút, úgy jogy az elko belüre ketül. reloop: Köszönöm a képletet! Közben számolgattam, és a VF3 teljesítménye elegendő lenne, 20-30W, a TDA7265-öt akarom kiváltani. De feljegyzem, későbbi nagyobb teljesítmény igény esetére. mek-elek: Apropó táp. Nem stabilizált táp lenne, és az aktív dobozba sem stab táp van. Bár erős kihívásokkal küzködök elektrotechnika terén, de arról már rég tudomást szeteztem, hogy teljesítmény erősítőnek stab tápot rakni, igen nagy tájékozatlanságra utal. Olyan kb. mint zsákban futni. Megy, megy, de értelme nem sok... A low esr kondi szintén etalon!
A fetek fejjel lefele vannak.
A fotó módból exportált nyák rajz megtévesztő. De Te jól ismered a Sprint Layout tervező programot, ha alaposabban megnézed, a fetek makrója halványabbak, a vezető sáv rátakar, avagy forrasztás felöl van, vagy hosszú lábbal háttal beültetve és visszahajlítva. Ez a módszer Király VF3-masánál figyelhető meg.
Kedves "P"!
Tegnap a levélírás körülményei, a látásom kondíciói eredményezték a félrenézést. Így + edzésed lett, hidd el ebből károd nem lesz. Nem láttam jól a szorító alatti vezetékezést, és a családi trauma néha, okozhat ebben a korban olyat, hogy nem fogja fel az ember, hogy a feliratozás nem a lábakhoz, hanem a szorítóhoz tartozik, (válassz jó feleséget). Tibor, nekem egy jóindulatú, önmagát remekül hasznosító ember. De egyikünk sem tud mindent, és a tudás, mindamellett, hogy relatív, állandó változásban van. Két egyforma ember nincs, ezért jó a csapatjáték, ahol a tudások összeadódnak, és kialakulhat egyfajta fonó hangulat, mint régen vidéken a parasztság életében. Amikor a vf2-öt készültem csinálni, birtokolni akartam , az akkor elérhető információk által, elérhető tudásszintet. Gyakorlatilag ez elhúzódott egészen a vf4ig. Mint írtam a vf2-őt alakítottam át panelcserével vf4re. Már a vf4 működött, amikor módosítottam a puffer, és a hangfalkábel vezetékezését tömör ezüstözött vezetékre. Én sem tudtam mindent (most sem), de állandóan kupálódni kell, ha el akarsz érni valamit. Ahogy a székelyek mondják: "Édes fiam, ha te megelégszel azzal, amid van, soha nem lesz semmid". Vagyis tegyünk egymás tudásához és legyünk többek, mint addig voltunk, mindannyiunk hasznára. Amit írtam, azt részben tapasztaltam, de főleg más által publikát, mondott tapasztalatok megvalósításából származó megtapasztalt eredmény. De bárki lehet vegetáriánus. Azaz, ha megnézed monitorerősítőként is boldoggá tette megépítőit. mek mek
Kedves Elek!
Iszom szavaid! Bár már lassan nyílt magán levelezésbe fordulunk át! ![]() Idézet: „(válassz jó feleséget).” Az e fajta elkötelezettséget mellőzném, szeretném fentartani magamnak a változ(tat)ás jogát... Jobb ez így nekem... ![]() Idézet: Igen, mint régen. És voltaképpen ezt jelentené a fórum, egy virtuális fonó, de ezt sajna nagyon kevésszer érzem megvalósulni. Sokan nem nagyon akarnak segíteni a kisebbnek. Természetes von bőven olyan is, akai még nagyon azt sem tudja mi az az ellenállás, de már űrsiklóban gondolkodik. Olyan is van, mikor egy kezdeti jó kiindulást a kibontakozás állapotában elkezdenek letiporni. olyan is van tám még, aki irigy a tudására. Nem egyszer tapasztaltam a való életben!„[...]a tudások összeadódnak, és kialakulhat egyfajta fonó hangulat, mint régen[...]” A legkisebb kollektív tudás is nagyobb, mint a legnagyobb egyéni! És ez a mondás nem tőlem származik. Nyílván ezért látogatom a fórumot én is, váltakozó sikerrel. Tibi alaposan körbejárta a VF lehetőségeit! Amit tudott kihozott belőle, a többi már rajtunk múlik, tudjuk-e tovább vinni, vagy "csak" azon babérokat learatni amit Ő neki sikerült! Nem vagyok megelégedve ezzel a nyáktervvel, amit legutóbb publikáltam! Alkotó: Nagy tisztelője vagyok munkáidnak, és köszönöm, hogy csendben a háttérből nyomon követed szárny próbálgatásaimat! És köszönöm a véleményed! ![]() Én sem látom ebben a legutóbbi elrendezésben a kialakításra vonatkozó elképzelést! Nekem nem nagyon szimpatikus ez a fet elforgatás. Megkuszálja az egész vonalvezetést. Másnem a nagy áramú részekhez megy M3 anaya a nyák forrasztási oldalára, és arra szemes saru. Jó közel a DC becsatlakozásokhoz. Nem determinálom magam a kapocs elemek korlátaival! Tibor egyébként is vastag vezető sávot javasol és még azt is felónozni, vagy ráfejelni vezetékkel. Csak úgy szimplán forrszembe rögzíteni nem akarom, nagy a forrszem és a vezetősáv felszakadásának esélye. A fetek lábát lehetne fordítva is három szögelni A bemenet satlakozó megy a kondi közelébe.
Az eddigieket latba vetve, és az új elképzeléseimet bele szőve, ez született.
Azt hiszem alaposan kimerítettem a "Variációk egy témára." fogalmát!! ![]() Lássuk hát a csodát! Ja, stilizáltam a hőkompenzációt is, 270/470 omos ellenállás és az 1N4148 valójában nincs a panelen. A hozzászólás módosítva: Jún 12, 2017
Ez így nagyon profi, gratulálok. A GND-t és a kimenetet nyugodtan "zónázhatod", ezzel jelentősen csökken a fóliainduktivitás. Ha lúd, legyen kövér... ezzel egész biztosan nem fogsz bajt csinálni szerintem. Nem lehet simán beforrasztani a tápvezetékeket és a kimenetet a panelbe?
Most nosztaliáztam és néztem vissza a még nem törölt közbenső terveket, és vettem észre, hogy ez a koncepcoóm már létezett, csak finomítottam rajta egy picit.
Végül is a fet lábainak fordított háromszögelése nem vált be. Az M3 anyákat felforrasztva, aluról felcsavarozható a táp kábel és a teljesítmény kimenet. A csavar még plusz keresztmetszet növekedést ad, így a csomóponti ellenállás minimalizálódik. A csavaros rögzítéssel kielégítő kontaktus érhető el, és a kontakt hiba lehetősége szinte kizárt, és mint hogy a forrasztásioldal felöl van, így még útban sem lesz a kábel. Ennek az elképzelésnek Alkotó véleménye volt a gyújtó szikrája! Még egyszer köszönöm a megjegyzését, mert az nélkül nem gondoltam volna újra a tervet.
Ne szeretném beforrasztani. Egyrészt nem bízok a réz fólia mechanikai tűrésében, másrészt a forrasztási szennyeződés okozhat zárványozódást, ez által nem garantált a jó kontaktus. De még ha minden jól is megy és kellően tiszta a forrasztás, a vezetéket az a pár mikronos fólia tarja, és jártam már úgy nem egyszer, hogy fellökte a forrszemet.
Ezek a kis nyákos sorkapcsok elég gyenge és kis keresztmetszetű kontaktust adnak. Belevíve az erős áramú szakmámat, egy kötési pontnak sosem árt, ha a lehetőségekhez mérten a megengedett legnagyobb. Ellen esetben hatványosan romlik a hatásfoka. A szemes saru és az anya egyrészt teher hordozó, másrészről kellő csatlakozási felületet biztosít. A vezetősávokat a jelölt módon megnagyobbítom! Köszönöm az építő javaslatot! Azzal az egy ellenállás átfordítással lavinát indítottál el bennem, így a másik érdem a Tied! Mek-elek mestert nem azért nem emelem ki, mert érdemtelen rá, hanem azért, mer az Ő hozzá állása annyira evidensé teszi az érdemültséget, hogy említeni sem kell!! Köszönöm Nektek!!! Javítás alkalmazva! A hozzászólás módosítva: Jún 12, 2017
Téma kitakarítva! Kéretik a kötések fajtáit, tulajdonságait, színét, stb. a saját témájukban kitárgyalni.
Innentől díjazom az OFF-okat. Köszi a megértéseteket. sz.
Kedves Moderátor!
A Fórum, és lehetősége, Király Tibor, mint témaadó, hátterével, köszönöm a beavatkozásod! mek-mek
Kedves sasasas!
Olvastam az irf540 diódamegoldásodat. Kérdezem Tőled, van-e a módosításnak a hangzásban tapasztalható pozitív változása? Üdvözlettel, mek-elek
Sziasztok!
Lenne egy kérdésem a VF3-VF6-al kapcsolatosan: A VF3 elérhető itt: http://tkiraaly.hu/audio/vf3/vf3.html Ennek a továbbfejlesztése a VF6: http://tkiraaly.hu/audio/vf6/vf6.html Kérdésem, ha a VF6 a VF3-ból lett kifejlesztve, akkor a VF6-nál az 1N4148 előtti ellenállás miért lett 270Ohm a 470 Ohm helyett? A VF3 esetében a tápág és az OPA között mondjuk van 18V A Vf6 esetében a tápág és a Zener között van kb 16V. Ez, ha jól sejtem, nem indokolja a nagymértékű változást. A VF6 oldalon lentebb a +/-24V-os verzió szintén megkapta a 470 Ohmos ellenállást, tehát azt sejteti, hogy maradhat a 470 Ohm a+/-34V-nál is. Valaki épített már +/-34V-os verziót? 270Ohm-al?
Idő közben meg találtam ami nekem kell:
http://www.hobbielektronika.hu/forum/topic_post_1954542.html#1954542 Ez azt jelenti, hogy akár +/-72V-os egyenirányított feszültségről ez a kapcsolás üzemeltethető? A FET-ek bírni fogják az áramot?
Kedves Naszrai Úr,
a katalógusban, vagy itt a fórumon biztos találsz erősebb FET-eket. Kérdéseidre Király Tibor is adhat válasz ha itt épp nem annyira mostanság. Ebben én nem annyira tudnék most segíteni. Remélem nem sértelek meg, ha azt ajánlom, ha belefogsz egy ekkora erőműbe, akkor minden működési feltétel forszírozott lesz, azaz a táp, a vezetékek, a hűtés megfelelő kapacitása alapvető követelmény. Ajánlanám Király Tibor ez irányú tanulmányait. Érdeklődve várom a sikeres megépítést, annak tapasztalataival. Üdvözöl, Elek
Kedves Elek!
Köszönöm a biztató szavakat. Összerakok egy panelt. A végére berakok egy 100nF/10Ohm párost valamint a szokásos párhuzamos tekercs/ellenállás párost, így reményeim szerint szűkül a szélsőséges üzemeltetés lehetősége a hangfalak/hangszórókábelek miatt.
Kedves Naszrai Úr,
Én nem tenném. Ha visszanézel a fórumon az előző értekezéseinkre, láthatod bizonyos dolgokban a véleményeket. Tudom ajánlani. Ha megint írok, most Neked ezekről, azt hihetné aki már olvasta azokat, hogy rögeszmés vagyok, még, ha a tapasztalat átadás vezérel is. Én arra igyekeztem felhívni a figyelmedet(ha nem sértelek meg vele), hogy minél forszírozottabb üzemmódban megy egy berendezés annál kiszolgáltatottabb a legkisebb hibáknak is. Jó dolog az autópálya, de mit sem ér, ha nem kellően biztosított a fel és lehajtás és a kereszteződések. Király Tibor erősítői VF-ek, FH-k megbízhatóak, jó minőségű(audiofil) hangzást tudnak biztosítani. Ráadásul az elkészítéshez megfelelő ismereteket is közölt. Mielőtt bármit csinálsz tüzetesen tanulmányozd, mert nagyban hozzájárulhat a sikeres megépítéshez. Maga a megépítés egyszerű, az eredmény garantált, nem kell variálni a kapcsolással, csak bizonyos megépítési feltételeknek eleget kell tenni. A kézügyesség meg semmiben sem árt. Nekem minden változatban Tibor hőstopja lett kivitelezve, én ebben hiszek. Igaz a Conrádban vett hőközvetítő zsírt használom ragasztás nélkül, és a leszorító csavar alatti szigetelő gyűrűt reszeltem le kicsit, ahol a dióda lába elmegy. Vedd komolyan a teljesítmény miatti feltételeket. Trafó méret, kábelek vastagsága, úgy a tápoknál, mint a hangfalaknál, hűtés. Ne kapkodj, tájékozódj, ne légy lusta, legyél pontos, vár az eredményesség! üdvözöl, Elek
Sziasztok!
Letöltöttem kedves fórumtársunk VF6 kapcsolását. Átalakítva a kapcsolást magamnak és az ajánlott alkatrészekkel. Az alkatrészek kilistázása során arra jöttem rá, hogy a kapcsolás és a nyákterv nem egyezik meg. A kapcsolási rajzon szerepel + 2db dióda (D1-2: 1N4148) és 2db ellenállás (R3-4: 270ohm) amiket a nyákterven viszont nem találok. Linkelem a kapcsolást és a nyáktervet is. Nagyon megköszönném ha valaki elárulná nekem, hogy ezek az általam hiányolt alkatrészek nem is kellenek, vagy rajta vannak csak ennyire "vak" vagyok, hogy nem látom őket. Bővebben: Link
Rá kell ragasztani a fetekre , tessék elolvasni a Cikket
Akkor így már értem miért hiányoltam. A cikket átolvastam csak nem az első cikket hanem ahol csak a VF6rol van szó.
Bővebben: Link Ez sajnos ebben a cikkben nem volt leírva. Köszönöm szépen a segítséget.
Sziasztok!
Végre, hogy megjöttek az alkatrészek betudtam őket forrasztani. Valaki rá pillantana, hogy jó helyre került-e minden? És még abban szeretném a segítséget kérni, hogy 1db kimenetem van a panelen (OUT), a másik kimenet melyik az? Előre is köszönöm a segítségeket.
ez így nem jó. a dióda (ellenálás) a hűtőzászón kell hogy legyen.Ahol a két drain találkozok ott a kimenet. Az élesztés 22 ohm ellenállásal és a trimer maximumaba ( legnagyobb elleálás)állítással kezdődjön. az elsü bekapcs a táprafó prímer ágában egy 100 w os izzóval sorosan csak villanhat egyet aztán kialuszik akkor a jó. ha ég akkor valami baj van. Haj rá
. ha összejön .. akkor gyönyörűség .
Szia! A diódát így kell felszerelned. Ha a másik kimenet alatt a hangszóróvezeték másik ágát érted, akkor azt pufferek közös pontjára kell kötnöd.
Szia! Engem a kepen lathato ic tok egyszer megtrefalt(csunyabb szot akartam irni)
Azota az ic labait kicsit feszitve nyomom bele, hogy ne csak "beleessen".
Az a tok éppen a "precíziós" fantázianévre hallgat, és talán a legjobb amit kapni lehet. Nekem még sosem volt rossz tapasztalatom vele. Pl. itt is így hívják. Az adatlapi ábrán látszik milyen ügyes kis hüvely fogad minden egyes lábat.
A hozzászólás módosítva: Nov 13, 2017
|
Bejelentkezés
Hirdetés |





Találkoztam vele, olvastam, de nem jegyeztem fel, mert akkor nem tartottam relevánsnak. Vagy ha valaki megmondja DC 24V-os táphoz mekkora zéner kell, az is jó nekem. 











. ha összejön .. akkor gyönyörűség . 




