Fórum témák
» Több friss téma |
Mielőtt kérdezel, a következő két dolgot ellenőrizd!
I. A helyes tápfeszültségek megléte.
II. A kimeneten van-e egyenfeszültség.
Élesztés.
Szia! A tranyó a rézoldalról megy bele, ha úgy kényelmes tedd onnan a potit is. Az a lényeg, a poti a B-E közé essen!
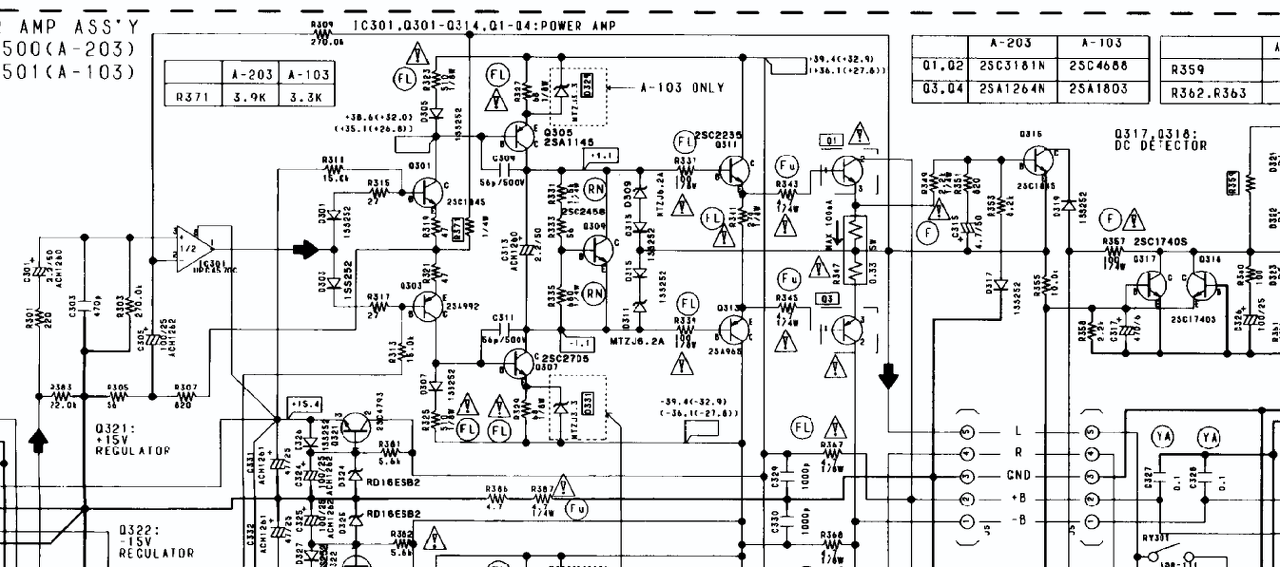
helló ségitene valaki nekem biztos találunk valami megóndást fél orája keresem ezt a végtranokat !
A1803 4k és C4688 elöre is köszönöm ha nincs akkor mivel lehet hejetesiteni ?
Tanulj meg írni..Vagy olvass szabályzatot!
IDE írd be aztán találsz malyd hejettesitöt..2sa1803= 2SA1670, 2SA1907, BD246A... 2sc4688= 2SC4385, 2SC5099, 2SD2064, BD245A. A hozzászólás módosítva: Jún 10, 2017
Köszönöm !
És bocsi És ezek mint jelentenek ha nem vagyok a terhedre ? 2sa1803= 2SA1670, 2SA1907, BD246A... 2sc4688= 2SC4385, 2SC5099, 2SD2064, BD245A.
Azok a helyettesítői amiket írtál..
sa1803 az helyesen 2sa val kezdődően írod.
Kapcsold be a helyesírás ellenőrzőt!
Direkt volt bocsánat.. Csak azt nem bírom mikor valaki direkt ír helytelenül aztán 2 perc alatt megtanul helyesen.. Érezd az iróniát..
A hozzászólás módosítva: Jún 10, 2017
Szia! A konkrét áramkör ismeretében kéne helyettesítőt választanod, mert az átlagostól gyorsabb és nagyobb erősítésű tranzisztorpárról van szó. Meg is kérik az árát. Itt az adatlapja.
Szia köszönöm szépen igaság szerint mekem egy pioneer A 103 van és ebben kellene 2db az elözö gazdája tul hajtota
Mellékelek egy rajzot.
A hibás végtranzisztor eltávolítása után ezt az ellenőrzést javaslom. További teendők.
Itt vannak pár képek Q3-Q4 tranyók Egyszer sípólnak egyszer nem.
kiszettem őket és akkor B-C láb nem mutatott semmilyen értekét a műszer De miért[i][/i] ?
Ha beforrasztva zárlatott jelzett a multiméter, kiforrasztva pedig szakadást mutat a tranzisztor, a panelen, a forrszemeknél folytasd a mérést.
Az is lehet, hogy az egyébként rossz tranzisztor a kiforrasztás során ment át zárlatból szakadásba. A panelt azért ettől még le kell ellenőrizned.
itt van a táp ellenállása is .
netten találtam és nekem is ezzel az értékek vannak(.) A hozzászólás módosítva: Jún 11, 2017
Sziasztok. Az volna a kerdesem, hogy a TDA IC-s vegfokoknal hogyan mukodik a mute es a stby funkcio? Arra gondolok, hogy mikor eles az adott funcio, ha van rajta feszultseg vagy ha nincs. Az egyiken majdnem tapfeszultseget a masikon 3,35v-ot mertem.
( elnezest az irasmodert, buta a tablet)
Szia! Sokféle TDA IC van, nem egységes a némítás és a készenlét kezelésük. Az adatlapjában biztos találsz információt.
Sziasztok
Véleményetekre lennék kiváncsi. Egy Sherwood erösítő. Tipus AI-2110R milyen minőséget képvisel? Én ma halottam elösször a márkáról, és szeretném megvenni. Egy orion hs511 et hajtana. Mi a véleményetek.
Üdv!Erős középkategória hifiben szerintem.Mivel tranzisztoros ezért többre tartom egy integrált ic s megoldásnál.
Tudom nem ide tartozik.
De nekem milyen pioneer A103 ez már nagy teljesítményű erősítő ? ? milyen kategóriában van ?
A 2x25w nem nagy teljesítmény,de hifi kategóriában normál zenehallgatás mellett az nem is mérvadó dolog.
Pioneer A 103 6-16 ohm 210 watt (javítás )
ami nekem van az egy pioneer 550R A hozzászólás módosítva: Jún 12, 2017
Pár hónapja javítottam én is egyet.Az már egész tekintélyes teljesítménnyel bír és a hangja is korrekt szerintem.A transzformátora cca 550w eléggé túlméretezett,van is alja rendesen..
Volt egy Pioneer erösítőm, stk ic-vel, de sírtam, amikor halgattam, nem vagyok vajt fülű, de brutálisan roszul szólt. A tranyós erösítő simán veri az Stk-t. Köszönöm az infót.
STK IC-ből van nagyon sok féle, alsó kategóriától kimunkált, igen jóféléig. Meg eredeti és utángyártott is, ami nemes egyszerűséggel belül tök máshogy néz ki. Valamint, nagyon sok múlik azon, hogy mi van körülötte, milyen alkatrészek, milyen tápellátás. Így, egy erősítő alapján véleményt formálni az összes STK-ról nem lehet.
Még egy apróság: Az STK nem integrált, hanem hibrid. Ebből a szempontból ez inkább egy diszkrét (ahogy írtad, tranyós) végfokozat, csak az alkatrészek nagy részét egy kerámialapkára forrasztják-fémgőzölik-ragasztják, és azt tokozzák, ami így kevesebb helyet foglal és sokkal jobb a hőmérséklet együtt futása. A hozzászólás módosítva: Jún 12, 2017
Egy jó hangú erősítőnek csak egy része a kapcsolástechnika. Kell még jó tápegység, meg jól megválasztott frekvenciaátvitel. Túl alacsonyra választott alsó töréspont (akár DC) csak akkor előny, ha egy izmos táp is társul hozzá. Egy kis értékű pufferkondival , és nagy belső ellenállású trafóval szerelt erősítő nem tud jól szólni. Ha meg a kimenetet jó sok helyen megszakítják (biztosíték, relé, fejhallgató kimenet jack, A/B kapcsoló stb.), akkor az nem válik javára az erősítőnek. Ehez még társul egy rosszul megválasztott töréspontú hangszín szabályzó, és a legjobbnak ítélt stk, vagy diszkrét kapcsolás is elvérzik.
Sziasztok,
Van egy Aiwa A22 amiben a hangerő potit már többször tisztítottam, de folyton visszatér a recsegés mikor tekergetve van. A feliratok szerint ilyen potik vannak benne egy tengelyen 9820-6040-100K(ohm)BX2 250K(ohm)W2 Próbáltam keresni a neten, de nem találtam ilyen potit. Mit lehetne kezdeni vele? Pár kép a potikról: Bővebben: Link Bővebben: Link Bővebben: Link Bővebben: Link Bővebben: Link
Na ilyen plusz kivezetéses potira én is vevő lennék egy SONY végfokba.
Ilyet szinte kizárt, hogy találsz készen. Esetleg azt megteheted, hogy veszel két sztereo potit (2x100k BX2 és 2x250kW2) és kicseréled az egyik futopályát. Ez sem egyszerü, de megoldhato.
Elötte, azonban megnézném a csatolo kondikat, mert ha azokon szivárgás van akkor a jo poti is recsegni fog.
Szia,
Köszi a tippet. Kondi cserék megvoltak már. Ezen a futópálya cserén elgondolkodom.
Figelem! A linkeidre nálam ez jelent meg: " A webhely biztonsági tanúsítványa hibás!"
|
Bejelentkezés
Hirdetés |




sa1803 az helyesen 2sa val kezdődően írod. 












