Fórum témák
» Több friss téma |
MC3362? Szerintem kísérletezni ez is jó, de persze ehhez több alkatrész kell , mint a TDA7000 -eshez.
Amelyik bírja az áramot, azt használd. Tégy csöves egyenirányítást, és máris leejti annyira, amennyi kell. Akár a 100+100-ból, vagy a 220-ból. A 100 V, Graetz, puffer kevés lehet (<140 V). 200/220-ból meg sok.
Ezek szekunder feszültségek de van még több is, viszont azok már többnyire fűtéshez.
granpa: EZ80-al szerintem a váltó 220V-on (középmegcsapolásos) eshet annyit hogy meglegyen a kellő anódfeszültség. Esetleg a szűrőtagnál lehet annyit hogy kicsit megnövelve a két puffer közötti ellenállást csökkentve ezzel az anódot a 2. kondenzátoron.
Próba, aztán elválik, melyik fesz. a nyerő.
Köszönöm a választ.
Ha van jó egyenirányitó csöved,az a legjobb,mert a többi csövet késleltetve inditsa meg,igy nem rongálódak a katódjaik
Köszönöm válaszod, próba cseresznye!
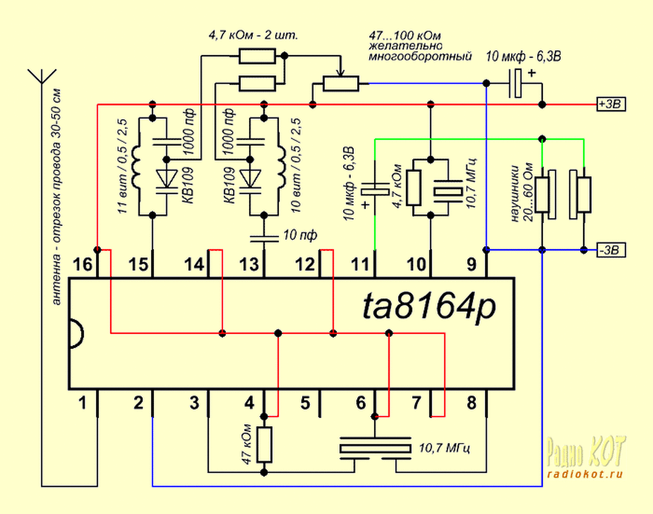
A TA8164 ic lesz a tudomány áldozata, a HQ nál találtam, itt sajna nincs egyik sem.
A Ds katalóg-ban az első tesztáramkörnél a sávokat közös tengelyű forgóval hangolja, a kerámia szűrők frekijéről nem találtam semmit. SFU155E. lehet, hogy 10,7MHz? Üdv: bárány!
Nem tudom mit néztél, de az adatlapon levő kapcsolásban egyértelmű.
Bővebben: Link SFU455B 455 kHz az AM, a SFE10,7MAS jelű a 10,7 MHz FM KF-hez tartozik. A hozzászólás módosítva: Júl 3, 2017
A világ legegyszerűbb FM szuper rádiója
Köszönöm az instrukciókat! Még egy kérdés, meg lehetne-e oldani varikapokkal? Idegenkedek a hármasforgótól? Elegendő-e csak az FM- részt kiépíteni? Igaz ez már nem egy volt.
Üdv: bárány!
A varicap-os megoldás itt van,valami oroszok rajzolták,elég csak a z FM részét kiépiteni,akinek nincs ilyen ic,az próbálkozhat a telyesen kompatibilis TA 2003-al
Üdvözlök Mindenkit !
Most írok először ebbe a fórumba. Kezdő vagyok rádióépítés terén, egyszerű egyenesvevőket próbálok építeni. Az lm386-os egyszerű audiont én is megépítettem, több formában is. Legutóbb ferittel hangolható tekercsel, és fix kondenzátorokkal. A ferrit hengeres 9mmx50mm rajta 30 menet 40mm hosszan. Erre a 30 ra tekertem kb 10 menetet, amire az antennát és a földelést kötöttem. 2 nf-os (rezgőköri)kondenzátorral a tudtam fogni a Kossuth-ot, 470pf-el a nyiregyházi 1251 khz-s Am adót is. Este több külföldi adó is jött. A szelektivitást viszonylag jónak találtam, (gondolom az ic 55K-os nagy bemeneti ellenállása miatt) A kondenzátort eltávolítva és a ferritet majdnem kihúzva rövödhullámú adók jöttek egyszerre több is. Tnl
Sziasztok! Valamikor megépítettem magamnak ezt: regeneratív A mai napig is használom. Közben találkoztam ezzel: homodyne . Ez állítólag szinkrodin elven működik. Azon a két szembekapcsolt diódán kívül van lényeges különbség? Nem igazán hiszek benne, hogy valamivel is másabb lesz attól, hogy a pozitív visszacsatoló körbe tesz egy diódás limitert. Vagy netán mégis? Attól lesz a pozitív vcs. szinkrodin?
Mi van itt a témában? Teljesen kihalt? Belevágtam életem első és egyben utolsó elektroncsöves projektjébe, sajnos a fiókomban maradt elektroncső hibás volt. (Legalább ezt megtudtam róla 2 nap kínlódás árán). Elővettem a hitleri illetve minálunk horthy néprádió kapcsolását. Nem tudhatott túl sokat ez a készülék az eredeti csövekkel sem, nekem szerencsétlen módon egy PCH200 csövem maradt meg, nem tudom, hogyan, és miért? Tudtam, hogy a kísérletezés sok belenyúlással járhat, hogy ne találkozzak a fázissal, találtam egy olyan trafót anódfeszültségnek, ami az első pufferen 200 Volt körül adott le. A fűtőkörnek külön csengő trafó szolgált. Működött is, de az elektroncső trióda része csak egy erőteljesebb koppintás után volt hajlandó beindulni, és minden kikapcsolás után átment teljes szakadásba. Az, hogy a másik fele heptóda volt, még a kisebbik gond, megpróbáltam a plusz rácsot a G2-vel összekötni, sajnos csak egy ilyen TV tunerbe való használt rossz csövem volt. A végső megállapításom mégis annyi, hogy ugyanennyi tranzisztorral sokkal használhatóbb rádiókat lehetett megépíteni. Nem tudom megérteni azokat, akik bevállalják a sok fúrás-faragást, hogy ilyen nosztalgia készülékeket építgessenek.
Szerintem csak a rossz cső vette el a kedvedet
![]() Egyébként van varázsa a csöves építésnek, sőt szerintem "nosztalgia" készüléket, csak azzal érdemes építeni. De persze izlések és pofonok.
Ha pont DKE38-ast akarsz épiteni,van egy rakás PCL csövem ,az kell hozzá,nem tv viszintes generátor cső.
Építettem nem túl rég egy csöves audiont DLL101 csővel. A kapcsolás alapja a Makai féle könyvben van. Fűtést NiMh ceruza akkuk adják, több párhuzamosan kötve, az anódfeszültséget egy Tesla B100 magnó trafója, feszültségkétszerezéssel. Így lett 90-95V. Az első csőfél audion, a másik végerősítő. Mivel nincs hallgatóm, ezért kimenő trafó+érzékeny hangszóró párosítással dolgozik. Kicsit belenyúltam az eredeti kapcsolásba, mert nem éppen azt csinálta, amit vártam. A tekercs egy gyári rádióból származik, antenna rövid(kb. 10 méter), földelés van. Kossuthot, meg 2 román adót vesz, tűrhető hangerővel. Viszont a visszacsatolással meggyűlt a bajom, nem tud fütyülni még a Kossuthnál se. Nagy hangerőt nem kell tőle várni. Ez a cső tényleg mikrofóniás(olvastam valahol).
Lehet, hogy a tekercs nem megfelelő, ehhez egy szép légmagos tekercs illik
Igen, de hiába készítettem egyet, a könyv szerint, nem volt jó. Semmi se szólt. Még a Kossuth se. Majd készítek egyet, hátha jobb lesz.
Éppen ez a bajom a csövekkel. Ugyanezt a hangerőt 2 tranzisztorral el lehet érni, sokkal de sokkal kevesebb munkával, és nem zabálja az energiát a fűtéshez. DLL101-em is lehetne, úgy 20 évvel ezelőtt hoztak egy második világháborús aknakeresőt, és azt is tranzisztorokkal építettem újjá, így nem kell hatalmas nagy akkumulátor hozzá. Sajnos valószínűleg a szemétbe került a cső, mert csak a foglalata van meg. Csak kíváncsi voltam a csöves audionra, mert a két világháború között még nagyon ment, azután eltűntek, én már 1 darabot sem láttam. Sajnos csak annyit tud, mint egy detektoros rádió 1 tranzisztorral felerősítve. Már egy 2 tranzisztoros reflex is jobban szól, mint az audion. Emlékszem ifjú koromban az audiont tranzisztorral is nagyon gyorsan elfelejtettem, mert azzal lehetetlen a ferrit antennás vétel, nem sokkal különb,mint egy detektoros, még visszacsatolással sem. A 70-es években, amikor én tinédzser voltam, nem szerettem az elektroncsövet, mert sütnek, ráznak, és csak helyhez kötött dolgokat lehet építeni belőlük. A tranzisztorok viszont épp azóta napról napra egyre jobbak lettek, ma már szinte semmiben nem hibásodnak meg, egy processzorban több millió van belőlük, nem 6 darab, mint a japán zsebrádiókban, amikhez hasonlót szeretem volna mindig annak idején megépíteni. A Fet- ek meg tudják ugyanazt a nagy bemenő impedanciát, mint az elektroncsövek.
Kezd dejavum lenni:
Bővebben: Link ![]() Szerintem mindegy ki mivel épít, az építés a lényeg, a hobbi, az időtöltés, kikapcsolódás, tanulás. Példának okáért tranzisztorost már épitettem, de nagyon szeretnék egy igazi békebeli csöves audiont.
A csövek sütnek........nem kell fogosgati őket működés alatt
A csövek ráznak.........nem kell fogosgatni az anódfeszültséget működés alatt Egyetlen egy rosszoldala a csöveknek a nagy fogyasztás,de a legszebb hangot ma is ezek adják és az amerikaiak ma is előszertettel gyártják a csöves erősitőket.
Kipróbálni ki lehet, én is csak azért akartam megépíteni, 1x utoljára, de csövet én venni ezért nem akarok. Visszagondolva a több száz darabra, amit a szemétbe csak úgy kidobáltunk,voltak közte dobozba még használatlanok, de használtak is, vegyesen. Itthon mert beázott a pince, a munkahelyen meg a kolléga azt mondta, hogy dobjuk őket kifele. Én meg olyan üzletember nem vagyok, más az én helyemben pl. a GU50- ek-ből és EL34-ekből jó pénzt csinált volna.
Idézet: „nem kell fogosgati őket működés alatt” De van, amikor muszáj. (goreny kolléga megint sikoltozni fog) Megnyalod az ujjaidat, és kihúzod a forró csövet. Csak ne szorongasd sokáig. Aztán meg ha sokat csinálod, megszokja az ujjad. A telepes cső meg amúgy sem olyan forró. A hozzászólás módosítva: Júl 28, 2017
Sikoltozni? Miért? Megint?
A hozzászólás módosítva: Júl 28, 2017
A módszereim miatt. A múltkor is megróttál a rothadás szerű hang/zaj miatt.
Pedig mindig fontos a hallott zajok zavarok megkülönböztetése, mert azért mindegyikhez társítható valamilyen elektromos jelenség, amit ha felismersz, könnyebben tudod elhárítani. Van, pláne a csöves gyakorlatban ilyen "természetgyógyász" trükk, pl. nyaloszkóp, szikroszkóp, ami a mai félvezetős világban nem használható. A hozzászólás módosítva: Júl 28, 2017
Ugyan már, azért valljuk be, a rothadás egy anaerob mikrobiológiai folyamat, melynek lényege, hogy a baktériumokban anaerob körülmények között az energiaforrásul szolgáló redukált szubsztrátok hidrogénjét a légköri oxigén helyett a CO2 veszi át, amelyből a redoxpotenciál függvényében acetát (acetogenézis) vagy metán (metanogenézis) keletkezik. A rothadás bevezető lépése gyakran a baktériumok és gombák szinténanaerob, de kevésbé negatív redoxpotenciálokon zajló anyagcserefolyamata az erjedés, amelynek vé gterméke (erjedési termék) a rothadás kiindulási szubsztrátja. A rothadás a természetben a szerves anyagokban, főleg fehérjékben gazdag holt szerves anyagok lebontását jelenti, bűzös termékek keletkezése közben. (még metánfermentáció, rothasztás).
Ezt a folyamatot egy elektromos készülékben keletkező hanghoz hasonlítani erősen vicces dolog a számomra legalábbis. De ezennel a nagy nyilvánosság elött megkövetlek. A nyálas kézzel való csőkihúzás helyett rongyot vagy zsebkendőt használnék. Főleg egy szoros foglalat esetén . |
Bejelentkezés
Hirdetés |












