Fórum témák
» Több friss téma |
Egy elemes vezetéknélküli csengőben backup célból van, mert adapteresre átfabrikáltam, de áramszünetkor elfelejti a párosítást a kültéri egységével.
Ezt így kellene megoldani. Az akku nem szereti az állandó töltést. Elég lesz párhavonta tölteni.
Az akkumulátor csak akkor merül, ha áramszünet van.
Ezzel a megoldással, akkor nem lesz automatikus a töltés, ha jól gondolom, hanem időnként rá kell kapcsolni a töltő elektronikára az adaptert?
Automatikus töltést nem ajánlom. Nem fogja szeretni az akku.
Ezt én készséggel elfogadnám, csak pont az a probléma, hogy el lesz felejtve, és pont akkor nem fog szólni, amikor kellene.
Nem tudom, hogy mitévő legyek, az ellenállást kicserélem, mindenesetre a töltőáram miatt, aztán megnézem, hogy meddig bírja az akku. Ha megadja magát, nem esek nagyon kétségbe, nem egy nagy összeg. Az ellenállást merre kell változtatni, növelni, vagy csökkenteni kell?
Azon gondolkoztam még előtte, hogy egyszerűen elé rakok egy powerbankot, és az menne a készülékre, és folyamatosan az usb-s telefontöltőre lenne dugva.
Szerinted akkor ez is tönkretenné a powerbank aksiját?
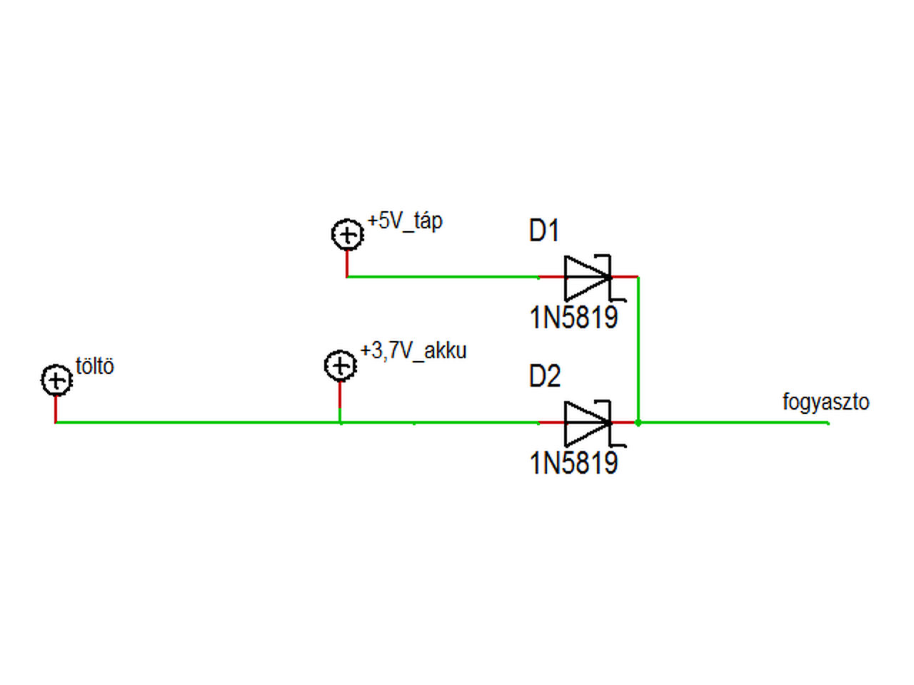
Ha nedudki rajza alapján kötöd össze, a töltő pontot nyugodtan rákapcsolhatod az 5 V-ra. Így lesz automatikus töltésed, az akkunak meg semmi baja nem lesz tőle. A TP4056 ha feltöltötte az akkut, automatikusan lekapcsolja magát, és csak bizonyos akkufeszültség alatt fog újra tölteni. Az meg csak akkor fog csökkenni ha áramszünet volt és akkuról ment a táplálása a csengőnek.
Kezdésnek én megpróbálnék beszerezni egy LI-ion cellához való töltőáramkört, akár micro, akár mini usb csatlakozóval(mivel a panel két szélén a táp és a test ki van vezetve, így a csati nem lényeg, hogy micro vagy mini) és ezzel polaritás helyesen egy megfelelő méretű ón bumszlival a végén két drótot ráteszel, rögzíted szigetelőszalaggal(vagy mégjobb, mert merevebb, ha celluxal rögzíted) és polaritás helyesen az akkutöltőre teszed tölteni mondjuk egy órát. Ezzel teljesen biztosan tudod tölteni az akkucellát, max 1A leadott töltőáram mellett. A töltő melegedni fog határozottan töltés közben, ez ne lepjen meg, teljesen normális. Én most úgy jártam hogy édesanyámnak van egy csak mobilnet előfizetése, amit én használok, mert ő most nincs itthon, de a hűségidő még köti, így olcsóbb. És egy régi SonyEricsson Xperia U telefont használok wifi megosztáshoz, mert a saját számlámhoz 200mb net van, és a netes zenehallgatás igen gyorsan lefogyasztja ezt a mennyiséget. A készülék akksija kissé már gyenge, szeret néha akár 20% körül(van hogy már 30-nál) kikapcsolni, de van hogy vég lemerülésig bírja(bár ha tehetem ezt nem várom meg, hanem ráteszem powerbankra töltődni). De múltkor nem akart bekapcsolni egy lemerülés után. Felteszem tölteni, látszólag tölt, de mégsem töltött. Kivettem az akksit, rámértem hogy 3V körül volt benne. Rátettem erre az áramkörre, és zokszó nélkül feltöltődött kb 60% körülre. Szerintem te töltsd fel teljesen az akksikat, és úgy próbáld meg használni. Amúgy azt az autós töltőt szerintem marha gyorsan hajítsd ki, és vegyél egy normálisat, ugyanis ha egymás után kétszer galibát okozott a készüléknél, akkor másiknál is fog!
Sziasztok! Van egy skil twist 2105 2.4V(2db sub c méretű NI-CD cella volt sorosan kötve benne.) akkus csavarhúzóm Tervem az, hogy két párhuzamosan kötött Sub c cellához közeli méretű cellát meg egy dc-dc konvertert használnék. A cellavédelem megoldott, mert van olyan elektronika ami kimondottan ilyen célra van, itt lakom nem messze(egy sarokra) egy akkus bolttól, és ott kapni bms panelt, ami tud 5A folyamatos áramot. Ezzel nincs gond. A gond az, hogy nem tudom hogy az elektronikának mennyire ,,tetszene" a motor. Mit kellene tegyek, hogy a motor esetleges visszarúgása ne károsítsa az elektronikát?
Szia. Egy hete alakítottam át egy Bosch 2.4-es hasonló csavarozót. Mivel csak motor van benne, ezért kapott egy 18650-es cellát, ami pont akkora, mint az eredetileg bent levő két sorba kapcsolt cella. 10 perc próba után is világítanak a LED-ek rajta, úgyhogy én sikeresnek tekintem az átalakítást. A motornak sincs rossz hangja, nem ia égett le eddig. Sok értelme amúgy sincs ennek a csavarozónak, csakúgy mint a Bosch IXO-nak sem.
A hozzászólás módosítva: Aug 20, 2017
Milyen védelmet használtál a cellához(mármint túltöltés-túlmerítés ellen mit használtál, meg a cella elektronikája és a motor közé milyen védelmet tettél? )
Semmit. Az akksi egy már lehasznált 1.6Ah-s darab. Az akksi direktbe megy a forgásirány váltó kapcsolóra. Ha merül az akksi, érezni fogod, mert nem tudsz becsavarni vele semmit. Azért sem kapott semmi védelmet a fúró, mert haszontalannak találom a gépet. Ezzel az akksival is évente párszor kellene tölteni csak, hiszen annyira keveset eszik a motor, és olyan ritkán van használva. Inkább szereztem egy 10.8V-os gépet "nem tölt" felirattal, és azt javítom meg. Azzal nem csak csavarozni, de már apróbb fúrásokat is el lehet végezni. Ez a 2.4V-os kis gép olyan lassan pörög, hogy elalszok a használata közben. Nem érdemes túlbonyolítani szerintem. Védelem nélkül töltheted akkor is, ha félig lemerült. Step down konvertert nem fogsz találni, mert túl alacsony a bemenő feszültség, a kimenő áram meg relatív nagy, tehát rossz lesz a hatásfok is.
A hozzászólás módosítva: Aug 20, 2017
Érdekes, hogy pont most írsz te is az IXO-ról, nincs fél órája, hogy összeraktam a sajátomat, annak ellenére, hogy két kezemen meg tudom számolni, hogy az elmúlt 6 évben mennyit használtam beégett az irányváltó kapcsoló kontaktja. Nem volna rossz gép, de nagyon hiányzik belőle a nyomatékszabályozós racsni.
Nekem az ixo se felelt meg. Nem volt elég erős, és lassú volt. Fába 40mm-es csavart nem vitte be, M5-ös csavart ha megfeszült kicsit a fa oldalában, már nem csavarta be, lassú volt.
Szia!
Visszarugás ellen egy db 1n4007 dióda megteszi az elektronika kivezetésére párhuzamosan, fordított irányban, de ne az irányváltó után, mert abból baj lesz.
Akkor marad az, hogy építek egyet. 3-4A terhelhetőség szerintem elég lesz rá.
Sziasztok!
Szeretnék egy régi NiCd akkus csavarbehajtót, bontott Li-Ion-os cellákkal "feltuningolni". Azonban sok riasztó dolgot hallottam a Li-Ion technológiában rejlő problémákról és "veszélyekről". Mint például a zárlatos cellák kigyulladása, túltöltés, alámerülés stb. Na most, úgy néz ki az elkészített akku pakkom, hogy 3db 4,2V-os cella van sorba kötve (12,6V) ez egy pakk de csináltam még egy 3 cellás pakkot. Így a 2db 3cellás pakk párhuzamosan össze van kötve, hogy az amper órát megduplázzam. A kérdésem az, hogy ezt miként lehet némi egyszerűséggel és biztonsággal tölteni, figyeltetni? Nem szeretném kigyújtani a lakást és azt se, hogy a kezemben robbanjon a cucc. Létezik valami viszonylag"egyszerű" házilag megépíthető kapcsolás, amely képes hővédelemre, rövidzárlat védelemre meg a többi fontos tényező figyelésére. Vagy egyszerűbb és olcsóbb kész vezérlőpaneleket vásárolni? A hozzászólás módosítva: Aug 29, 2017
Össze vannak a cellák legalább kapacitásra válogatva? És nem, nem a cellára nyomtatott 2200mAh feliratra gondolok, hanem a mért értékre, mondjuk 1-2A áramnál. Ebay-en találsz megoldást: 15A battery protection 3S a kereső kifejezés.
Egy picit biztonságosabb ha nem csak a pakkokat kötöd párhuzamba, hanem az azonos szinten lévő összes cellát. Ha még kapacitásra is összeválogatod őket, hogy a párhuzamos blokkok egyforma összegeket adjanak ki, akkor a mélykisütés elleni védelem állhat annyiból, hogy figyelsz, és amint lassabb a fúró, töltőre teszed. (Vagy előbb.) Túlmelegedés és zárlatvédelem: Multifuse bizti. Töltés: Majd mások megírják, én megyek aludni.
Nincsenek összeválogatva kapacitás szerint, azt nem is tudom hogyan kell megmérni. Csak gyanítom, a sima amper mérés nem alkalmas ennek vizsgálatára.
A hozzászólás módosítva: Aug 30, 2017
Akkor ezzel kellene kezdeni. Nézz utána a folyamatnak, aztán tudni fogod.
Én Imax B6AC töltővel mértem kapacitást, az alapján válogattam őket. Méri a beletöltött mAh-t, tud kisütni, és azt is méri. Úgy kértem kölcsön a töltőt, de veszek én is, jóféle cucc.
Nem rajzolt el semmit, csak forditva van (180 fok) a kép inzert. Ilyesmit pl ez a forummotor is csinál telorol, hogy ki tudja miért elforditja a képet.
Biztos! Forgasd el a kártyát 180 fokkal!
Érdekes lehet az a fórummotor ami a képet elforgatja, a körülötte lévő rajzot meg nem.
És az uniman által linkelt oldalon is a Hobbielektronika fórummotorja forgatta el a képet?
|
Bejelentkezés
Hirdetés |












