Fórum témák
» Több friss téma |
- Ez a felület kizárólag, az elektronikában kezdők kérdéseinek van fenntartva és nem elfelejtve, hogy hobbielektronika a fórumunk!
- Ami tehát azt jelenti, hogy a nagymama bevásárlását nem itt beszéljük meg, ill. ez nem üzenőfal! - Kerülendő az olyan kérdés, amit egy másik meglévő (több mint 17000 van), témában kellene kitárgyalni! - És végül büntetés terhe mellett kerülendő az MSN és egyéb szleng, a magyar helyesírás mellőzése, beleértve a mondateleji nagybetűket is!
A kimeneti teljesítmény 10 watt.
A hangfalak csak 5 wattosak?
Az a 10 watt közelsem igaz. Igy aztán a hangszórók is pont ilyenek. Egyébbként érdekelne hogy miért görcsölsz ezen.
Adatlapja szerint nem, min. 1,1 V különbség kell. Ha jól olvasom.
Köszönöm a válaszodat!
Szerinted milyen megoldással tudnék 3.7V-4.2V közötti feszültséget stabilizálni 3.3V-ra, úgy, hogy minél kisebb helyet foglaljon ?
Akkor mostmár tudod. Ezekre a bovlikra csak nem irhatják hogy max 3 watt. Ha kiváncsi vagy hogy mégis mennyi az a 10 vatt (jobbhíján) menj át ahhoz a szomszédhoz akinek esetleg régi csöves rádiója van. Megfogsz lepődni, jobban és hangosabban szól a maga 3 wattjával (1db EL84) mert az igaz.
A hozzászólás módosítva: Szept 16, 2017
Ha akkumulátoros táplálást használsz, LDO stabilizátor, például a HT7333, vagy XC6203 jöhet szóba. Mekkora áramfelvételt kellene biztosítani?
Ami 3.3v-ról menne az egy ARM mikrokontroller, egy 3.5 inches LCD, meg 2 SMD 1206-os LED. Szerintem ez nem több fél ampernál.
Ez belekellene férjen egy mobiltelefon dobozzába.
Én egy TL431-re épülő áramkört javasolnék. Itt a fórumon is találsz hozzá példákat, illetve a neten is.
Egy tablet nyákján találtam 3 darab AS11D-t (adatlap). Ez szerintetek megfelel a célra? (Szerintem meg.)
Nem cafolom. Az eredeti kerdes az volt, hogy az elembol kifolyt le lugos-e vagy savas. ENNEK eldontesere javasoltam a sikossagprobat.
Az, hogy te a citromLEVET (nem savat!) sikosnak erzed: erre irtam, hogy a citrombol magabol sokminden egyeb is felszabadulhat, ami olyan sikos lehet, mint a nyal vagy a takony. Sapienti sat.
A citromsavról is írtam, hogy síkossá teszi a kezed, ha figyelmesen olvastad.
20%-os ecettel is kipróbálható. NEM azonnal síkosít, csak miután már valamennyire megmarta a kezed.
Segítsetek már egy gyors számításban légyszi.
Adott két aksicella, amiknek a párhuzamos kapcsolás pillanatában kialakuló kiegyenlítő áramát akarom megtudni. I=U/R képletből kiindulva felvázoltam a dolgot a mellékelt ábrán. A kérdésem, hogy jól írtam -e fel a képletet és helyes a számításom? Vagy kihagytam valamit? Umax.: egyik cella feszültsége Umin.: másik cella feszültsége Rb.: cella belső ellenállása Még mielőtt lebeszélnétek róla, ez szigorúan CSAK ELMÉLETI kérdés, nem gyakorlati. Egy készülő videómba fog szerepelni, de nem akarok hülyeséget beletenni. Köszi... A hozzászólás módosítva: Szept 17, 2017
Jó a számolás. Bele lehet számolni még a kábel és a csatlakozások ellenállását is, mivel a 0.07ohm-mal hasonló nagyságrendben vannak. Így kb. 3-4A-nál több áram nem fog folyni.
Youtube-on van róla videó is, nem csak elmélet. 3A folyt két cella között, ha a teli cellákat duplázta, tehát a belső ellenállását csökkentette, akkor 16db párhuzamos cellánál is csak rövid ideig folyt 6A, és gyorsan csökkent 3-4A-ra.
Jaja, úgy működhetett
![]() Ha viszont egyszerre akarsz 5 darabot tölteni, akkor egy 5V/6 Amperes tápot kellene kerítened...
Való igaz, én arra nem gondoltam, igaz adatom sem volt róla.
Kérdés, hogy egy kezdőknek szóló videóba érdemes -e belekalkulálni ezt is szerinted / szerintetek? A hozzászólás módosítva: Szept 18, 2017
Veheted 0.01-ohmnak, és akkor ott is van, de nem nagyon befolyásolja a mérést. Én bele venném, mert egy nagyságrendben vannak. Annyi módosul, hogy 2*0,07 helyett 2*0,08-cal kell számolni.
A hozzászólás módosítva: Szept 18, 2017
Szerintem nem érdemes. Ha valaki érti az elvet akkor magától is rájön hogy az is beleszámít, ha viszont nem érti akkor jobb ha a legegyszerűbb modellel kell csak megbirkóznia. Széljegyzetként megemlíthető.
A valós mérési eredmények már azért is erősen eltérnek mert maga a belső ellenállás sem állandó, igen erősen és gyorsan változik egy ilyen tranziens során. Ez tényleg csak egy nagyon leegyszerűsített elvi modell, túlcifrázni nem érdemes.
Akkor úgy érzem marad a megjegyzés, nincs már kedvem újra elkészíteni azt a részét a videónak...
Üdv!
Segítségeteket szeretném kérni. Találtam egy leírást, egy időzítőről. Viszont nem értek két dolgot a terveken. Az egyik, hogy az arduino alatt van 4db forrpont az sima átkötés lenne csak? Mert valami jumpert ír. A másik pedig, hogy rengeteg alkatrész nincs rákötve a gnd re, pedig a kapcsoláson úgy szerepel és úgy is logikus. Így nem is működhetni. Az a terven miért nincs rajta? Bővebben: Link
A föld gondolom az egyik oldal teli nyákja.
A 7805 részt nem igazán értem, az arduino-t Vin bemeneten simán táplálhatod 12 V-ról. A forrpontokat nem tudom, de nekem annyira nem tetszik ez a terv. A LED pin tüskesort simán rakhatnád a switch pin fölé, a buzzer mehetne a helyére, a nyák jobb aljára, az arduino pedig elcsúszhatna jobbra, így kényelmesen lenne hely a LED_PIN tüskesornak. És akkor nem kellene átvinni a led pin-hez menő egyik vezetőt az uC közepén, és akkor nem kellene az a 2 átkötés se - már ha az átkötés... Bár az arduino-t és a buzzer-t nem bolygatva is elférne az arduino bal oldalán, csak 90 fokkal kellene elforgatni. Vagy a switch pin-t, ehh, hagyjuk. Minél többet nézem, annál kevésbé tetszik ez a nyák...
Sziasztok!
Egy kis segitséget kérnék. Van egy Berneres 12/24V akku bika. Tönkrement a töltöje ami egy sima mezei vasmagos+egyenirányitás 15v 1,5A-es volt. A kérdésem az hogy kitudom e váltani egy ugyan ilyen paraméterekkel rendelkező de kapcsolóüzemű adapterre? A gondom annyi hogy van egy kapcsolóüzemű táppal működö labortápom aminek van egy kijezöje amin látom mennyi áramot add le. Ezen csak 0,07A vessz fel az akku pak, pedig levolt merülve. Lehet hogy nem szereti a kapcsolóüzemű táp ellátást? A töltő elektronika az akku pakba van. Köszönöm
Túlzottan nekem sem tetszik, de ezt találtam.
Megépítem és valami majd lesz!
Én a helyedben áttervezném a nyákot.
Sziasztok!
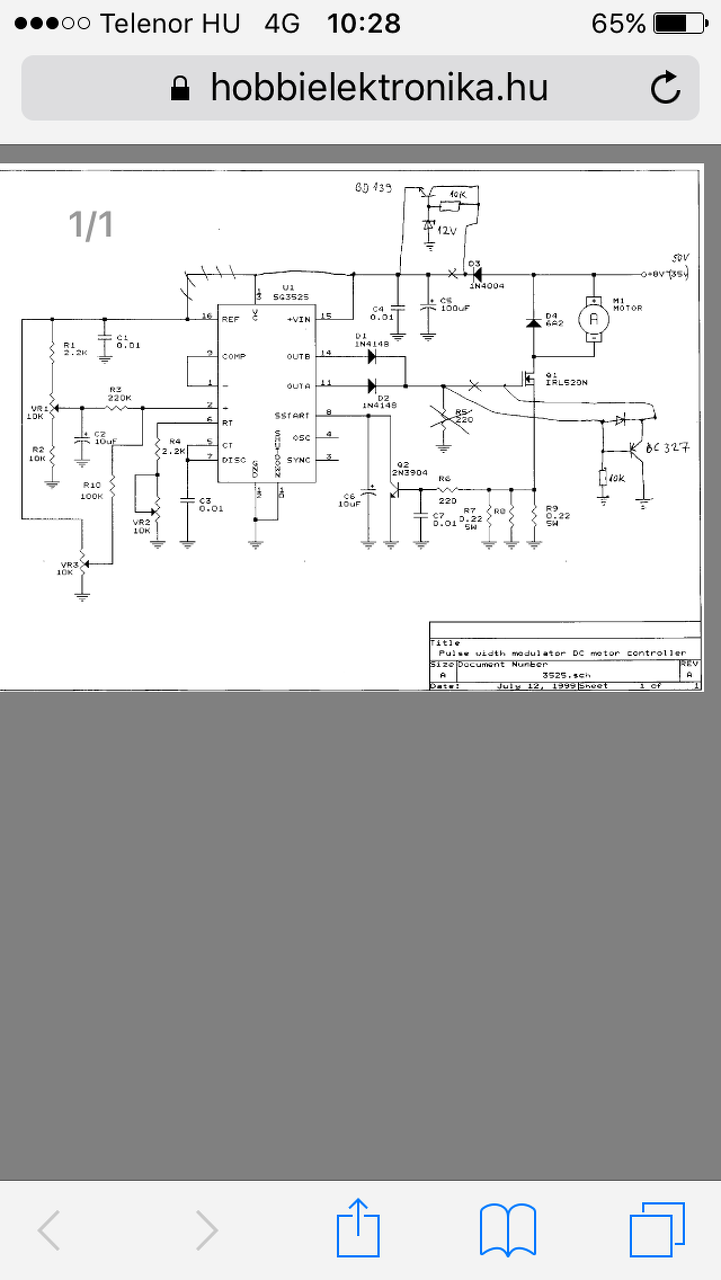
Valaki lenne kedves lefordítaná ezt a pár mondatot megérthető Magyar nyelvre, ez az SG3525 8. lábára vonatkozik. shutdown pin controls both the soft−start circuitry and the output stages, providing instantaneous turn off through the PWM latch with pulsed shutdown, as well as soft−start recycle with longer shutdown commands. The under voltage lockout inhibits the outputs and the changing of the soft−start capacitor when VCC is below nominal. The output stages are totem−pole design capable of sinking and sourcing in excess of 200 mA. The output stage of the SG3525A features NOR logic resulting in a low output for an off−state. Köszönöm
Hevenyésztem valamit:
shutdown pin controls both the soft−start circuitry and the output stages, providing instantaneous turn off through the PWM latch with pulsed shutdown, as well as soft−start recycle with longer shutdown commands. A kikapcsoló (shutdown) kivezetés a lágyindítóáramkört is, és a kimeneti fokozatokat is vezérli. Azonnali kikapcsolást biztosít a PWM meghajtó letiltásával és lágy indítást hosszabb kikapcsoló parancs esetén. Na ez így biítosan nem érthető szerintem, ezért hozzávettem még egy kicsit az adatlapból: If the shutdown command is short, the PWM signal is terminated without significant discharge of the soft−start capacitor, thus, allowing, for example, a convenient implementation of pulse−by−pulse current limiting. Ha a kikapcsoló parancs rövid, akkor a lágyindító kondenzátor töltése számottevően nem csökken, így lehetővé teszi például az impulzusonkénti áramkorlátozás egyszerű megvalósítását. Holding Pin 10 high for a longer duration, however, will ultimately discharge this external capacitor, recycling slow turn−on upon release. 10-es kivezetést hosszabb ideig magas szinten tartva, a lágyindító kondenzátor kisül, és a kikapcsoló parancs után lágy indítás következik be. Pin 10 should not be left floating as noise pickup could conceivably interrupt normal operation. A 10-es kivezetést nem szabad szabadon hagyni, mert a felszedett zaj nemkívánt működést okozhat. The under voltage lockout inhibits the outputs and the changing of the soft−start capacitor when VCC is below nominal. Az alacsonyfeszültség elleni védelem letiltja a kimeneteket és kisüti a lágyindító kondenzátort, amikor a tápfeszültség a névleges érték alatt van. The output stages are totem−pole design capable of sinking and sourcing in excess of 200 mA. A kimeneti fokozatok totem-pole kialakítása 200 mAüig képes áramot szolgáltatni és elnyelni. The output stage of the SG3525A features NOR logic resulting in a low output for an off−state. Az SG3525A kimeneti fokozatának kizáró vagy kapcsolása biztosítja azt, hogy kikapcsolt állapotban mindkét kimenet alacsony szintű.
Amúgy azt szerettem volna ezzel megtudni hogy az ic 8-as lábátol a 3db teljesítmény ellenállásig tartó rész mit is csinál pontosan, ha jól értem itt rövidzárási védelem van, de nem vagyok benne biztos, lehet hogy nyomaték tartási célbol van a figyelés, de ezt az Ic 8-as lábának adatai szerint kétlem, lennétek kedvesek felvilágosiítani?
Köszönöm. A hozzászólás módosítva: Szept 19, 2017
Találtam egy élesebb képet.
|
Bejelentkezés
Hirdetés |









Megépítem és valami majd lesz! 







