Fórum témák
» Több friss téma |
Mielőtt kérdezel, a következő két dolgot ellenőrizd!
I. A helyes tápfeszültségek megléte.
II. A kimeneten van-e egyenfeszültség.
Élesztés.
Szóval:
Amikor a JLH-ban rendszeresen durrogtattam a BD245-öket és a 249-eket, akkor nagyon szomorú voltam. De pont a folyamatos alkatrészcsere nyitotta fel a szememet. Leszögezem, mindegyik BD 245 ugyanonnan ugyanabból a sorozatból volt. A kondenzátorokat és az ellenállásokat minden pozícióban válogattam. A tápegységének kapacitássokszorozója is saját agyszüleményem, BD245-el és meghajtóként BC141-16-al. És most jön a tapasztalás: Mérve mindegyik BD 245 garnitúra ugyanazt tudta 0.01%-on belül. De a hang az egyik garnitúrával levált a hangfalakról, majd a 2. garnitúránálnem. Aztán 3. megint megint levált.... azt hiszem akkor vettem vissza a tápfeszültséget és azóta nem durrant el. És mindeközben SEMMI nem változott. Az érzékelés meg egyértelmű: egyszer a hangdobozból jött a hang, egyszer meg nem. Ezt a jelenséget sem tudom megválaszolni, nemhogy azt, hogy milyen hangja van egy erősítőnek, ha a graetz és a puffer kondi között van 15cm 2.5mm2 vezeték vagy nincs. Jelzem Van Damme audiofil kábelt használok belső kábelezésként.(Ha van kedved, olvass utána.) De hangsúlyozom, elfogadom és elismerem azt, amit mondtál. Király Tiborral többször értekeztem már ebben a témában és másban is. "A földelések nem síneken, hanem közös pontokon találkoznak egyedi huzalozással." Ezzel a panelterves elgondolásoddal teljesen egyet értek.
Kedves Fórumtárs,
innen folytatva, úgy gondolom nem ide tartozik, ezért privátba tettem a megjegyzésemet. További jó munkát, és tessék kicserélni ami kontakthibás, csak semmi lustaság! Majd, ha öreg leszel, akkor magyarázgasd az ilyesmit. Elek
Üdv! Az 1237 lábain mérhető feszültségek: 1.:0v;2.:0,6V;3.:0,75V;4.:1,8V;6.:30,7V;7.:0V;8.:3,8V. Fölépítettem kísérleti panelre az IC adatlap szerinti kapcsolását és azt állapítottam meg, ha a 7. lábon eléri a feszültség a 2V-t, akkor a relé meghúz. A 8. lábra kötött korlátozó ellenállás színkód szerint 6,2 kOhm, mérve 1,5-tel több.
Ezt cseréltem kisebbre, a 7. lábra menő időállandós tagi ellenállást 82 kOhmról 10 k-ra. Most a relé meghúz, viszont a jobb csatorna mindkét meghajtó tranzisztora elszállt. Nem tudom az én áldásos tevékenységem miatt vagy eleve ez volt a probléma? Egy barátom kedvenc mondása szerint a technika legnagyobb ellensége a tudatlanságból eredő bátorság!
A 7es lábon lévő kondit ajánlott cserélni.
A 2-es láb 0,6 V az DC hiba az erősítő kimenetén.
Üdv! A javaslatnak megfelelően kicseréltem a kondit, illetve cseréltem a meghibásodott tranzisztorokat. Most rendben szól mindkét oldal. A készüléket ezután üzemképesnek lehet nyilvánítani. Kicsit aggaszt, hogy melegszenek a végfokok, dobja a hőt a hűtőborda. Ez persze lehet normális is, nincs benne tapasztalatom.
Köszönöm a segítséget!
Kedves Fórumtárs,
amíg okosabb nem siet segítségedre, feltehetőleg mielőtt kaputtot mondott is ez volt a helyzett. Ebből kiindulva, nem ártana a hűtő kontaktokat letisztítani és újrazsírozni. Túlmelegedést okozhat még a gerjedés és a nem megfelelő nyugalmi áram is. A gerjedés a már egyszer jól működő készülékeknél általában fellépő alkatrészhiba, szakadás, kapacitás változás okozhat. Sajnos ezt néha nem könnyű megtalálni. Talán nem csaplak be azzal a gondolattal, hogy én a helyedben az összes kondenzátort lecserélném egyszerre újra, mert így nyílik lehetőség, egy stabilabb további működésre. A gyári készülékeket nem szerelik a legjobb minőségű alkatrészekkel, és a kondenzátoroknak behatárolt a kapacitásuk élettartama. Hasonlítanám az elemekhez, üresen mutatott feszültsége terhelve megváltozik. Én a teljes kondiállomány cseréje után elmélkednék, feltéve, ha nem féléve gyártották. üdvözöl, Elek
Köszöntelek!
Javaslatoddal egyetértek! Köszönöm! Eszerint fogok eljárni, ha újra meghibásodik és a srác visszahozza.
Sziasztok! Fiam vett egy "U.S.Blaster USB 3350 300W" feliratú autós erősítőt. Nem találok hozzá specifikációs leírást, tud valaki segíteni? Bemeneti érzékenység, stb.
Nem mondom, hogy mérd meg mert egy rendes mérést a legtöbbje nem bírna ki
Mérésre azért nem vagyok elég felkészült, túrom a google-t de nem sok sikerrel.
Szia! Első (!) gugli találat. A 2x70 W teljesen hihető.
Ez nekem is megvan, de a 200mV-4Vig bemenetet kicsit sokallom. Találtam ahol 100mV-1V-ig írja. Arra gondoltam hátha van valakinek eredeti gyári papírja.
Üdv mindenkinek!
Tanácsot kérnék tőletek! Adott egy 2002-es évjáratú Kenwood KRF-V5060D típusú 5.1 receiver. Specifikáció itt Szóval minden rendben ment vele hosszú éveken át, amíg el nem kezdett halk, búgó, zümmögő hangot adni. A földhurkot, mint a zaj forrását már kizártam. Továbbá akkor is csinálja, amikor semmilyen bemenetre sem kötöttem semmit, csak a hangszóró van rácsatlakoztatva, vagy akár csupán egy fejhallgató. A búgás a hangerő növelésével arányosan fokozódik. Ami a legnagyobb eredményem eddig a hiba feltárásában, hogy sikerült kikísérletezni a következőt: Az erősítő előlapján van egy "Dimmer" feliratú gomb, ami a kijelző fényerejét 3 fokozatban állítja. Tehát normál esetben a kijelző teljes fényerőn világít, és ugye hallható a búgás is. A gombot egyszer megnyomva a kijelző halványabb lesz, és a búgás is halkul! Még egyszer megnyomva a kijelző már alig látható, és a búgás hangereje is tovább csökken. Harmadszori megnyomásnál visszaáll az alap állapot, tehát max fényerő, hangos búgás. Gondolom valahogy összefügg a kijelző által felvett áram, és a kimeneten hallható zaj. ![]() Ha valakinek van valamilyen ötlete, mit tanácsos ellenőriznem, nagyon megköszönném, ha megosztaná. Köszönök előre is minden segítséget, hozzászólást!
Kiszáradt kondi? Attól, hogy nem púpos, még lehet rossz.
Köszönöm az ötletet!
![]() Én is gondoltam rá, de nem mertem még szétbarmolni. Hol lehet a hibás kondi? Valószínű, hogy valahol a kijelzőt működtető nyákon, nem? Valahogy ki lehet ezt mérni, hogy melyik az? Teszek majd fel képet a belsejéről, ha ez segít.
Hello!
Gondolom,VFD a kijelződ,aminek a "nagyfeszültséget" egy kapcsolóüzemű fokozat biztosítja. Ebben lehet kiszáradt elektrolitkondenzátor. Ez termelhet annyi zavart. Sok sikert a javításhoz. István
Sziasztok!
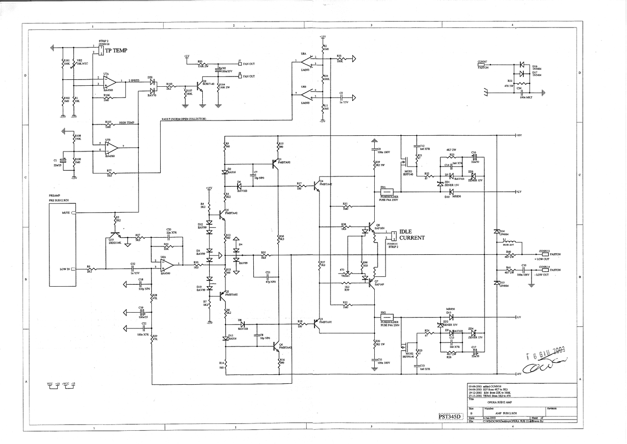
Adott egy dB Technologies Opera sub 12 mélyláda. Az erősítője két féle tápfeszültségről jár a kivezérlés függvényében (ha jól tudom h-osztályú). A tünet az volt ,hogy nagyon kis bemenő jeltől elkezdett clip-elni és aktiválódott a védelem. Rövid mérések után észrevehető volt ,hogy a magasabbik + előjelű feszültséget nem kapja meg az őt kapcsoló fettől bár a drain-en ott ül szépen a +HV . Át mérve minden alkatrésze jó az ezt érintő áramköri résznek ellenben mégsem történik semmi. A negatív tápfeszt kapcsoló fet gate és source lábán szépen látszik egy pillanatra a kialakuló magasabb feszültség de a pozitív feszültséget kapcsoló fet gate és source lábánál mintha odaszögelték volna az alacsony fél tápfeszt. Kivettem és megmértem d7 ,d10, zd1 , zd3-at mind jónak látszott. Mos1 -hez építettem egy egyszerű tesztert ami szerint jónak tűnt az alkatrész. Kicseréltem : C16 , c12 , c14-et. R21 , r22 tökéletes 47ohm. A kimenet és zd3-c16 közt nincs szakadás . Mégsem történik semmi . Valakinek lenne ötlete ,hogy merre kereshetném a hibát? Előre is köszönöm. Üdv : Dávid
Szia! G-osztályú. C16-on mekkora a feszültség?
A pozitív félperiódus amplitúdójának 10 V-ra meg kell közelítenie az alacsonyabb pozitív tápot, hogy a MOS1 nyitni kezdjen.
Lehet a meghajtó áramkör nem képes ezt előállítani, vagy a védelem ok nélkül tilt le ebben a félperiódusban. Sajnos ahhoz homályos a rajz, hogy leolvassam a pozíciószámot, de a rajzon felül középen a komparátorok közös bemenetén van egy 1(?) µF kondi, amin meg kéne figyelni, hogy elmászik-e az egyenfeszültség, ha jobban kivezéreled az erősítőt.
Ha letöltöd a képet akkor tudod nagyítani.
Igen az ott 1µF.
Sajnos nem pdf formátumú, nagyítás után is csak tippelgetem a feliratokat.
Ez nem akadály kedves uram !
Dc : 0,5-4,2v
Ac : 0,60-0,110v Zenei ütem szerint ingazodik.
Előástam a szkópomat és megnéztem a kettő fet gatején mi történik. Nos a negatív ágban szépen látszik ahogy a félperiódusok leütnek ellenben a pozitív oldalon viszont valami teljesen irreális jelalak van a másik oldalhoz képest sokkal kisebb amplitúdóval.
D7 előtt még egész szép a jelalak , utána meg valami nagyon töketlen. A hozzászólás módosítva: Nov 21, 2017
A MOS1 teszt hogyan zajlott? Nem sok jót nézek ki ebből a tranyóból.
Jobb híján ezzel. Mivel a gate szakadást nem tudom mérni dióda vizsgálóval csak az átütést. Illetve bármilyen irányú zárlatot. A kis teszter alapján jónak véltem mert kapcsolt , illetve ki is kapcsolt. (Persze gondolom ettől még lehet rossz)
Az üzemi DS feszültségen lehet már, hogy mutatkozik hiba.
Ha van kellő rutinod, bent a kapcsolásban kéne a D7 katódfeszültséget növelni 5-10 V-tal, lássuk hajlandó-e nyitni. A +HV felé kéne méretezni egy ellenállást, amin valamivel több áram folyik mint R25-ön. Mekkorák a tápfeszültségek?
DC: +-35 és 83,3V
Tehát ha jól értelmezem r25 helyére egy kisebb értékű ellenállással próbáljam megnyitni a mos1-et ? |
Bejelentkezés
Hirdetés |


















