Fórum témák
» Több friss téma |
Fórum » Rádió adó építése
Okés, de akkor kaviccsal hogy csinálok osc-t? bocs fm-be nem vagyok jártas, azért is érdeklődök, meg ez az a témakör amit csak úgy, mint pld egy keverőpultot nem bütykölök meg...
Rádiótechnikákat kéne nézegetni. Valami amatőr rádióadó leírást 2 méteres sávra. Abba én is beleszédülök amit a Google behoz. Amúgy én soha nem építettem, nem is terveztem rádióadót.
Google az ontja a marhaságot adóval kapcsolatban, témába jártas egyén meg véletlen se tesz ki egy 100mW-os rajzot ami még stabil is és zsebpénzből előállható
http://electronics-diy.com/micro-pll-fm-transmitter.php ez ugyan életképes-e? hogy quartz adja a frekit neki?
Csakhogy ebben a címmel ellentétben semmi PLL nincs, bár kvarc adja a frekit. Egy kristály frekvenciáját el lehet húzni néhány kHz -el, de nem 75 kHz -el, így a moduláció eléggé kétséges. Még azzal együtt, hogy a kristályfreki háromszorozva van. Ez pedig további problémák forrása, a háromszorozás miatt magas a mellékhullámú sugárzása, ami sávon bellüli, és sávon kívüli nemkívánatos zavarsugárzás keltése.
Inkább építsd meg e fórum cikkei között található kapcsolás, és csak azt. Bővebben: Link Ne sértődj meg, de azzal a tudással, amit eddíg bemutattál, nem kéne adót építened. Ez pont olyan, mikor egy vak, süket, béna, kódorog egy autópályán. De előtted a világ, lehet tanulni, (először az elméletet, utánna a gyakorlatot, és akkor sikerülni fog. Az RF technika nem az a terület, ahol az utánépítések garantált sikert hoznak.
Ezt néztem, kettő problémám van, hogy nyákot kell hozzá maratni, meg pic van benne.
Jó alá írom, hogy nagyfrekis dolgokhoz nem értek, inkább hangsávba vagyok otthon
Meg lehet, hogy nem tudok mindent én se, de azért van a fórum, hogy kérdezzek, pld én itt ennél a quartzosnál nem gondoltam arra, hogy freki eltolásról lenne szó, meg hogy 3xozásnál probléma lenne, sajnos iskolába se járok már, hogy érdeklődjek, meg sajna általános elektronikára, meg bunkóáramra jártam, mert az volt.
Olyan nincs, hogy valaki mindenhez ért, mert ha valaki azt hiszi magáról, az már gyanús.
Ha valaki olyanra vágyik, ami nem a tanult szakmája, az jó dolog, (ez a Hobbi) de ahhoz sok ismeretet kell szerezni. Ma már ez sem nehéz, nem kell könyvtárba járni, csak ajánlatos, az ismereteket meg lehet szerezni az interneten is. Ha valamiben bizonytalan vagy, akkor kell kérdezni. De ha az alapokkal sem vagy tisztában, akkor megfelelően kérdezni sem tudsz. Senki nem született úgy, hogy mindent tud, a tudást fáradságos munkával meg kell szerezni. Először tudni kéne valamit az FM modulációról, a fogalmaikkal tisztában kéne lenni, frekvencia, löket, előkiemelés, multiplex (nem a mozi) csatorna, sávszélesség, sávok stb. Azonkívül kapcsolási rajzok olvasása, oszcillátorok, RF áramkörök működése, stb. Ezzel együtt az adó építés az komoly dolog, sokak érdekeit sértheted egy rossz adóval, nembeszélve arról, hogy az ebbéli tevékenység hatóságilag erősen szabályzott, és ellenőrzött dolog. (ahogy a közlekedés is) Tehát olvasgass, aztán kérdezz. A guli a barátod, minél többet kutakodsz ebben a témában, annál jobb találatokat hoz. A hozzászólás módosítva: Ápr 7, 2016
Oké, ezért se akartam egyből bele vágni, mert tudom, hogy eléggé szabályozott dolog.
Elektronikába is azért szeretnék fejlődni, pont ezért is akarok most már RF témakör felé menni. FM vevőt, meg am-es adót, vevőt már csináltam, iskolába meg lapos tv javítással ütöttük el az időt az órán ![]() Bunkóáramhoz én se értek, ezt nem is állítottam magamról, pedig még hálózatvillanyszerelő is voltam egy hétig, aztán mentem vissza a mérő csoporthoz. Kemény fizikai munka amúgy de rendesen!
Sziasztok! Ajándékba kaptam egy 6W kimenetű, 1-30MHz-ig működő AM modulátort és egy lineár végfokot. Állítólag a lineár nem jó AM-re csak SSB-re. Esetleg milyen megkötésekkel tudnám együtt használni ezt a párost?
Idézet: „Esetleg milyen megkötésekkel tudnám együtt használni ezt a párost?” A kérdés helyesen, nem a "hogyan", hanem a "mire" használnád?
Lineár végfokot (ha valóban az) mindenfajta modulált vivő erősítésére használhatod. Csak az FM modulációjú végfok erősítéséhez nem szükséges feltétlenül lineár végfok.
Azonban, ha több vivővel rendelkező FM adónál is szükséges a lineár végfok, az intermoduláció miatt.
Köszönöm a válaszokat kedves topic lakók!
Egyébként PSK-ra használnám, rövidhullámon.
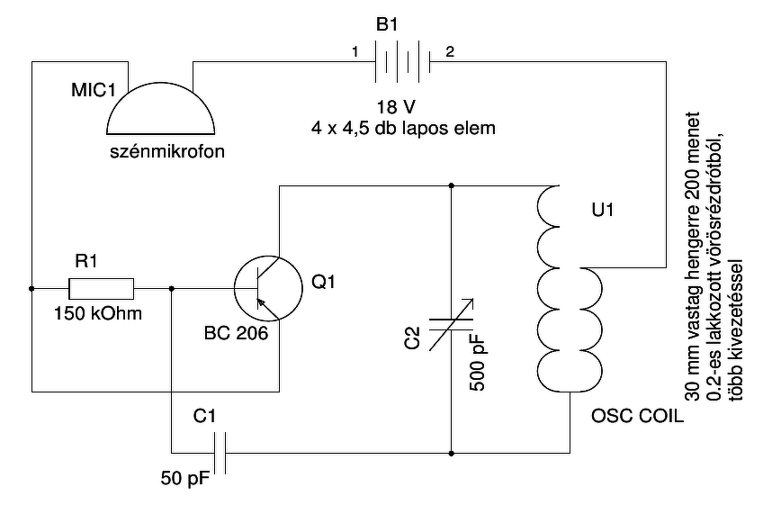
Megépíteném a képen látható középhullámú tranzisztoros adót.
Miért kell ebbe éppen szénmikrofon?
Az modulálna AM-ben, emitterben. A kérdés az, hogy a tranyó honnan kap egy kis nyugalmi áramot ( nem látok előfeszítő bázisellenállást ).
Hol szerezhetnék be szénmikrofont ehhez az adóhoz?
Régi telefonból.
De nekem nem egy szénmikrofon kellene, hanem sok, például 30. Akkor honnan szerezzek be ennyit olcsón? Egyáltalán, gyártanak ma még ilyen mikrofont?
A hozzászólás módosítva: Jan 29, 2018
Ha rossz májú lennék, azt mondanám, hogy sok régi telefonból. Ezek már rég kimentek divatból, a minőségük is elég gyenge volt, nem hiszem, hogy gyártanák. Pár alkatrészből + dinamikus, vagy elektret betétből most is készíthetsz "szénmikrofon"-t.
Egy néhány db eredetit még találnék a padláson. A hozzászólás módosítva: Jan 29, 2018
Köszönöm a válaszod.
Ez esetben hogyan módosítható ez a kapcsolási rajz, hogy a lehető legegyszerűbb, ehhez hasonló adót elkészíthessem? A célom a következő. Technika tanár vagyok egy általános iskolában. Jó lenne, ha a nyolcadikos tanulóimmal elkészíthetnénk egy ehhez hasonló, lehető legegyszerűbb adót a lehető legkevesebb alkatrészből, melyet akár egy mobiltelefonnal is foghatnánk. Milyen lenne egy ilyen adó, melynek működését a kezdők is megértenék?
Ez a mini FM rádióadó, amit mutattál, nekem tetszik:
Bővebben: Link Kérdéseim vele kapcsolatban következnek. Itt nincs változtatható kondenzátor? Az L1 tekercs milyen huzalból van tekercselve, mekkora átmérőjű hengerre, hány menettel, van-e benne lágyvasmag? Milyen mikrofon kell ehhez? Olyan kellene, ami pici, és NYÁK-ra forrasztható. Az egész adó elfér egy tenyérben, igaz? 3 Voltos gombelemmel is működik?
Amit linkeltem, abban nagyon sokféle adó van. Ha az FM is megfelel, itt van róla egy részletes leírás: Bővebben: Link
Nagyon örülök a segítségednek. A leírás alapján már el tudom készíteni ezt az FM adót. Ha jól értem, akkor "For the inductor use 0.5mm wire and 8 turns, with each turn with a diameter of 6mm. " azt jelenti, hogy 0.5mm -átmérőjű szigetelt vörösrézhuzalból egy 6mm átmérőjű hengerre föltekerek 8 menetet, igaz?
Ez olyan instabil, hogy az hihetetlen, ha közelítesz hozzá azonnal frekit vált.
Nos, akkor ebből a tanítványaim nem tanulnának meg semmit.
Olyan nagyon nem kéne megépíteni ezt az adót, mert ez egy jelentős zavarforrás. Ez egy egyszerű blocking oszcillátor (impulzus technikai áramkör), szerencsére nincs antenna rajta. (ne is legyen)
Tanítványaid akkor tanulhatnának belőle, ha ott lenne mellettük egy oszcilloszkóp is. Akkor már mindjárt leredukálódik az elkészítendő áramkörök száma. Ha lenne egy spektrum analizátor, mindjárt azt is demonstrálni lehetne, hogy miért ne építsenek ilyet játszásiból. Sokkal jobb ötletnek tartanám rádiótechnikai oktatás címén, ha megtanulnák egy tisztességes adó áramköreit, (vevőkét is) hogyan működnek. Ha műterhelésre dolgoznak, a közvetlen közelében még vehető is lesz.
Sem oszcilloszkópunk, sem spektrum analizátorunk nincsen.
Nos, milyen egy tisztességes adó, amely elég egyszerű ahhoz, hogy a nyolcadikos elemisták csekély elektronikai ismeretei birtokában is megérthető annak áramköre, és működése? Épp most találtam ezt: The Ultimate FM Transmitter (Long Range Spybug) Mit szóltok hozzá? A hozzászólás módosítva: Jan 29, 2018
Ez ugyanaz !!! Játéknak jó, de ha panelban laksz inkább ne építs ilyet. Túl sok a felharmonikusa.
Ilyesmit építettem valamikor:Lehangolható adó Nem mászott el a freki, szépen dolgozott. A hozzászólás módosítva: Jan 29, 2018
Na, jól van, ez a nyolcadikosoknak túl sok, mert legfeljebb hat héten, hetente 2 iskolaórán készíthetjük. Forrasztani sem tudnak. Akkor lemondok erről a tervemről.
|
Bejelentkezés
Hirdetés |





