Fórum témák
» Több friss téma |
Fórum » NYÁK terv ellenőrzése
A BC546 80V-ot visel el, tehát a féltápot kibírja. LED nélkül nem fogom bekapcsolni, kivétel az élszestés, de akkor be sem lesz kötve az áramkör. A táplálást biztosító átkötést nem ültetem majd be, illetve a diódát sem.
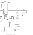
Sziasztok. Ez megfelel a képen látható kapcsolásnak? Értékeket nem írtam a kapcsolási rajzba,átnéztem szemmel jónak tűnt. Remélem ti is így látjátok.
Sziasztok. Készülök elkészíteni életem első komolyabb elektromos kütyüjét, egy stroboszkópos gyújtás ellenőrző. A kapcsolást WATT készítette , ez alapján terveztem meg a nyákot, annyi különbséggel, hogy a teszt kapcsolót kihagytam belőle. Szeretnélek megkérni benneteket mint hozzáértő embereket hogy ha időtök engedi vessetek rá egy pillantást hogy jól csináltam-e a kapcsolásokat, legfőképp a 4011-es IC-n jól gondoltam-e a leosztásokat. Mellékelem a rajzot és a tervet. Még annyi infó hogy a nyákot vasalásos módszerrel készítem. Előre is köszönöm a segítségeteket.
Hello! A nyák jó lenne, de a tranyók bekötése nem. Ha tényleg BC639 lesz benne, akkor a képen a B-C-E jelölése jó, csak épp a bekötése nem a kapcsolási rajz szerint van. (pld. a két C van összekötve és az megy a Led-ekre.)
Amúgy a nyákot lehetne "összébb tolni", és feleslegesen vékonyak a veztő sávok.
Szia! Köszönöm! Javítottam rajta, első nekifutásra még annak is örültem hogy ki tudtam bogozni a jelöléseket.
Rákerestem a BC639 pinout-ra, így már a B-C-E jelölés tiszta. Kicsit toltam a nyákon, szélesítettem a vezető sávokat, plusz a tranyókhoz beraktam egy átkötést. Így már működhet?
Szia!
Én is átrajzoltam, (kijavítottam a tranyók bekötését), meg egy kicsit "összenyomtam". A konkrét alkatrészméretek ismeretében még kisebbre is lehetett volna. Csak amikor ide navigáltam, akkor vettem észre, hogy már proli007 kolléga is, és Te is javítottad. Azért ide teszem az én verziómat is. Ha ezt építed meg, akkor arra vigyázz, hogy a led-ek meg vannak fordítva! A 47K-os potit tervezhetted volna egy kicsit nagyobb méretűre, de ha Neked ilyen van, akkor semmi gond. Az én nyák-omon van hely, átrajzolhatod nagyobb méretre is. Ha vasalod, akkor egy az egybe így kell kinyomtatni! A megépítéshez sok sikert! Szép napot kívánok! manolo
Szia!
Nagyon szépen köszönöm Neked is a segítséget, tervezésben még erősen amatőr vagyok. A Sprint-Layout-ot is tegnap töltöttem le, szerencsére találtam hozzá plusz Makros-okat. A 47K-s potit átrajzolom nagyobbra, hirtelen ezt találtam a programban. Viszont annak örülök hogy sikerült elsőre eltalálnom a 4011-et! Visszaolvasva döntöttem úgy hogy belevágok, nagyon sokat lehet tőletek tanulni! Köszönöm szépen a segítséget és a javítást! Szép napot Neked is! Swifter
Szia! Javasolnék én is egy 2 trükköt..
Ha a raszter méretet lejjebb vennéd, akkor a tranyók lábát szebben be tudnád kötni, a soros alkatrészeket pedig fel lehet cserélni, így még egyszerűbb lehet e nyák terv. Példa a képen, a led és az ellenállása felcserélve.
Szia!
Köszönöm Neked is, raszterméretnek jó a 0,5mm vagy lehet kisebb, pl.: 0,2? Mind a 2 elrendezés nagyon szép!
Raszter méret mindig az alkatrész lábtávolságától függ, itt a legkisebb a tranyó, tehát ahhoz kell állítani, hogy szépen be lehessen kötni.
Sziasztok!
Hozzáértőktől szeretnék segítséget, ellenőrzést, vagy útbaigazítást kérni. Nixie hőmérő projekttel szívok, ami az elektormagazine.com-ról származik. A gyári kapcsolás nixie táp része hibás, mert a kettes cső folyamatosan tönkremegy 1-2 hónap használat után. Egy barátom megnézte szkóppal, és van a kettes csövön egy gyujtási felharmónikus. Mondta, hogy ez okozza a hibát, ezért összedob próbanyákon egy másik nixie tápot, ezt a mellékelt képen láthatjátok. Állítólag azzal jó volt, nem volt felharmónikus. Ezért én ezt a tápot (ami a képen látható) ráraktam az eredeti tervre, el is küldtem a havernak ellenőrzésre, amire azt mondta, hogy jó. Le is gyártattam PCBWAY-el, meg is jött, DE MÉGSE JÓ! A nixie táp kimenetén csak 10V van!!! Most a haver idő hiányában vagy nem nézte meg, és csak rábökte, hogy jó, vagy nem tudom. Én nem jövök rá hol, és mit rontottam el, de mentségemre legyen, hogy még nem is csináltam ezelőtt ilyet. Kérem akinek van ideje nézze már meg legyen szíves hol van a gond. Ha kérhetem javítsa ki a hibát a terven, vagy ha sz@r az egész, akkor rakja rá ő. Ha egyszerüen javítható, akkor az is jó, akkor legalább nem kuka a 10db nyák amit rendeltem. Mellékelem a lay -t, és a kapcsrajzot is. Előre is köszönöm!
Sziasztok.
Szépen alakul az összkép, most beiktattam a tesztkapcsolót. Sajnos a kapcsolásnak ezt a részét nem igazán értem, mintha jumper lenne rajta, vagy a másik lehetőség, hogy 3 lábú. A kapcsolót a dobozolásra akarom építeni, egy ST 16/RD-t vagy hasonlót. Jó lesz így? Köszönöm a türelmeteket.
Az a 15n-os kondi miért ilyen nagy? Szerintem 2,5- 5 raszteres is bőven jó lenne.
Erre esetleg valaki ránéz? Ma tervezem nyomtatni.
Köszönöm az észrevételt, javítottam 5-raszteresre.
Szia!
Szerintem ne tedd.. Mutatok egy szebb verziót. A hozzászólás módosítva: Márc 25, 2018
Szia, kipróbált működik? Az enyémet megterveztem átnéztem,elvileg működőképes.
Szerintem meg a jobb alsó kondi tuti fordítva van, ezen kívül feleslegesen túlbonyolított és feleslegesen ic lábak között bujkáltatott vezetősávokkal van tele. Ettől természetesen működhet ha már próbáltad, csak a hibalehetőség sokkal nagyobb, mint amennyi ettől a kapcsolástól elvárható lenne.
Még nem lett megépítve ezért is írtam hogy nyomtatás előtt állok az áramkörrel kapcsolatban.
Sziasztok!
Szeretnék segítséget kérni egy áramköri részlet müködésének megértésével kapcsolatban. Ez egy gitár loop switcher része, ami PIC vezérléssel van megoldva. A feladata elvileg annyi, hogy a relékben lévő kontaktusok kapcsoláskor egy pattanó zajt generálnak, és emiatt a uC késleltetve engedi a jelet a kimentre. A feteken keresztül földre húzza azt egy rövid időre. A kérdésem hogy miért kell kettő BS170, ill. a 4,3V-os zéner mit csinál? A PIC 5V-ot vagy 0-át kapcsol a 14-es lábra. Amúgy meg lehet ezt oldani egy fettel? Köszönöm.
Szia!
A kérdésed gitáros témába való, itt szerintem OFF. Dióhéjban: 14-es kimenet magas szintnél a zener sima diódaként viselkedik, a MOSFET-ek nyitnak, némítja a kimenetet. Alacsony szintnél a zener könyökfeszültsége zárásba viszi a MOSFET-eket. Azért kell kettő, ellentétesen bekötve mert dióda van a drain és a source között, ami egy esetén határolná jelet lezárt állapotban is. A hozzászólás módosítva: Máj 16, 2018
Köszönöm.
Az hogy alacsony szintnél zárásba visszi a feteket mit jelent? Miért nem elég, hogy a gate 0V-on lezárja őket? Probáltam fetes topikban is, de nem jött válasz. Idővel megtalálom minden kérdésemnek a megfelő topicot, de a végén eddig mindig itt kaptam segítséget.
Üdv!
Készítettem egy TDA7497-es végfokhoz nyáktervet. Azt látom, hogy a GND csatlakoztatása nem jó. Ha le tudná valaki ellenőrizni, akkor azt nagyon megköszönném. A hozzászólás módosítva: Máj 21, 2018
A pozitív tápot a kondi másik lábára kéne kötnöd.
Elsőként válaszd ketté a jel és a teljesítményföldet, magad is jobban át fogod látni.
Bár labirintusnak néz ki az adatlapi nyomtatott áramköri terv, azért felfedezhető hogyan válik ketté a teljesítmény és a jelföld. Sárgával a jelföldet, pirossal a teljesítményföldet jelöltem a tényleges vezető szakaszokon. Elég ezeket megvalósítanod vezetősávból, a GND kitöltés inkább csak bonyolítja a megoldást.
A Sprint-Layoutba másoláshoz készítettem neked bmp fájlt.
Sajnos nem akarja feltölteni, pedig 1MB alatt van. A hozzászólás módosítva: Máj 21, 2018
Sziasztok!
Attinyvel készítenék egy relé kapcsolgatást attól függően van-e a bemeneten 230vac. Le skicceltem. Le ellenőrizné egy hozzá értő?! Köszönöm!
Hello! Oké, de mi köze ennek a téma címéhez?
R1 miért ilyen kicsi? Vagyis ha ilyen kicsi akkor kell vagy 20w-os, de ha 200k lenne..
Adatlap szerint az optonak a bemenete max 60mA. 50-re számoltam.
|
Bejelentkezés
Hirdetés |







Rákerestem a












