Fórum témák
» Több friss téma |
Fórum » Alkatrész ajánlás, avagy: Milyen alkatrész lenne jó ehhez?
Témaindító: dB_Thunder, idő: Okt 17, 2007
Témakörök:
Egy Wharfedale Titan 12 aktív hangfalban, a mélyhez tartózó erősítőben végfok tranzisztor.
Szép darab.
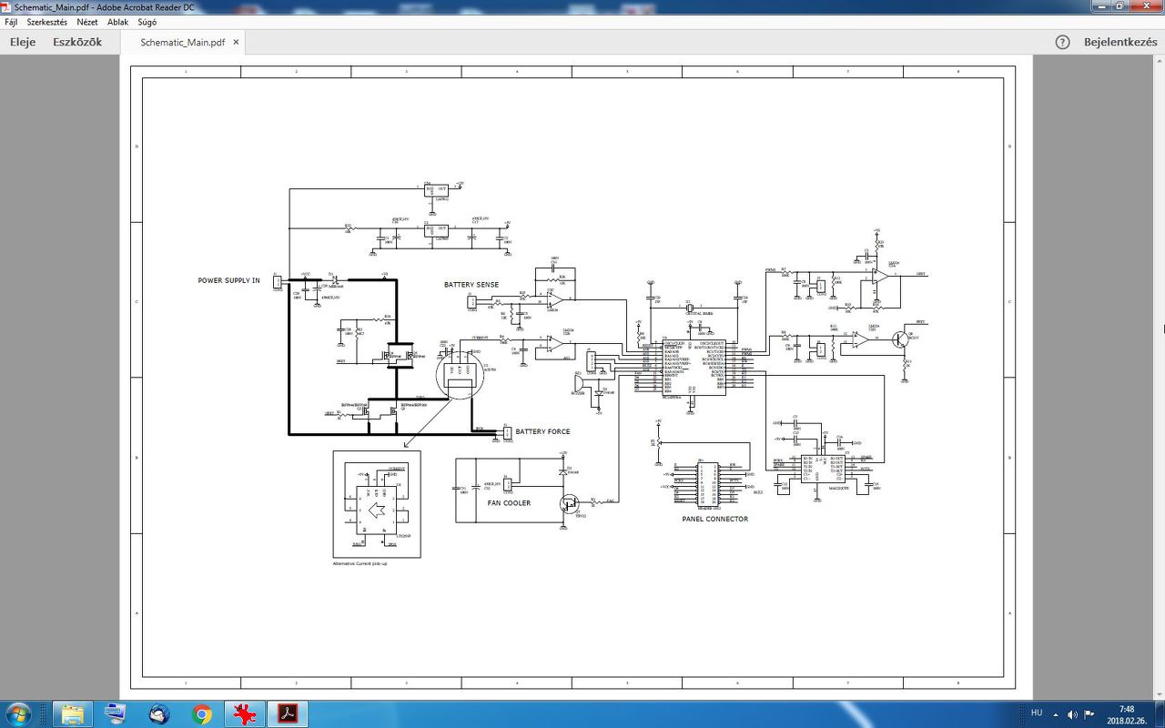
Rajzot még nem találtam, de holnap estig már nem is fogok. Úgyhogy legalább egy napra feladom (addig pedig szerencsére nálam okosabbak úgyis megoldják ).Beszerzési/sürgősségi igényeid vannak? A hozzászólás módosítva: Jan 4, 2018
Miért nem veszel ugyan azt? Bővebben: Link
Van rendelhetőben a SOS Elektronikánál, de ott nem tudom van e mennyiségi korlát. A TME-nél nincs raktáron, de egy telefont megér. A Farnell -nek természetesen van. Ott jó sok minden van. A hozzászólás módosítva: Jan 4, 2018
Ezeket nem találtam meg
Köszönöm a válaszokat, akkor rendelek ugyan olyat bele.
A TME-nél holnap megkérdezem, onnét lenne jó rendelnem de ha mégse tudnak akkor IRFP4332PBF ez esetleg jó helyette? Ilyen van nekik raktáron.
A hozzászólás módosítva: Jan 4, 2018
Sziasztok!
Ebbe az akku töltőbe szeretnék valami korszerűbb,egyszerűen beszerezhető IC-t az LM324 helyett. Kis töltő áramnál(P.l.:0,12A ami egy 1,2Ah-s SLA akku töltőárama) nincs a helyzet magaslatán. Köszi
Biztos van jobb műveleti erősítő a feladatra de itt alapvető probléma az, hogy az LM324 nem kettős tápfeszültséget kap, így a GND közeli értékeket nehezebben erősíti és a Hall elemes árammérő (max. 25 A) is túl érzéketlen 120 mA áramhoz.
Az adatlapja szerint nem is kell neki kettős táp:Wide Power Supply Range:
– Single Supply 3 V to 32 V – or Dual Supplies ±1.5 V to ±16 V Nekem ráadásul 100A-s szenzor van benne 20mV/A érzékenységgel. A szenzor kimenete nem GND-n van hanem fél tápon,erre jön rá 100mA-nál 2 mV. Lehet kicserélem 30A-s ACS713-ra,az 166mV/A-t ad ki.
A rajz szerint GND-n van. Attól, mert széles tápfeszültség tartományban használható, még nem jelenti azt, hogy a tápfeszültségek közelében jól működik.
Adott értéket nagyobb méréshatású műszerrel mérve mindig nagyobb hibát eredményez.
Elvesztettem a fonalat.
Mi is van a GND-n?
Nem csoda, én is. Elfelejtettem, hogy az érzékelő kimenete alaphelyzetben féltápon van...
Rúgja a macska.
Szóval milyen IC-nek kisebb a driftje,offsetje,stb.-je? A TI a honlapján az OPA kezdetű IC-ket adja ki a "cross reference"-ben ,de azok horror árú cuccok. Kínálja még a TLC085-öt, de azt Bp.-i boltban nem látom. Gondoltam még a TLC2274-re, de azt sem tartják ezek a szatócsok.
Köszi,csak ehhez valami adapter félét kéne fabrikálni,de ahhoz hideg van kinn.
Benn meg nem vacakolok savval,lúggal,stb,stb. A hozzászólás módosítva: Feb 26, 2018
Találtam itthon valamiben LT1014-es IC-t.
Meglepően pontos lett a dolog.
Keresek 5V-ról működő FET Gate-meghajtót, kimeneti áramnak 0.5-1A elég, 100kHz-et tudnia kell, legoptimálisabb az optocsatolóval egybeszerelt lenne (pl. ACPL3130, de ez 15V-tól indul).
Az adatlap alapján a TC4420 tudja a paramétereket.
Köszi; de most már nem értem magam, pedig túrtam a uChip meghajtókat, de átugorhattam.
Hálás köszönet!
Hello!
Mikrokontrollerrel szabályozható tápegység (DC/DC konverter) modult lehet valahol venni? Ami nekem kell: 0-5 V feszültséggenerátoros kimenet, max. 500 mA áram, kapcsolóüzem. Mindegy, hogy analóg, PWM, UART, SPI vagy I2C vezérlésű.
Hello!
Járda, kocsifeljáró stb. jégmentesítése lenne a cél. A kérdés az, hogyan/mivel lehet detektálni üzembiztosan azt, ha a járda jeges vagy havas. Van kimondottan ilyen szenzor?
Tudtomal nincs ilyen szenzor, maximum egy összetettebb rendszerrel lehetne megooldani.
A legegyszerűbb megoldás egy IP alapú webkamera. Azt is meg lehet tenni, hogy (amennyiben a fűtés költsége nem szempont), hogy havazás/eső estén a felületet fűtjük. Kísérletezni lehet a felület fényvisszaverésével (infra).
Éppen a költség- és energiatakarékosság van leginkább szem előtt. A fényvisszaverésre ráfordulok, jó az ötlet.
Attól, mert fagypont alatti a hőmérséklet, nem biztos hogy jeges/havas a járda, ilyenkor felesleges fűteni.
vízszintes üveglap infra adó vevő, ha a jel visszajön egyből akkor valami pl jég hó eltakarja, mehet a fűtés. hátránya, hogy ha egy falevél esik rá akkor is jelez.
|
Bejelentkezés
Hirdetés |




).
Köszönöm a válaszokat, akkor rendelek ugyan olyat bele. 






