Fórum témák
» Több friss téma |
Fórum » Elektronikus polaritás kapcsoló
Témaindító: győriattila, idő: Nov 23, 2009
Témakörök:
Célszerű lenne ha a felhasználás konkrét céljáról is írnál valamit, mert a tényleges megvalósítási lehetőségeket eléggé befolyásolhatja. Pl. előfordulhat-e zárlat, túláram? Mekkora? Kb. milyen gyorsan kell tudnia kapcsolni? Mi a tápforrás, védett-e zárlat ellen?
Labortáp adná az áramot, így az stabil lenne. Zárlat nem lehet benne. Váltás sebességéről nem tudok semmit. A lényeg, hogy polárváltásnál ne legyen zárlat. Galvanizáláshoz hasonló eljáráshoz kellene a szerkezet.
Irányváltásnál előbb megszüntetik a kapcsolatot majd utána kapcsolják át.
"H-híd (H-bridge) kell neked, IGBT felhasználásával."
Ettől több info kellene nekem. Mivel magam nem tudom kivitelezni, ezért olyan info kellene, mely alapján el is tudnám készíttetni mással a szerkezetet. Mivel elektronikai tudásom igen kevés, ezért jól jönne egy kicsit bővebb leírás a megvalósításról. Előre is köszönöm, ha valaki veszi a fáradságot egy bővebb leíráshoz.
A körülmények és a pontos igények kellenek, anélkül csak puffogtatni lehet a levegőbe. A polaritásváltás automatikus legyen vagy kézi? Ha automata, milyen időközönként legyen a váltás? A váltások közötti időnek mennyinek kell lennie? Mi a konkrét masina? Stb.
Automatikus polárváltás kell maximum 2 perces idővallumban. Állíthatónak kell lennie a polárváltási időköznek. Váltásnak minél gyorsabbnak kell lennie, de nincs konkrét idő rá. A masináról már írtam, hogy galvanizáláshoz hasonló szerkezet.
Ha jól sejtem akkor ez arra megy ki, hogy a fürdőben lévő elektródák ne pusztuljanak olyan gyorsan. Időnként pólust kell váltani, és akkor megfordul a kémia. Magyarán elég egy relés kapcsolás, ami megszakítja az áramot, átváltja a polaritást, és vissza az áram. Mindezt egy időzítőre kötve, hogy tudja állítani.
Relével csak 250 voltig tudtam menni, utána szikrázik, és beég. Szeretnék magasabb feszültségen üzemelő szerkezetet, ami 500-1.000 volt körüli feszültségen is tud dolgozni. Nem kell megszakítani az áramot, polárváltás elég önmagában.
A hozzászólás módosítva: Júl 7, 2018
A galvánozott eszközön kell polarítást cserélni?
Miért kellene a nagyobb feszültség? A galvanizálás nem az áramfüggvénye?
Idézet: „galvanizáláshoz hasonló szerkezet”
Én ilyet készítenék (lásd melléklet), pl. ezzel az IGBT-vel: Bővebben: Link.
Ami kérdéses számomra az a Gate meghajtás. Gondolom a galvanikusan leválasztott, négy különálló meghajtástól van egyszerűbb is, csak az a kérdés, a nagyok hogyan csinálják.
"Galvanizáláshoz hasonló szerkezet" az lehet millóféle.
1000 V/1 A, DC polaritásváltó, a többi lényegtelen. Az átkapcsolási sűrűség és mód érdekes, de már ismert. Innentől kezdve az áramkör tervezhető, építhető. Linkeltem 1,2 kV-os IGBT-t, kell egy kis kontroller, 2 x 16 LCD kijelző, pár gomb és kb. készen is van.
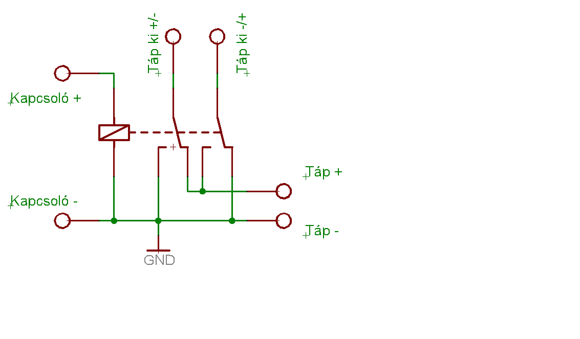
Ugyanehhez a témához, ám egészen más feladattal. Megépítettem a vzoole által lerajzolt nagyon egyszerű polaritásváltót ( lásd kép) , a relét egy tranyós multivibrátorral zárogatva, másodpercenként kb 10-szer, többet nem bír. DE EZZEL KIVÁLÓ DC -AC inverter sikerült kialakítani, 24V DC-ből 24 V AC-t csinál, 10 HZ.
Ezt szeretném én elektronikus formában , minél egyszerűbben megépíteni,valamiféle (kapcsoló) tranzisztoros megoldással. MIRE KELL? Az öntözési zónavezérlők (Hunter, Rainbird) 24 volt AC-vel működnek, a zónák szolenoidjai 24V váltakozó áramúak. Én napelemes öntözőberendezésekkel foglalkozom, egyenáram DC-DC konverterrel (24,vagy akár kevesbb-több) van. A megépített( relés) inverter egy váltakozó áramra használt szűrővel kiválóan ellátja a max 15 Wattot fogyasztó rendszert. Csak impulzusokkal nem megy, kell a polaritásfordítás. A kapcsoló elemek triac-ok, BTA04, működik így. Az azonban nyilvánvaló, hogy egy ilyen relés megoldás nem életképes, az elektronikus annál inkább. Trafós megoldást nem tudok kivitelezni, pont az ide szükséges, boltban nem megvehető trafó miatt. Nos, van e ötlet erre?
Pl. L298N + PIC12F1840 vagy bármelyik nyolc lábú kontroller, amelyikben van fél-hidas PWM kimenet, beállítható Dead Band Delay-el. Az L298N még sok is, a szükségeshez képest dupla mennyiségű kimenete van. Esetleg használható mindkét kimenete, igény szerint. A 24 V/15 W-ot bőven elbírja.
Jobban végigondolva, kb. bármelyik mikrokontroller jó lehet, 50 Hz-et előállítani gyerekjáték ilyen helyen, ahol nem kell atom pontos frekvencia.
Kösz szépen, ez egy elegáns megoldás lenne, ha a PIC-hez ilyen szinten értenék. De lesz aki elmondja, felprogramozza. Ráadásul egy olcsó megoldás és nagyon stabilnak tűnik. Nézegettem én a H hídas megoldásokat, pont a vezérlésük jelentette a problémát, de így rendben lesz, kompakt egy rendszer.
Egy 12 V-os akkus csavarhúzót szeretnék vezérelni 5V-al két irányba.
A PWM-et egy FET-el szabályozom, de az irány/polaritás váltást relével szeretném megoldani, mert ritkán megy hátrafelé. Olyat keresek ami elég erős és az egyik állásnál nem vesz fel áramot, ha létezik ilyen egyáltalán. (magyarul csak akkor használja az elektromágnest amikor hátrafelé megy).
Minden joravalo relé ilyen. Nagyáramuak többnyire az autokban vannak. Lehet, hogy ott találsz megfelelöt. ( legalább 2 morzekontaktus kell, azaz 6 láb)
Köszönöm, én sajnos maximum vásárolni tudok, mert nincs semmi hulladék amiből ki tudnék operálni.
A Hestore-ban találtam párat, de sajnos nem vagyok eléggé otthon a témában, hogy választani tudjak.
Amit tisztázni kell
működtető feszültség mekkora áramot akarsz kapcsolni legalább két váltó érintője legyen ( DPDT) Ha ezek megvannak szerintem nem lehet nagy gond a vásárlás. Ha több van akkor a robusztusabbnak kinézőt választanám ( persze ha az ár nem számít.) Villanyszerelő boltban is szétnézhetnél. Két morze, tekercsfeszültség, áram ismeretében biztosan javasolnak valamit.. Ami még nehezíti a dolgot, az 5V tekercs feszültség. A HE storban 12V a legkisebb szerintem. Ami biztos, polaritás váltás közben ne menjen a gép. Valami hasonlóban gondolkodj:LY2N-DC12 - OMRON Bár az árát elnézve 4 fet sem drágább.... |
Bejelentkezés
Hirdetés |











