Fórum témák
» Több friss téma |
Igen, ezt a videótt megtaláltam, csak még nem volt időm megnézni.
De nem értem továbbra sem, hogy egy elemcsere miért okozott meghibásodást a készülékben..
Szerintem mikor berakod az elemet, akkor a rendszer egy tranziens állapotba kerül, így nagyobb, vagy fordított feszültségek is elképzelhetőek az egyes elemeken.
Ezt biztosan ki lehetett volna védeni, de manapság nem erről szól az elektronikai tervezés, sajnos. Gondolom "off" állásban nem okozott volna gondot az elemcsere.
Illene neki tudni ami az adatlapján van, különben minek a 4,5 digit. Abban ugyanúgy benne van a helitrimmer amivel kalibrálni lehet, más kérdés hogy van-e mihez. Jelenleg nekem sincs precíz referenciám de majd lesz. Szerintem ezeknek csak annyi bajuk van, hogy nem estek át ezen az procedúrán, ezért is kerülnek ennyibe (a kínai kb. hozzáállította valamihez és kész). Nekem ezzel együtt (kalibrálatlanul) is jóval többet ér mint egy kiszolgált őskori asztali multiméter, ami ennek a töredékét tudja.
Azt én sem értem, de legalább a D4-et nézd meg hogy jó-e, lehet hogy annak is csak annyi baja van.
A nem pontos dologhoz csak annyit tudok hozzáfűzni, hogy van egy LT1004-em amit a gyártó +/-20mV-on belül garantál. Erre az 1200Ft-os multiméterem 2,49V-ot ír, az UT61-E pedig 2,497V-ot. Nekem ez nem tűnik nem pontosnak, azzal együtt sem, hogy nem tudni hogy pontosan mennyi is lehet az annyi.
Idézet: Pár dolgot lehet benne beállítani, de méréstartományonként is más a hiba mértéke. Van 5.5 digites valóban pontos multim, néha tudom hiteleshez ellenőrizni, nekiálltam ahhoz beállítani az UT61E-t, öt perc múlva befejeztem, mindenhol minden méréstartományban más a hiba mértéke. És amit beállítottam, másnapra elállítódott gondolom hőmérséklet változás miatt. Lehet, hogy sorozatonként eltérnek, enyémet újként vettem, csak 3.5 digitig tekinthető pontosnak, de ott sem mindig. „Abban ugyanúgy benne van a helitrimmer amivel kalibrálni lehet”
Rákerestem angolul a kalibrációjára, sok mindent találni róla mert elég sokat megvettek belőle, blogok, fórumok, videók foglalkoznak vele. Az biztos ahogy olvastam, hogy nem 1db trimmer tekergetése a kalibrálás mert összefüggő a dolog, egyik elhúzza a másikat is, elég bonyolult volt elolvasva. Annyira nem lehet rossz, mert 3 éve az 50 dolláros műszerek közül ezt választották a legjobbnak. Még érintős háttérvilágítást is építettek hozzá, van róla leírás meg rajz az eevblog-on. Az IC alapból is tudná csak kispórolták a műszerből.
Az előbb megnéztem a videót. Nálam mindegyik funkció bemenet logikai magas értékre áll akkor be, mivel mA mérésre áll be a mutiméter.
Illetve amit Ge Lee javasolt, hogy nézzem meg a D4 diódát, azt is megtettem az előbb, de annak nincs baja. Közben megtaláltam a videóban is látható kapcsolási rajzát, de első ránézésre nem jöttem rá, hogy mi lehet a hiba oka. Holnap kinyomtatom és átnézem újra a rajzot. Viszont ha valakinek lenne további javaslata, hogy merre keressem a hibát, azt nagyon megköszönném. Üdv: spgabor
Azt megnézted már, hogy a VB- eljut-e a kapcsolótárcsa megfelelő érintkezőire?
Illetve megnézném, hogy az FC3-at egy vezettékkel direktben VB- -ra kötve, hogy átvált-e uA mérésre.
Szia,
most tudtam megnézni. A VB-t nem találom a kapcsolótárcsa értékeinél. Mintha nem lenne meg. De ha direktben adok a megfelelő választó bemenetre negatív feszültséget, ahogy írtad, akkor átvált a műszer. Ezt kipróbáltam a V és uA mérési állásban is. Tehát olyan, mintha a VB- hiányozna a kapcsoló tárcsáról a rajz alapján. De a kapcsolótárcsa érintkezőket a panelon még nem látom át, mert a vezetőszálat sem látom helyenként a többrétegű panel miatt. Így kicsit lassabb visszacsipogtatni. A VB- mitől hiányozhat a kapcsolótárcsán? Mindenhol máshol ki tudom csipogtatni a rajz alapján.
Szia!
Lehet, hogy van valahol egy átkötés (smd ellenállás 000 jelöléssel), vagy egy védődióda és ott szakadt meg. Sajnos a netes képek alapján nem tudom ezt megitélni. Viszont legrosszabb esetben is a tárcsa melletti VB- mérőponthoz oda lehet huzalozni a "VB-"-t. Érdemes meggondolni a műszer "tuningolását" (automatikus kikapcsolás, háttérvilágítás, húmérséklet-mérés stb. ilyesmiket láttam), ha már úgy is szét van szedve.
Nem láttam átkötést rajta, bár olyan tüzetesen nem néztem meg, a kapcsolótárcsa érintkezőket próbáltam visszakövetni. Majd valamelyik nap ahogy időm engedi és nem is lesz túl késő, nekiülök még egyszer.
A háttérvilágítást és a kikapcsolást tuti belerakom. A hőmérsékletet láttam, hogy tudja a vezérlés, de azt nem is néztem, hogyan kellene. Viszont ezekkel addig nem foglalkozom, amig jó nem lesz.
Sziasztok!
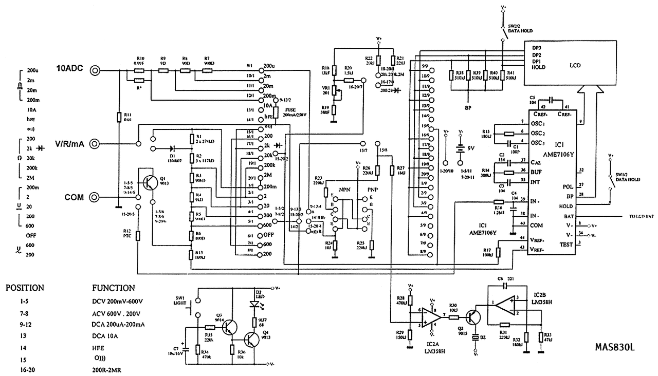
Az öcsém hozott egy VC 830L tipusu multimétert,hogy tudok-e vele valamit kezdeni. A hiba amit produkál, az hogy bármilyen állásba kapcsolom, akár feszültség, akár dióda, akár áram, semmit nem mér. Csak 0-át vagy végtelen értéket ír ki, attól függően, hogy milyen állásban van. Ilyenkor mi lehet a probléma? A kapcsoló jó, a biztosítéka jó, a panelen szemre semmilyen hibát nem látok, pedig nagyítóval néztem át. Szerintetek érdemes vele foglalkozni,mert nem egy nagy drágaság, vagy végezzek rajta félköríves javítást? A hozzászólás módosítva: Júl 12, 2018
Szia!
Ha van kedved javítani akkor cserélj bent csippet,ha nincs akkor becsukott szem bal váll fölött....... én ez utóbbit választanám.
Szia!
Hát olyan sok chip nincs benne. Van egy LM358-as Ic, meg egy szurok pötty, de azt maximum felolvasztani tudom
Egy hasonlóval szórakoztam anno,de nem lett jó.A 358-at cserélheted, az a csipogót működteti,de továbbra is azt mondom az a fekete pötty a hibás,nem biztos,hogy a szokásos voltmérő csipnek megfelelőek a kivezetései.
Köszönöm a rajzot. De nem valószínű hogy többet foglalkozom vele, értéke igen csekély,nem éri meg a ráfordított időt. Többe kerülne a leves,mint a hús. Azért még egyszer köszönöm.
Több hasonlót javítottam már. Amit javítani lehetett, ott az árammérő körben a 9,1 Ohm-os vagy a 91 Ohm-os ellenállás szakadt meg. Általában amiatt, mert méréshatár váltás nélkül (ellenállás-) rámértek a hálózatra (230 V).
![]() Ennek az ellenállásláncnak nem csak az árammérésnél van szerepe. A hozzászólás módosítva: Júl 12, 2018
Mérd meg az R16-ot, (IC 39. lábánál) nincs-e megszakadva vagy forrasztási hibája.
Köszi a tippet, megmértem őket,de nem voltak megszakadva. Viszont nem hagyott nyugodni a dolog, mert én is szakadásra gyanakodtam, de az alkatrész oldalon, mert ugye SMD, hiába nagyítóztam,sehol nem találtam szakadásra utaló jelet. Ezért szét szedtem a kapcsolót és ott a panel másik oldalán, a forgó tárcsa alatt találtam egy Com-csatlakozótól jövő vékony vezető sávot, amin szabad szemmel semmi hiba nem látszott, nagyítóval viszont gyanúsnak találtam. Mintha megszakadt volna. Átforrasztottam és működik minden funkciója. Most már nekem is be kell szereznem egy karos lámpás nagyítót
. Köszönöm mindenkinek a hozzá szólást és a segítséget. A hozzászólás módosítva: Júl 13, 2018
Köszi, egy vezetősáv volt megszakadva, már működik.
Sziasztok.
Adott egy régi TR-1696-os asztali multiméter. Majdnem minden mérési funkciója működik, kivéve az AC-mérést, itt nem lehet vele mérni. Pontosabban csak pár V-tot mutat. Nem tudom mi lehet a gond, valakinek valami ötlete?
Ha a rajzát megnézed, van ott egy AC-DC modul. Ezt kellene megvizsgálni, hogy mi is.
És itt a modul rajza.
Köszi az infókat a kérdésemmel kapcsolatban. Lehet hogy már az előző tulajdonos belenyúlhatott a multiméterbe, mert a TL080-as alkatrészt nem találom. Van párdarab furat szerelt ic, azokat ha sikerül találnom cserélni fogom. Hátha megoldja a problémát.
Sziasztok!
Kb.4-5 éve használok egy MASTECH MS 8222H digit multit. Ellenállástmértem, és kiderült, hogy alapból 3,7ohm-ról indul. Mivel főleg kis értékeket mérek, ez zavaró. Lehet ezt hitelesíteni (beállítani ?)
Biztosíték, tárcsa, műszerzsinór csatlakozó teszt/takarítás. Kimondott ohm mérő nullázó beállítási lehetőséggel még nem találkoztam.
|
Bejelentkezés
Hirdetés |












