Fórum témák
» Több friss téma |
Fórum » Házilag építhető fémkereső
Kb a gyújts alá kategória az a baj...
A 12R, és a 22R elenállás az hogyan néz ki? Rádió paneljában vagy tv-paneljában megtalálható?
Deltanak a fej kabelet szeretnem cserelni, milyen kabelt ajanlanatok hozza?
Kerdes meg hogy ez egyaltalan javithato vagy bontani kell?
Sziasztok! Rotary potmétert milyen néven keressem a hestorban?
4,7k logaritmikus kellene.
A hozzászólás módosítva: Jún 27, 2018
Szia! Leírnád nekem milyen huzalból mekkora átmérőre hány menettel készítettél tekercset? Köszi
Szia! Mekkora átmérőre milyen huzalból hány menet a tekercs? Köszi
Ha nem működik nálad a kereső, akkor segítek, mert nálam jó.
Erről a gépről lett átalakítva az Equinox: LINK Ott van benne amit keresel.
valaki tudna nekem linkelni egy oldalt ahonnan komplett kész panelt tudnék rendelni vagy, esetleg valakinek nincs eladóba müködő panelja? mindegy milyen márka tipus.
Nem lenne egyszerűbb a műnyomó papír-lézernyomtató-vasaló módszer?
úgy értem hogy minden benne van beforrasztva stb komplett panel kellene amit áram alá helyezek és müködik is.
Szia!Köszi szépen a segítséget.. Amúgy mi a véleményed az Equinoxról? Vizes fű megbolondítja ? Milyen mélyen érzékel?
Az a baj az Equinox géppel, hogy nagyon instabil, állandóan állítgatni kell, ez konstrukciós problémája.
A legelső IB gépemmel százszor többet szedtem, mint az Equinox-szal. Nagy vasszemétre jó.
Sziasztok!
Elkezdtem építeni a Silver Star 5-ös fémkeresőt viszont elakadtam egy dolgon. A kapcsolási rajzban szerepel egy IC (Mc14520B) amit nem találok itthon boltokban viszont lenne egy 4520b nevű Ic ami véleményem szerint megfelelne viszont a lábkiosztása kétségbe vont. Tudnátok esetleg segíteni abban hogy megfelelő lehet-e ez az ic az MC helyettesítésére vagy mindenféleképp a kapcsolásban szereplő ic-t szerezzem be? Válaszotokat előre is köszi.
Elvileg a CD4520B, vagy HCF4520B jó helyette, az MC1 gyártő egyedi jelölés, az utána lévő 4520B a típus.
Rotary mii ? Rotary encoderről tudok, de az nem ellenállás. Szóljon valaki, ha le vagyok maradva.
Tudtommal a közismert forgó potencióméter, csak angolosul mondva. Rotary=forgó.
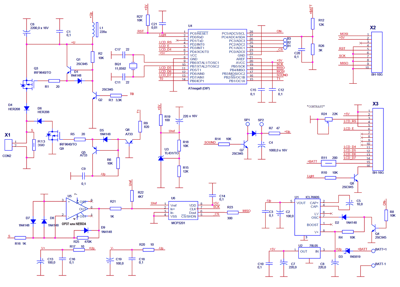
Sziasztok ! A képen látható kapcsoláson. Sajnos nem igazodok el.nem látom hol kapcsolódnak a vezetékek. Ha valaki tud segítene? A képen be kellene jelölni a csomópontokat.előre is köszi.
A hozzászólás módosítva: Júl 16, 2018
ezt: http://articles.greenchip.com.ua/3-0-42-2.html szeretném megépíteni.
Gondolom, az azonos jelöléssel ellátott alkatrész lábakat össze kell kötni.
Az Atmega 5-ös lábát összekötném az LCD panel 6-os lábával. A többit értelem szerűen. Ha ezt a rajzon tennék meg, akkor a sok vezeték miatt kuszaság lenne a kapcsolási rajz.
7-8 lábakon mik az x ek?
Olyasmit jelent, hogy hagyjad lógva. Not connect. NC.
Sziasztok! A következő képen szereplő nyákot megépítettem .Az a probléma ,hogy az öt voltos stab melegszik.Valaki megtudná mondani mitől lehet? Köszi a válaszokat.
A hozzászólás módosítva: Júl 18, 2018
De amúgy működik a gép?
Nem.ic programozva lcdén semmi
A melegedés ellenére van a kimenetén 5 volt a stabkockának?
|
Bejelentkezés
Hirdetés |














