Fórum témák
» Több friss téma |
Annyira szeretem az ilyen értelmes pozitív hozzáállásokat. Garantáltan beszéljük le azt aki olcsón akar kísérletezni, és vegyük el a kedvét még a nekiállástól is. Megválaszolom a tapasztalataimat.
Még nekem bőven elég az NE612 -es IC használta.
Tavaly épített vevő -vel kísérletezek még mindig. Igaz, most, hogy lett egy frekvenciamérőm, még ha nem is a legpontosabban, de azért mégis tudom, hogy kb. hol járok a frekvenciák között. Azért gondoltam, egy kicsit más vizekre evezni ezzel az IC-vel. Az általad írt jelenséget én is észrevettem. A hozzászólás módosítva: Aug 26, 2018
Szia Sanyi! Első körben jelzem, hogy sok műszer nem kell hozzá. Ha rádiót akarsz építeni, kezd azzal, hogy ebayen veszel egy DDS VFO-t. Ezzel megúszol egy freki mérőt, és csomó szenvedést egy analóg VFO-val. Utóbbihoz tényleg kell műszer. Közben meg tudod építeni ennek a vevő részét. Van nyák tervem is. Szól mint a veszedelem.
A hozzászólás módosítva: Aug 26, 2018
Igazad lehet, hajnal kettőig zenéltek a szomszédban az indiánok, lehet kissé negatívan ébredtem. Mindez mellett próbálom rávezetni arra, hogy jónál ne adja alább, ne elégedjen meg az elégségessel, esetleges csalódásoktól is próbálom védeni. Lehet, hogy Hobbyjani fórumtárs verte be az utolsó szöget, a nekem címzett hozzászólásodba...
Szia! A végeredmény, hogy építeni van értelme. Az NE612 IP3 ra nem az igazi, de QRP-zni teljesen jó. Következő lépés lehet egy jó DBM stb.
Senki nem vitatta, ezért javasoltam a moduláris építkezést, hogy lehetőség legyen kipróbálni mindent ami elé kerül. Ez lehetőséget ad a tanulásra, kísérletezésre, láthatóvá hallhatóvá válik a változtatás eredménye. A jó dolgokat meg lehet tartani, gyengébbeket meg cserélni. Sokkal kevesebb munka veszik oda, ha a végeredmény nem megfelelő, vagy kinövi az ember.
Hm, elolvastad a mellékelt angol leírást? Nem tűnik egyszerű feladatnak a megépítése...
Én úgy láttam,hogy kit formájában is lehet rendelni,akkor már nincs fejfájás,persze ha a zseb tele van.
Elolvastam.
De tudom nem egyszerű, ezért is kérdeztem elsősorban. Akkor nem lesz megépítve. Nincs gond, csak elgondolkoztam rajta, elviekben. A hozzászólás módosítva: Aug 26, 2018
A zseb tele van,de nem azzal amivel kellene, csak levegő van benne.
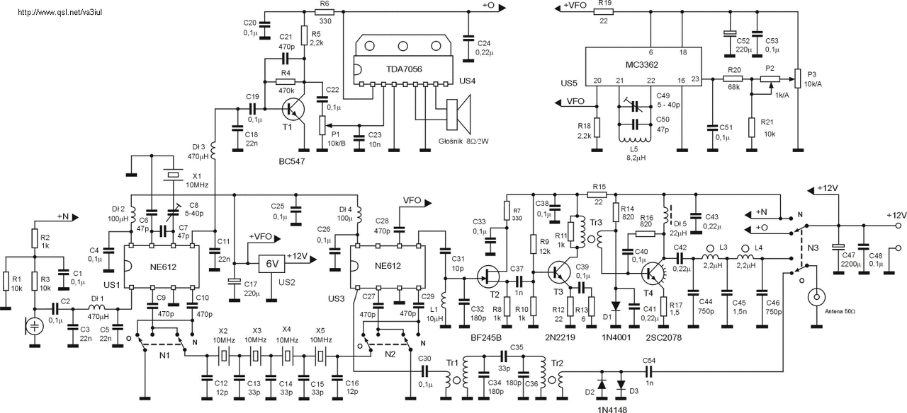
A kapcsolási rajz jobb felső sarkában látható VFO kapcsolás felkeltette az érdeklődésemet.
Szerintem ezt kipróbálom a mostani kis vevőmhöz.
Ha van MC3362 akkor nem csak VFO lehet hanem komplett RH SSB vevő.Az IC maga komplett 2szer transzponált URH FM vevő teljes áramköri készletét tartalmazza kb 500 MHzig.Erre a célra fejlesztették.
De idővel másra is kezdték alkalmazni.pl.: lengyel HAM által propagált "Aquarius ,Taurus " rádiók. qrp fun SP5DDJ . Az MC3362 ICben van oszcillátor , 2 keverő , KF erősítő ezen kívül majdnem minden fokozat ki/be menete ki is van vezetve , így a jelutat részben rugalmasan lehet felhasználni és módosítani. Vannak IC-k amikben kevésbé lehet ezt megcsinálni.
Van.
Már kb. 2 éve várja, hogy felhasználjam.
Az RH SSB vevőket minden esetben el kell látni sávszűrővel? Sajnos az elég nagy gondot okoz.
A szuperheterodineseket igen..., már ha a KF-re gondoltál.
Ha a bemenetre, az egy bonyolultabb kérdés... A hozzászólás módosítva: Aug 26, 2018
Minden rádióvevő antennája után kell(ene) sávszűrőnek lennie
!Anélkül nem sokat ér, elő szelekciót végez, behatárolja a tervezett hasznos jelek tartományát. Csillapítja a nem kívánt jelek szintjét, távol szelektivitást végez ha már szuper rendszerű a rádió.
Ha KF szűrőre gondoltál akkor meg kell egy marék egyforma értékű kavics, azokból ki kell válogatni a közeli értékűeket , 50-100 Hz belülieket. Ezt egy kvarc oszcillátorban tudod megmérni.
Abból a 4 5 darabból kell létraszűrőt összerakni.Ahogy a leírásban is van.
Lehet, hogy egy ilyen rendszerű vevő, még egy kicsit elég nagy falat lenne.
Ideális vevő számomra, csak "gyári" tekercseket tartalmazzon. A hozzászólás módosítva: Aug 26, 2018
Vagy esetleg ez a kitet néztem ki. Igaz itt is jó a zsebe kell nyúlni, de ha akkor jó.
![]() De csak a tekercsek miatt. A hozzászólás módosítva: Aug 26, 2018
Ha csak az i(u)nodktivitások miatt parázol... akkor csináljál egy LC mérőt is lásd pl.:az itt futó projektek valamelyike olcsóbb mint a kiszemelt kitnek az ára ... utána "bármilyen" i(u)nodktivitás sem fog gondot jelenteni ... A hozzászólás módosítva: Aug 26, 2018
Van LCM2-m, ha minden igaz most már sikerül is bekalibrálnom, mert a börzén vettem jó minőségű kondenzátorokat.
Valóban számomra a tekercsek elkészítése a kritikusabb pont. Persze ha lenne wobblerem úgy, sokkal könnyebb lenne. Én úgy gondolom, hogy az egyik lehetőségem vagy fejlesztem tovább a kis vevőmet vagy teljesen úgy rendszerű vevőt építek, illetve keresek. Az igazság, az , hogy ezért vagyok most gondban. A hozzászólás módosítva: Aug 27, 2018
Még nem próbáltam ki, a két varikapos finomhangolást, de
én arra gondolok, lehetséges, hogy a polyakov mixer miatt nem tudok jól venni ssb adást. Bár elméletileg tudja.(Ha jól tudom.) Építenem kéne egy kis kapacitású változtatható kondenzátort,(finomhangoláshoz) hátha azzal jobb lenne. Egyszer már tudtam ssb adást venni, akkor egy német hosszan beszélt valami antennáról. Biztosan nem AM adás volt. Ahhoz hogy jó legyen a hangszín, a kezemet egy bizonyos távolságra kellett tartanom a vevőtől Máskor így se ment.Fentebb írtátok, hogy az jár jól, aki rendel szignálgenerátort, és azt használja VFO-nak. Nem pedig analóg VFO+frekvenciamérőt használ.
Az egyszerű(nincs benne kvarcszűrő, vagy fázistoló hálózat) közvetlen keverésű rádiók mindig DSB vételt tudnak csak megvalósítani. Ez azt jelenti, az eredeti SSB oldalsáv vétele mellett a másikat is mindig venni fogod. Ha ott épp csend van, nem gond. Ha éppen forgalmaznak, vagy valami zavar, akkor az behallatszik a vételedbe is.
Ettől függetlenül a pontos hangolás, és lehetőleg a stabil frekvencia eléggé ajánlatos..., ezt pedig analóg módon előállítani nem mindig egyszerű feladat! Idézet: „kezemet egy bizonyos távolságra kellett tartanom a vevőtől” A megfelelő frekvencia stabilitás elérése érdekében , nem csak elektromosan kell jól megépíteni az áramkört. Ezen kívül mechanikusan stabilra és árnyékoltra is. Aztán olyan apróságok mint mechanikai feszültség mentesítést se ártana elvégezni, (a kész VFO-t szabályozható kemencében adott hőmérsékletre hevíteni, majd lehűteni. Igaz ezt nem otthon csinálod meg) DE nem lehetetlen stabil VFO építése , ezelőtt kb 25 éve nem nagyon létezett DDS / PLL technika könnyen olcsón elérhető formában.Addig is építettünk , használtunk analóg hangolású oszcillátorokat. Idézet: „Aztán olyan apróságok mint mechanikai feszültség mentesítést se ártana elvégezni, (a kész VFO-t szabályozható kemencében adott hőmérsékletre hevíteni, majd lehűteni. Igaz ezt nem otthon csinálod meg)” Ez nekem túl professzionálisnak tűnik ![]() Nem csoda, hogy az AM módot használják a lakossági műsorszóráshoz. Valaki valahol írta(itt a hobbyelektronikán), hogy nem érti miért használnak még mindig AM -t a műsorszórásra. Hát ezért. Egy ssb vevőt jóval nehezebb elkészíteni, de behangolni is nehezebb. Ugyanakkor a CW vételem nagyon is jó. Ha magára hagyom a vevőmet, vagy nem mozgok, az osc. frekvenciaingadozása alacsony, a mérőm szerint.
Elméletileg egyszerű SSB. Bővebben: Link
Ahogy mondták, sávszűrő nélkül nem fog menni. Vételi frekvenciára megfelelő sávszélességű hangolható sávszűrőt igen nehéz építeni, ezért van SSB vételre szuper rendszerű készülék, mert a KF frekvenciájára készül egy megfelelő szűrő, többnyire kerámia, vagy kvarc szűrő, és oldalsávot a helyi oszcillátor frekvenciájának változtatásával lehet. Az ilyen készülékhez BFO -t is viszonylag egyszerűen lehet csatlakoztatni, ha szükséges.
Az "egyszerű" sokszor nem is annyira egyszerű. A hozzászólás módosítva: Aug 27, 2018
Azért van erőlködés az AM műsorszórás felváltására, ez a DRM, a digitális műsorszórás, de túl későn jött. Túl sok az egyszerű, olcsó AM vevő, a DRM vevők viszonylag drágák, és nincs is sok adó, kialakult a rókafogta csuka esete.
És nem éri meg. Nincs képmínőség és más. KH, HH és RH nagy távra lehet jelet küldeni és könnyű venni, arra hogy valamit, hireket meghalgassak nem kell hifi, vagy hogy a háttérben szóljon munka közben.
|
Bejelentkezés
Hirdetés |




Tavaly épített 
!
