Fórum témák
» Több friss téma |
Fórum » Keverőpult építése, javítása
Értem, és igazad van erre én is gondoltam, viszont kipróbáltam nagyobb teljesítményű trafóval megszűnt valóban a búgás, ahogy mondtad. Azért gondolom a stab. ic nem árthat, zenerrel +12V helyett a +8,5V elég nagy zuhanás. Egyébként szintén tervezési hiba (vagy szándékos?), hogy a melegedő zener ellenállást pont a táp négy darab puffer elkója közepére tették tökéletes mértani pontossággal.
![]() Szóval túl kicsi AC táp, túlterhelt zener, és puffert szárító ellenállás, így nekem ez sok(k).
Sziasztok!
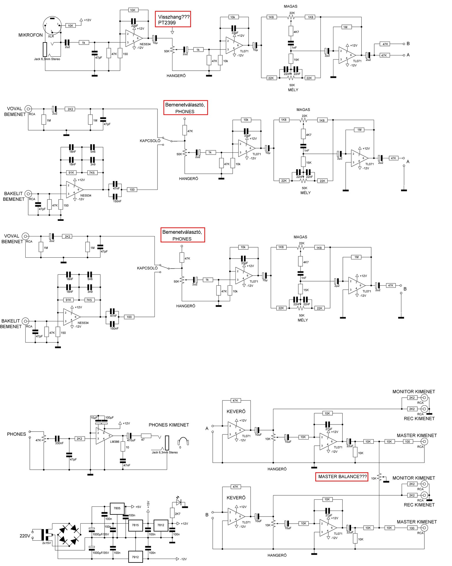
Néhány éve terveztek nekem egy egyszerű keverőt.Reloop fórumtárs most újra áttervezte.De idő hiányában nem lett befejezve a kapcsolás.Néhány dolog még függőben maradt rajta.Ha esetleg valaki rá tudná tervezni annak megköszönném. 1.- Gain poti minden bemenetre. 2.- CrossFader poti a 2 csatorna közé. 3.- 22K-os (Magas hangszín)poti helyett 10K.Itt az ellenállások értékére gondolok. 4.- Master csatornán Balance poti.Én megpróbáltam berajzolni, de jó-e? 5.- A mellékelt visszhang kapcsolás, jó helyre rajzoltam-e, és egy az egybe beilleszthető? 6.- A mellékelt bemenetválasztó kapcsolás, jó helyre rajzoltam-e, és egy az egybe beilleszthető? Egyenlőre ennyi lenne a nyügöm. Előre is köszönöm. További szép estét
Megint én, csak nem hagyott nyugodni ez a Pronomic keverő táp.
![]() Érdekes ha megszüntettem a zenereket igazad volt reloop rosszabb lett, brumm van benne, nem tudom miért? Végül visszatettem a zenereket, 100 Ohm-mal volt bekötve a 12V zener stabilizátor, ami melegedett, és leesett a pozitív feszültség 8,5V-ra. Most kicseréltem az ellenállást 22 Ohm-ra így 11,3V a feszültségem, és semmi melegedés az ellenállásnál. Akkor miért tettek bele 100 Ohm-ot?
Mert 10-et akartak csak elba-szúrták...
Akkor nem kicsit, mert a nyákra is 100-at szitáztak.
Az kizárt hogy 10 Ohm-ra tervezték volna. Számításom szerint a pozitív oldal fogyasztása 45mA. Ha 100 Ohm van benne, akkor a puffer feszültségének 16,5V-nak kellene lenni. És lehetne is, ha a trafó tényleg tudná a 12Vac feszültséget. Ha jelenleg 22 Ohm van benne, akkor azon kb. 1V esik. Viszont azt is figyelembe kell venni, hogy mi van a szűretlenséggel, mert 1V-nál már könnyen belóghat a brumm alja a tápba és ismét zajongani fog, mint a 7812-nél. Mert ugye ott is kevés volt a maradék feszültség.. Tehát nem lehet a soros ellenállást túl kicsire sem választani.
Ha kiveszem a zenereket, mert egyébként nem kellene bele, mert van 9V AC trafóm is, akkor az egyutas egyenirányítás miatt búg?
Nem a zénerek okozzák a búgást, ellenkezőleg csökkentik azt. Feltéve, hogy marad áramuk, a hullámosság alján is. Mivel nagyobb áramváltozásra kicsi a feszültség változásuk, így a dinamikus belső-ellenállásuk is kicsi. És így a változásokat söntölik. Működésükből adódóan ugyan úgy a brummfeszültség okozta változást is csökkentik, mint ahogy stabilizálják az egyenfeszültséget is. Ha kiveszed a zénereket, megszűnik a hatásuk is. Tehát romlik a helyet, feltéve hogy jut a zénerre áram. Mert ha a 12V-so zéneren 8,5V van, akkor mint ha ott sem lenne. Ugyan azon szűrési eredményhez drasztikusan növelni kellene a puffer méretét.
Ha egy BZX55C12 zéneren mondjuk 20mA folyik, akkor annak statikus ellenállása ebben a munkapontban 12V/20mA=600Ohm. Ugyanakkor ha megnézed az adatlapját, láthatod, hogy a dinamikus ellenállása kisebb mint 20 Ohm. Tehát váltóáramú szempontból olyan, mintha az osztó alsó tagja 20 Ohm lenne. Vagy is 100Ohm soros ellenállással mintegy ötödére csökkenti a brummfeszültséget. A hozzászólás módosítva: Dec 9, 2018
4742-esek vannak benne. Köszi így már érthető miért búg zener nélkül. 7812-vel már jó, de túl nagy bemeneti feszültség kell feleslegesen. Elengedem ezt az egyforma tápfesz kérdést, ez ilyen konstrukció, szépen szól akár mekkora pozitív- negatív Opa tápfeszültség különbséggel is.
Természetesen nem az OPA-n fog a dolog múlni. Annak meglehetősen nagy a tápfesz elnyomása. Az alacsonyabb tápfesz egyik oldalon, a kivezérelhetőséget korlátozza. De mivel egy keverőben 1..2V-nál nem nagyobb a kivezérlés, nem lehet probléma belőle. A brumm ott tud "behatolni", ahol a tápfeszből állítanak elő valamilyen munkaponti feszültséget. De ez kettős táp esetén nem szokásos dolog. Hiszen a GND rendelkezésre áll, amiben nem folyik áram, csak amit az OPA kimenetére kötött terhelés okoz.
Ha ésszerűen próbál az ember tervezni valamit, törekszik a két tápfeszültség azonos (és lehetőleg állandó) terhelésére. Problémát a féltápról működő kijelző egységek szoktak okozni..
Sziasztok van ez a MM tipusú keverő amivel kínlódtam nem keveset,most jó,kivéve hogy minden lámpa kapcsolástól bárhol a lakásban pattan egy nagyot a hansugárzó.De csak ha ezt a keverőt használom.Nagyon idegesitő.Lehet ellene tenni valamit?
Ugyan azokkal a kábelekkel összedugtam a régi korg keverőmet,utána a beringer keverőt is,azokkal nincs pattanás mikor villanyt kapcsolok,ezzel meg nem kicsit pukkan olyankor.
Hello! Vagy nincs jól árnyékolva, vagy a zavarszűrése rosszabb mint a Korg-é. Esetleg a földelése nincs, vagy más. A keverődben lévő párhuzamos drótszálak az egész legérzékenyebb pontja. Az nem lehet a "szabadban".
Gondoltam rá hogy legalább a jelek drótjait lecserélem árnyékolt vezetékre,A földelést már átnéztem reloop kollegával az rendben van,bár egy pici apró de annál bosszantóbb alap búgása még mindig van.
A hálózati védőföld nincs felkötve rá,vagyis le van kötve.
Valahol, még mindig van apróka földhurok a bemenetek körül a legérzékenyebb helyen. Ezt jelzi a villanykapcsolásra történő reagálás, és a brum is. Ha nem sürgős, tedd félre, meg fogod álmodni a megoldást. Dugd bele a mobiltelefont, miközben csengeted. Azzal lesz esélyed megtalálni, hogy hol a gond.
A hozzászólás módosítva: Dec 11, 2018
Szia ezt a mobilt nem értem,vagyis arra gondolsz hogy hivás közben tegyem erre arra a keverőn belül a mobilt és ahol megjön a zavar ott keresgéljek?
Úgy bizony. Amerre a legerősebb, azt a részt kell alaposabban átnézni.
Sziasztok. Van egy SIRUS MXP 602 Keverőpultom. A gondom az hogy az egyik mikrofon csatorna nem szol. Hiába dugok bele mikrofont semmi. szét szedtem és nem látok semmi ellenállást vagy tranzisztort elszállva. hol keresem a hibát???
minden működik rajta, de ez a pirossal jelzett oldal meg se mukkan.
Sziasztok! Van nekem egy Behringer MPX3000 es csodám. Tüzet okádó ventillátort még nem láttam, ő mutatott nekem. Labortáppal tesztelve a keverőt nem ölte meg(2 hete tesztelem vele semmi gond), de a táp elhalálozott. Ritkán javítok ilyen tápokat, ameddig eljutottam.
Táp tipusa: Behringer sps600 Rajzom is van: Bővebben Amit cseréltem: R57, R56, R65, R66, (Szépen füstéválltak mint a jó sárkány keverő tűzenergiaforrása.), C6, T1 (Zárlat és sárkányidézés) Végeredmény: Mindent cseréltem, a T1 ismét pukk ahogy bedugtam. Hol kellene még szétnézni? Melyik félvezető lehet a ludas? Sajnos a multiméterem kezdi feladni, illetve nem igazán van ötletem, merre tovább keressem ami ezt okozza. A hozzászólás módosítva: Feb 27, 2019
Panoráma kapcsolást szeretnék buffer fokozatból készíteni. Ez így nem igazán működik. Hogy tudna működni?
Elnézést a tudatlanságomért de leírnád mi az a panoráma kapcsolás? A barátom semmilyen értelmes találattal nem örvendeztet meg.
Zenekari keverőkben a mono csatornát ezzel lehet beállítani,
hogy melyik oldalon milyen hangosan szóljon.
Érdekes, hogy a Google nem ad találatot.
Vikit kellett volna kérdezned, ő okosabb
Bővebben: Link
Hello! Persze hogy nem működik. Az OPA kimeneteket nem lehet egyszerűen összekötni!
Érdekes egy áramkör ez, nem tudom, hogy mi az értelme, mikor a panoráma szabályozást egyetlen, monó potencióméterrel meg lehet oldani.
Kell a bemenetre egy Dual-IC ami követő kapcsolásban lehet és annak a két külön rész bemenetei közé kötjük a potencióméter két végét, a potencióméter közepére pedig, a bejövő monó jel csatlakozik. Ez a Panoráma-szabályozó. Balról-jobbra, illetve visszafelé vándoroltatjuk a bemeneti jelet, miközben tekerjük-toljuk a potencióméter gombját. Ennyi. Ha a kétcsatornás műsoranyag két csatornáját akarod "átforgatni", azaz erre gondoltál a panoráma-szabályozáskor, akkor sem az az áramkör a megfelelő, de így is megoldható két-két sztereó potencióméterrel és némi Dual, vagy Quad IC-fokozatokkal. Ez viszont inkább egy "Crossfader", azaz keresztbe-szabályozó. Itt az IC nem erősít, inkább elválaszt, illetve impedanciát illesztünk a segítségükkel. Nézzél gyári keverő-kapcsolásokat, mit hogyan oldanak meg és azokból már eldönthető, hogy mit építsél meg. Üdv!
Sziasztok!
1 db mikrofont szeretnék egy sztereo, vonalszintű forrásra rákeverni, gyakorlatilag ilyen karaoke jelleggel. Google-n néztem kapcsolásokat, közülük egyet kiválasztottam és átrajzoltam egy tápfeszültségesre (mivel akkus berendezésbe kerülne az áramkör). Amibe bekerülne amúgy, ezen kívül egy végfokot tartalmaz, ami (közvetlenül, tehát követő fokozat nélkül bekötött) vonalszintű jellel évek óta használhatónak bizonyult. A mikrofon dinamikus típus, ezzel a 100-szoros erősítéssel ki lett próbálva korábban. Tehát gyakorlatilag csak a kettő szabályozható keverése az újdonság most. Ez a rajzon pont nem látszik, ugyanis a poti nem a nyákra fog kerülni. De a középen levő 3 pin-es csatlakozóra fog kapcsolódni egy 10 kohm-os mono típus. A kérésem tulajdonképpen csak egy átnézés lenne, mielőtt elkészítem hozzá így a nyák tervet. Előre is köszönöm! ![]() Tomi94 |
Bejelentkezés
Hirdetés |














