Fórum témák

» Több friss téma
Fórum » Kazettás magnó (deck) javítása
 
Témaindító: damien, idő: Júl 16, 2007
Témakörök:
Lapozás: OK   121 / 190
(#) gépromboló válasza Tomi94 hozzászólására (») Nov 27, 2018 /
 
Csodálatos, megrendeltem a fejet, erre írnak emilt, hogy elfogyott. Tudsz még másik fejet javasolni bárhonnan? Megköszönném.
(#) Tomi94 válasza gépromboló hozzászólására (») Nov 27, 2018 /
 
Nekem lehet, hogy még van, otthon megnézem.. Illetve ez néha felbukkan máshol is, persze ennél drágábban..
(#) gépromboló válasza Tomi94 hozzászólására (») Nov 28, 2018 /
 
Nagyon jó lenne, ha találnál. Nem igazán tudom, hogy egyéb helyeken mire is keressek, modell, típus, stb. Ránézésre sok hasonló van. Mi a legfontosabb paramétere? Az impedanciája?
(#) gépromboló hozzászólása Nov 28, 2018 /
 
Újabb kérdésem van: összehasonlítás és sebesség beállítás céljából beszereztem Vangelis egy albumát (eredeti, nem másolt) kazettán és CD-n. Ugyanazt a dalt felvettem Audacityvel mindkét forrásból és a magnó kb. 1%-kal gyorsabbnak bizonyult, mint a CD (teljes 3 és negyed perc alatt picit több, mint 2 másodperc eltérés mutatkozott). Érdemes-e babrálnom a sebességgel, vagy ez még hibahatáron belülinek számít? Köszi
(#) kistee válasza gépromboló hozzászólására (») Nov 28, 2018 /
 
A Hifi szabvány kommersz (nem stúdió) magnókra ±2% eltérést enged meg a névleges szalagsebességtől. Az 1% bőven belefér.

Vigyázat! Ez nem a nyávogás. Arra ±0,2% a tűrésmező az otthoni magnókra.
(#) gépromboló válasza kistee hozzászólására (») Nov 29, 2018 / 1
 
Köszi! Akkor valószínű, hogy nem nyúlok hozzá. Apropo nyávogás: van egy apró progi, ami méri a nyávogást, meg a rebegést (vagy minek is hívják), innen tölthető le. A közzé tevő oldalon beállító kazettákat is lehet rendelni, magyar pénzben sajnos horror áron, de profiknak biztosan megéri, nekem nem érte meg.
A hozzászólás módosítva: Nov 29, 2018
(#) gépromboló hozzászólása Dec 4, 2018 /
 
Hirtelen gond lett a magnóval (Sony TC-K461S deck), tegnap még szépen tette a dolgát, most meg félreviszi a szalagot. Görgő új, tiszta, tengely szintén tiszta, fejek is megtisztítva, a lejátszófej kicsit kopott, nem vészes. Próbálok rájönni, hogy mi lehet a gond, de minden rendben valónak tűnik. A lejátszófejig szépen megy a szalag, onnan viszont elsétál befelé, majd visszajön és ismét bemegy (a gép felé, ha szemből mézem a cuccost). Van bárkinek ötlete, hogy így hirtelen mi lelhette? Köszi
(#) CHZ válasza gépromboló hozzászólására (») Dec 4, 2018 /
 
Jobb oldali orsó, ha erősen húz, okozhatja, de a hátsó leeresztő orsó fékezésének hibája is.
Ha csak a kazetta elején csinálja kuplung hiba.
(#) gépromboló válasza CHZ hozzászólására (») Dec 4, 2018 /
 
Sajnos az egész kazettát félrecibálja, a két orsó hibája gyakorlatilag kizárva, fülpiszkálóval próbáltam őket más viselkedésre bírni, egészen a megállásig, de a szalagot akkor is félrehúzza.
Amit viszont tapasztaltam az az, hogy a lejátszó fejre ha enyhe nyomást mérek lejátszás közben oldalról, mintha beljebb akarnám nyomni a fejet a gép felé, akkor abbahagyja a félrehúzást, de csak arra az időre, amíg nyomom. Mi a fene lehet, ami esetleg fejszög eltérést okozhatott? Be nem akadt, ujjal meg nem lehet úgy beleakadni még szándékosan sem, hogy a fejet tartó lemezke elgörbüljön... Valami további tipp?
(#) CHZ válasza gépromboló hozzászólására (») Dec 4, 2018 /
 
Nyomógörgő dőlésszöge és nyomatéka is lényeges. Görgő átmérője nem kisebb az eredetinél?
(#) gépromboló válasza CHZ hozzászólására (») Dec 4, 2018 /
 
Mérete azonos, dőlésszöge nem volt mitől változzon tegnap óta, ráadásul a tengelye úgy van megoldva, hogy a dőlésszöge stabil.
(#) doktor válasza gépromboló hozzászólására (») Dec 4, 2018 /
 
A leírtak, egyértelműen nyomógörgő hibára utalnak.
Érdemes lenne a felületét ismételten átnézni, szabályozni a lehetőséged szerint, valamint a nyomóerőt is.
(#) papacica válasza doktor hozzászólására (») Dec 4, 2018 /
 
Szerintem is görgő.Sokan türköznek hogy felcsiszolják,így lejön róla a kemény gumi,és egy darabig megy,majd vissza keményedik és korcsolyázik a fejen.nézd meg a görgőt erös fénynél,és körömmel nyomkod meg középen vagy szélen menyire puha, nem e repedt stb.
(#) DRAWS válasza Tomi94 hozzászólására (») Dec 5, 2018 /
 
Találtam a cseheknél még gyártanak ilyet. Fehér műanyagból, nem olcsó, de lehet az lesz a megoldás.
(#) gépromboló válasza CHZ hozzászólására (») Dec 9, 2018 /
 
Szereztem egy ugyanilyen gépet, alkatrésznek (Sony TC-K461S). Úgy is árulták, mint hibásat. Mindenre számítottam, csak arra nem, ami rám várt: alig használt gép, hibátlan görgő, éppen hogy kopott fej, viszont oltári nikotinszag dőlt belőle! Delej van, éled minden, de nem moccan, csak zümmögés hallatszik. Nosza kapok a csavarhúzó után, lekapom a borítást és telibe tüdőzöm a szagot. Majdnem dobtam egy hátast, már nem csak a szag miatt, hanem a látvány miatt is. A gép teljes belseje okkersárga, vagy éppen barna. Hol a fenében tartották ezt a szerencsétlent?!? És ez még nem minden! Mivel nem teker semerre, sem a fejeket nem emeli, ránézek a mechanikára és újfent elborzadok: a motorok kerekére fel vannak tekeredve a szíjak, megtapogatom, az ujjamon marad. A szíjak szó szerint valami ragaccsá olvadtak, ami nem a kerekeken van, az szétkenődött a mechanika egyéb részein. Merő borzalom, ez így teljesen használhatatlan!
Szétkaptam mindent darabokra, a házat, elektronikát, mechanikát és amilyen alaposan tudtam, megmostam-takarítottam. A házat alaposan megsikáltam 50% denszesz, kevés Pur és 50% víz keverékével, csak úgy dőlt róla a sárga lé! Az elektronikai panelek egy részét szintén megmostam (szesz nix, mert leszedi a gyanta réteget a NYÁK-ról), a többit meg áttöröltem a beültetett oldalán a fentebb említett lével, a NYÁK oldalt meg puros vízzel. Az eredmény látványilag jó, szag szempontjából meg sokat javult.
A mechanikát is szétkaptam, alaposan kitöröltem, megmostam, hogy nyoma se maradjon a fekete trutyinak, meg a nikotinnak.
Megkapta a gép a másik gép régi szíjait, összeraktam, bekapcsoltam és MŰKÖDIK!!!
A nyomorom csak annyi, hogy még mindig büdös, ezzel kapcsolatban van is egy kérdésem: tud valaki valami hatékony szagsemlegesítési módszert, amit egy ilyen gépen lehet alkalmazni? Nagyon megköszönném, mert ha már sikerült életre keltenem, bár nem számítottam rá, akkor használnám is, de mivel büdös, én meg nem dohányzom, a szag igencsak zavarna. Persze messziről nem érződik, csak a gép közvetlen közelében, illetve ha kinyitom a kazetta ajtaját.
Köszi hogy végigolvastatok!
(#) CHZ válasza gépromboló hozzászólására (») Dec 9, 2018 /
 
Én kitenném napfényre, szétszedve, huzamosabb ideig. Sajnos ennek a lehetősége most kicsi, de tavaszi napsütés meg fogja oldani.
(#) gépromboló válasza CHZ hozzászólására (») Dec 9, 2018 /
 
Köszi, jól hangzik! Majd az UV megoldja, amit én nem tudtam!
(#) CHZ válasza gépromboló hozzászólására (») Dec 9, 2018 /
 
Szerintem csodákra képes, de idő kel hozzá (jó idő is)!
A hozzászólás módosítva: Dec 9, 2018
(#) gépromboló válasza papacica hozzászólására (») Dec 9, 2018 /
 
Igazad volt, tényleg görgő! Csak kicsit más az ábra. Nem tudom miért (talán marha jó minőség), de a vadiúj görgő homorú lett és ezért vitte félre a szalagot. Csiszolópapír a barátom, addig csiszolgattam, míg enyhe domborúságot nem értem el és most végre megint hibátlan!
Köszi mindenkinek a segítő szándékot!
(#) papacica válasza gépromboló hozzászólására (») Dec 10, 2018 /
 
Az csak átmeneti hogy csiszolod ott az egész gumi kemény,mijen a görgö paramétere,hátha tudok hozni ujat
(#) VIM hozzászólása Dec 13, 2018 1 /
 
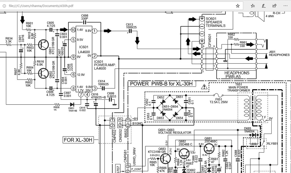
Sziasztok! Adott egy Sharp xl-30h kazettás cd-s center ami egyik percről a másikra elhallgatott és a kijelző fényei sem világítanak. A centert szétszedve és a tápfeszültségeket méregetve, furcsa eredményre találtam, mert a főtrafót bekapcsolja segéd trafó és annak reléje de a fő tápfeszültség kimenetén csak 2V körüli feszültséget tudok mérni. Majd lehúzom a csatlakozót a vezérlő panelról ahová a tápfeszültség át van vezetve két eres vezetékkel és a tápfeszültség megjön a főtrafó graetz-én (23V). Ha visszacsatlakoztatom a tápvezetéket akkor leesik a =2V-ra a graetz kimenetén és a trafó kimeneten 17V váltóra. A végfok ic LA4600 okozná a problémát (zárlatos) vagy a program processzor tiltja, némítja le a végfokot valami miatt?

xl30h.jpg
    
(#) zolika60 válasza VIM hozzászólására (») Dec 13, 2018 /
 
Ezt könnyű kideríteni. kösd ki a végfok tápját.
(#) VIM válasza zolika60 hozzászólására (») Dec 13, 2018 /
 
A CNP652 csatlakozót széthúzva látszólag megjelenik a normális tápfeszültség de nem olvadt ki az F651 biztosíték és nem melegedtek az 1N4004 diódák sem. Lehet, hogy a trafónak van valami hővédelem beépítve és annak tönkremenetele okozza ezt az üresjárati feszültség jelenlétet?
(#) VIM válasza VIM hozzászólására (») Dec 14, 2018 / 1
 
Megoldódott a probléma. A főtrafó egyenirányítójában az egyik dióda 1N4004 szakadt volt. Ezt egy 24V 10W-os izzóval derítettem ki, mert a tápfeszültségnek 20V körülinek kellett volna lennie de terhelésre leesett 2V-ra. A digit műszer ezt nem tudta kétséget kizáró módon kimutatni, legalábbis számomra. A négy diódát kicseréltem 1N4007-ekre és a lényeg, hogy már szól is a deck.
(#) gépromboló válasza papacica hozzászólására (») Dec 15, 2018 /
 
Épp ellenkezőleg, vadiúj és puha, életemben nem láttam olyat, hogy középen behorpadjon. Általában az ellenkezője történik, középen kidudorodik, domborúvá válik a görgő. Ez meg homorú lett. Lehet, hogy sz@r anyagból van...
Netán tudsz eredeti minőségűt szerezni? Az jó lenne!
Átmérő: 12,8mm
Szélesség középen, a műanyagnál: 7,8mm
Tengelyátmérő: 1,8mm
+/- 0,1 mm lehet benne mindegyik értéknél, a tolómérőm nem éppen a legpontosabb.
(#) papacica hozzászólása Dec 16, 2018 / 1
 
Míg ti állandóan javitottok ,én használom
(#) papacica hozzászólása Dec 16, 2018 /
 
Ha crom akkor legyen crom
(#) papacica válasza gépromboló hozzászólására (») Dec 16, 2018 /
 
ez inkább 13x8x2 es nek látom ,mert ilyen görgő paraméterek nem létezik,szerintem ez kell neked,tudok.Egy van amit a képen látsz,nincsen behelyezve 13x7x2 es
A hozzászólás módosítva: Dec 16, 2018
(#) papacica válasza papacica hozzászólására (») Dec 16, 2018 /
 
de hozatok 13x8x2 est ha kell,gari van rá
(#) gépromboló válasza papacica hozzászólására (») Dec 16, 2018 /
 
A 13x8x2 az jónak hangzik. A 13x7x2 nem fog a tengelyen vándorolni? Amúgy hány pénz lenne?
Következő: »»   121 / 190
Bejelentkezés

Belépés

Hirdetés
XDT.hu
Az oldalon sütiket használunk a helyes működéshez. Bővebb információt az adatvédelmi szabályzatban olvashatsz. Megértettem