Fórum témák
» Több friss téma |
Fórum » Hegesztőgép javítása
Témaindító: Szentgyörgyi Lajos, idő: Nov 25, 2008
Szia Erbe !
A panelen : MV01 , E804 , ill. w22 4273882 elresta Wien felirat van.Az említett r26-os ellenállás tenyleg a zener felett van és 340 ohm körüli értéket mértem.
Sziasztok! Olyan problémám lenne hogy van egy For-mig 185 Co hegesztő gépem, hegesztésnél egyszer csak belassul a motor majd megáll, ívest se húz az is elgyengül. Valaki találkozott már ilyen problémával?
Szia. Próbáld meg velük felvenni a kapcsolatot, vagy elvinni a gépet. http://www.fortrans.hu/menu/kapcsolat.html
Ők készítik ezeket a gépeket. De majd írd meg hogy mi volt a baj, egyik barátomnak is ilyen gépe van. Ebben a gépben nincs segédtrafó, csak főtrafó arról megy minden. Esetleg egy fotót feltehetnél a gép belsejéről.
Üdv!Kersem Traconic 250 hegsztő vezérlőpanel rajzát panelszám: 4 279 882.Köszönettel in55
Üdv! Phile80.Akkor téves lenne a gyári szám? Már kaptam hozzá rajzot csa a panel tmbvázlatban van nekem pedig a részletesre lenne szükségem.
Traconic 253-at gyártottak csak, amit a W22-es ELRESTA penellel szereltek. A rajza megtalálható EBBEN a topikban.
Hello!
Ismerősöm CO hegesztőjében kiment egy relé. A baj az, hogy egy helyen találtam csak olyat, kínában, és onnan is 200db-os rendelés a minimum, így az nem járható út. Esetleg tudnátok valamit ajánlani helyette? JQX 29F 12V 40A
12V relé
A MIG hegesztőkben előforduló feladatokra, terhelésekre ez a relé is megfelel. Mi történt ezzel a nagyterhelésű relével, hogy kimúlt? Ritka eset, hogy hegesztőben 12 V-os relét alkalmazzanak. A tápfeszültségek általában a 24 V-oshoz jobban illeszkednek. A hozzászólás módosítva: Aug 6, 2018
A primer áramot kapcsolja,azért használnak a kínai gépekben ekkora relét. Általában a Potter&Bromfield reléit másolják nagy előszeretettel, ugyanis ez a cég gyárt ilyen különleges reléket. Érdemes rákeresni(lábtávolság és fizikai méret), és előfordulhat hogy akár itthon is beszerezhető a kínaiak által koppintott relé eredetije. Itt is érdemes körülnézni, van itt pár darab ami a kínai gépekben fellelhető:Bővebben: Link
Nekem sem árt.
![]() Ilyennel még nem találkoztam. A saját inverteres AWI-mban (echte kínai) van egy T formájú relé, gondolom azonos funkcióval. Még nem kellett alaposabban megnéznem.
Autóvillamosságban léteznek ekkora relék.A bekötésük kicsit macerás,de megoldható.
Igazad van, de azok nem képesek a hálózati feszültséget biztonságosan megszakítani,ezért csak 24V a megengedett maximálisan kapcsolható feszültségszintjük.
Van néhány RNE 44-es relém elfekvőben, mondjuk ez nem 12 hanem 24V-os.
Egyben válaszolok mindenkinek.
Sajnos nem láttam a hegesztőt, ismerős keresztapja kért meg, hogy keressek egy olyat ami bele való, de aztán nem lett. Az autós reléket én is mondtam neki, meg is tudná csinálni, csak valami miatt mégis az eredetit akarja belerakni, vagy pedig több kisebb relét összekötve berakni, valami ilyesmit magyarázott. Valami olyasmit beszélt, hogy az érintkezés pontja legyen nagy, mert az volt abban is ami leégett a 40A miatt. Most német ismerősökkel próbál valamit, hátha azok találnak hozzá.
Legegyszerűbb megoldás egy kisebb relével egy 230 V-os tekerccsel működő mágneskapcsolót beépíteni. Szerintem olcsóbb is, mint az eredeti relét utánozni.
Üdvözletem!
MIG 240-es CO-hoz keresek rajzot. A vezérlőpanel rajzára is szükségem lenne. Köszönettel!
Üdvözletem!
For míg 161co gép elektromos rajzát keresem.Köszönettel!
Kedves csoporttársak.
Adott egy Einhel GW-BT 170-es co gèpem. Nem règ vásároltam ès mikor dolgozni szerettem volna vele furcsán adta a huzalt kicsi előtoláson . Erre a jelensègre keresnèk valami megoldást . Nagyon köszönök minden infót.
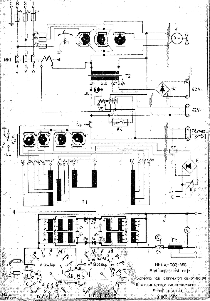
Sziasztok, gépkönyvet keresek a hegesztőmhöz, típusa elvileg hega co2 350. Sajnos adattábla nincs, előlap kopott.
Addig jutottam, hogy a jobb alsó kapcsoló szerintem az üzemmódkapcsoló, amiben valószínüleg a tárcsák (3db) töröttek, ugyanis mindkét állásában nyitottak az érintkezők. Co2 módban az egyenáramú szabályozótekercsnek üzemelni kell, vagy nem? Valaki már javította, mert 1 diódát kicserélt valami ruszki darabra, ami nem is lenne baj, csak fordított polaritású mint kellene, így a kábeles kivezetése van a hűtőbordán.
A gugli első találata a géped rajza.
Mellette ott a gépkönyv is. HEGA350 rajz A hozzászólás módosítva: Dec 30, 2018
Szia, belinkelnéd azt a gépkönyvet? Ez a rajz nem stimmel, én is megtaláltam, de ha megnézed a kapcsolók számát, látszik. Nem kis időt töltöttem guglizással, onnan sejtem a típust. Amit eddig megfejtettem:
Az egyenáramú tekercs a segédtrafó 24v járól üzemel, nem a főtrafóról, mint a rajzon. A jobb felső elvileg a co részhez, a középső kapcsoló az elektródához tartozik, mindkettő 6 állású, de olvashatatlan az előlap. A szabályzó potméterhez bevontelektróda szimbólum van rajzolva, de conál is üzemel. Az a problémám, hogy a gép bizonytalanul dolgozik, az üzemmódválasztó nem csinál semmit, töröttek a tárcsák, így minden érintkezője fixen zárva van(ez a rajzon rajta sincs).
Nem értem, mi bajod a kapcsolókkal. A rajzon van 4 kapcsoló, a te gépeden is. Ha nem egyezik ezzel, akkor nem biztos, hogy Hega350.
mpisti vagy Phile80 tudnak segíteni. A hozzászólás módosítva: Dec 30, 2018
Mi kell neked ennél több? A linken elérhető kétoldalas pdf-en minden lényeges adat rajta van, a rajz elég részletes és olvasható.
A kapcsolók igazságtáblázata, ami stimmel is. Találtam egy másikat is, ami jobban hasonlít, de ez sem jó(érdekes módon ez is hega 350). Az üzemmódválasztóm 2 állású 3 tárcsás, mint írtam, de ezeken nincs ilyen.
Sziasztok!A segitségeteket szeretném kérni.Kaptam egy FDG100 tipusú porbeles gép ami át lett alakitva uj munkakábellel co2-re..A problémám az hogy a huzal előtoló motor a legkisebb fordulaton "szalajtva"darabosan adagolja a huzalt de ha nincs huzal a munkakábelben a motor anélkül is dadog kis fordulaton..mitől leheteséges ez? a huzal adagoló vezérlőpanel vagy a motor lehet e rossz?illetve hogyan tudnám kimérni ezeket.sajnos nem értek az elektronikához.Volt e valakinek hasonló problémája?Köszönöm a segitséget.
|
Bejelentkezés
Hirdetés |









