Fórum témák
» Több friss téma |
Mielőtt kérdezel, a következő két dolgot ellenőrizd!
I. A helyes tápfeszültségek megléte.
II. A kimeneten van-e egyenfeszültség.
Élesztés.
Esetleg meg lehetne mérni a minihifi átvitelét. Legegyszerűbben kell hozzá egy olyan CD, amin mérőjelek vannak a teljes hangfrekis sávban. A hangsugárzó kapcsain szélessávú AC voltmérővel végigmérhető az átvitel. Esetleg rózsazajjal és spektrum analizátoral. Végül is a kapott eredmény alapján építhető egy parametrikus előerősítő. A szükséges átviteli görbét biztosísó visszacsatoló hálózatot szimulátorban meg lehet tervezni.
Hmmm...azt hiszem amit írtál, az a 10/10-es megoldás, egy profi fejlesztőmérnök biztosan így csinálná. Sajnos ehhez sem eszközöm, sem tudásom nincs és legkevésbé szeretnék egyedi erősítőnek nekilátni, amit a koreaiak már kitaláltak egyszer.
Ezért inkább továbbra is az érdekelne, aki szervizelt ilyet, hogy egy kombi hifi csupasz alaplapja működőképes-e magában?
Szia kedves kameleon2 kolléga, kíváncsi vagyok a relés bekapcsolásra, ha tudnál róla valamilyen rajz formátumot mutatni azt nagyon megköszönném.
Ha van a végfokon belül elérhető gyengermú lehetőséged, például 12, 24, 48V, akkor egy DC relét meg tudsz hajtani a kapcsolóról. A relé pedig már gond nélkül kapcsolhatja a terhelést. ráadásul egyszerre tudja szakítani a fázist és a nullát. De ha átnézel egy másik topikba: Be-/kikapcsoló nyomógombbal, ott is van pár elegáns megoldás mikrokapcsolós nyomógombra.
Az van természetesen, "csak ahhoz BE kell előszőr kapcsolni" a készüléket.
Ezt ne értse sennkise félre, mert azt vettem észre, hogy sokan negatív "felhangokat" szoktak vélni felfedezni "írásos" szövegekben. Szeretnék jó megoldást erre a komoly problémára így minden JÓ megoldás érdekel.
Esetleg egy ilyen? Lomex
Még ez a fajta talán esztétikus, bár nekem a billenő a gyengém. A hozzászólás módosítva: Jan 4, 2019
Szia! A linkelt kép miniatűrben jelenik meg. Magam részéről a billenő kapcsolókat részesítem előnyben.
A karos kapcsolót a véletlen működtetés nagyobb lehetősége miatt kerülni szoktam. A hozzászólás módosítva: Jan 4, 2019
Szia, igaz nem tudom miért kicsi, ez lenne az.Bővebben: Link
Vagy esetleg ez!?Bővebben: Link
Ha van a végfokon belül elérhető gyengermú lehetőséged, például 12, 24, 48V, akkor egy DC relét meg tudsz hajtani a kapcsolóról. A relé pedig már gond nélkül kapcsolhatja a terhelést. ráadásul egyszerre tudja szakítani a fázist és a nullát. De ha átnézel egy másik topikba: Be-/kikapcsoló nyomógombbal, ott is van pár elegáns megoldás mikrokapcsolós nyomógombra.
A nyomógomb annyiban nehezíti meg a munkádat, hogy a rögzítő csavarok elrejtéséhez egy szerelő lemezt kell kialakítanod Bővebben: Link
Én olyat csináltam, hogy a főkapcsoló tartja a Skori-féle lágyindítót. Lehet, hogy nem jó, de ötletnek sem biztos, hogy jó. A kapcsoló (isostat jellegű, régi pc tápkapcsoló) a lomax-ban van 100 Forintocskáért. Van még egy led is rajta előtéttel, csak a kapcsoláson nem van rajta. A csatlakozások csúszósarusak.
A hozzászólás módosítva: Jan 5, 2019
Ez nem jó választás mert ez csak 1 áramkörös és nem kapcsoló hanem nyomógomb! Szerintem a legegyszerűbb egy műanyag burkolatú kétáramkörös(nullát és fázist is megszakítja) hálózati billenőkapcsoló! Van kerek kivitelű is, így csak a meglévő lyukat kéne nagyobbra fúrni a készülékházon.
Sziasztok!
Nemrég vettem egy Proxima 401 típusú rádiót, saját hangfalaival. TV re kötve szeretném használni, működik ugyan a szentem de azért igényel némi törődést. Mivel van némi forrasztási tapasztalatom és egy amatőr műszerész cimborám, gondoltuk, együtt felújítjuk. A kérdés az lenne, hogy hogyan álljunk neki? A hibái a következőek: komoly alap zúgása van. Balance állító nem működik 100% ban. Ha rádugom a DIN-Jack átjátszó kábelt, zúg mint a rosseb, amíg be nem dugom a telefonba, TV be. Elvileg kondikat kellene cserélni. Van tapasztalat? Milyet vegyek? Hányat? Esetleg mást is érdemes cserélni? Váaszokat köszönöm! Gábor.
Sziasztok!
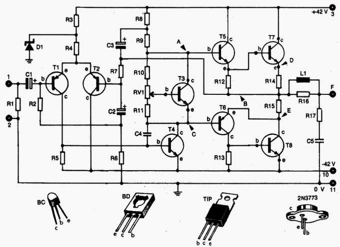
Segítséget szeretnék kérni,hogy ezt az erősítőt szeretném megépíteni. Itt van ennek a kapcsolásnak az eredeti rajza,s itt van a 4 végtranyós rajz is.de a továbbfejlesztett rajzon 2 kis tranyóval több van mint az eredetin. Tudnátok segíteni hogy q11 és a q12 milyen polaritású? S hogy a 4 végtranyós rajzon ott van hogy A B s ezek mellett van egy jamperral J3 egy át kötés,de a J3 átkötés nincs az eredeti rajzon,hogy az mit takar? Segítséget előre is köszönöm. A hozzászólás módosítva: Jan 6, 2019
Szia! Ha csak erősítőnek szeretnéd használni, elég a végfok és a táp elkóit cserélned. A végfokban axiális kondik vannak, de a radiális is beépíthető, ha csak olyat tudnál beszerezni. Ügyelj az elektrolit kondenzátor polaritására!
Olvasd le a cserélendő kondi feszültségtűrését és legalább akkora, vagy nagyobb értékűt vegyél! A túl nagy azért nem jó, mert lehet nem fog beférni. A balansznál is van elkó, a cserétől akár az is megjavulhat. A kábeled valószínűleg árnyékolatlan. Bővebben: Link
Szia! Q11 NPN, Q12 PNP. A J3 egyszerű átkötés R15 számára.
Úgy nézem a B-B-t össze kéne huzalozni. Elég slendrián módon jut Q8, Q10 kollektor árama a kimenetre, egy rendesebb dróttal meg kéne erősítened.
U503 2-es lábán, azaz a VCC-n 0.5V ot mérek normál stby állapotban, bekapcsolás után 12.9V, miután meg leállt 0.5v-ra esik vissza a fesz, de már a stby állapot nem ég a kijelzőn, illetve nem kapcsol vissza.
Még annyit szeretnék,hogy a R20 R21 R22 R23 milyen értékűt tegyek bele?
+- 45v ról fogom hajtani,csak le írtam nem tudom fontos e a jelzett ellenállatok meghatározásához. Az a két kis tranyó s a 4 ellenállás milyen része a kapcsolásnak? Köszönöm a segítséget István!
Ez a bővítmény funkcióját tekintve áramkorlátozó lehet, de javaslom hagyd ki kompletten, mert a negatív félperiódusban nem korlátozza a meghajtó áramát, így saját magát teszi tönkre.
Köszönöm szépen,az isten fizesse meg.
Helló. Szeretnék segítséget kérni egy cloud mpa-626 150w-os erősítőhöz. Megvetten használtan és bekapcsolás után csak 20 percig szólt,de akkor is gyengén. Utána kivágta mindkét biztosítékot. Rögtön szét is szedtem a lapon égés nyoma vagy sérülés nem látható. De friss hővezető van a tranzisztorokon szóval gondolom mielőtt megvettem kicserélték. A kiégett biztosítékok mellet egyedüli hibát ott találtam egy kiégett diódád. Lényegében azt szeretném kérdezni hogy az lehet-e a felelős a kidobott biztosítékokért vagy a tranzisztorokkal lehet-e valami ? Előre is köszönöm.
Szia! A biztosíték kiégését magában az egyenirányító is okozhatta, de ellenőrizned mind a négy végtranzisztort, a lábak között nem lehet rövidzár. Így folytathatod a további vizsgálódást: Bővebben: Link
Sziasztok!
Hozzá jutottam a párjához is ami szintén nem kóser első ránézésre. Úgy voltam minek labortápozzak, ez már be is volt állítva, mondták, aztán mégis Kezdem azt hinni, hogy csak mániám az alkatrészek hőfokát mérni, de R25 és R28 esetében a 140 fokot kellőképp túlzásnak érzem, tehát ott jócskán nagyobb áram folyhat a kelleténél. T7 és T8 is kooperál. Ma úgy hagytam ott, hogy majd jöhet az ellenállás csere-bere de szerintem itt más lehet a probléma forrása. Ellenállások már szép feketék ,bár mintha még ellenállnának. A bordán semmi hőt nem tapasztaltam pár perc leforgása alatt. Merre tapogatózzak szerintetek?
Szia! Kezdeném azzal, hogy T1-től T7-ig, valamint T9 mutat-e a lábai között zárlatot. Ehhez ki sem kell forrasztanod.
T9-ig bezárólag egyik sem mutat rövidzárat. R25, R28 értéke hozzávetőlegesen stimmel a színkód hiányának ellenére. +-20V táp esetén 10V-ot mértem rajta...R31 helyén az eredeti 100 ohm van egyelőre és 5V körüli feszültség esik rajta. T2 és T3 1-es és 2-es lábai között (T2:C-B T3:B-E) viszont mindkét irányba szakadást mértem.
Cseréld a hibásnak mutatkozó tranzisztorokat és mérd meg testhez képest T1, T2, T3, T4 kollektor feszültségét. Ezzel megpróbáljuk behatárolni a további hibákat. Az ellenállásokat kímélendő, először csatlakozz a mérési pontra és csak a leolvasás idejére helyezd áram alá az erősítőt.
Kiforrasztottam a tranyókat. A BC 182/212 helyéről viszont BC640/639 jött ki (amik a következő fokozatban is vannak). A mérés végén viszont észrevettem, hogy ezek lábkiosztása nem egyezik, amivel én kipróbáltam, szintén a rossz kiosztásúval egyezik. BC 182/212-vel viszont holnap tudom csak kipróbálni. Ennek tudatában a mérés nem mérvadó.
Ez alapján érdemes a többi beültetett alkatrészt is leolvasnod, egyezik-e a kapcsolási rajzzal.
A tranzisztor az eltérő lábkiosztás ellenére funkcionál a BC182 és BC212 helyén, feltéve a P-s illetve N-es megfelelő helyre kerül. A lábak rendezése: elforgatod, hogy az emitter stimmeljen, bázis-kollektort felcseréled, így a megfelelő furatba kerülnek. Így volt a BC639, BC640 beültetve? |
Bejelentkezés
Hirdetés |














