Fórum témák

» Több friss téma
Fórum » Erősítő mindig és mindig
Mielőtt kérdezel, a következő két dolgot ellenőrizd! I. A helyes tápfeszültségek megléte. II. A kimeneten van-e egyenfeszültség. Élesztés.
Lapozás: OK   143 / 2566
(#) szamóca válasza Ginuwine hozzászólására (») Máj 10, 2008 /
 
Van fenn kicsit jobra olyan hogy kereső. beírod és kat a keres-re. Te is tegyél valamit.
(#) Ginuwine válasza (Felhasználó 13571) hozzászólására (») Máj 10, 2008 /
 
de en nemtalaltam 5.1es erositot azert irtam ide es sztem jou topicba itam mert ez egy erositos topic es minden ami erositovel kapcsolatos azt lehet ide irni nem????
(#) Macsek71 hozzászólása Máj 12, 2008 /
 
kicsit "kezdős" kérdésem van :

Van egy 1000 éve UNITRA magnóból bontott erósítőm, újra dobozolva...
Fizikai megjelenése : 1 panelon az erősítő-rész+ egy panel a hangerő-hangszín-egyensúly..
Problémám, hogy erősen kikoptak a potméterek (recsegnek-ropognak). Milyen potikkal lehetne helyettesíteni az egységet, ha a hangszínszabályzásról lemondok...

Kérdés másképpen :
Milyen poti(ka)t tegyek a szám.gép vonalkimenése és egy végfokocska közé ?

B, kérdésem :
Hogyan lehetne fejhallgatót is e rendszerbe iktatni - kapcsolós választással ?

Köszönet : M
(#) szamóca válasza Macsek71 hozzászólására (») Máj 12, 2008 /
 
Idézet:
„Milyen potikkal lehetne helyettesíten”
A potikra rá van írva az értékük, és a karakterisztikájuk betűjele. Plusz meg kell egyeznie a lábak un. raszterkiosztásának is, legegyszerűbb ha kiforrasztod a panelból, és beviszed egy alkatrészüzletbe. Ha kicseréled őket nem kell lemondanod semmiről .
A fejhalgatókimenethez:
-A megvalósításhoz be kell szerezned egy jack ajzatot ami fel van vértezve a hsz-t leválasztó éritkezőkkel, + két db 100Ohm/1W ellenállást, amit a fejhalgatóddal sorba kötsz.
Ezt kell a hangszórókimenetbe bekötni. Ha kell lerajzolom.
(#) Istike88 hozzászólása Máj 12, 2008 /
 
sziasztok!

Van valakinek kapcsolási rajza Orion Orister 1015-ös erősítőhöz?

Előre is köszönöm!
(#) sound.man válasza Istike88 hozzászólására (») Máj 12, 2008 /
 
Bővebben: Link Hát nem kellett messzire menni érte
(#) Istike88 válasza sound.man hozzászólására (») Máj 12, 2008 /
 
köszi szépen! csak én lehetek ennyire sötét
pedig mintha már egyszer kerestem volna itt és nem találtam
(#) Macsek71 válasza szamóca hozzászólására (») Máj 12, 2008 /
 
Köszi ! De az idők során a potik felirata a múlt ködébe veszett...


A 100Ohm/1W ellenállat általános méret, vagy teljesítményfüggő ? kicsi erőlködő, áramfelvétele 12Von ~500mA
(#) szamóca válasza Macsek71 hozzászólására (») Máj 12, 2008 /
 
Akkor sincs veszve a dolog, mert ha kiforrasztott állapotban rámérsz a potiknál a két végpontra DMM-el ,akkor megvan az érték. Hangerő poti karakterisztika álltalában B (log) hangszin pedig A (lin).De ha középre állítod a csuszkát, és rámérsz, akkor a pályaérték fele lin., ha kevesebb akkor log. van dolgod
Igen, függ a kimeneti teljesítménytől, de mivel irtad hogy miből van készítve, ezért elég az 1W-os.
(#) Macsek71 válasza szamóca hozzászólására (») Máj 12, 2008 /
 
Köszi !

A régi technika újra "dübörögni" fog !
(#) szamóca válasza Macsek71 hozzászólására (») Máj 12, 2008 /
 
Jeee... :smoke: !
(#) Mayan hozzászólása Máj 14, 2008 /
 
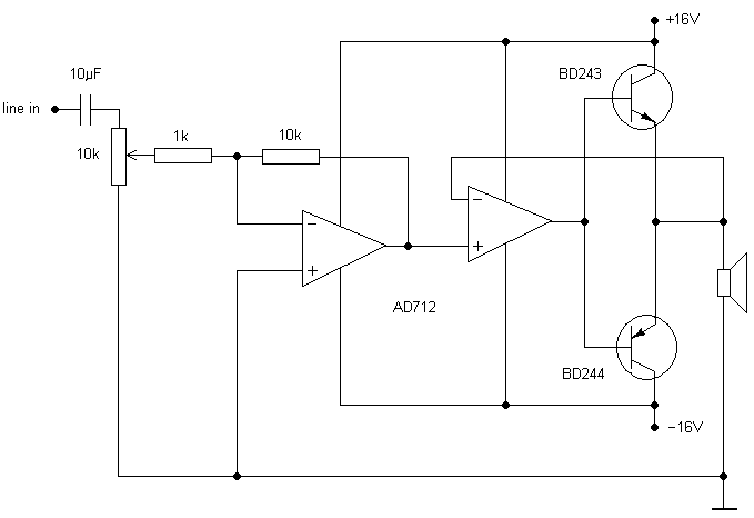
Na gondolom így már minden szempontból rendben van. Ezt még nem építettem meg, viszont a meglévő verzióban kicseréltem a TL082-t AD712-re és kicsit még szebb lett a hangja.

shaman3.png
    
(#) Mayan válasza Mayan hozzászólására (») Máj 14, 2008 /
 
Vagy talán jobb a kondit áttenni a poti mögé, valahol olvastam olyat hogy a poti csúszókontaktusának zaját eliminálja ilymódon...

shaman3.png
    
(#) szilva válasza (Felhasználó 13571) hozzászólására (») Máj 14, 2008 /
 
Ezt nem igazán értem, mi az oka?

Én úgy gondolnám, hogy "csúszkahang" akkor van, ha a potin egyenáram van jelen, ez a műsorforrás esetleg leválasztatlan kimenetéről kerülhetne oda, de ha közvetlenüly a bemeneten van kondi, akkor azzal ezt leválasztjuk. Ha a csúszka után van a kondi, az egyenáramú potenciálváltozás ugyanúgy átkerül az erősítő bemenetére a poti tekerésekor - elég nagy kondi esetén "leng" a hangszóró. Tényleg érdekel, miért jó a csúszka után a kondi!
(#) szidom hozzászólása Máj 14, 2008 /
 
Sziasztok!

Csináltam egy erősítőt tda 7265-ből adatlapja szerint, az a gondom hogy a kimeneten stand-by módban 3.3V egyenfesz van kb. 2uA!!

Okoz ez gondot vagy ez természetes?
Ha hiba akkor szerintetek merre keressem az okát?

Előre is köszi!
(#) sebestyen_ferenc válasza szidom hozzászólására (») Máj 14, 2008 /
 
ha jol gondolom a kimenet a hangszoróra megy. A mérésed szerintem a hangszoró és a végfok kimentele közben teted az amperméröt, akkor ez a kisáram nem jelenthet problémát a hangszorodnak sem a végfoknak.
(#) szidom válasza sebestyen_ferenc hozzászólására (») Máj 14, 2008 /
 
Igen! Ampermérő sorbakötve a hangszóróval, feszmérő párhuzamosan.
Köszönöm a gyors választ!
(#) yello hozzászólása Máj 15, 2008 /
 
Hello!
A napokban került a kezembe egy be nem fejezett végfok panel. Kis keresgetés után megtaláltam az építési leírást. Gondolom sokan ismerik és sokaknak a könyökén jön ki az egész, de kéne egy kis segítség. Elöször is BD pár helyett TIP 35-36 osakat tettem bele mondván a kis eltérés miatt, meg csak ez van ithon, és az lenne a kérdés hogy ez jó e bele?? A másik hogy ez egyáltalán indult e el valakinek??? A harmadik pedig hogy a mellékelt képen van bejelölve egy ellenllás de a beültetési és a kapcsolási rajzon nem ugyan az, most melyik értékűt tegyem be??
A válaszokat előre is köszönöm!!
(#) szabi83 válasza (Felhasználó 13571) hozzászólására (») Máj 15, 2008 /
 
válaszolva a kérdésre

Idézet:
„BD pár helyett TIP 35-36 osakat tettem bele..... és az lenne a kérdés hogy ez jó e bele??”


igen, jó bele a TIP.
(#) Peti_85 válasza yello hozzászólására (») Máj 16, 2008 /
 
Szia!
Én most néztem az enyémen - ami szintén kitűnően működik - hogy nekem 82-es van benne ha jól olvastam a kódot meg kb. annyit is mértem, scak már merül az elem a multiban...
(#) Müszi válasza Mayan hozzászólására (») Máj 16, 2008 /
 
Szimpla tápra át tudnád alakítani? A kapcsolás annyira primitív, hogy muszály kiprószálni
(#) yello válasza Peti_85 hozzászólására (») Máj 16, 2008 /
 
Hello!
Köszönöm a segítséget!!
(#) Imi65 válasza Müszi hozzászólására (») Máj 17, 2008 /
 
Müszi, a Shamant Te is át tudod alakítani egytelepesre. A hangszóró elé csatolókondi (2200-4700 mikró), a -16V-os pont a test, az első IC + bemenete a test, és +táp közé tett osztó ( pl. 2X10k, azért, hogy itt is féltelep legyen), és egy 10 mikróval hidegítheted ezt a pontot testre.

Shaman4.JPG
    
(#) lamalas válasza Imi65 hozzászólására (») Máj 17, 2008 /
 
Udv Imi65,

Elso ranezesre en a bemeneti 10µF-ot forditott polaritassal tennem be, hisz az invertalo bemeneten is kozel feltapfesz jelenik meg, tehat arra kellene hogy nezzen az elko pozitiv vege. A masik vege pedig inkabb marad foldpotencialon (egyenaramulag) hisz az a poti csuszkajara lesz kotve. Szolj ha tevedek, mert csak vegigfutottam a sok-sok hozzaszolason amit az elmult nehany napban nem volt alkalmam elolvasni.
(#) Imi65 válasza lamalas hozzászólására (») Máj 17, 2008 /
 
Igen, abszolút igazad van, tényleg fordítva kell. Köszi a kiigazítást. Így a helyes.

Shaman4.JPG
    
(#) Ricsi89 hozzászólása Máj 17, 2008 /
 
Helló mindenkinek!
Van egy kis problémám az erősítőmmel. Múltkor szétszedtem, mert kicsit torz volt a hangja. Beállítottam a nyugalmi áramot és a kimeneti nullfeszültséget. Vagyis csak állítottam volna, mert amikor a kimeneti feszültséget állítottam egyszercsak elszállt az egész. Biztosítékot kilőtte és a végtranzisztorok zárlatba mentek át. Vettem bele két tranzisztort, meg kicseréltem az összes többit is. Ezután próba, tökéletesen működött, majd egy fél óra múlva megint elszálltak a tranyók. Nem is melegedett a borda, meg nem is volt hajtva. Megnéztem mégegyszer mindent és minden jó volt. Aztán találtam két fetet és gondoltam belerakom, hátha jó lesz. Beleraktam, egy kis állítás a nyugalmi áramon és jobban szólt mint a tranyóval. Na ennek megörültem, hogy nem kell megint költenem rá. Ment ez is egy órát, nem is melegedett nagyon. Mondom ennyi elég is lesz, majd később összerakom. Később kimentem, bekapcsoltam és a bekapcsolás pillanatában bizti ki, fetek zárlatba. Na ez nekem már sok volt egy napra. Mi a fene lehet vele, hogy sorra vágja kifelé a végeket?
Kapcsolási rajz mellékelve.
(#) hapro válasza Ricsi89 hozzászólására (») Máj 17, 2008 /
 
Szerintem a meghajtó tranyók valamelyike huncutkodik veled.. én azokat cserélném alapból, ha ilyen problémával találkozok. Esetleg még a T5 és a T6-ot is cserélném hogy minden tiszta legyen.

üdv.:

Zoli
(#) Ricsi89 válasza hapro hozzászólására (») Máj 17, 2008 /
 
Helló
Ki volt cserélve az összes tranyó és azután is elszállt. Lemértem az összes ellenállást és azok is jók.
(#) sound.man válasza Ricsi89 hozzászólására (») Máj 17, 2008 /
 
R24, R25-öt sztem cseréld ki. Azokat kicserélted?
(#) proli007 válasza Ricsi89 hozzászólására (») Máj 17, 2008 /
 
Hello!

Hangszóró, mit szólt hozzá? leghamarabb úgy megy ki a végfok, ha a végtranyók összenyitnak.

Esetleg P2 kontakthibája, vagy D3-D4 dióda körében forrasztási hiba-szakadás.

Vagy gerjedés van valahol, és azért nyitnak be a tranyók. (Mert nyitni hamarabb tudnak, mint zárni.)

üdv! proli007
Következő: »»   143 / 2566
Bejelentkezés

Belépés

Hirdetés
XDT.hu
Az oldalon sütiket használunk a helyes működéshez. Bővebb információt az adatvédelmi szabályzatban olvashatsz. Megértettem