Fórum témák
» Több friss téma |
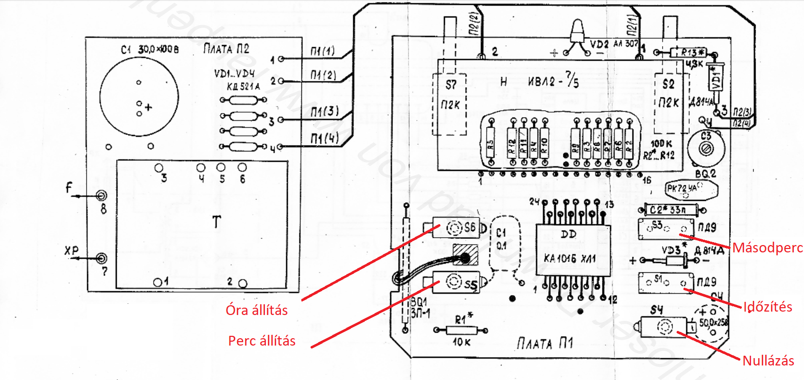
Ezek a gombok vannak.
Mert 10-ből 9-nek ez az elsődleges baja, persze, ha van bennük életjel!!
Sajnos ezek a szovjet kondik 40-év alatt álltalában kiszáradnak, és oda a kapacitásuk! https://www.youtube.com/watch?v=9rylOU9bW0E
Az az első, hogy megnézed a tápfeszt nem? Ha az rendben van, akkor szinte biztos, hogy nem kondi (elkó) a többi meg nem szokott kiszáradni.
Üdv!
Elektronoika g9.02 Mi okozza azt a hibát, hogy az óra pontosan működik, de az óra része mindig 10-ig számol és a 10 órás rész pedig mindig 0-án áll? Hol keressem a hibát? Köszönöm.
A jelölt részt nézd meg. Amikor az óra 1-es helyiértéke 0-ra ér, a K176IE4-ből kijön-e impulzus, illetve a következő K176IE3 biztosan megkapja-e? Forrasztási hiba, vagy valamelyik IC rossz, más nem lehet. Ha nem forrasztási hiba, akkor a vezetősávot elvágva ki lehet deríteni, melyik IC a hibás.
Köszönöm a választ.
A testhez képest mérjem ezt a pontot, és sima műszer elegendő hozzá?
Testhez igen. Sima műszer is jó, bár a lassúsága miatt nem fogsz pillanatnyi értékeket jól látni gyorsabb lefutású változásoknál. LED+előtétellenállás is hasznos, egyik fele földre, a másik a vizsgálandó részre megy. A LED felvillanásaiból is jókat lehet következtetni.
A következő történik. A 4:59 után 5:00 nál megjelenik a 8.3V a jelzett 2- 4 IC lábakon. Ezután az órát léptetve 6- 7- 8- 9 majd a 0-nál vissza ál 0V-ra. Ezt csinálja nullázás után is az 5 óránál átvált 8.3V-ra.
Az IC 3-as lábánál is megmértem a feszültséget. Itt viszont 4:00-nál vállt 8.3V-ra és 9:00-nál áll vissza 0V-ra.
Akkor a K176IE4 rendben van, így kell működnie. (Jobban utánanéztem, ezek az IC-k a 4-es lábon kapott lefelé élre billentik tovább a számlálót.) A K176IE4 3-as lába 4 kijelzésnél lesz magas. Ennek akkor van jelentősége, amikor a következő K176IE3 3-as lába 2-es kijelzésnél magas. Ekkor 24-óra van, és ez nullázza az órákat. Adatlapok: K176IE4 adatlap; K176IE3 adatlap.
Úgy tűnik, hogy a K173IE3-as nem veszi az átvitelt sajnos, az a rossz. Ezért nem számol neked 0-ról tovább. A hozzászólás módosítva: Feb 12, 2019
A K176IE3 2 és 3-as lábán, léptetés alatt, folyamatosan 8V-ot mérek.
Köszönöm a segítséget, megpróbálom beszerezni ezt a IC-t.
Egy kicsit furcsa nekem, valóban jól mértél? A 3-as lábon ha valóban 8V-ot van, akkor viszont amikor az óra 1-es helyiértéke eléri a 4-est, a K176LA9 már nullázná is újra mindkét baloldali csövet... de a helyzet nem ez.
És biztos, hogy nem a K176LA9 tartja 0-án az óra tizes helyiértéket, mert akkor az óra 1-es helyiérték is 0-án lenne folyamatosan. (A K176IE3 2-es lábán rendben van, hogy 8V-ot mérsz: Az óra 10-es helyiértéke úgyis csak 0,1 és 2 lehetne, ekkor ott 8V van. Most meg el se mozdul 0-ról ugye. De amúgysincs kötve ez a láb itt sehova.) Mindenesetre a K176IE3 a hunyó az eddigiek alapján még mindig.
És mi lenne akkor ha a K176IE3 3-as és a K176LA9 4-es lába közötti kapcsolatot megszüntetném?
Sajnos a 10-órás csövön csak az 1-es kijezés látható nullázás után is, ezt elfelejtettem megírni! Most próbálom a tranzisztor cseréket.
Vaktában ne cserélj tanzisztorokat, semmi értelme. A tranzisztorok csak a kijelzésben vesznek részt, az óra logikai működésében nem. Azaz ha a léptetést nézve-számolva 24 óra után nem lesz megint 0 óra, az semmiképpen nem tranzisztor hiba.
Most akkor az óra 10-es helyiértéken mikor lett 1-es 0 helyett?... Eddig az volt a probéma, hogy mindig 0-át mutat. Egyébként, ha az óra 1-es cső nullázódik a nullázással, de az óra 10-es nem, akkor is az jön ki, hogy a K176IE3 rossz. A hozzászólás módosítva: Feb 13, 2019
Akkor egyértelmű, a K176IE3 IC-t cserélnem kell!
Köszönöm a segítséget!
Sikerült venni CD 4017-es IC-t, de pontosan melyik lába lehet a K176IE3-as 6-os és 3-as lába?
Nem szeretném félre kötni, ha igaz akkor a 12, és a 13-as lábak közül valamelyik, vagy tévedek? CD 4017 K176IE3 8=test 7 16=pozitív 14 15=Törlés 5 14=Órajel be 4 13=? ? 12=? ?
Lehet valamit rosszul gondolok, a te órád 7 szegmenses, az említett ic meg egy léptető számláló, szerintem sehogy nem illik össze a kettő. Neked valami számláló+ hétszegmens dekóder kombót kellene létrehozni.Ez minimum két hagyományos IC összeépítése. Vagy a 4017 kimeneteit összediódázni a kijelzőhöz.
Bárhol is láttad, hogy a K176IE3 helyett jó a CD4017, az nem igaz. Korábban is kiveséztük ezt már itt. A 2 IC-nek semmi köze egymáshoz. Egy az egyben megfelelője nem létezik.
Jelen esetben a CD4026-ot lehet talán beleügyeskedni, de alighanem kelleni fog hozzá talán 2db CD4069 invertáló IC is. Némi adatlap áttanulmányozás mindenképp kell hozzá.
De eszembe jutott egy másik egyszerűbb megoldás is, ami működhet:
A rossz IC helyére át kéne rakni az osztólánc legelső K176IE3-ját. Mivel annak a feladata nem kijelzés, hanem csak osztás, ezt a funkciót ki lehet váltani egy CD4017-el és egy diódával. (és ha tökéletesre szeretnénk, akkor kell bele egy CD4069 harmada: öszvissz 2db invertáló kapu kell belőle) Ehhez persze az kell, hogy azt az átrakandó IC-t egyben, működőképesen és a nyák sérülése nélkül ki tudd forrasztani.
Ez az a kapcsolási rajz.
Ezek szerint valaki bele írta a helyettesítő IC-ket! Köszönöm az infókat!
Igen-igen... és később ki is töröltük belőle, pont amiatt, mert nem jó. Egyik sem. Majd szólj, melyik megoldás mellett döntöttél, és úgy tudok tovább segíteni, ha kell.
Köszönöm a választ!
Azt gondoltam, hogy egyszerűbb a probléma javítása. De sajnos nem. Majd jelentkezem!
Még egy probléma lépett fel.
A perckijelzőcső bal felső szegmense hideg állapotban nem világít, majd egy perc mulva világítani kezd, de érdekes módon a 7-es kijelzésénél viszont nem világít. Ezek szerint a K176IE4-es IC is rossz!
Üdv.
Nekem egy egy Elektronika 13-asom van és olyan gond van vele,hogy az egyik szegmens folyamatosan világít,nagyjából az éjszakai mód fényerején,nagy a baj??? Azért kérdezem mert egyáltalán nem értek hozzá de nagyon tetszik,és ez nagyon zavaró. Köszönöm szépen a válaszokat előre is.
Ez a szegmenshez tartozó tranzisztor hibája is lehet akár, de az IC is. Mérni kéne...
Szia! Ennek ugyanaz a belseje, mint a fentebb tárgyalt órának. Ki kéne zárni a csőhibát. Ez egyszerű: felcserélsz kettőt, ha a hiba költözött a csővel, akkor cső. Ha nem, akkor a szegmensvezérlő tranzisztor, vagy a csőhöz tartozó IC is lehet akár.
A tranzisztort kivettem, és akkor soha sem világít ez a szegmens, mivel nem kap vezérlést. Másik bemért jó tranzisztorral megint világít a szegmens. A K176IE4-es IC 8-as lábán mindig 8V van!
Akkor sajnos mégegy IC hibád van. Nem tudom mennyit akarsz vele foglalkozni, de ez az IC kicserélhető az osztólánc első ugyanilyen IC-jével, ott kijeleznie semmit nem kell, csak számolni.
A hozzászólás módosítva: Feb 23, 2019
Milyen módszerrel lehet az IC-ket kiforrasztani, úgy hogy a nyák is sértetlen maradjon?
|
Bejelentkezés
Hirdetés |














