Fórum témák
» Több friss téma |
Mielőtt kérdezel, a következő két dolgot ellenőrizd!
I. A helyes tápfeszültségek megléte.
II. A kimeneten van-e egyenfeszültség.
Élesztés.
Helyzetjelentés: 1 step up is cserélve lett, az szórta meg a rendszert Ugyanattól az eladótól lett véve, mint az előzőek, és mégis. Párban cserélve javult a helyzet, de nem olyan, mint a régebbiekkel volt, veszek majd jobb minőségűeket.
Nincs semmi sajnos. Elazott minden es a kisfiam szorakozott vele ameg hazaertem. Igen sa-pt150es... Kezdo vagyok de egy rajzot le tudok olvasni es osszerakni es az alkatreszeket is ismerem nagyjabol...
Sziasztok!
Anno elkezdtem egy Crown XS 1200-as végfok javítását. Abban maradtunk, hogy cseréljem ki a bipoláris 100µF-os kondenzátorokat, mivel 6-7szer nagyobb értéket mértem rajtuk. Ez a mai nap megtörtént, de nincs változás. Készítettem egy videót, amin látszik, hogy a 2-es csatorna clip led-je később alszik el. Ezért letilt a végfok. Van ötletetek, hogy hol lehet a gond?
Nem én leszek ebben a megoldás, de megjegyezném, hogy egy 15 éves készülékben a javítást én a Jamicon kondik cseréjével kezdeném, pláne, ha a wattokat is nézem.
Szia! Nézz körbe a védelmi ic környékén. Ott a rajz alapján nézd meg megkapja e a stabil +15v ot (Ha már ott jársz van ott 2 darab igbt ami ebben is szerepet játszik. Első körben, aztán mehetsz az smps trafó felé. Nekem ugyanez a hiba volt az xs 700 al... Bár ott az smps is zárlatba ment és oldott a védelmi ic. Ott le kellett számolni a meneteket annál a trafónál ami le van egy fémfedéllel zárva.
IGBT legyen az első! Ha van egymás mellett több azokat is! A hozzászólás módosítva: Feb 19, 2019
Szia! Szerintem nem a védelem hülye, hanem a végfokozat hibás. Mérj egyenfeszültséget a kimeneten, ha van rajta relé akkor előtte. Sok crown erősítőbe sima clip helyett, egy input/output comparator van, hasonló ehez: Bővebben: Link
Négy darab 10 ohmos ellenállást rakjak, minden tápágba? Mekkora teljesítményű legyen, mekkora nyugalmi áram lenne ideális ennek az erősítőnek?
Szia első körben végig nézném a kondenzátor okat. Nem csak az ekkora gondolok. Keramiákat is. Ha ott nincs gond nézd meg skoppal a műveleti ic kimeneti lábán nincs e torzulás, vagy egyén feszültség.
Szia!
Ha lehúzom a kimeneti kábelt a panelről, bekapcsolom az erősítőt, majd ezután teszem vissza a kábelt akkor nem tilt le és szól a végfok. Ezért gondolok, hogy a bekapcsolási tranziens nyúlik meg.
Az ellenállások legyenek fél wattosak.
Ennél a topológiánál nem szokott nyitva lenni nullátmenetnél a végtranzisztor, a meghajtó tranyó emitter-ellenállásán folyó 30 mA talán elég, talán nem a keresztezési torzítás kordában tartására. Állítsd be fülre!
Primerben halványan világít az izzó a táp bemeneti szűrése miatt, miután behúz a táp lágyindítása elkezd az izzó picit erősebben világítani.
Indításkor a javított végerősítő csatorna pcb-jén mindkét csatorna Fault ledje égve marad. A javított pcb-n mind a két csatorna kimenetén kb +6.8 mV van, tizedesnyit ugrál. Tranzisztor zárlat nincs, a javított oldalba csatlakozó ventilátorok nem forognak. Igazábol a QSC erősítőben más tranzisztorok vannak mint ebben, a végtranzisztor emitter ellenállásán nem lehet feszültséget mérni a nyugalmi áram ellenőrzéséhez? A hozzászólás módosítva: Feb 19, 2019
A végtranzisztor meghajtójának emitter-ellenállásán mérj feszültséget!
A feszültség ekkora szokott lenni hasonló topológiánál. Az ellenállás értéke nagyobb mint amivel eddig találkoztam, de ettől még elfogadhatóan működhet.
Szia Izzóval nekem se indult el a ventilátor a tsa ba. Mekkora az az izzó ?
Szia! A végfokot ezek után nyugodtan kipipálhatjuk. A bementi fokozatban folytatódjon a hibakeresés!
Szia.
Melyik műveleti erősítőt nézzem meg?
A javított oldallal van valami gubanc, 1.1mV van a pre-driver emitter ellenálláson akárhova tekerem... Egyik tranzisztort sem találom zárlatosnak, azonnal kiveszem nézek szakadást vagy ilyesmi.
Az aktív némítás miatt nem folyik áram azon az ellenálláson. Most nem tudom megnézni a rajzot, hogy pontosabb útbaigazítást adjak.
Van amikor beindul, pl ha egymás után ráadom a 230V-ot úgy, hogy a puffer nem merűl ki, de egy idő után vissza letilt.
Sziasztok!
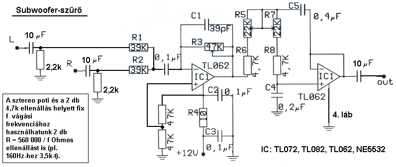
Meg lehetne oldani, hogy ez a mély szűrő (és elméletileg előerősítő) ne 20 és 200 Hz között vágjon, hanem emelni a frekit kb 100-500-ig? A freki szabályzó potija csak a maxon ad ki hangot. Köszönöm! SFT B200
Érdekes lehet milyen módon vizsgáltad/ellenőrizted a "csak a maxon ad ki hangot" tényt. Pusztán feltételezve egy meghallgatásos tesztet, nem zárható ki a rendszer többi elemének az anomáliája. Pl. a hangforrás már eleve nem ad ki kellően mély hangokat, vagy a hangsugárzó eleve nem képes ennek a tartománynak a megjelenítésére. Mindkettő magyarázná az észlelt hatást.
Szintén csak feltételezés alapján ez egy kimondottan SUB-szűrő, kimondottan erre a tartományra hangolt SUB-hangsugárzó végfokozatának táplálásához. A frekvencia emelésével az alapfunkciót veszítenéd el.
Köszönöm.
Akkor, mint előerősítő felejtős?
Akkor ahogy Reloop is írta a bemenetnél kell keresni a hibát. Azért írom ezt mert a végfok ilyenkor is indulna csak kiáll hibára és nem húz meg a védelmi relék egy része sem.
Sziasztok!
Adott egy 2x100W végfok erősítő, szeretnék beletenni ventilátor hűtést, azonban bárhová kötöm a hangszín ill. védelem tápjára a 12V DC ventilátort belehallatszik a hangba, mármint a hangszóróba. Próbáltam közvetlen táp résznél is, ahol van 100nF és elkó szűrés is, valamint más egységnél pl. kijelző. Van valami ötlet erre? A trafón van még egy üres szekunderem, csak ha nem muszály nem szeretnék még egy táppanelt az amúgy is zsúfolt dobozba. Köszi. A hozzászólás módosítva: Feb 21, 2019
Pedig érdemes. Nem kell elbonyolítani, akár egyutas egyenirányítás, egy párszor 10 Ohm ellenállás, meg egy 470-1000µF elkó. Ezek a ventik nem valók az előfok tápjára.
Értem. Az a baj a szekunderem 15V AC, ami sok lesz egyenirányítva a 12V DC ventilátornak, akkor megint kell zener, vagy stab. ic, megint egy panel.
Akkor nincs más módja ez van.Ez amúgy végfok csak van benne hangszínszabályzó, mert nekem kellett , előerősítőként, és bemenetválasztóként egy kis keverő funkcionál. A hozzászólás módosítva: Feb 21, 2019
|
Bejelentkezés
Hirdetés |







Akkor nincs más módja ez van.




