Fórum témák
» Több friss téma |
- Ez a felület kizárólag, az elektronikában kezdők kérdéseinek van fenntartva és nem elfelejtve, hogy hobbielektronika a fórumunk!
- Ami tehát azt jelenti, hogy a nagymama bevásárlását nem itt beszéljük meg, ill. ez nem üzenőfal! - Kerülendő az olyan kérdés, amit egy másik meglévő (több mint 17000 van), témában kellene kitárgyalni! - És végül büntetés terhe mellett kerülendő az MSN és egyéb szleng, a magyar helyesírás mellőzése, beleértve a mondateleji nagybetűket is!
Nagyon jó vagy, köszönöm még egyszer.
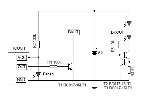
![]() Az előbb kipróbáltam sima tranzisztorokkal, nem smd-vel. Illetve megmértem még egyszer a GND-t a multiméteren, biztos ami biztos. 3V a telep negatív pólusához képest a GND. A rajzod szerint próbálva tökéletesen működik. Ahogy írtad, T1, R1 és R4 ellenállásokat lehagytam, R2-re a BKOUT ment közvetlenül. Az R3 helyére viszont 68 Ohm-os ellenállást tudok tenni, vagy 47-et, mert smd-ben azok az értékek vannak itthon. Megnézem, melyikkel jobb a fényerő, illetve az áramfelvételüket is. Ha nem baj, akkor a végleges rajzról az elkészítés előtt teszek fel képet ide, hátha van benne még valami javítani való. Illetve ha elkészül, akkor a multiméteres topicba is, netalántán valaki más is szeretné megcsinálni, akkor hasznos lehet.
Miért lenne baj? Tégy belátásod szerint!..
Sziasztok.Egy kis segítségre lenne szükségem a következő dologban:
Van egy ilyen step up konvertorom.Napelemet használva ezzel a konverterrel ,hogy ebike aksit töltsek vele,a következő történik:Beállítom az aksinak megfelelő 42V töltőfeszültséget de amikor az áramot szabályozó CC "potenciométert" tekerem fel, addig amig eléri a 1,5 A-t nincs baj, de ha fennebb tekerem hirtelen visszaesik 0,4 A-re.Ekkor vissza kell tekerjem ismét a kezdeti állapotba és kezdhetem előlről.Ha a nap nem süt annyira, akkor már hamarabb megtörténik ez a dolog, akár már 0,9 A környékén visszaesik az áram.Mi lehet a gond?Én úgy gondoltam, hogy feltekerem az áramot maximumra és ha nincs elég napsütés akkor legfennebb kevesebb árammal tölti az aksit,majd ha jobb a napsütés, akkor az áram majd emelkedni fog.A napelem panel 16V-os,max 6A-os, 100W-os. A hozzászólás módosítva: Máj 24, 2019
Sziasztok!
3,6..4,2 V-os stabil tápfeszültséget kellene előállítanom bluetooth audio modul (tehát nagyfrekvenciás, órajelet is használó digitális eszköz) részére. Jelenleg LM317 IC (47u+100n szűréssel mindkét oldalon) a megoldásom, de - bár multiméterrel nem látok változást a kimeneten, - a bemenő feszültségtől függ (9 és 11 V közt, nem kéne jelentős legyen), hogy működik-e a vevő, vagy elkezd ilyen "merülő" akku pittyegést csinálni. Nem nagyon tudok másra gondolni, mint hogy nem elég stabil a tápfeszültsége.. Esetleg a klasszikus zener dióda + tranzisztor stabilizátor jobb lehet ilyen téren? Azzal ugyebár a referenciát nem terhelné semmi kapcsolóüzemű dolog.. A hozzászólás módosítva: Máj 24, 2019
Ha nem süt a nap, kevés a napelem árama. Ezért hervad le a töltő.
Értem.De nem úgy lenne a helyes, hogy amikor jól süt a nap, akkor az áram is visszamásszon a beállított pozició szerint?De ehhez én vissza kell tekerjem potmétert és újból feltekerjem.
Másik.Még az is furcsa, hogy az egyik hütőborda nagyon forró tud lenni, a másik meg ugyanakkor jéghideg.
Mekkora az osztó (R1 és R2) értékei, ami az ADJUST lábra megy?
Ez egy régi fejlesztési maradék panelem, potméterrel állítható a kimeneti feszültsége. Színkód és beforrasztva mérés alapján R1=240 ohm, R2 pedig egy 2k5-ös trimmer.
Neked MPPT-s step-up kell, nem sima step-up! Olvass utána: mppt.
A hozzászólás módosítva: Máj 24, 2019
Egyrészt a stabIC elé nem 47 µF kell, hanem minimum 1000. Másrészt jó lenne tudni, hogy mekkora áramot kíván a kütyüd.
Egy stabIC 100-szor jobb megoldás egy sima zéner-tranzisztor-nál. Amikor merülő akku jelzést ad, akkor mekkora a feszültség rajta? Nem lehet, hogy eleve túl keveset adsz neki?
Sziasztok,
TTL óra oszcillátorába egy termetes méretű 1MHz-es vákuum quartzot tennék és a 2-3cm-es drótlábait nem szeretném lerövidíteni mert így be tudom tenni fektetve (a látvány miatt). A kérdésem az volna hogy meggyűlik vele majd a bajom vagy az egymáslól 1cm-re lévő lábaknál ezen a frekvencián ez elmegy? köszönöm.
Semmi probléma ebből 1MHz nem probléma lehetnek ekkora lábak akár 1mm-re is egymástól. Tehát jó lesz ahogy írtad.
OK.Tudnál ajánlani ilyen MPPT-t, amely jó a 36V-os aksi töltéséhez ? Köszi.
Megrajzoltam a kapcsolási rajzot a javaslataid alapján.
Illetve ebben az általam használt TTP223-as touch szenzor került bele, de kicsit béna módon, mert a rajzprogramban nem valáltam egyáltalán touch szenzort, így egy sima csatlakozóval helyettesítettem. Ebben a lábak számzását nem szabad nézni, mert akkor megtévesztő lehet, de a bekötés jó. Így már remélem működni is fog. A hétvégén megcsinálom.
Alternatív javaslatként ajánlották az ellenállás huzalt kisebb ellenállású de esetleg nagyobb teljesítmény megtekerésére. 760mA-hez mekkora huzal vastagság ajánlott?
Na, megint eltévedtem..
Ezek szerint a szenzorral szeretnéd vezérelni a műszer IC-t, ami aztán vezérli a Led-eket. De ha jól értem, erre azért van szükség, hogy az IC majd időre kikapcsolja a világítást, ha úgy maradna. De hogy minek ide egy Touch szenzor, azt nem igazán látom át. Valamint megint ott van az opto csatoló, teljesen feleslegesen. Hiszen ha egy sima tranyót teszel a szenzor kimenetére ugyan ezt teszi. És az nem fogyaszt feleslegesen. Nem beszélve az AMS nyugalmi áramáról, ami 5mA. Az fele a Led áramának! Ha Touch panellel bekapcsolod a világítást, a műszer meg kikapcsolja a Led-eket, akkor folyik a stabi árama és az opto árma. Mintha ki sem kapcsoltál volna semmit..
Ellenállás anyagtól függő. Mid van? Annak a táblázatból kinézed a terhelhetőségét. Természetesen max 30-40 C°-ra (mivel nem fűtőtestet csinálsz).
A FeCrAl ellenállás huzalok bírják a kültéri viszonyokat?
Gyakorlatilag ehhez semmi mivel csak derótom van. De amire kell arra nem alkalmas. Láttam a conradba változó értékűt viszont még nem tartok ott hogy komplett tekercset vegyek.
Ez a rajz viszont megkavart mert a negyedes ellenállásba tudtommal nincs ferde vonal.
A touch azért van benne, mert a műszer vezérlése a háttérvilágítással kapcsolatban két lábon megy. A vezérlés BKLIT láb lehúzása kapcsolja ki és be a világítás funkciót. A BKOUT meg magát a ledek kapcsolását a korábban kitárgyaltak szerint végzi. Fél perc inakivitás után lekapcsol és méréskor kapcsolja vissza a ledeket csak. Amíg a funkciót a BKLIT láb újboli lehúzásával nem tiltom le.
A touch azért került bele, mert ezt találtam a legjobb megoldásnak, mivel fizikai kapcsolót nem szerettem volna a házba építeni, mert nem nagyon van olyan hely, ahol esztétikusan megoldható. Optót akkor helyettesítem egy BC817 tranzisztorral. Itt kellene tennem a touch kimenet és a tranzisztor bázisa közé egy ellenállást, de nem tudom, mekkora lenne az ideális. Illetve az AMS helyett van esetleg egy kevesebbet fogyasztó alternatíva? Vagy van valmi más javaslatod, amivel kevesebb fogyasztással ugyanezt a funkciót elérem?
A Touch panelnek oly kicsi a fogyasztása, hogy azt akár a telep negatív pontja és a GND pont közé is bekötheted. Ha a kimenetére nem tranyót, hanem egy Fet-et teszel, akkor az nem terheli a Touch kimenetét és le tudja húzni a BKLIT bemenetet. És már kész is vagy. De lehet hogy egy tranyóval is meg tudod oldani, ha a bázisába egy 100kohm-ot teszel. Mert várhatóan a BKLIT lehúzásához nem kell nagy áram.
Kipróbálom, amit írtál. Fetből valószínűleg nincs itthon smd méret. Akkor a végleges megoldásba milyet érdemes vennem?
Mindössze ennyit kell tenni. A baloldali Led nem világítás céljából van, hanem stabilizálja a 2..3V tápfeszültséget a Touch panel számára.
Ezt elég jól leegyszerűsíteted nekem. Köszönöm!
Milyen programban rajzolod a kapcsolási rajzokat?
Nos, talán a leírásom nem volt elég pontos. A modul egy (elemről 9V-os) rádiós magnóba kerülne, amiben már van egy 2200 µF-os tápszűrő elkó, az egyenirányító kimenetén. Ezért csak kicsi kondenzátort tettem a stabilizátor bemenetre. A BT áramfelvétele amúgy 50-70 mA.
Multiméterrel mérve a világon semmi nem változik, stabilan tartja a 3,98 V-ot (a modul elvileg 3,6..4,2 között működik), csak az a gyanúm, hogy a digitális áramkör impulzusszerűen terhel, és a multival nem érzékelhető beesést okoz a táp kimenetén. A hozzászólás módosítva: Máj 25, 2019
A TINA egyszerű demó programjával szoktam ilyen kis áramkört rajzolni..
|
Bejelentkezés
Hirdetés |







Ha Touch panellel bekapcsolod a világítást, a műszer meg kikapcsolja a Led-eket, akkor folyik a stabi árama és az opto árma. Mintha ki sem kapcsoltál volna semmit.. 








