Fórum témák

» Több friss téma
Fórum » Muzeális készülékek-alkatrészek restaurálása
Lapozás: OK   516 / 588
(#) vidoferenc1029 válasza gkari hozzászólására (») Aug 22, 2019 / 1
 
Köszönöm! Rá fogok nézni alaposan.
Más: mitől lehet folyamatosan szétnyílva az EM84? Az 1-es rácsán - 1V DC van. Arra gondoltam, hogy az 50Hz-es búgás nyitja szét, ezért mértem AC-t is. Az 9V. Helyes a gondolatmenetem, hogy a brummot jelzi így ki?
Sajnos 50µF 350V-os elkóim nincsenek kéznél brummentesíteni. Az EM84 körében lehet valamit módosítani, hogy az 50Hz ne nyissa így ki (ha jól gondoltam persze, hogy az teszi)?
(#) Kera_Will válasza fgyj hozzászólására (») Aug 22, 2019 / 1
 
Furi ez a elvi rajz és a konstrukció.

Az ECH81 hexodája csinál részben RF erősítő/illesztő és önrezgő oszcillációt + keveris KF re.
Az EBF KF erősít és AM-et detektál. A legizgalmasabb az , hogy a ECH81 triódájából készült a hangfrekis előerősítő. Vissza zavarva hangerő szabályzó potin keresztül a hangfrekis demodulált jel az első RF fokozatba.Majd onnan eléri az EL84-et mint hangfrekis vég pentódát.

(persze nem reflex vevő , azzal csináltak hasonlót , de ott 1 aktív elem erősített 2 féle freki tartományt is rádió/hangfrekvenciát is )

Neem , itt egy "maradék" triódát fognak be erősíteni az RF környezetből.

Jó persze árnyékoltak a cső részek egymástól és "mindegy ki/mi" terelgeti a rácson keresztül jutó elektronokat is .

Ennek ellenére eléggé fura konstrukciós elvűnek tűnik így ez a rádió.
A hozzászólás módosítva: Aug 22, 2019
(#) granpa válasza vidoferenc1029 hozzászólására (») Aug 22, 2019 /
 
Próbára köthetsz sorba nagyobb kapacitású, kisebb feszültségűeket.
(#) mikrodigit válasza Kera_Will hozzászólására (») Aug 22, 2019 /
 
Bocs, csak a pontosság kedvéért: az ECH81 heptóda és nem hexoda.
Spóroltak.
(#) gkari válasza fgyj hozzászólására (») Aug 22, 2019 /
 
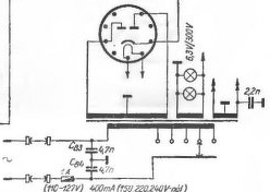
Na lássuk máshogy: a hálózati betáplálás két ágára kötve - másik kettő kivezetés közösen a testre, lásd pl. Pacsirta - reméljük, jó lesz a 20nF is, de kettő sokkal hatásosabb (nem csak a kétszeres kapacitás miatt). Akár még 47µF is mehet oda.
(#) gkari válasza vidoferenc1029 hozzászólására (») Aug 22, 2019 /
 
Az ernyő nyitott helyzetét a keresztmodulációs jel okozhatja, a hálózati brumm kevésbé. Próbáld gyengébb állomás jelével, vajon csökken - e? A szűrőt kisebbel is növelheted, vagy több db. - al.
Próbáld még a rácskondit cserélni.
(#) fgyj válasza gkari hozzászólására (») Aug 22, 2019 /
 
Az ilyen trafójú készülékek rajzán mindig azt látjuk, hogy a hálózat egyik ága közvetlenül kapcsolódik a testhez. Ez nem kötelező? Mindkét ág köthető kondin át a testre? (A példának említett Pacsirta transzformátora nem ilyen. És ezeknél 2 x 4,7 nF szokott lenni, nem µF nagyságrendű. Hogy van ez?)
(#) vidoferenc1029 válasza gkari hozzászólására (») Aug 23, 2019 /
 
A kijelzése a vétel jóságától (gyengébb v. erősebb jel) függetlenül változatlanul így áll. Az 1-es rácsot mindentől függetlenítve sincs változás. Melyik a szűrőkondi? A 100pF és/vagy a 47nF az ECH81 "alatt"?
(#) gkari válasza vidoferenc1029 hozzászólására (») Aug 23, 2019 /
 
Na, itt nem fogalmaztam szerencsésen: Először az EM rácskondijára (4,7n - az is szűrő), aztán az anódtáp szűrés bővítésére gondoltam. Pardon!
(#) fgyj válasza gkari hozzászólására (») Aug 24, 2019 /
 
Ne haragudj, de tovább kérdezek. Ha a hálózat mindkét ága csak kondin keresztül kapcsolódik a készülékhez (autotrafóhoz), az nem 115 V-ot eredményezne a testre? Szeretném érteni (mert érzem a segítő szándékodat), de nem jön össze öreg agyamban
(#) mikrodigit válasza fgyj hozzászólására (») Aug 24, 2019 /
 
Én úgy hagynám a trafó bekötését, ahogy gyárilag van. Ez évtizedekig elég jól működött így. (Arra érdemes odafigyelni, hogy lehetőleg ne a sasszira kerüljön a fázis, különösen méréskor. Egyébként meg senki nem fogdos fém részeket rajta.)
A keresztmodulációs problémát valószínűleg nem a készülék maga okozza, hanem a környezetében levő többi elektronikus kütyü. Egy egyszerű trafó + sziliciumdiódás egyenirányítós tápegység is okozhat ilyen zavart a KH sávban (keveri az erős adók jelét az 50 Hz-el, ezt veszi az antenna), ennek elkerülésére szoktak a táp diódákkal párhuzamosan tenni pár nF kondenzátorokat - vagy kispórolják. (Az EZ80-hoz ez felesleges.)
Ennek a rádiónak a tápfesz szűrését könnyen ellenőrizheted: teljesen letekert hangerőnél csend van-e a hangszóróban vagy búg? Ha csend van, én a trafó - szűrőkondik részt nem variálnám át, csak az elöregedett alkatrészeket cserélném.
(#) fgyj válasza mikrodigit hozzászólására (») Aug 24, 2019 /
 
Teljesen letekert hangerőnél csak nagyon kis búgás hallható (a tervezett kondicserék egy része még hátra van). A skála néma részeinél ez a búgás nem erősödik, még max. hangerőre állítva sem. Az erős adóknál lép be a másfajta, erős zúgás (erre nem is a búgás szót használnám).
Ami a kétkondis testelést illeti (gkari korábbi javaslata), szerintem az ilyen trafónál nem megy, hiszen a hálózat egyik vezetéke közvetlenül a testre van kötve (és úgy is kell lennie). Ezt a vezetéket mi értelme lenne kondin át is testelni (az a kondi rövidre lenne zárva)?
Köszönöm a tanácsokat.
(#) gkari válasza fgyj hozzászólására (») Aug 24, 2019 / 1
 
Nem a kondin keresztül kapcsolódik, hiszen akkor nem működne, hanem a második ugyanúgy kapcsolódik, mint az első az eredeti gyári rajzon ,csak a másik ágra kötve - talán így már egyértelmű. Ha a kondenzátorok hibátlanok, akkor még un. megosztással sem képződhet a sasszin veszélyes feszültség. Az anódtápfesz szűrésére csak egy lehetséges ötletet írtam, nem biztos, hogy szükséges.
A hozzászólás módosítva: Aug 24, 2019
(#) fgyj válasza gkari hozzászólására (») Aug 24, 2019 / 1
 
Korábban egyszer így akartad szemléltetni: "lásd pl. Pacsirta".
Lássuk akkor a két rádió trafóját! Sajnos, nem értem, hogyan egyeztethető a kettő. Konkrét rajz segítene.
Egyébként talán az alábbit akartad linkelni "eredeti gyári rajz"-ként.
(#) mikrodigit válasza fgyj hozzászólására (») Aug 24, 2019 / 1
 
A Pacsirta egy magasabb színvonalú készülék, aminek lemezjátszó (magnó?) csatlakozója is volt. Érintésvédelmi szempontból sem lehetett ennél az AR205-nél alkalmazott olcsóbb autotrafós megoldást alkalmazni, le kellett választani a hálózatról.
(#) fgyj válasza mikrodigit hozzászólására (») Aug 25, 2019 / 1
 
Csak melléktéma: autotrafós készüléknek is lehet biztonságos lemezjátszó-csatlakozója (egy kis leválasztó trafóval, mint a VT R545-ös rádiójában).

VT R545.jpg
    
(#) mikrodigit válasza fgyj hozzászólására (») Aug 25, 2019 / 2
 
Tényleg lehet, de nem hiszem, hogy ez nagyon elterjedt volna. (Én legalábbis a környezetemben anno nem találkoztam vele.)
(#) Gafly válasza mikrodigit hozzászólására (») Aug 25, 2019 / 2
 
Különös tekintettel arra, hogy, akkoriban "kristály" hangszedők voltak.
(#) mikrodigit válasza Gafly hozzászólására (») Aug 25, 2019 / 1
 
Igen, volt sok "kristály" is. De nekünk mágneses volt kis illesztő trafóval a lemezjátszóban - ilyen Suprafon lemezjátszónk volt, cserélhető fejjel a normál és a mikrobarázdás lemezekhez, egy AR602 rádióhoz csatlakozott. (60-as évek eleje.)
(#) BarnaPili hozzászólása Aug 25, 2019 / 1
 
Sziasztok!
Egy barátom jóvoltából szert tettem egy VT Dália (R926A) rádióra.Az ECL 82 gázos volt benne,azt kicserélve,biztosítékot cserélve ( a kapott állapotban egy 4mm-es átmérőjű aludarab volt benne),elindult a gép. De a hátsó antennabemenetek egyikéről se, hajéandó szólni.Ha csipesszel rányúlok az ECL82 triódarész rácsára,bejön a Kossuth,de meglehetősen zajos,sípol,csicsereg...
A rajzon bejelöltem,hogy hol is van ez.
Mit tudtok javasolni,hogy merre tovább?
István
Szerk: A tekercsek mérve nem szakadtak,a feszültségek közül a EB80F-en lévő 100V csak 67-68V.
A hozzászólás módosítva: Aug 25, 2019
(#) gkari válasza fgyj hozzászólására (») Aug 25, 2019 /
 
Nem hiszem, hogy nem voltam egyértelmű: a tárgyalt szűrőkomplexumnak (igen, a Pacsirtára hivatkoztam!) az a feladata, hogy a 230V-os hálózatból érkező zavarokat ne engedje a készülékbe, azaz teljesen mindegy, hogy mi van "utána". Az sem véletlen, hogy ez a komplexum is védett a mindkét ágban lévő biztosítékokkal.
(#) fgyj hozzászólása Aug 26, 2019 /
 
Kedves gkari, attól tartok, nem ugyanarról beszélünk. Én az AR 205-ös rádióval kapcsolatban kértem tanácsokat. A hozzászólásaidat szövegszerűen értem, de nem tudom a autotrafóra alkalmazni, amelyen a hálózat egyik ága fémesen a testre van kötve. (Egyébként a Pacsirta trafójának primér oldalán nincs mindkét ág biztosítékkel védve.)
Még nem jöttek meg az újabb alkatrészek, így nem derült ki, hogy elég-e az eredeti 20 nF-os kondi.
(#) tdi75 hozzászólása Aug 28, 2019 /
 
Sziasztok! Szerintetek egy Orion AR 302 hálózati trafója az anód tekercseinél le tud adni kb 0,2 ampert?
(#) pucuka válasza tdi75 hozzászólására (») Aug 28, 2019 /
 
Valószínűleg nem. Az eredeti helyén egy EZ80 követi, aminek a max árama 90 mA. Az össz fogyasztás 60 - 70 mA.
Nem volt szokás ennyire túlméretezni.
A hozzászólás módosítva: Aug 28, 2019
(#) tdi75 válasza pucuka hozzászólására (») Aug 29, 2019 /
 
Nagyom szépen köszönöm. Akkor lehet hogy tekernem kell majd azt is.
(#) fecameca válasza BarnaPili hozzászólására (») Aug 31, 2019 / 2
 
Szia. Nálam egy Orion 222-vel volt valami hasonló. Valamelyik rezgőkör elhangolódása (vagy valaki elhangolta) okozhatta a dolgot. Az antenna bemeneten levő KF szűrő gyönyörűen rá volt hangolva a Kossuth rádió frekvenciájára, éredkes módon minden jött rajta, csak a Kossuth nem. Itt is mivel más bűnös nem is lehet, az antenna kört, és a bemeneti KF szűrőt érdemes megnézni, akár valamelyik kondenzátor hibája, vagy a tekercselésbe belerágott valami, méhviasz kiszáradt, elhangolták, stb? Ajánlott a behangolást műszeresen ellenőrizni. A komoly műszernek nem nevezhető Gyuber szignálgenerátorom pontos frekvenciamérővel és oszcilloszkóppal kiegészítve, így együtt már megfelelt a feladatnak.
(#) vidoferenc1029 hozzászólása Aug 31, 2019 /
 
Sziasztok!
Szuperheterodin vevőnél RH sávban, huzalantennával ráállva bármilyen adóra periodikusan csökken-növekszik a hangerő. A folyamat nem csak hallható, a varázsszemen is megfigyelhető. Elhangolódik valószínűleg, mert a hangmagasság is változik.
Mi lehet az oka ennek vajon? HH, KH sávban ugyan ezzel az antennával (rézhuzal) nincs ilyen jelenség.
Melodia M10-0 egyébként.
(#) tiko77 válasza hobbyjani hozzászólására (») Aug 31, 2019 / 1
 
Szétszedtem a Körtinget, a hangszóró sajnos nincs túl jó állapotban, a hiányzó tekercseknek alul nyoma sincs. Sehol egy lógó vezeték vagy alkatrész kivezetés. A rajzot még nem tudtam átnézni, lehet hogy már átalakították???
(#) hobbyjani válasza tiko77 hozzászólására (») Aug 31, 2019 /
 
Nem tudom hány colos a hangszóró,a legjobb volna egy új membrán,én már cseréltem membránt egy régi 8 colos Telefunken hangszórónál,a donor egy kiéget 8 colos modern permanens mágneses hangszóró volt .Nálad menne a membrán megtakartása után egy új membrángyűrüt tenni én kaptam ilyent textilből de szerintem menne a gumi is
A hozzászólás módosítva: Aug 31, 2019
(#) hobbyjani válasza tiko77 hozzászólására (») Aug 31, 2019 /
 
Szerintem is át volt alakitva audionra,a kettős forgó is hiányzik
Következő: »»   516 / 588
Bejelentkezés

Belépés

Hirdetés
XDT.hu
Az oldalon sütiket használunk a helyes működéshez. Bővebb információt az adatvédelmi szabályzatban olvashatsz. Megértettem