Fórum témák
» Több friss téma |
Valszeg egy Realtek chip van benne mint "audio vezérlő eszköz". Ha hardveres a hiba akkor az áthúzott hangszóróra tolva az egeret a "nincs csatlakoztatott fejhallgató vagy hangszóró" hibaüzenetet kapsz, esetleg "nincs telepített hangeszköz". Ha kis szerencséd van akkor csak az audio jack csatlakozó bemenetválasztó kapcsolója szarakodik, azaz se fejhallgatóra se hangszóróra nem kapcsol át. De szerintem ez inkább Realtek audio chip csere, van belőle 1000 féle, gép szétszed, chip megkeres (vigyázz mert a Realtek gyárt pl SD manager meg USB vezérlő IC t is... adatlap checking...!! ) típus leír majd kicserél (ebay , aliexpress). Forrólevegős páka mert QFN tokozású 98% ban és a chip alsó felülete teliföld. Sima pákával lehetetlen leszedni alaplapi sérülés nélkül. Kapton szalag vagy hőterelő lemez használata előnyben hogy ne fújd le a környező 0402 / 0603 komponenseket és ne olvassz meg pl egy szalagkábel csatlakozót vagy kábelt... stb. Ha nem csináltál még ilyet akkor felejtsd el.
Sziasztok!
Van egy Lenovo laposom W10-el, SSD-t szeretnék belerakni, mindenképpen újra kell telepítenem a Win-t, vagy át lehet helyezni a rendszert máshogy is?
Szia
Nem muszáj, Én sem tettem(bár Én Win7-et), át lehet tükrözni az összes fájlt, boot szekciót is. Sajnos a programra nem emlékszek, google-n kerestem. Bár azt mondják, a Win10 már telepítéskor optimalizálja magát SSD-re, de szerintem ez megtehető utólag is pár registry módosítással. Szintén google.
Át lehet clonozni több szoftver is létezik acronic, macrium reflect stb. Ez a kettõ a legjobban használható. Bár a reflect hibás hdd esetén reklamál.
Sziasztok!
Egy ASUS X550LD laptopról lenne szó. Úgy néz ki, hogy valami zárlat van az alaplapon. Semmi életjelet nem ad. Nagyon nagy csendben hallani, hogy kattogtatja a tápot. Egy majdnem ugyanilyen lap van benne.. Nem szedtem még teljesen. Nagyjából ott melegszik meg büdösödik, ahol a tápot kapja meg. Nem tudnám valahogy meghajtani egy 12 vagy 14V-os tápegységgel az aksi felől, hogy működik-e? Ha igen, melyik két csatlakozóra kellene tennem a tápcsatlakozót?
Szia!
Nem fog működni, mint írtad valószínű zárlatos alapon valamely áramkör. Kattogásól arra következtetnék, hogy a CPU vagy GPU táp körödben van zárlat. minden képen meg kell javítani ha használni szeretnéd, de ha még nem csináltál ilyet akkor nem ajánlom a kísérletezés nagyobb galibát is okozhatsz.
Szia!
A külső tápegység kattog, nem az alaplapon. Ott van egy kis szaga meg melegszik, az alaplap, ahonnan kapja a tápot. Mikor kikapcsolták még jó volt. Nem lehetséges, hogy a töltésvezérlő, vagy valamelyik feszültségszabályzó zárlatosodott be? Az aksi felől megpróbálnám megtáplálni egy AT-s táppal, háta elindul. Gondolom a két hosszú a GND, de melyik lehet a pozitív, a másik szélén lévő két érintkező? A hozzászólás módosítva: Szept 25, 2019
Bocs akkor félre értettelek, két szélén lévő a táp csatlakozó.
Úgy néz ki, hogy az aksi felől is zárlat van. Beraktam egy 12V/55W-os fényszóró ízzót áramkorlátnak és a 3,5A-er alapból felveszi.
Egyébként 600Ohm-ot lehet mérni rajta. A táp csatlakozón is nagyjából ekkora az ellenállás.
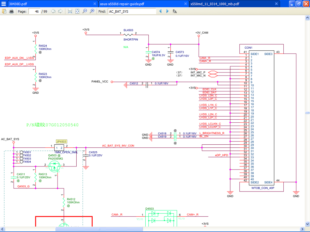
Csatolom a rajzot és a boardview fájlokat.
PR8806 (táp csatlakozó mellett van) és test között mekkora ellenállást mérsz? PR8806 és PQ8803 közös pontjáról kapja a tápot az egész alaplap. Itt tápláld meg 1V, (ha merész vagy, 19V) néhány amperre korlátozott tápról, és figyeld mi langyosodik.
hol mértél 600 ohmot?
Lapot kell javítani
Az aksi két szélső csatlakozóján. És nagyjából a táp csatlakozónál, ahol kapja a 19V-ot ott is annyi van.
Ott tarok vele, hogy kiszedtem, lehúzgáltam mindent. Nem találtam zárlatot. Elindítottam, monitorral ad képet.
Elkezdtem visszadugni mindent. A kijelző széles csatlakozója felől jön a zárlat, az akku csatlakozó mellettiről. Hogyan tovább? Megtörhetett a kábel a ki-be hajtogatáskor?
Valószínű az inverter +19V ága zárlatos. Talán folyadék miatt.
JP4503 hídat bontsd, és próbáld úgy. Következő lépés, hogy szedd szét az LCD-t, és onnan lehúzod a kábelt. Így kiderül, mi zárlatos.
Ez a készülék már nem tartalmaz invertert ledes kijelző van benne. LVDS kábel zárlatos cseréld ki és jó lesz.
Ez a kábel tényleg zárlatos. Ráadásul úgy néz ki, hogy nem is ott ahol hajtogatva volt. Lehet, hogy inkább a csatlakozónál.
Hol lehet ilyen kábelt korrekt áron szerezni?
Vagy veszel ebay-ről fele ennyiért.
Sziasztok, a következőben kérném a segítségeteket. Adott egy Asus noti aminek nem volt hangja. A tálcán a hangszóró ikonnál piros kereszt, "nincs csatlakoztatva hangszóró vagy fejhallgató" hibaüzenet. Nem látta az eszközkezelő sem a hangeszközt.. stb. Kicseréltem a hang codec et, Realtek ALC5642. Most már látja az eszközt, tálcán aktív a hangszóró ikon de mégsincs hang. A fülhallgató csatlakozót sem ismeri fel ha bedugom a jackbe. A codec IC megfelelő lábain van változás a jack bedugásakor tehát a csatlakozó nem hibás. Win10 van a gépen. A hibaelhárító azt írja "a hangszolgáltatások nem válaszolnak", megjegyzem a hangszórót viszont névszerint felismeri. Mi a bánat baja lehet? Lehet hogy csak a win10 szivat? Eredetileg win8 volt a gépen. Az eszköz driverek a legfrissebbek természetesen. A tok forrasztását már 100x ellenőriztem, minden láb normálisan le van ülve, a középső nagy pad is (Analóg GND) ólmossal van visszavarva a QFN tok. És ez már a 3. codec amit cserélek rajta, ráadásul 3 különböző forrásból valók tehát elvileg nem hamis az IC sem.
Találkoztatok már hasonlóval? Mi lehet a baj és a megoldás? Köszi előre is. A hozzászólás módosítva: Szept 29, 2019
Szia
Live linuxot probaltál? Külön board-on van a hang chip?
Szia, nem csak a win10 el szenvedtem eddig. Nincs kulon board, alaplapra ingeralt a chip. Ez egy hibrid gep., A billentyuzete a dokkoloja egyebkent egy tablet ami leveheto rola. Most fejbol meg nem mondom a tipusat. De minden a tabletben van, HDMI, USB meg a toltes es az audio csatlakozo is. Raadasul olyan xar helyen van a chip hogy nagyon gaz kivenni - visszarakni. Mellette 1 - 2 mm el 0201 - 0402 kondik es sorcsatlakozo..stb.
.stb.
Még annyit, hogy a alapértelmezett hangeszközként (hangszóró) "Intel sst audio device (wdm)" et lát, a drivere pedig "Realtek I2S audio codec" és ezt látja az eszközkezelőben is. Ez a Live Linux dolog hogy működik? Bocs ha láma a kérdés de nem kifejezetten profilom a notebook javítás, néha szoktam bevállalni egyszerűbb hibákkal. Hát ez annak látszott, de vérzek rajta sajnos.
Letöltesz egy live linux image-t, általában iso formátumú, ezt egy cd/dvd progival kiírod cd/dvd/re. Utána átállítod hogy a géped a cd-ről butuljon. Segédprogrammal persze usb pendrive-ra is kiírható, de egyszerűbb lemezre.
Ok, koszi. Kozben ratalaltam a LiLi nevu programra amivel lehet Live Linuxot krealni. Kerdesem meg hogy ez esetben kell Linuxos audio drivert is keresnem a probahoz?
Linixhoz nem kell driver, elvileg egyből felismeri. Nagyon ritkán kell vele bibelődni.
Rufus egyből fel rakja usbre az iso-t, kb ugyan annyi idő vagy kevesebb mint ha cd-re kiirnád
Sajnos teljes kudarc, a boot menüben nem is látja az USB pendrive ot, csak a Windows Boot manager és 2 UEFI eszköz van a menüben. "UEFI1: Generic Flash Disk 8.07" és "UEFI2: HGST HTS545050A7E80 0" Egyik sem a pendrive mert bármelyikről boot olok akkor is a win10 töltődik be.
A hozzászólás módosítva: Okt 1, 2019
Pendrivot cseréltem, Rufussal felírtam egy linux iso_t. Most boot menüben ott a pendrive mint UEFI eszköz, de ha a pendrivot választom boot eszköznek akkor is a win10 el indul el. Passz...
Az az igazság az hogy kéne ehhez egy kapcsolási rajz. Gyanús nekem hogy a tok bal oldalán ( lásd kép) hiányzik jó pár komponens és nem úgy néz ki mint ami sose volt beültetve. A kép pedig még az én tok cserém előtt készült. Így nem ültenek be gyárilag ahogy ez kinéz, ebbe már valaki belekotort előttem. A tulaj szerint persze senki és a gépet újonnan vették. Az ALC5642 datasheetjében van ugyan egy általános felhasználási példa rajza, de persze közel nem biztos hogy ebben a hardverkörnyezetben ez nem tér el a példakapcsolástól. Honnét lehetne kapcsolási rajzot kajtatni? Lehet fizetős oldal is csak ne valami kamu lehúzós oldal legyen... Így ez a javítás kb. vaktában lékhorgászat.
Kép alapján semmi futcsát nem fefezek fel. Asus hoz elégé reménytelen rajzot találni, esetleg boardview àll rendelkezésre.
Alaplap tipus alapján próbálj keresni. Rávan szitázva, de megszokott egyezni a készülék tipusával. A hozzászólás módosítva: Okt 1, 2019
Rendben, köszönöm a supportot.
|
Bejelentkezés
Hirdetés |







