Fórum témák

» Több friss téma
Fórum » Labortápegység készítése
Egyéb népszerű labortáp témák:
- SMPS labortáp
- Labortáp javítása
Lapozás: OK   747 / 852
(#) Alkotó válasza golem hozzászólására (») Nov 9, 2019 /
 
Milyen diódáról van szó? A műszer bekötése körül nincs szükség ilyesmire.
A diódának csak egy paramétere a sok közül az árama. És sem egy egzakt érték, hanem feltételekhez kötött. De az a lényeg, csak az áram alapján nem tudod eldönteni két dióda cserélhető-e egymással. Ehhez több információ kell az áramkörről is, meg a diódáról is.
(#) golem válasza Alkotó hozzászólására (») Nov 9, 2019 /
 
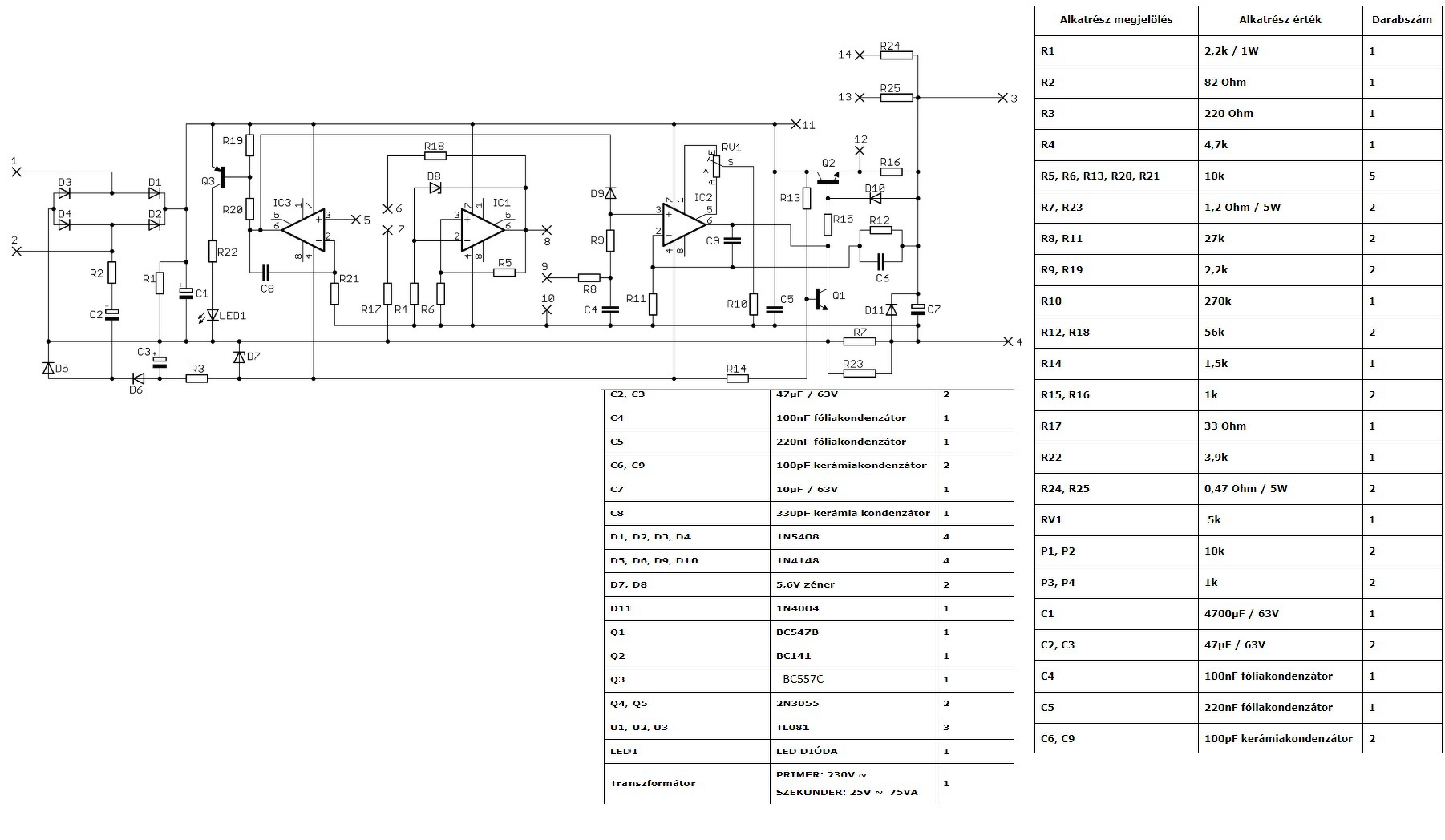
A kapcsolási rajzon jelöltem sárgával 1n5408 diódát cserélném a pdf be megadott diódára
(#) Imi65 válasza golem hozzászólására (») Nov 9, 2019 /
 
A kimenetet védi fordított polaritás ellen. Bármilyen komolyabb dióda jó oda, ami ezt a feladatot el tudja látni. A belinkelt is.....
(#) Alkotó válasza golem hozzászólására (») Nov 9, 2019 /
 
Attól mert a trafód 6A-rel terhelhető, ez a labortáp marad 3 A-es. Az eredetileg benne lévő dióda, és a tiéd nagyon eltérő tokozásúak. E miatt csak kókányolva lehet betenni. Az eredeti típus kb. 15 Ft. (dióda)
A hozzászólás módosítva: Nov 9, 2019
(#) golem válasza Alkotó hozzászólására (») Nov 9, 2019 /
 
Értem akkor marad a dióda nem cserélem.
(#) (Felhasználó 122012) válasza Lamprologus hozzászólására (») Nov 11, 2019 / 2
 
Én így kötöttem be (egyedi, mert fix fesz. kimenetek is vannak 1A terheléssel, és van egy folyamatos 25V/5A terheléssel)
(#) golem hozzászólása Nov 17, 2019 /
 
Sziasztok!
Gondom akadt a tápommal beleraktam a 22,5 voltos trafót és a kimeneten 63,5 V van független a potik állásától. Előző trafóval szépen működött.
Ki vettem a fetet tetem helyére ugyan olyat azzal nem csinál semmit 0V van a kimeneten független a potik állásától.
Mi adhatta meg még magát?
1-3 Ledem folyamatosan világit.
(#) pipi válasza golem hozzászólására (») Nov 17, 2019 /
 
Hány volt van a pufferen? Melyik tápról van szó, egy pár sorral feljebbiről? A trafó 2*22,5V névleges vagy ennyit mértél?
(#) golem válasza pipi hozzászólására (») Nov 17, 2019 /
 
A pufferen 62,1 V van a fentebb le írtról LPSU 50V 3 A táp
A hozzászólás módosítva: Nov 17, 2019
(#) Directors hozzászólása Nov 22, 2019 /
 
Sziasztok!

Ebben a Bővebben: Link labortápegységben a 2N3055 tranzisztorokat lehet helyettesíteni 2N3772-vel ?
(#) Directors válasza Directors hozzászólására (») Nov 23, 2019 /
 
Végül is csak nem kellett helyettesítenem. Találtam itthon 2N3055 tranzisztort.
Az előzmény annyi volt hogy az egyik 2N3055 tranzisztor zárlatos lett. Kicseréltem. Részben jó is lett.
Tudok is feszültséget állítani és áramkorlátot is, legalább is egy lámpát rátéve változott a fényerő és az áramfelvételt is tudtam szabályozni, illetve ha úgy volt akkor az áramkorlát led is világított.
A gondom az lenne hogy az élesztésnél az van írva hogy a "Ellenőrizzük az IC1-es 6-os lába, és a föld közötti feszültséget. Ennek 11,2 V-nak kell lennie. " Nos nálam ezen a lábon 32V van.

A kérdésem az lenne hogy hol keressem a hibát, merre méricskéljek ?
(#) ferci válasza Directors hozzászólására (») Nov 23, 2019 /
 
Ellenőrizd le az R4, 5, 6 ellenállásokat, a forrpontokat és zeneren eső feszültséget első körben.
(#) ferci válasza Directors hozzászólására (») Nov 23, 2019 /
 
Nagyjából így kell kinézni ( a tápfesz csak sacc):
A hozzászólás módosítva: Nov 23, 2019

stabtáp.JPG
    
(#) Directors válasza ferci hozzászólására (») Nov 23, 2019 /
 
Kettes lábon 24V van. Hatos lábon 30V Hetes lábon 32V
Az ellenállás értékek pedig jók. A Diódát pedig nem mértem zárlatosnak.
(#) Directors válasza ferci hozzászólására (») Nov 23, 2019 /
 
Megvan a hiba. Az IC 4-es lába nem volt testen. Most már jó értékeket mérek. Áramkorlát működik a kimeneten. Most ott tartok hogy a kimeneten maximum 10V-ot tudok beállítani. Innen hogyan tovább ? Hogy tudom megcsinálni hogy 30V-ig feltudjam tekerni a feszültséget ?
(#) ferci válasza Directors hozzászólására (») Nov 23, 2019 /
 
1., Mérd meg, az ic2 6. lábat meddig tudod feltekerni, ill. a 3. lábán mennyi a max feszültség.
2., Jó lenne, ha a rajzot kibővítenéd az összes alkatrésszel, ne kelljen ugrándozni az alkatrészjegyzék és részletek között és tedd fel ezt a rajzot.
A 30 voltot biztos nem fogod elérni: ic2 6. láb ha felmegy esetleg ( majd ) 28 voltra sacc, abból még vedd le a kimeneti tranyók B-E feszét is. Mérd végig ezt is, mi a pillanatnyi állapot és ebből következtess.
A hozzászólás módosítva: Nov 23, 2019
(#) Directors válasza ferci hozzászólására (») Nov 23, 2019 /
 
IC2 6 lábán 11,31V-ot mérek maximum. 3 lábán pedig 3,33V maximum.
Így tudtam kicsit könnyebbé tenni a kapcsolást.
(#) ferci válasza Directors hozzászólására (») Nov 23, 2019 /
 
Ja...
Most mérd végig: ic1 6.láb: 4, 8 és 11 voltra beállítva és ic2 3.láb, valamint 6. láb és a kimenet ugyanakkor ( kis táblázat ) mennyi lesz.
Aztán olvasd el a leírást, hogy a max kimenő feszhez nagyjából milyen közbülsők tartoznak ( ha le van írva a feszszabályzás menete ).
Az IC2-es erősítőnek van egy bizonyos erősítési tényezője (melyet ezzel a képlettel lehet meghatározni: A=(R11+R12)/R11) mely a 11.2V-ból 33V-os feszültséget képes a kimenetén előállítani.
Ha végigmérsz mindent, biztos kiderül, hol van a gond..
A hozzászólás módosítva: Nov 23, 2019
(#) ferci válasza Directors hozzászólására (») Nov 23, 2019 /
 
Még annyit, hogy 1 A körüli árammal terheld le közben a tápot, hogy valamennyire valós képet kapjál.
(#) ferci válasza Directors hozzászólására (») Nov 23, 2019 /
 
Arra figyelj, hogy az áramkorlátot ne húzd rá: a D9 katódja pozitívabb legyen az anódjánál a mérések alatt, nehogy az a rész korlátozzon.
(#) Directors válasza ferci hozzászólására (») Nov 23, 2019 /
 
Nem jövök rá mi a gond. Végig mértem az összes alkatrészt.
Az R24-es szakadt volt. Azt cseréltem, de a helyzet változatlan.

értékek.jpg
    
(#) ferci válasza Directors hozzászólására (») Nov 23, 2019 /
 
A középső sort elírtad, de nem téma ( 8.9-8.9 )
A D9-nél nem korlátoz? Rámértél? Ha kikapod egyik felét ( vigyázva, hogy rövidzárat ne csinálj a kimeneten ), nem ugrik fel "normálra" a kimeneti fesz?

Az R24-et biztos leégetted valamikor... kevés a wattja.

Az ic2 3.láb tuti nem terhelhet be ( ha jó még! ), tehát az R8-R9-C4 lenyeli a feszültségbeállító potin beállított feszt. Vagy a D9 felől korlátozódik.
A hozzászólás módosítva: Nov 23, 2019
(#) Directors válasza ferci hozzászólására (») Nov 23, 2019 /
 
igen, igazad van. Bocsi. 8V-nál az IC2 3 lábnál nem 8,9V hanem 2,6V.

Hogy tudom kimérni a D9-nél hogy korlátoz-e ? Mi a menete neki ?

"Ha kikapod egyik felét ( vigyázva, hogy rövidzárat ne csinálj a kimeneten ), nem ugrik fel "normálra" a kimeneti fesz? " Végtranzisztorra gondolsz hogy az egyiket vegyem ki ?

Akkor mehetett tönkre az R24 mikor az egyik végtranzisztor is megadta magát. Szerintem.
Rámérek akkor ismételten az R8 R9-re.
A hozzászólás módosítva: Nov 23, 2019
(#) ferci válasza Directors hozzászólására (») Nov 23, 2019 /
 
A D9 dióda egyik végét átmenetileg emeld ki és mérd az ic2 3. lábát, felugrik-e a feszültség pár volttal.
(#) Directors válasza ferci hozzászólására (») Nov 23, 2019 /
 
Kivettem az egyik lábát. Nem változott semmit. Teljesen kitekert potikkal is csak 3,33V van az IC2 3. lábán.
(#) ferci válasza Directors hozzászólására (») Nov 23, 2019 /
 
Akkor ebben az állapotban az ic1 6. lába és az ic2 3. lába közé tegyél be átmenetileg egy 2k2-3k3-as ellenállást és megnő-e a 3.33 volt 4-5 voltra.
Ha igen, akkor c4 teszt, ha nem, akkor lehet, hogy ic2 rossz már.
Valami söntöli azt a feszültséget..
A hozzászólás módosítva: Nov 23, 2019
(#) Directors válasza ferci hozzászólására (») Nov 23, 2019 /
 
2,2k ellenállást betettem. Több mint 9V-ra megugrott az IC2 3. lábán a feszültség.
A kimeneten a feszültség meg 30V-ra ugrott.
(#) ferci válasza Directors hozzászólására (») Nov 23, 2019 /
 
Akkor teszteld le azt a részt, hol akad el a feszültség - ez már egyszerű folyamat.. poti lánc ( jól van bekötve? ), R8-C4-R9 közül valami nem okés..pontról pontra mérjél az ic1 6. lábtól jobbra, az ic2 3. lábig.

Az R8 bal végén ( rajz ) ugyanazt kell mérned pl., mint ic1 6. lábán.
A D9-et visszateheted.
A hozzászólás módosítva: Nov 23, 2019
(#) Directors válasza ferci hozzászólására (») Nov 23, 2019 /
 
A potméterek gondolom hogy jól vannak bekötve mert 4-5 évig így üzemelt. Aztán a fene se tudja.
R8 C4 R9 újra cserélve és még mindég nem jó. :/
(#) ferci válasza Directors hozzászólására (») Nov 23, 2019 /
 
Ne azt írd, hogy még nem jó, hanem poti legyen maxon és minden pontot mérj meg, hol veszik el a feszültség: a rajz 9-cel megírt pontján hány volt van ( 10 volt vagy mennyi? ), aztán a c4-en (?) és a 3. lábon.
Ha nem javul meg, R8 csere 1k-ra.
A hozzászólás módosítva: Nov 23, 2019
Következő: »»   747 / 852
Bejelentkezés

Belépés

Hirdetés
XDT.hu
Az oldalon sütiket használunk a helyes működéshez. Bővebb információt az adatvédelmi szabályzatban olvashatsz. Megértettem