Fórum témák
» Több friss téma |
Fórum » Autóelektronika
Témaindító: sufni-tunning, idő: Ápr 19, 2008
Témakörök:
Szia. Hát elég kevés az info hogy hogy is néz ki meg hol is van és mire szolgál a panel, így szerintem töklámpással is lehet helyettesíteni.
A hozzászólás módosítva: Nov 24, 2019
Sziasztok. Delco Remy autógenerátorom a következőket csinálja: multiméterrel mértem, leadja bőven a 14 Voltot, sőt, néha 15-öt is...de néha kb. 1-2 mp-enként ugrál a feszültség...néha igen leesik... (Mértem a másik kocsiét is, mint a cövek, folyamatosan 14,11-gyel töltött s nem ugrált a feszültsége. Igaz, az egy másik autótípus egyébként és másfajta generátor is). A kérdésem: mi lehet a rossz? Netán ez a feszültségszabályozó hibája lenne? Szénkefe nem hinném, előtte 166ezret ment el a gyári kefével. Bármilyen kacat is van benne, a 86 kevés lenne nem? 86ezer km-rel ezelőtt volt benne szénkefe és csapágyazás cserélve és mérve a feszszabályzója is természetesen illetve "próbapadozva" is volt, tudta simán a 70 Ampert. 70 Amperes Delco Remy az alany (Delko Remi száma: DRA4652; Lucas száma: LRA00819.) Köszönöm ha valaki tudja a választ.
Akkor ez is csak idővel fog kiderülni.
Milyen akkut érdemes venni rövid távokon való használatra? Nagyobb kapacitásút nagyobb indítóárammal, ami tovább őrzi a töltést de tovább is tart feltölteni, vagy gyári kapacitásút, ami gyorsabban feltöltődik de gyorsabban le is merül? Befér a 44Ah/440A és a 52Ah/470A is.
Ha sokat rövidtávozol akkor célszerűbb a gyári kapacitásúnál maradni de erősebb indítóáramút kereshetsz, az nem árt...bár az indítóáramot nem szokták a gyári akkuadatoknál megadni. Ha hosszabb távokat mész, nagyobb távokat akkor esetleg lehet bele tenni "egy számmal nagyobb kapacitásút" tenni ami elérhető. Tehát pl. Én az Opelembe a 36Ah-s helyet a 44/45 Ah-sat tettem. 70 Amperes a generátor. Azt azért illik tudni, hogy a generátorok a maximális (nálam 70-72) Ampert a maximális motorfordulat mellett adja le...esetemben 6000 ford./p.-nél. Azért ugye senki nem autózik padlógázon, hogy úgy töltsön a generátor mint egy atomreaktor s olyan hamar mint a villám. A másik: fele fordulaton már viszont több mint a fele Ampert adja le! De viszont a 3000 ford./perc sem gyakori, nem pörgetjük ennyire, nem folyamatos ez a szám az autók átlag, napi használata során...Inkább az 1500 ford./p.-re van megadva az én generátor teljesítményem is (gyári adat): 26 Ampert. E körüli értékkel kéne számolni ha töltési időt kéne számítani a fogyasztók áramfelvételének ismeretében. Kvázi egy indítómotor, indítózás sokat kivesz az akksiból, s akkor még a többi, főleg a téli magas fogyasztású elektromos fogyasztókról nem is beszéltünk...szóval kell autózni rendesen, hogy visszatöltse a generátor azt amit már egy elindításkor s az azt követő fogyasztók bekapcsolásakor kivesz az akksiból. S ahogy írtad: Ha 2 lépcsővel nagyobb kapacitásút teszel bele akkor ha van, az eggyel nagyobb generátort is rakd be mellé ha létezett az adott motortípushoz.
Szia! A gyári akku után már egyik akku sem lesz olyan, mint amivel kiadták a kocsit. Ezt úgy értsd, hogy akkora méretben és amperórában azt az időtartamot az elkövetkezendő akkuk egyike sem fogja tudni. Ha meg akarod magad kímélni az idő előtti akkucseréktől akkor ebből a gyártmányból válassz egy akkorát ami az eredeti helyére befér a méreteivel és a legnagyobb amperórát tudja és a polaritása is oldalhelyes a kocsidhoz. Nem fogod megbánni. Ebből bármelyik prémium kategóriás akár tíz évig is szolgálja a kocsit és rövidtávon, akár wc-re is lehet vele járni. Innen lehet jó árban rendelni.
Megfontoltam a tanácsokat és végül egy Varta Silver Dynamic 52 Ah változatot vettem. Jó volt az ára, 520 A indítóárammal. Régi kocsimban Varta Blue Dynamic akku volt és 10 évig bírta, azt is csak rövidebb távokra használtam. Köszönöm a válaszokat!
Sziasztok!
AP900C tempomathoz keresem a programozó kábel bekötését. Megvan valakinek?
Szia!
Ezt a leírást ismerem, de sajnos nem tartalmazza annak a kábelnek a bekötését, mellyel számítógéppel lehet tanítani az eszközt. COM portra köthető 4 eres kábelre gondolok.
Sziasztok!
Autómba mivel a szivargyújtót nem használom, helyette szeretnék stabil 12V-ot. Mivel úgy tudom a 7812 stabilizátornak kell körülbelül 1.5V plusz, és ezt a generátor tudtommal viszonylag ritkán éri el. (javítsatok ki ha tévedek mert viszonylag kezdőnek számítok ilyen téren). Gondolkoztam azon, hogy fel kéne erősíteni és azt stabilizálni, de szerintem létezik ennél egyszerűbb megoldás is, és ebben szeretnék segítséget kérni. U. I. : emellett szeretnék kapcsolni egy USB portot de az a 7805 - ös stabilizátorral megoldható csak nem tudom hogy ezek mennyire terhelnék le az autóm akkumulátorát.. ezzel kapcsolatban is segítséget kérek. Válaszokat előre is köszönöm!! A hozzászólás módosítva: Dec 15, 2019
Rosszul tudod. Ha a motor jár a generátor feszültsége 14V körül kell hogy legyen, különben rossz. Egy USB port nem igen terheli le az akkumulátort, hiszen szabvány szerint 500mA körüli fogyasztást jelenthet.
Szia Peti!
A helyedben én már 78xx sorozatú IC-kel nem bajlódnék. Elé 2 db kondi, utána 2 db kondi + még hűtőborda és max. tud 1A-t. Inkább itt néznék szét. Ha csak 5V kell, akkor a keresőbe "buck adapter"-t írva találsz feszültség csökkentő áramköröket olyan teljesítménnyel, ami neked megfelelő. Free Shipping mellett az a pár száz forintos vételár szerintem sokkal jobban megéri, mint ilyen középkori IC-kel vacakolni (ja és a hatásfokuk és az üresjárati áramfelvételük is sokkal jobb). Sok sikert!
Üdv Pana-Papa!
Gondolom attól még járó motornál ez nem okoz problémát az akkumulátornak vagy tévedek? (főleg ha kettő van belőle)
Üdv!
Még álló motornál sem okozhat semmilyen problémát! Gondolj csak bele. Pl. ilyenkor télen megy a motor, megy a hátsó ablakfűtés, tükörfűtés (netán kormány- és ülésfűtés), első tompítottak, hátsó helyzetjelzők, az akksit is vissza kell tölteni, ezek több 10A fogyasztást (elnézést, áramfelvételt) jelentenek. Ez a két kis panel meg üresjáratban (rákapcsolt fogyasztó nélkül) megeszi akár a 0,02A-t is. A hozzászólás módosítva: Dec 15, 2019
Sziasztok!
2013-as gombnyomásra induló (1,5 benzin) Mazdában találok valahol egy helyen földet, folyamatos és kapcsolt tápot a középkonzol környékén? Ugye itt gyújtáskapcsoló nincs... Meg a navi is gondolom CanBus-ról kapcsol be.
Helló! Akadt egy kis problémám az autó hátsó világításával kapcsolatban. Az a baj, hogy a jobb hátsó helyzetjelző lámpa nem vilagít, viszont fékezésnél felvillan. Mi lehet a baj? Köszi előre is a választ! ☺️
Szia
Most jutottam oda, hogy ránézzek műszerrel a Lambda szondára, 5 vezetékes és ahogy írtad van fehér és szürke vezeték, ami ha jól értem a szonda fűtése. Nos, itt nem mérhető 10 ohm körüli ellenállás, akkor ezek szerint kuka. Viszont megnéztem, kb 70 ezer egy ilyen szenzor és 100%-ra akarok menni ennek fényében. Csak akkor azt nem értem, hogy egy vezeték szakadás, hogy eredményezhet egy fűtőbetét tönkremenetelt. Még mérek pár dolgot, mint írtad 14V-ot kell kapjon és lemérem üzemmeleg állapotba a mért értéket, ami ha jól olvastam utána kb 0,6V körül kell lennie. Üdv
Alaposabban megnéztem a kivezetéseket, 5db vezeték van a lambda szenzor ból, a csatlakozó 6-os és most vettem észre, hogy a csatlakozóba be van építve egy 690ohmos ellenállás ami 2db érintkezőt köt össze, azt nem tudom, mi értelme lehet, mert fűtés előtét ellenállásnak se oké ekkora értékkel.
Neten nem találtam semmi infot ezzel kapcsolatba.
Jo napot kivánok,
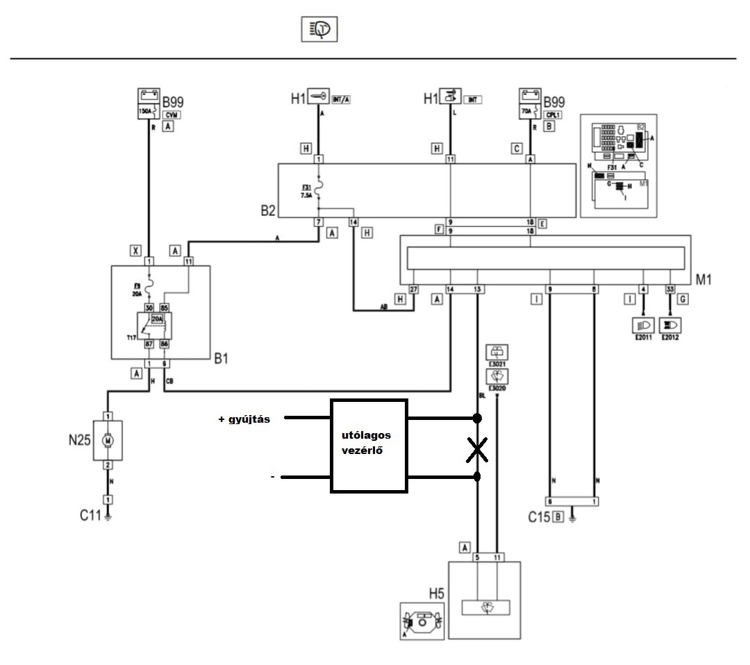
Arra keresek megoldást, hogy a fényszórómosó csak minden ötödik szélvédő mosásra működjön (Fiat Freemont). Eddig minden szélvédőmosásra 3-4 másodpercig mosta a fényszórót is bekapcsolt világításkor. Szoftveresen Multiecuscan programmal nem tudtuk a mosások gyakoriságát beállítani, csak ki és bekapcsolni lehet. Megtaláltam a kapcsolási rajzát, megvan, hogy az ablakmosó kapcsolótól megy az impulzuspapcsolás a body controll modulba. Szeretnék építeni egy utólagos vezérlőt, ami léptetőáramkörös. Ebben kérnék segítséget, kapcsolási rajzot. Elképzelésem szerint csak gyújtáson működne. Minden ötödik mosásra (impulzus) után mosná meg a fényszórókat. Az szerintem mindegy, hogy gyújtás levétele után nem tárolja a mosások számát, előlről kezdődne a léptetés.
Ha a BCM vezérli, akkor a normális ablaktörlődet is kiiktatod ezzel az ötlettel. A BCM-ből kimenő jelre kell ráakaszkodnod, léptetőnek pedig egy CD4017 is megteszi.
A normál ablaktörlőt nem a fehér/kék vezeték kapcsolja. A bcm-ből kimenő időjel, ami a relét meghúzza, az figyeli a relének a tekercsellenállását, és ha ez meg van szakítva, eltárolja hibának a gearban.
CD4017 léptető jól hangzik. Valaki tudna összeállítani egy kapcsolási rajzot ezzel? Nem tudom, hogy a fehér/kék vezetéken pozitív, vagy negatív impulzusjel jelenik-e meg ablakmosáskor. Több, mint valószínű pozitív, mert ahogy következtetem E3020/E3021 az első-hátsó ablaktörlő és ablakmosó biztosítéka.
Bővebben: Link
S olvasd el hozzá az adatlapját is, egyszerű, mint a faék. Tápfeszt adsz neki, majd az órajel lábra adogatod az impulzusokat, s ekkor lépeget a kimeneteken. Ha az első kimenetre rakod amit szeretnél, majd kihagysz pár kimenetet, végül adsz neki egy reset jelet mondjuk az 5. kimenet és a reset összekötésével. Ekkor az első alkalommal lesz a kimeneten jel, a kihagyott alkalmakkor nem, végül miután elért az ötödikig, megy neki a reset és ismét lesz. Ezt persze úgy variálod, ahogy szeretnéd, a menet mindig az lesz, hogy amikor megkapja a reseten a jelet, akkor visszaugrik az első kimenetre. Ha persze nem adsz neki, akkor végiglépked mindegyik kimenetén, s kezdi elölről. Persze nem árt, ha a kimenetét valami épkézláb relével megtámogatod, különben füstölögve elpártol tőled az IC
Üdv! KIa Ceed 2010 es 1,4Benzines66kw-os.Ki tudna nekem segiteni szükségem lenne ennek a tipusnak a komplett Autóvillamossági rajzára.
Üdv.
Innen letölthetedBővebben: Link
Sziasztok! Valaki tudna mutatni nekem egy kapcsolási rajzot, hogy milyen elektronikát készítsek az üzemanyag szivattyú relé testkapcsolásához? A probléma hogy gyújtáson a motorvezérlő nem mindig adja ki az 3mp-es időt hogy behúzza a relét, így nem termelődik fel üzemanyag nyomás. KTS 590-el többször is kivezéreltem, illetve járó motornál sincs semmi gond, csak gyújtáson szóval nem kontakthiba, mielőtt valaki lehetőségként felróná.
Erre a szálra akarnék építeni valamit, hogy ha ráadom a 15-ös pontot akkor pár másodpercig járna. Csak akkora áramra van szükség hogy egy relét behúzzon és persze 12V. A hozzászólás módosítva: Jan 31, 2020
Hello! Itt megtalálod. Az időt az R1 és C1 szorzata határozza meg.
Szia! Nem írtál autó típust, hogy melyikkel van ilyen probléma de nem gondolnám, hogy a gyújtáskapcsoló kell ahhoz, hogy az AC felhúzzon. Már a vezető oldali ajtónyitásra fel kellene húznia ha nincs meg a nyomás és ezt a komfort modul végzi amit később figyelmen kívül hagy az ECU csak a nyomáskapcsoló értéke lesz a mérvadó.
Udv mindenkinek!
Ford galaxy 2005-2006 kapcsolasi rajzot keresek.Tudna segiteni vki ebben?Kormanyvezerlo problemaim akadtak. Elore is köszönöm! |
Bejelentkezés
Hirdetés |













