Fórum témák
» Több friss téma |
Fórum » Keverőpult építése, javítása
Szia! Az összegző műveleti erősítőt így alakítsd ki!
Ez esetben akkor a + bemenetek kerülnek a fél tápfeszültségre, és a becsatoló kondik polaritása fordul, ugye?
Igen, a "+", amit nem-invertáló bemenetnek hívunk, az megy féltápra, úgy mint a mikrofon előerősítőjénél is.
Állítsd össze a teljes rajzot, hogy közösen le tudjuk ellenőrizni!
Ezt raktam össze az útmutatások alapján. Még közben azon gondolkodom, nem kéne-e így a potméter csúszóérintkezője után is egy elkó?
A hozzászólás módosítva: Jún 13, 2019
Jól látod, kell kondi a potenciométer csúszka után.
A lényeg hogy a panoráma után van még több fokozat sub master stb... Mindenképp kell a bufferes panoráma mert egymásra hatnak a panorámát követő fokozatok ha nincs illesztve az impedancia. A panorámának olyannak kell lennie hogy jobbról balra és sztereóba is tolható legyen az egy sáv amit kap. Tehát mind a két sávot el kell tudni osztani egyesével sztereóba . Ezzel a kapcsolással azt sikerült elérni, hogy mind a két bemeneti sáv szépen szól sztereóban együtt. Viszont egyesével jobbra és balra szétválasztva torzan recsegve szól az IC pedig fűt. A kapcsolás +/- tápról üzemel. IC LM324.
Sziasztok,
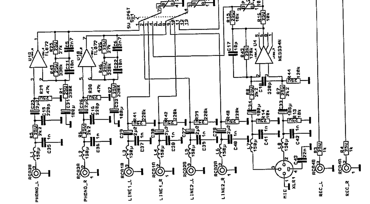
Van egy Rodec MX180 mkIII keverőpultom. Ódákat zengenek róla a dinamikája, a meleg hangja és a felépítése miatt. Nos én nem tudok ezzel jelen pillanatban azonosulni mert problémám van a phono preamp szekcióval. Az a gond, hogy a beépített RIAA phono preamp(ok) hallhatóan rosszabbul szól mint egy másik keverő, vagy esetleg egy külső RIAA korrektor (próbáltam mindkettőt). Mindegyik csatorna ezt csinálja. Olyan, mintha a hangon egy enyhe low pass filter lenne, a magasak nem csilingelnek, inkább susognak. További fontos infó hogy a keverő vonal szintű bemenetei hibátlanúl szólnak. --> a phono fokozatokkal van valami probléma, és mivel mindegyikkel ezért szerintem ez valami design probléma lesz. A phono TL072-vel van megoldva és van még mellette NE5534 is. Abben kérem a segítséget, hogy milyen lehetőséget láttok a kapcsolási rajz alapján amivel a hangot javítani lehetne? Op Amp csere? más egyéb? Csatoltam a képet a phono fokozat és a line fokozatról is. Köszi előre a segítséget.
Szia,
Bocs a kérdésért, de nem írtad: Lemezjátszóról próbáltad a Phono bemenetet? RIAA korrektor A régi elektrolit kondenzátorok cseréjét javaslom a fokozatokban. Üdv.
Az elkók cseréjét én is megtenném, de fóliára, a műverősítők olyan rosszak nem lehetnek, de pl. az OPA1652, OPA2197 jó lehet egy SO-DIP adapterrel, vagy az OPA2228, az drágább, de van belőle DIP.
Igen, természetesen lemezjátszóval próbáltam. Jó minőségű ortofon elliptikus tűvel.
Sziasztok!
Lenne egy LEM compact system 16-8 keverőerősítőm (pontos típust nem tudok, le van kopva a cetlijéről), eléggé rossz állapotban. Elhatároztam, hogy a keverő részét nem használom, (az összegző panel, vagy, hogy hívják gányolva van nem kicsit, az összes tolópotit ki kellene cserélni, nem szeretnék vele foglalkozni). A kérdés az lenne, hogy milyen bemenetet használjak, ha egy sima keverőről szeretném vezérelni az erősítő részét? Line-IN-nel már próbáltam, egy ideig szépen szól, majd elhalkul, közben kegyetlenül felpörög a hűtőventillátora, gondolom érzékeli hogy valami valami miatt túlmelegszik, majd ezután a halkulás után torzan szól. Kikapcs-bekapcs, és újból szépen tisztán szól. Keverő részével összekötve ilyen probléma nem volt. Válaszotokat előre is köszönöm Martin
Sziasztok,neki veselkedek megint a keverőmnek mert zavar még mindig az alapzaja.Ugye ezen keverőn vannak a panelok gitárhúr szerűen összekötve,és ami idegesít rajta hogy nem tudok mérni szinte semmit rajta,mert ahogy közelitek a "húrokhoz rögtön jön a Kossuth rádió.Ahogy leveszem az alját,kb.80x40cm vaslemez rögtön megnő az alapzaja.A földelést már minden lehetséges módon kötöttem,ahogy most van így a legcsendesebb.Még mindig az a gondolatom van hogy a"húrokat kiváltanám árnyékolt vezetékre hátha segítene rajta.De tétova vagyok,feleslegesen nem szeretnék dolgozni.Megfordult a fejembe a külső táp is,hátha a hálózati fesz zavarja,de nem tudom mi lenne a jobb megoldás.
Hátha van ötletetek rá....
Milyen zaja van, brummog vagy sustorog ?
A toló potikhoz menő fekete vezetékeket inkább cserélném ármyékoltra. A hozzászólás módosítva: Jan 2, 2020
Is is,de inkább sustorog.Ha a mastert padlóra tekerem akkor már komoly zajt produkál.És mellette halkan búg is.
Milyen IC-k vannak benne? A bemeneti fokozat, hangszín szabályozó környékén.
Ne5532 ha jól emlékszem,cseréltem már benn 4db.-ot.De azok a csatornák nem hoztak javulást.És még ezek..
Azt a CA741-s IC-t szerintem érdemes lenne cserélni.
A 741-es borzalmas, egy zajgenerátor ide. Láb-kompatibilis módon rakható be helyette sokkal jobb Opamp, ami szintén filléres tétel még mindig. Az IC láthatóan korrodált, a lábai között "kúszik" a rozsdaszerű anyag. Ahogy a mellette látható két kondi és szétrepedt, mégpedig azért, mert a drótlába belül megrohadt, így a fedőlakkot szétnyomta rajta. Nem tudni tehát, hogy érintkezik most a láb a fegyverzettel. Ezeket is cserélni kéne.
Szia abba segits hogy a kondi értéke mennyi lehet a szin alapján.Ami nekem van kalkulátor és ha helyesen látom a szineket,100nf,vagy 300nf
A hozzászólás módosítva: Jan 3, 2020
Az opampok (meg egy csomó más IC) tápágába, a lábaihoz közel jellemzően 10n-100n környéki kerámiakondit szoktak tenni.
Köszi,egyszer lesz egy tiszta napom neki állok,sok van benne ebből is abból is a keverőben.
Az IC adatlapja szokta írni a gyári javaslatot, persze ettől adott körülmények között el lehet térni. Szóval nem kizárt, hogy nálad 330n van, de szerintem esélyesebb a 100n (nem próbálom meg színkód alapján visszafejteni).
Ahogy néztem a rajzát ezek jók bele.De barkács forrasztó vagyok ezért inkább kérdezek.A fesszel nem lehet gond + - 12dc ről megy a keverő.
A hozzászólás módosítva: Jan 7, 2020
A TL071 is egy őskövület már, sok zajjal. Javasolnék az TI (korábban Burr-Brown) OPA sorozatból inkább valamit.
Utána járok,de szempont hogy túl sokba ne kerüljön,26db van benne összesen.
A Texas OPA602 talán a legjobb ide (lábkompatibilis), de az már egy High-End darab: nem olcsó, négyezer forinttól indul.
|
Bejelentkezés
Hirdetés |














