Fórum témák
» Több friss téma |
Szia
Összekötöttem, amit mondtál, de így sem jön ki hang, rádió állásban sem, viszont ha közvetlenül a végfok bemenetelére kötök jelet van hang! vajon mi lehet a gond,az előerősítő kap tápfeszültséget! szia Feri
Szia, akkor merni kell, bemenetre generator es szkoppal vegigmerni a jelutakat.
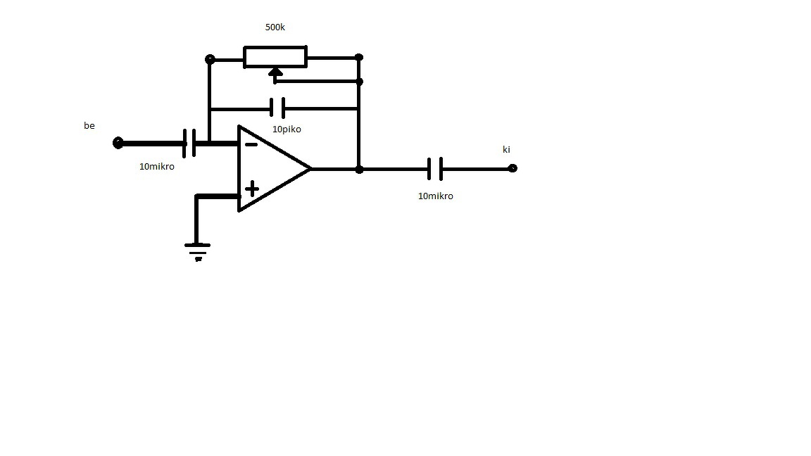
Egy készülék rajzából másoltam ki ezt az előerősítő félét.
Valaki megszakértené nekem hogy ez mit csinál és mire jó?
A visszacsatolást szabályozza de hiányzik egy ellenállás a rajzrol.
Pedig ez így van a gyáriban is. Kissé ezért sem nagyon tudom értelmezni hogy ez így konkrétan miért és mire jó.
A hozzászólás módosítva: Feb 22, 2020
Nincs ezzel semmi baj, csak dupla tápot igényel, ami nincs a rajzon. A föld jelzés a dupla táp közepe. A 10 pF a nagyon magas frekvenciákon vág, a nyílthurkú erősítés közelében a gerjedést szünteti meg. Gondolom azért kellett, mert nincs a negatív bemenet előtt a soros ellenállás, így elég instabil a kapcsolás.
Közben én is kutakodtam és rá kellett jönnöm hogy kissé balga voltam.
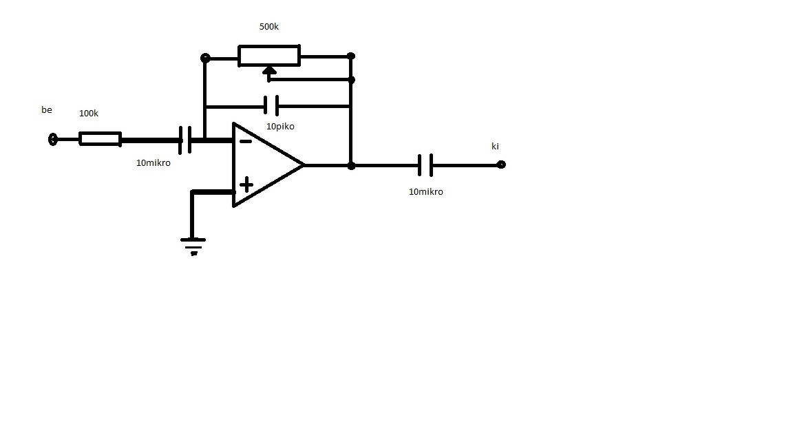
"Analóg fázist fordító differenciáló alapkapcsolás" lenne csórikám és utánnaolvasás közben rájöttem hogy a bemenő kondenzátor előtt kell hogy legyen egy elenálás és úgy stabil az áramkör a leírás szerint. Amit meg is találtam a rajzot visszakövetve 100k értékben. Így némileg módosult a rajz. Viszont így sem tejlesen értelmezem hogy ez mit csinál és ez miért jó.
Így sem igazán jó, mert a soros ellenállásnak munkapont beállító szerepe is van, így a helyes, ha a kondit, és az ellenállást felcseréled. Ez a konzervatív kapcsolás. Ha ettől eltérsz, akkor többé kevésbé instabillá válik a kapcsolás, mert a fokozat egyenáramú bemeneti impedanciája is "játszik", ami változhat, hőmérséklettől, kivezérléstől, stb.
Pedig ez így üzemel egy keverő kimeneti fokozatában. A benne lévő 500k poti a fő hangerő avagy a "master" csúnya angol szóval.
Lehet az is, de akkor ez nem egy egyszerű műveleti erősítő, tipusszám ismeretének hiányában nem lehet tudni, mi lakozik benne.
A kimeneti jel nullától a bemeneti jel ötszöröséig szabályozható.
Magam is használom hangerőszabályzónak 10k bemeneti ellenállással és 50k-s potival. Egyetlen buktatója, csúszka érintkezési hibánál teljes hangerőt produkál.
Áhh értem akkor érdemes a megépítésre. Gondolom a 20k/100k is jó arányban. Illetve a csatoló kondenzátorok értéke mennyire kritikus?
A 20k bemeneti ellenálláshoz válassz 2 µF-ot, vagy nagyobb értéket. Túl nagy kapacitásnál lassan áll be a kimeneti egyenfeszültség, ezért nem mennék 10 µF fölé.
Akkor 20k 2,2mikró 100k poti és kicsatoló 2,2mikró?
Így már jó vagy 2,2 helyett 4,7mikró?
A kimeneti csatolóra akkor van szükséged, ha a következő fokozat nem rendelkezik bemeneti csatolóval. Fölöslegesen ne köss sorba két kondenzátort!
Ha kénytelen vagy alkalmazni, az értékét úgy válaszd meg, hogy az előerősítőre kötött fokozat bemeneti ellenállása 0,5-4 Hz töréspontú felüláteresztőt képezzen vele. Emlékeztetőül a képlet: f=1/(2πRC) A hozzászólás módosítva: Feb 22, 2020
A keveröpultoknál vigyázni kell, mert
1. Vannak gyakran hajmeresztö megoldások ( volt már olyannal is dolgom, amelyik végig DC csatolásu volt. Azt élö keverésre még használni sem lehetett.) 2. A jelet a belsö BUS-bol kapja (gyüjtösinböl), azt meg általában valahol egész máshol terhelik mint ahonnan ez a fokozat a jelet kapja (az áthallások meg a zaj miatt), és az sincs kizárva, hogy a sinre csatlakozo fokozatok adják ennek a fokozatnak a részleges munkapontját. 3. Az a poti valoban a gain (master gain) poti, azaz az ezt megelözö fokozatok veszteségét hivatott kompenzálni. A hozzászólás módosítva: Feb 22, 2020
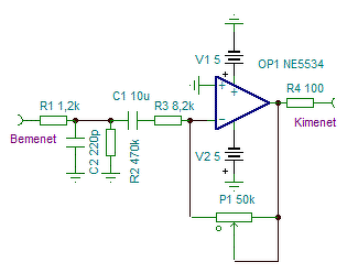
Gemini pmx100 . Az előtte lévő rész full passzív cucc
Dobnál nekünk egy rajzot az álltalad használt megoldásról ha szépen megkérlek?
Gondolom a bemeneti osztórész a kondival bizonyos kompenzáció miatt van.
Ha passziv minden elötte, akkor gyanusan mehetsz le ~10 kOhm bemeneti impedanciára. Milyen nagyságu potik vannak akkor a bemeneten? Reloop rajza is kb 10 kOhmos bemenetü, ami meglehetösen leterhelheti a gyüjtö sint. Kellene több info, mert csak igy eldumálgatunk a témán ahelyett, hogy valos megoldást tudnánk mondani.
A te rajzaidon is a visszacsatolo poti M5 amihez jobban illik a 100 kOhm a bemeneten. Az egy eléggé divatos érték a gyüjtösinre.
Nálam a jelforrás tipikusan bluetooth vevő kimenete, ahhoz igazodik a szabályozható előerősítő bemeneti impedanciája. Az R1-C2 aluláteresztő szűrő a rádiófrekvenciás jeleket csillapítja.
Sziasztok!
Megépítettem ezt az előerősítőt (Sztereó előerősítő): Bővebben: Link Pontosabban ez alapján készítettem egy saját nyáktervet, műv. erősítőm tl082. Az alap koncepció az az, hogy autóban szeretném használni, jelenleg egy üres kazetta lejátszása mellett van "aux" bemenetem de iszonyatosan halk. Ezért gondoltam, hogy ide teszek egy előerősítőt. Ki is próbáltam de sajnos torzít. Első próbálkozásom 5x-ös erősítéssel történt, akkor jól működött de még mindig halk volt. Ezért, a kapcsolás szerinti 10kOhm-os ellenállást tettem be. Utóbbi esetben ha a telefonom hangerejét 60% fölé emeltem, elkezdett torzítani. Jelenleg nem tudom, hogy melyik komponens torzít, nem tartom biztosnak, hogy az előerősítő. Megpróbáltam kimérni a kapcsolást, de jelenleg úgy tűnik, hogy jól működik autón kívül, nem torzít az 1kHz szinusz jelen, (csak 6V tápfeszültség körül, az meg nem fordult elő autóban). Ebben szeretnék segítséget kérni, hogy mit tudnék tenni annak érdekében, hogy legyen "normális" jelszintű és minőségű aux bemenetem? A hozzászólás módosítva: Márc 28, 2020
Nem lehet, hogy a féltáp ellenállását módosítottad és emiatt torzít?
A 6V kb. a féltáp 12V esetén. Torzíthat még a túlvezérelt bemenet miatt is, de mivel kicsi a jel, ez nem valószínű. A hozzászólás módosítva: Márc 28, 2020
Nem sajnos, a tápfeszültség az jó szerintem, 12V esetén ~10.5V mérhető az IC táplábain.
A 470Ohmos ellenállás, az bent van nálam. Nemrég kipróbáltam, (youtube-os 1kHz jellel) max hangerővel, autóból kiszedve, szkóppal jó a jelalak. Ezért írtam, hogy nem vagyok már benne biztos, hogy az előerősítő torzít igazából. Úgy van megoldva (így vettem...), hogy nem a "fejegység" belsejébe van bekötve a bemenet, hanem ami kijön belőle kábel, és megy hátra a csomiba a rádiómodulhoz (onnan megy tovább a hangszórókhoz), na azokra a vezetékekre volt rákötve egy rca-jack kábel. Én erre a pontra közöttem az előerősítő kimenetét.
Nekem nem tiszta, hogy mit mire kötöttél. A hangszóróvezetékre kötötted az előerősítőt? Az biztosan nem jó. Ez egy előerősítő, vonalszintű jelre. Nem teljesítmény erősítő, a kimenete nem tud meghajtani hangszórókat. Mivel gyenge volt ahhoz az eszközhöz a bemenet érzékenysége, amit rákötöttél, oda kell tenni az AUX bemenet és a forrás közé.
Az üres kazetta rész mit jelent? A fejre kötötted? Vagy a magnó rész fej utáni erősítője után? Vagy egy kazettaadapter van a magnódban? Konkrétabban írd meg, így csak barkóbázni lehet. A féltáp meg van az 5 és a 3-as lábon? A hozzászólás módosítva: Márc 28, 2020
|
Bejelentkezés
Hirdetés |














