Fórum témák
» Több friss téma |
Szeretnék csinálni egy csöves tápegységet az erősítőmhöz AZ1-es elektroncsővel(ebből van itthon)De az a problémám hogy olyan trafóm van ami 1-szer ad le 320V-ot.Ahoz lehetne használni valahogy? (Itt az ajánlott bekötés a fájlmellékletben)
Szia!
Ha érdekel a dolog, van olyan trafóm, amilyet keresel. Ingyen odaadhatom. De szerintem felesleges csöves táppal vesződni. Félvezetőkkel a te trafóddal is simán megtudod oldani.
Lehetne, de csak 1 utast lehet belőle készíteni. 6,3V-ból lehet 4V-ot csinálni, előtét ellenállással.
Ajánlom figyelmedbe a "csöves erősítő készítése" fórumot.
Egyébként csak azért szeretném csővel mert elég kis semilyen csövek vannak benne és egész jól mututna középen valami jó nagy testes elektroncső
.
Így más a leányzó fekvése!
A trafó 2x300V/ 0,1A, 6,3V és 4V (fejből nem tudom az áramot), de direkt neked való.
A 6,3 v os rész elbír 2 db el84 et és 2 db ef86-ot? Kívülről 'szalonképes' állapotban van?
Látogass el << IDE! >> ! :yes: ha érdekel az elektroncsöves technológia...
S van egy jó cikk TÁPEGYSÉGEKRŐL is ! S egy kis infő az AZ1-es csőről: AZ1 Első detű : A = Cső fűtése 4V Másodikbetű : Z = Duódióda. (Kettős kételektródás "hálózati egyenirányító" cső.) Uf (Fűtőfeszültség) : 4V. If (Fűtőéram) : 1,1A UA (Anódfeszültség, AC, effektív, !!! MAX !!!): 500V IA (Anódáram / ha az UA=500V / ) : 120mA MAGYARI BÉLA ELEKTRONCSŐ-ATLASZ 2. [off] Közben meg is oldódott...
A kapcsolás amit meg fogok csinálni az is az elektroncső.hu ról van .Azert köszi!
OK!
Remélem a csőadatokat ezért majd tudod használni...
igen azzal sokat segítettél mert a fütőfeszt nem tudtam hogy hány A-n eszi föl
Már régen szerztem, de nem volt semmiben sem, csak próbaképp volt egy csöves erősítőben.
képed nincs róla véletlenül? a 6v ot hány a on tudja kb
Ha nem túl sürgős a dolog, holnap este tudnám közölni az adatokat, de semmi vész! Ezek a trafók egy 6 csöves készüléket hajtottak. H akarod, írd meg a címed és elküldöm. Ingyen és bérmentve.
Privátba írjam a címem? Ha 6 csöves volt akkor meg se kell mérneb!
Szia !
Ha tudsz szerezni valami régi rádióból hálózati trafót,akkor azzal próbálkozz. Általában ott megvan a 2x300 V. A 6,3V-os fűtést meg könnyen meg tudod oldani 4V-ra. Az a jó a csöves tápban, hogy egyszerre fűtenek fel a csövek, nem kell anódtáp késleltetéssel játszani mint a félvezetős tápoknál. Üdv! Luki
ezér is gondoltam csöves tápra
Williamson-hoz kellen csöves táp. Ha van valakinek ötlete szívesen fogadnám. Elkezdtem tervezni én is, de sajnos nagyon kevés időm van. Ha elkészül a rajz akkor felteszem.
rhesus
A direktfűtésű egyenirányító csövek azért nem alkalmasak anódfeszültség késleltetésre, mert sokkal gyorsabban felfűtenek, mint a többi cső, amik általában indirekt fűtésűek, ezért érdemes egyenirányítóból is indirekt fűtésűt választani.
EZ 81 alkalmas erre a célra, de ott is kell a dupla szekunder tekercs. Van nagyobb áramú is, de az sima dióda, nem duodióda ez pedig nem más, mint a jóöreg PY88, ezt lehet graetzbe kötve is használni, ha nagyon mazochista vagy
Sok helyen láttam ehhez a csőhöz 5U4G diódát. A legtöbb kapcsolásban ezt alkalmazzák.
Sziasztok!
Segítene valaki ? Ebben a kapcsolásban miért van egy kondenzátorral a földre kötve a hálózati feszültség ?
Üdv Mindenkinek!
Sajnos a szekunder csak 2kivezetéses, így ezt érdemes megépíteni?
Érdemes lehet, mert gyakorlatilag egy Greatz hidat készítettél. Azt nem tudom, hogy a felemás híd hogyan fog szuperálni a gyakorlatban, elméletileg rendben van. Próba cseresznye, vesztenivalód nincs. 1N4007 vagy valami hasonló megteszi.
Szia!
Köszi, az elmélet rendben. Így megcsinálom.
Üdv!
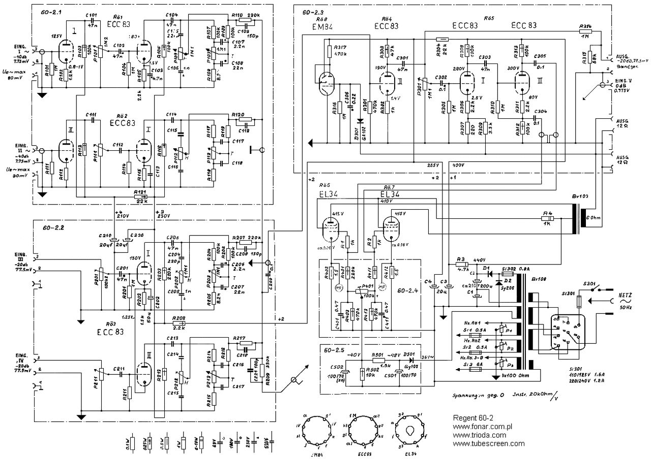
Van egy 1965-ös Vermona Regent 60-as 40 Wattos csöves erősítőm.A hálózati trafó szekunder része menetzárlatos, a fűtőfeszültségek megvannak, viszont a másik két tekercs, ami az anódfeszültséget és az erősítő tápellátását szolgáltatja menetzárlatosak...valószínű, azért, mert az előző tulaj a 800 mA-es biztosíték helyett szépen betett egy 6 A-est. :S Az lenne a kérdésem, hogy tudtok-e a trafójához dokumentációt, esetleg feszültségértékeket vagy van-e valakinek eladó? A válaszokat előre is köszönöm! ![]() A kapcsolási rajzot mellékeltem.
Ahogy nézem, csak egy hálózati trafó van. Ha bármelyik tekercse menetzárlatos lenne, melegedne rendesen, és semmilyen feszültsége nem lenne rendben. Sőt, a szekunder terhelések sem lehetnek rövidzárban. Ott más lehet a probléma. Összesen egy tekercs adja az anódfeszültséget egy feszültség kétszerezőre. (két dióda, két kondi. Szerintem inkább azok lesznek a bűnösök) de vedd ki a B201 biztit, és mérd meg a tekercs feszültségét. Az lehet szakadt, de menetzárlatos semmiképp.
Vásároltam Ecc82 csövekkel működő mm/mc előerősítőt és a hozzáadott hv400-as tápegységet összerforrasztható KIT-ben. A fűtés megy kíválóan, de a tápon nem tudom beállítani a 260V feszültséget a trimmerrel. Keresek egy szakembert, aki tudna segíteni ebben. Honorálom anyagilag a segítségét.
|
Bejelentkezés
Hirdetés |





.
Remélem a csőadatokat ezért majd tudod használni...











