Fórum témák
» Több friss téma |
Valamiért nem tudom megnyitni a fájlt.
Nem tudnád sima képbe felraknii? És olyat hogyan leheten csinálni,hogy szaggasa a fényt? tommy55 nincsen véletlenül képed esetleg videód a 3 tükrös lézeredről? Nagyon érdekelne és az is,hogy milyen ábrákat lehet kihozni belőle.
Jah igen, elfelejtettem mondai, hogy sprint layout 5.0-ával tudod megnyitni.
A szaggatást nem tudom hogyan kell. És ez át lett alakítva, erre nem is tudod bekötni a szaggatást. Ha képet teszek fel akkor csak úgy tudod majd csinálni a nyákot a lemásolod, mert nem tudom az arányt meg a háttér is... nah majd meglátod. (nemsoká jövök) ui.: Itt a kép, ez felülnézet, tehát az alkatrész felőli oldal, vigyázz mert véletlenül rossz file-nevet adta mmeg neki, ez az ALKATRÉSZ felőli oldal, csak már nem akartam kijavítani.
Rendben köszi.
Valakinek nincsen valamilyen kapcsolási rajza,hogy tudjam szaggatni a fényt?
Nagyon szívesen. (nem én terveztem a kapcsolást)
2 potméter van rajta, az egyik nem is kell a másikkal meg az áramerősséget tudod állítani. Először majd állítsd be 195mA-re aztán tedd rá a lézert. A másik potméter az pont a szaggatás időközét állítaná, de át van tervezve a nyák, ezen nem tudom hova kell kötni vagy hogy belehet-e a négyszögjelet kötni.
Nem-nem, nem kell hozzá áramgenerátor!
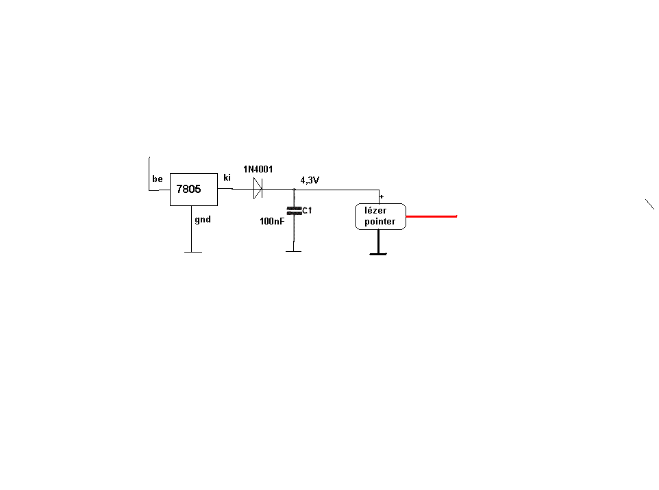
Ebbe már bele van építve (ha szétcsavarod látod, ott az SMD). Szimplán rakj elé egy ilyet! Én is így használom és semmi baja! (Ja, amúgy nekem szükséges volt ez elé egy LM7805 is).
köszi
Neked van hűtés rajta? Eddig mennyi ideig használtad egyhuzamba? Szerinted mennyi ideig lehet folyamatosan működtetni? Erre a rajzra gondoltál ami a képen látható?
Régebben csak próbálkozásképpen egyszerűen elétartottam még egy (forgó) tükröt a már megépített lézershow elé, szóval nem állíndóra csináltam, de szeretném véglegesen beépíteni. Amint lesz rá időm meg is csinálom aztán levideózom a végeredményt.
értem ,köszi
Izgatottan várom a végeredményt
Nekem nincs rajta hűtés, szerintem nem is szükséges. Max fél órát használtam eddig egyhuzamba, mert többre nem volt szükség.
Nagy eséllyel sikerül eladnom. Az alőző hozzászólásomban ott van a link, arra a rajzra gondoltam!
pillanatragasztóval ráraktam a motorra a tükröt, a papiron az van hogy a ragasztás 1-5 perc alatt végbemegy, a teljes ragasztási idő 12-24 óra. most várjak 12-24 órát?
Én vártam, mert valóban a teljes megszilárdulásig, míg minden részecske maximálisan megköt az 12-24 óra.
Aztán elég veszélyes amikor lerepül a tükör... multkor nekem lerepült, mert nem figyeltem és egy másik motorra tettem át a tükört próbaként, csak annak pár század miliméterrel vékonyabb lehetett a tengelye és olyan 10 másodperc után lerepült róla... még megvan a nyoma ...
ja oké, de te közvetlenül a tengelyre raktad föl?
dehogy! Hanm ami a motoron volt eredetileg arra a kis csigára... és a másik motor tengelye volt pár század mm-rel vékonyabb mint a csigán lévő furat illetve a másik motor tengelye
Most nekem lenne szükségem segítségre lézerrel kapcsolatban... Eddig teljesen jól működött maga a lézerem, de tegnap bedugtam a dugasztápot (megfelelő áramkör, áramgenerátor megvan hozzá) és nem világított... leforrasztottam a diódáról a vezetékeket, amjd vissza, működött... úgy kapcsoltam ki a lézert, hogy működött... ma hazajövök bedugom, nem működik... a dióda lábán rámértem és megkapja a 190mA-ert és a 4V-ot.
Mi lehet a gond?
A motorok másik dugasztápra vannak rákötve, mert ez csak kipróbálás képp vlt bekötve, majd PC tápról fog menni minden.
A lézermodul az 1 dugasztápon van és nincs más rákötve.
Hol? Akkor már cask azon a kb 3mm-en lehet kontakthibás ahol a dióda lába belemegy a diódán belül a házába...
Mert odaáig eljut a fesz és nincs rövidre zárva sem. Meghalt volna a dióda?
hát nemtudom, ha áramgenerátorral hajtod meg akkor elvileg nemszabadna kiégnie. feltéve ha nem adtál neki túl sok ampert
Nem, az biztos nem lehet gond 190mA van rajta, a trimmer amivel lehet állítani, az műanyag ragasztóval le is van ragasztva, hogy véletlenül se tekeredjen el, bár már az is nehéz lenne ha nem lenne leragasztva és úgy eltekeredne.
Akkor kizárásos alapon a diódával van a baj. Lehet hogy már döglődik.
Akkor teszek bele egy másikat :no:
Csak most nem tudom, hogy ez hányszoros író volt, mert a burkolatát nem adták vele... Az IC-ken látom a NEC márkajelzést, meg a típusait, de ebből nemhiszem, hogy rájönnék hányszoros lett volna az író...
Idegességembe beleraktam a NEC DVD íróból kiszedett diódát, jól belehúztam satuval... eddig a fókuszlencsét ragasztóval kellett odarögzítenem mert pont úgy volt a jó a fókusza ha rá teszem a réz tetejére és még nem csavarom bele...
Most elég csak belecsavarnom és így tudom állítani a fókuszt is... de ahogy láttam ez a dióda 1mm-rel alacsonyabb is volt az előzőhöz képest (Azt hiszem LG) Amit kivettem diódát, félretettem, majd utánajárok mi lett vele... :no:
Azt honnan tudom,hogy kell e hűtés a lézernek?
Azt,hogy melegszik azt a burkolatán lehet érezni?
Inkább tegyél rá hűtést, az a biztos
Okés rárakok valami izom nagyot mert ez éjszakákon át menni fog
|
Bejelentkezés
Hirdetés |





(Ja, amúgy nekem szükséges volt ez elé egy LM7805 is). 
Nagy eséllyel sikerül eladnom. Az alőző hozzászólásomban ott van a link, arra a rajzra gondoltam!
(nembaj "csak" 400Ft volt) 