Fórum témák

» Több friss téma
Fórum » Muzeális készülékek-alkatrészek restaurálása
Lapozás: OK   537 / 584
(#) tiko77 válasza fgyj hozzászólására (») Júl 6, 2020 / 1
 
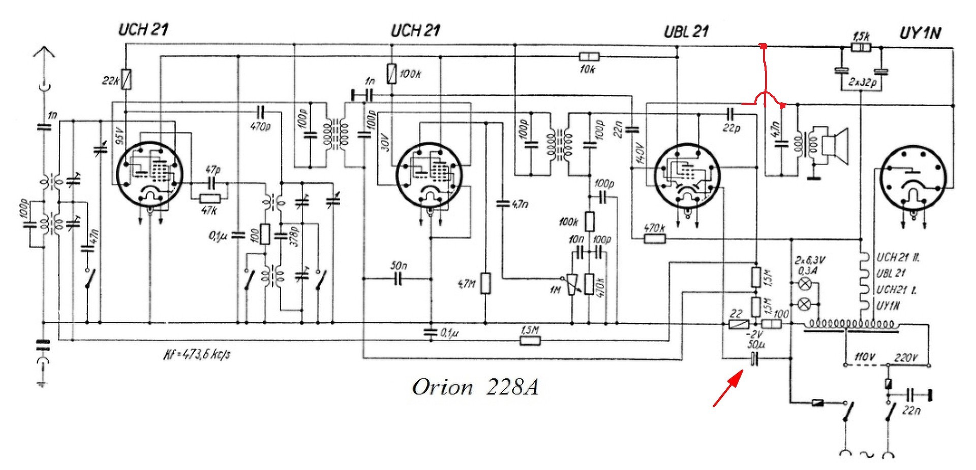
Amúgy fura, mert az általad használt rajz és egy másik között több eltérést is találtam. A tiéden a 2x32p, ami egyébként mikró lenne (gondolom nyomdahiba) a másikon csak 12 és 32uF
Szerintem a rajzzal is lesz gond.
A hozzászólás módosítva: Júl 6, 2020
(#) Gafly válasza tiko77 hozzászólására (») Júl 6, 2020 /
 
Merthogy ez "kamu szénszálas", szerintem...
(#) tiko77 válasza tiko77 hozzászólására (») Júl 6, 2020 /
 
...Főleg a kimenő trafó környékén.
A hozzászólás módosítva: Júl 6, 2020
(#) fgyj válasza tiko77 hozzászólására (») Júl 6, 2020 /
 
-- a "12 és 32"-t Te elnézted. 32 a másik is, csak egy kissé torz a 3 (de nem 1);
-- egy-két eltérést megmagyarázhat az, hogy 228A több üzemben is készült, a 4,7 n és 10 n működőképes verziók (szerintem az 50 n és 100 n is);
-- a legkérdésesebb eltérés a 10 k és 100 k (nem hiszem, hogy mindegy);
-- és több rajzolási eltérés.

A közreadott kapcsolási rajzokban (pl. Kádár-könyvek) sok ilyesmi van.
(#) tiko77 válasza fgyj hozzászólására (») Júl 6, 2020 /
 
Jobban kinagyítva tényleg, simán lehet 32, viszont akkor a 10K-100K is lehet tévedés, gondolom ami benne van eredetileg azt érdemes alapul venni.
(#) Josika001 hozzászólása Júl 8, 2020 /
 
Üdv!
Nem emlékszem, lehet, hogy volt már szó erről a készülékről, de most újabb probléma jött...
Supraphon Stereo gzc641a...
A probléma pedig az, hogy búg, de egyébként szépen szól...
Szűrőkondi, vagy valami más lehet a nyűgje?
A hozzászólás módosítva: Júl 8, 2020
(#) fgyj hozzászólása Júl 13, 2020 /
 
Kedves Segítők! A felmerült cseréket, módosításokat sorra megpróbáltam. Egy kicsit csökkent végül a búgás, de az eredetileg jelzett kettőssége megmaradt. Ha külső HF-jelet erősítek, az izmos erősítés elnyomja a búgást, de a szellemi kihívás (tudniillik hogy mi okozza) megmaradt. Köszönöm az eddigi tanácsokat. A kapcsolási rajzon jelöltem a változásokat (egyébként a rádiórészt kiiktattam - az első cső persze a fűtésláncban megmaradt).
Hálából holnap fölteszek ide egy rádiótörténeti rejtvényt, nyári szórakozásként
(#) jani1987 válasza fgyj hozzászólására (») Júl 13, 2020 /
 
Gondolom minden alkatrészt átvizsgáltál és egy sem maradt ki.
(#) gkari válasza fgyj hozzászólására (») Júl 13, 2020 /
 
Próbáld az UBL rácslevezető ellenállását a katódra tenni!
(#) ferci válasza gkari hozzászólására (») Júl 13, 2020 /
 
Aztán jó nagy lenne az anódáram 0 voltos Ug1-nél..
(#) fecameca válasza fgyj hozzászólására (») Júl 13, 2020 / 2
 
Nem akartam eddig nagyon beleszólni, mert ilyen rádiót valószínűleg sosem javítottam. De azért némi tapasztalat alapján kijelenthetem, hogy némelyik készülék újonnan sem volt teljesen csendes. Például a hál. trafó közvetlenül rászór a hangszóróra, ez a képről egyértelműen látszik. Gondolom a fűtés vezetékek és a rácsokra menő vezetékek sem úgy lettek szerelve annak idején, hogy ne szórjanak egymásra.
(#) VJ72 válasza fecameca hozzászólására (») Júl 13, 2020 / 1
 
És az egyutas egyenirányítót se felejtsük el, szerintem túl nagy igényeket támaszt a készülékkel szemben a kolléga.
(#) gkari válasza ferci hozzászólására (») Júl 13, 2020 /
 
Dehogy lenne! Számoljuk csak ki, hogy a 470000 ohm hogyan aránylik a 100-hoz! De ha nagyon aggódunk, akkor ez az ellenállat lehet akár 1 Megohm is.
A hozzászólás módosítva: Júl 13, 2020
(#) ferci válasza gkari hozzászólására (») Júl 14, 2020 /
 
Nem kell itt számolni...
Ha te összekötöd a g1-et a katóddal, az azt jelenti, nem lesz negatív előfeszültsége a csőnek.
Azáltal, hogy a 470 kohm nem 100 ohmos "poti" alól kapja a feszültséget ( a legnegatívabb pontról ), megszünteted az automatikus előfeszültséget ( a -8,3 volt megszűnik a cső számára ).
Megjegyzem még, hogy mindegy, mivel kötsz fel a rács felé, mert nem folyik rácsáram és teljesen mindegy lenne ebben az esetben, hogy 1 Mohm vagy 470 kohm.
(#) pucuka válasza fgyj hozzászólására (») Júl 14, 2020 / 1
 
Próbálkozhatsz (ha van rá mód) csövek cseréjével. Első körben cseréld meg a két UCH -t, aztán érdemes lenne egy másik UBL.
A második UCH trióda rácsában a 4,7 MΩ -t ellenőrizd.
(#) fgyj hozzászólása Júl 14, 2020 /
 
Tegnap rádiótörténeti rejtvényt ígértem - nyári szórakozásként.

Ezt nézd meg, micsoda lomtalanítás! Vagy nem az? A felsorolt változatok közül melyik a legvalószínűbb magyarázat a kép tartalmára?

A) Az első világháború végén bárki elvihette a háború évei alatt beszolgáltatott rádiókat.
B) A gazdasági világválság idején az eladhatatlan rádiókat a gyárak kidobták az utcára.
C) A második világháború végén bárki elvihette a háború évei alatt beszolgáltatott rádiókat.
D) 1956 októberében a forradalmárok kiosztják a rászorulóknak az ÁVH székházában talált, elkobzott luxusrádiókat.
E) Lomtalanítás napjainkban. A fokozott fertőzésveszély miatt katonák őrzik a veszélyes hulladékot.
F) A Te egyéni magyarázatod: ...

Az ötletes játékosok között egy dicséretet fogok kisorsolni.
A hozzászólás módosítva: Júl 14, 2020
(#) ferci válasza fgyj hozzászólására (») Júl 14, 2020 / 1
 
Figyeld, haver!... Már jönnek is a hobbielektronikások hosszú tömött sorban, talán jut egy mindenkinek..
(#) _BiG_ válasza fgyj hozzászólására (») Júl 14, 2020 / 1
 
Hm, a C?
(#) gkari válasza ferci hozzászólására (») Júl 14, 2020 /
 
Idézet:
„rácslevezető ellenállását a katódra”
, tehát nem a rácsot.
(#) Fantasy válasza fgyj hozzászólására (») Júl 14, 2020 / 1
 
Milyen jó lenne ilyenkor egy időgép...
(#) ferci válasza gkari hozzászólására (») Júl 14, 2020 /
 
Már egyszer leírtam: ha te a 470 kohmot a katódhoz kötöd ( vagy a vezérrácsot ..), teljesen mindegy: Ug-k 0 volt lesz és megszünt az automatikus rácselőfeszültség.
A cső negatív rácselőfeszültség nélkül sokkal nagyobb áramot fog felvenni.
(#) szalamandra válasza fgyj hozzászólására (») Júl 14, 2020 / 2
 
A témához kapcsolódóan:
Bővebben: Link
(#) fgyj válasza szalamandra hozzászólására (») Júl 14, 2020 /
 
Köszönöm az érdekes dokumentumot.
Tanulságos elolvasni: hogyan pusztult el a háború alatt és után a nagyon jelentős magyar rádióállomány java része.
(#) VJ72 válasza ferci hozzászólására (») Júl 14, 2020 /
 
Pontosan, a rácsot a katóddal összekötve dióda lesz a pentódából.
(#) Szikravadasz válasza fgyj hozzászólására (») Júl 14, 2020 / 1
 
A kharkovforum.com-ról, Google fordítóval:

"Látja, mi a helyzet ... Én egy viszonylag kicsi közösséget képviseltem, akik retro rádiót tanulnak és régi idők rádiókészleteinek vannak. A háború elején, amint tudod, a külön rendeléssel összhangban a lakosság átadta a speciális kapcsolattartó pontoknak. A németek azokat is lelőtték, akik megtalálják a rádiót. Általában e tekintetben ásjuk a kérdés történetét. Aztán egy német oldalon jelenik meg ez a fénykép. A szerző szerint a képet egy európai város egyikében készítették. De akkor látjuk, hogy a készülékek szovjetek, és Európában akkoriban egyszerűen nem léteztek. És így felmerült a kérdés: melyik város, és ez a kérdés nagyon fontos.

Három lehetőség: Rostov, Kijev, Kharkov. Az első szinte eltűnik - ott a kezdeti megszállás nem volt ilyen hosszú. Kijev lehet Harkov. Hajlamosak vagyok arra gondolni, hogy Kharkov. Bár a kijevi fórumon ilyen kérdést vettek fel. Igen, a távolban lévő ablakokon deszkáktól és minden egyéb építkezés található, amelyek megakadályozzák a töredékek behatolását és más veszélyeket.

Köszönöm mindenkinek észrevételeit. Itt egy világosabb és élesebb fotó, amelyben a retro rádió fórumok résztvevőinek feljegyzései vannak. Különösen arra kérem, hogy közelebbről vizsgálja meg a szúnyoghasználó üzenetét . Mert a régi cirkusz területén volt a vevők kiszállítási pontja. Ezt a területet gondoltam el és javaslom."
(#) fgyj válasza Szikravadasz hozzászólására (») Júl 14, 2020 /
 
Már a második meglepő anyag a témában!
A diktatórikus rendszerek mindenütt tiltották a szabad rádióhasználatot. A képpel kapcsolatban a német megszállásról van szó - de a szovjet hatalom is keményen megszabta ám, hogy mit hallgathatnak a polgárai (pl. vezetékes rádió, utcai hangszórók).
(Érdekes, ahogy a szöveg írója szembeállítja a "szovjet"-et Európával, pedig hát Európa akkor is az Urálig terjedt.)
(#) _BiG_ válasza fgyj hozzászólására (») Júl 15, 2020 /
 
Idézet:
„A diktatórikus rendszerek mindenütt tiltották a szabad rádióhasználatot. A képpel kapcsolatban a német megszállásról van szó - de a szovjet hatalom is keményen megszabta ám, hogy mit hallgathatnak a polgárai (pl. vezetékes rádió, utcai hangszórók).”

Svájcban is volt vezetékes rádió, pedig állítólag nem diktatórikus ott a szisztéma...
(#) tiko77 válasza fgyj hozzászólására (») Júl 15, 2020 / 2
 
Egy másik szomorú kép a témával kapcsolatban.
(#) fgyj válasza _BiG_ hozzászólására (») Júl 15, 2020 / 1
 
Csak a "rejtvény" új adatához (Szikravadász) fűztem azt a mondatot, nem volt célom a kérdés részletezése.
Ami Svájcot illeti, ott a hegyes vidéken rossz volt a hullámterjedés, ezért 1931-től telefon alapú rendszert építettek ki.
Akit a részletek érdekelnek:
http://lazarbibi.hu/index.php/technikatortenet/79-a-vezetekes-radio
(Balás B. Dénes A távírótól a rádióig c. könyve alapján)
A magyar rádiózás ezen témájáról:
https://archivnet.hu/politika/a_nepradio_es_a_vezetekes_radio_az_ot...n.html
(#) _BiG_ válasza fgyj hozzászólására (») Júl 15, 2020 / 2
 
Tudom, hogy a hegyes vidék miatt macerás volt a rádiózás, ez volt a kényszer, nem a hatalom. Az az érdekesség, ahogy megpróbálták más-más hullámhosszon továbbítani a jeleket a dróton, hogy kb. ugyanaz legyen, mintha antennával vennék.
Következő: »»   537 / 584
Bejelentkezés

Belépés

Hirdetés
XDT.hu
Az oldalon sütiket használunk a helyes működéshez. Bővebb információt az adatvédelmi szabályzatban olvashatsz. Megértettem