Fórum témák
» Több friss téma |
Fórum » Muzeális készülékek-alkatrészek restaurálása
Témaindító: Kutyuli, idő: Márc 29, 2008
Témakörök:
Egy kicsit sok érte. Nézz szét a hírdető oldalakon. V... ra. Jó.... S ott vannak árak is.
OK, de csak emilben tudom küldeni, ide nem férne fel.
Sziasztok. Ma szereztem egy BRG Calypso M8 magnót, hiányos. Keresek hozzá sebességváltó gombot, szalag-nyomógörgőt, ékszíjat, és ha jól sejtem, a fedlap alatt volt egy relé is, (ami ebből szintén hiányzik) lehet hogy az a "pause"? egy ilyen relét is keresek a hozzákapcsolódó mechanikával.
Egy kis nyári rádiós meglepetés. Ha azt hiszed, hogy a fotón egy kétgombos, fadobozos Néprádió látható (kokárdával), akkor nagyon tévedsz. Egy hirdetés szerint ugyanis:
„Budapest néprádió működő képes eladó 18 000 Ft Régiség gyűjtők, retró kedvelők figyelem. Az 1900-as évek elején gyártott Budapest nép rádió / Orion / Pajtás 313 típusú csöves üzemképes rádió jó áron eladó !” Legyen ebből is egy kis fejtörő! Szerinted melyik a szöveg legvadabb állítása?
Bemutatom érdekes Néprádió-párosomat, amelyeknek felújítása sok munkával elkészült, és már békésen pihennek egymás mellett.
Mindkettő fémdobozos 313-as; az egyik eredeti hangolású, a másik korabeli egyéni átalakítású. Szépen működnek. (Egy gyűjtemény érdekes színfoltjai lehetnének, mert dokumentálják az 50-es évek ellentmondásos világát: a politika korlátozó törekvését és az igényt a külföldi rádióadások vételére.)
Aki szeretne egy jó hosszú délutáni olvasmány sort annak ajánlom az alábbi linket.
A pipákra kattintva nyitja meg a hatalmas PDF-eket, Amerikai angol ujságok rádió /TV és egyéb kapcsolásaival. Többnyire az 1930-tól 1941-ig vannak de az oldalt böngészve van több része is. Jó olvasást. Itt pedig az oldal
1. Ez nem Budapest, hanem Rákosi féle néprádió.
2. Nem az 1900-as évek elején, hanem az ötvenes években gyártották. 3. Az eladó össze-vissza zagyvál mindent...
A boltokban a húsokon is van nemzeti zászlócska! Miért ne lehetne bevezetni az ilyen jelzést a műszaki cikkeken is? A mi hirdetőnk ebben úttörő szerepet vállalt. (Már csak ezért is megérdemelné a jelzett árat. Az egyébként tényleg "jó ár" - az eladónak.)
A hozzászólás módosítva: Aug 17, 2020
Sziasztok !
Egy Videoton TS3307 javításával foglakozom (ami nagyon hasonlít a TS4317-re). Az egész úgy kezdődött, hogy bekapcsoltam, megjelent a kép, majd elkezdett sercegni, és büdös lenni, majd végül a kép is elment. Ebből arra következtettem, hogy a sorvégfok környékén van a hiba, sajnos megégett a sokszorozó. (Később a sorvég tranyót megmérve az egyik irányba átvezetett, szóval ezt is cseréltem. Ezek mellett biztos ami biztos alapon egy teljes elkócserét is végeztem.) A tv-ben egy lengyel TPN-32 sokszorozó volt eredetileg. De ilyet sehol nem kaptam újonnan, ezért TPN-31-ből rendeltem tartalékba is. Elméletileg ez is megfelel, viszont olvastam, hogy a fókuszfeszültségek között van csak különbség a két típusban: TPN31: 6,3-7,6 kV és TPN32: 5,5-6,5 kV. Az lenne a kérdésem, hogy a fókuszpotméterhez szükséges lenne-e egy ellenállást beforrasztani sorba kötve, vagy akár a régi potmétert is betehetem? Ha szerintetek mégis csak kellene (én is így gondolom), akkor hány ohmos és wattos ellenállást javasolnátok? A másik kérdés: Sajnos a sokszorozó beépítése közben túlmelegítettem a sorkimenő trafó forrszemét, így leesett. Némi ügyeskedéssel visszaforrasztottam a leszakadt vezetéket is. A forrszem rögzítéséhez mit javasolnátok? Most ideiglenesen egy gyorskötözővel fixáltam.
Miért nem kopizod be az összes fórumtémához a kérdésedet?
Már három helyen szerepel eddig! A hozzászólás módosítva: Aug 18, 2020
Sziasztok.
Ma szereztem egy 16mm film vetítőt. Valakinek lenne hozzá objektív? Az objektív tipusa ha minden igaz:Kinga Projektor objektív 1,6 / 65 mm, MOM Budapest A vetítő egy magyar gyártmányú, Terta BM 2005
Megvettem az Orion 201-es rádiót és épp a dobozából venném ki de egy csavar ami tartja pont az embléma alatt van. Hogy tudom kíméletesen kivenni?
Szerkesztés: van egy csavar hátul mivel hosszú száras. Probléma megoldva.
Sziasztok!
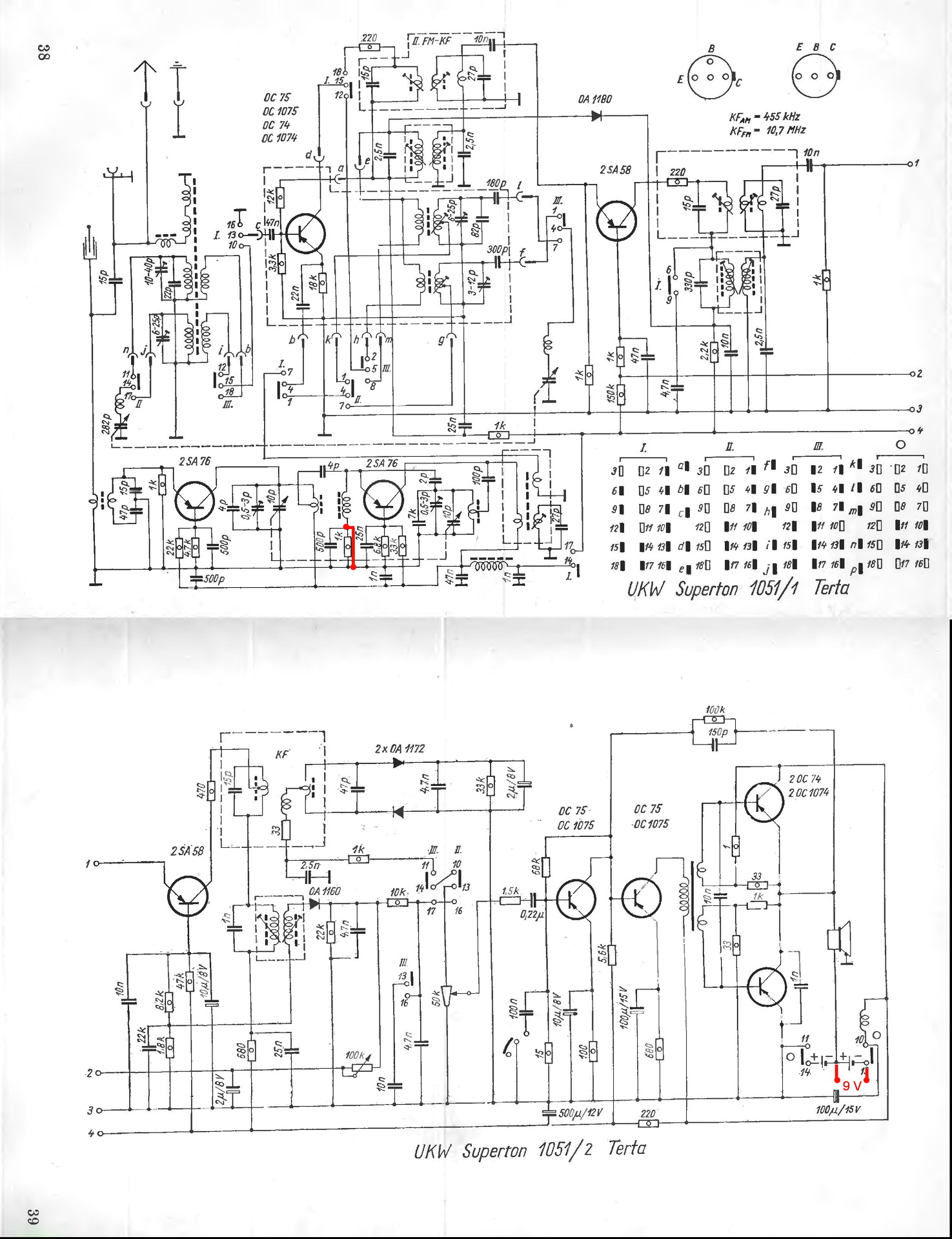
Egy Orion UKW Supertont próbálok szalonképessé tenni. Át volt hangolva OIRT normára, azt visszacsináltam, kicsit recsegősen, de jól szólt. Elmosogattam, hagytam alaposan kiszáradni, de a próbánál félrekötöttem a tápját. 2x 4,5 V labortápról megy. A képen berajzoltam, mit tettem. ![]() Most az a jelenség, hogy a két AM sávon rendesen működik, de az URH-n csak akkor szólal meg, ha az FM panelen a jelzett pontokat összezárom, de így is nagyon-nagyon halk. Az összezárás pillanatában hangosabb, de azonnal lehalkul. Lehet, hogy a két 2SA76 megpusztult? A hangolás megy. Előre is köszönöm a segítséget.
Milyen munkaponti feszültségeket tudsz mérni a tranzisztorok E B C pontjain?
Ebből lehetne sejteni az állapotukat. Jobb esetben a szervizkönyvekben vannak tájékoztató jellegű DC munkaponti értékek is tranzisztoronként.
Ma egy kicsit el voltam havazódva, remélem, holnap tudok méregetni.
A házat rendbe raktam, most már jöhet az elektronika. Pár kondit kiforrasztottam és bemértem. A 10n kondi például 20n, az 50 meg 100. Na mindegy. Működés közben recseg de mint az állat. Majd átnézem a potmétert is. Mi okozhatja ezt a recsegést? Orion AR201.
A nagyon magas mért kapacitásérték gyanús, ha nem elektrolitkondiról van szó. Okozhatja szivárgás. Érdemes megmérni a kondenzátort a névleges feszültségének közelében úgy, hogy egy soros, nagyértékű ellenállást kell vele sorba kötni és azon egyenfeszültséget mérni, de nagy belsőellenállású műszerrel. Így, ha van feszültség az ellenálláson, akkor ezekből számítható az áram és a feszültségkülönbség a mérőfeszültség és a mért feszültség között és a mért áram hányadosa lesz a szigetelési ellenállás. Ami nem lehet kicsi.
Na. Annyi haladás már van, hogy a házat rendbe tettem. A kondik azonban sorra buknak el a teszten így cserélem őket. Szűkön mérem a tűrést.
Még 2 kép.
Egy kis adalék.
Egész jó állapotú a doboz/káva.
Belül kend ki fakonzerválóval, nem mennek bele később a rovarok/szú stb. A régi papírcsöves kondikat cseréld, ha szükséges. Ha nagyon autentikus akarsz lenni, az új kondikat be lehet építeni a régi papírcsőbe, a két végét pedig nem ecetsavas fekete szilikonnal le lehet zárni.
Mivel nem ragaszkodom az eredeti állapot megtartására így az új alkatrész felér egy isten káromlással.
A doboz lakk rétege vissza lett csiszolva. Aztán kapott egy olaj réteget majd egy spray lakk réteget.
Az érdekes kondi, ha negatív az ellenállása!
Erre gondoltam én is, viszont akkor még lehet jó!
|
Bejelentkezés
Hirdetés |



















