Fórum témák

» Több friss téma
Fórum » Ki mit épített?
 
Témaindító: Dióda, idő: Jan 26, 2006
Ez a téma ha úgy tetszik a mi "kiállítótermünk", nem pedig a ki mit csinált volna másképpen, mások helyett, és legfőképpen nem javítós téma. Minden készüléknek van saját témája, ott kell kitárgyalni a részleteket!
FONTOS! A kapcsolási rajzok keresésére is van saját téma, ott keressetek rajzokat!
Lapozás: OK   1569 / 1708
(#) bokonyi001 hozzászólása Szept 19, 2020 / 23
 
Sziasztok.
Első sajátkezüleg épitett rádióm, oa1160 diódával.
Dankó Rádiót szépen veszi.
(#) Gafly válasza bokonyi001 hozzászólására (») Szept 19, 2020 /
 
Elsőnek meglehetősen tökéletes.
A hozzászólás módosítva: Szept 19, 2020
(#) mnyugger válasza Gafly hozzászólására (») Szept 19, 2020 /
 
Anno még csináltunk ólomból és kénből kristályt.
(#) Josi777 hozzászólása Szept 20, 2020 / 2
 
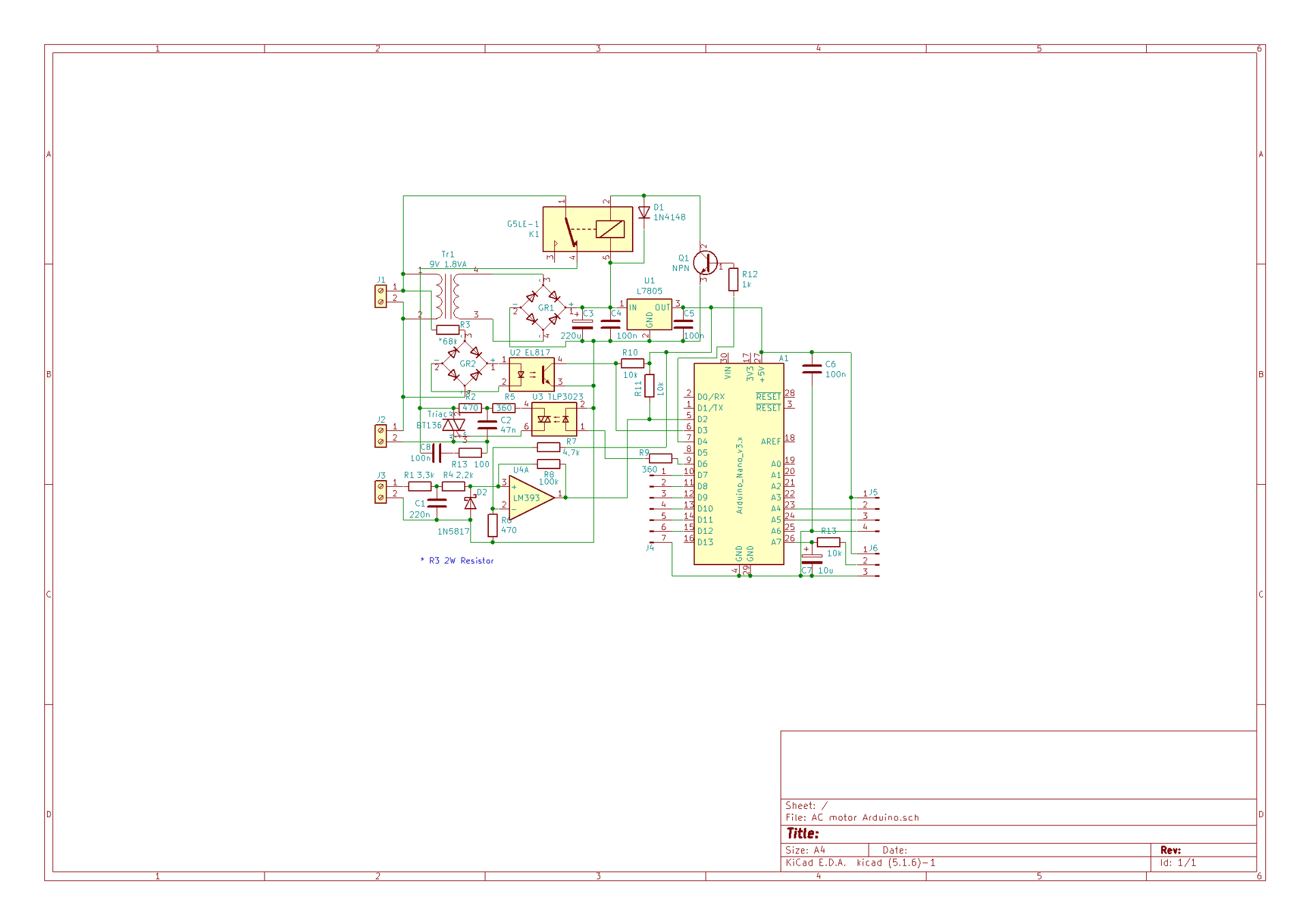
Egy kolléga kérte még a publikálás előtt egy korábbi hozzászólásban bemutatott Arduinós mosógép motor fordulatszám szabályozójának a kapcsolási rajzát. Remélem nem gond, hogy most kerül ide a rajz.
(#) mnyugger válasza Josi777 hozzászólására (») Szept 20, 2020 / 1
 
Ehhez kezdtem hozzá:
(#) igor4122 hozzászólása Szept 20, 2020 / 4
 
Üdv mindenkinek.

Mindig zavart a Silver Star fémkeresőm belsejében elterpeszkedő vezeték dzsungel, de megoldottam.
Most főhet a fejem a szétszedés miatt, ha netán javítani kell.

Amúgy két nagy panelt tartalmaz, az egyikre a kereső panel került, precíziós tüske- és hüvelysorokkal felfogatva, plusz a potméterek, a másikra a 18650-es akku foglalatok kerültek, a többi kisebb panel csak árnyékolási célt szolgál.
A panelek között az áram továbbítást a távtartó csavarokra bíztam.

Tudom hogy kicsit ronda,de hibátlanul működik.
(#) sargarigo válasza igor4122 hozzászólására (») Szept 20, 2020 /
 
Tök jó!
Mondjuk a csavaron átvezetés picit meredeknek tűnik, de ha működik!
(#) igor4122 válasza sargarigo hozzászólására (») Szept 20, 2020 /
 
Bevallom, emiatt én is aggódtam kicsit, de meglepően jó lett.

Csak a reset gomb, az érzékenység kapcsoló, a fej bekötése, és az akkupakk töltő csatlakozója van kábellel kivezetve, minden egyéb alkatrész a panelra került.

Egyébként a fejhalgató csatlakozót kihagytam, annak a helyére majd egy bluetooth transmitter kerül, addig pedig marad a hangszóró, amit "lustaságból" mágnessel rögzítettem fel a doboz belsejére.
(#) JZoli válasza mnyugger hozzászólására (») Szept 21, 2020 /
 
Egész jónak tűnő rajz ez. Az Arduino programját is feltennéd ide ha publikus?
(#) igor4122 hozzászólása Szept 21, 2020 /
 
Üdv ismét.

Feltszek egy képet a Silver belső kialakításáról is.
Ezen a képen még félkész állapotban volt.
(#) mnyugger válasza JZoli hozzászólására (») Szept 21, 2020 /
 
(#) jani1987 válasza bokonyi001 hozzászólására (») Szept 21, 2020 /
 
Tápegység nélküli rádióval én is kísérletezni fogok. Remélem lesz még alkalmam nagy impedanciás fejhallgatót kapni. Nem az esztétika a fontos hanem a működés. Gratulálok.
(#) granpa válasza jani1987 hozzászólására (») Szept 21, 2020 /
 
Ha szerencséd van, akad nálam nagy impedanciás.
(#) mnyugger válasza granpa hozzászólására (») Szept 21, 2020 /
 
Nekem is van morzebillentyűvel.
Ereklye.
(#) jani1987 válasza granpa hozzászólására (») Szept 21, 2020 /
 
Feri komámnak az álma vált valóra mert a csabai találkozón tudott venni egyet.
(#) mnyugger válasza jani1987 hozzászólására (») Szept 21, 2020 /
 
Nem tudod mennyiért vette?
(#) Josi777 válasza mnyugger hozzászólására (») Szept 22, 2020 /
 
Rossz az a rajz. A triak 1-es és 2-es kivezetése fel van cserélve.
(#) jani1987 válasza mnyugger hozzászólására (») Szept 22, 2020 /
 
Nem kérdeztem.
(#) mohinger válasza mnyugger hozzászólására (») Szept 23, 2020 /
 
Gyula most is árul: Bővebben: Link
(#) bokonyi001 válasza jani1987 hozzászólására (») Szept 24, 2020 /
 
A fejhallgató egy katonai darab, 2000ohm-os. Régebben netes piacon vettem, néha kilehet fogni olcsón is. A következő forgó kondenzátoros lessz.
(#) mucsa válasza mateatek hozzászólására (») Szept 25, 2020 /
 
Szia.
Pont ilyen a hangszóró párom.Ügyes munka a tied.
(#) bgsf hozzászólása Szept 27, 2020 / 3
 
Az ellopott forrasztóállomásom helyett.......
A hozzászólás módosítva: Szept 27, 2020
(#) sargarigo válasza bgsf hozzászólására (») Szept 27, 2020 /
 
Ellopott?!? Van aki forrasztó állomást lop? Milyen világot élünk
(#) jani1987 válasza bgsf hozzászólására (») Szept 27, 2020 / 1
 
Sokkoljam a világot a potméteres tápegységgel amit a műszerhez dobtam össze? Mmerülőben van a 9-es elem és ezt már a műszer is jelezte.
(#) TAttila77 válasza jani1987 hozzászólására (») Szept 27, 2020 / 1
 
Na húzzál bele, komolyabb ketyeréket kell építeni ahhoz, hogy MÁV START dolgozó legyél.
(#) mnyugger válasza sargarigo hozzászólására (») Szept 27, 2020 /
 
Pedig azzal dolgozni kell!
(#) jani1987 válasza TAttila77 hozzászólására (») Szept 27, 2020 /
 
Voltál Mikepércsen? Debrecen felé van egy sárga épület csoport. A közös elosztó szekrénybe simán betették a szigszalagot.
(#) TAttila77 válasza jani1987 hozzászólására (») Szept 27, 2020 / 1
 
Te! Te villamos kapcsolószekrényekbe matatsz illetéktelenűl?? Meg van hozzá az engedélyed?
A hozzászólás módosítva: Szept 27, 2020
(#) bgsf válasza sargarigo hozzászólására (») Szept 27, 2020 1 /
 
Leszámoltam a cégnél és mire visszamentem hogy elhozom a dolgaimat minden eltűnt....... No comment.....
A hozzászólás módosítva: Szept 27, 2020
(#) sargarigo válasza bgsf hozzászólására (») Szept 27, 2020 /
 
Eszem megáll.. De pákát?? Ehh..
Következő: »»   1569 / 1708
Bejelentkezés

Belépés

Hirdetés
XDT.hu
Az oldalon sütiket használunk a helyes működéshez. Bővebb információt az adatvédelmi szabályzatban olvashatsz. Megértettem