Fórum témák
» Több friss téma |
Az L, az tekercs, csak könnyebb volt ellipszist rajzolni.
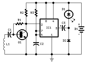
A hívásjelző lényege az lenne, hogy mikor a telefont hívják, a tekercsben indukálódik annyi bázisfeszültség, ami nyitja a tranzisztort. Mellékeltem az egyetlen hívásjelző kapcsolást, amit találtam. Ebből indultam ki.
Ez teljesen más szitu.. itt indítgatod az 555-öt , komplett cuccnál viszont folyamatos tápot kell adni, ameddig a hívás jön.
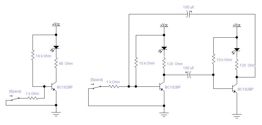
Esetleg megpróbálhatod a mellékelt áramkört, hogy jól megy-e a telefonról... ráraksz egy kék/fehér ledet pl. 30 mA-re beállítva, aztán ha folyamatosan megvan a kimenő 4,2..4,3 V fesz, akkor elvileg jó a 6 tranyóshoz. ( Az prímán működik..)
.. a 327 bázisba egy 3k3-t még tegyél be..
Ha a rajta átfolyó áram nem több mint 100 mA akkor szinte biztos (szinte bármilyen npn tranzisztorral kellene működnie a villogódnak.A feszültséget rákapcsoló rész kritikusabb de szerintem oda is jó. )
Na igen a hívásjelző kapcsolás érdekes: npn-t rajzol pnp-t ír. Én is tegnap néztem meg mikor elküldted a 2 tranzisztoros kapcsolást.
De a tiédbe már kell 1 pnp is nem? Ha L1 szaggatottan(egyenletlenül) vezérli T1(npn)-t, T1 nem ugyanúgy vezérli T2(pnp)-t
Azért van az elkó a 327 bázisa előtt, hogy az npn teletöltse a 47 ohm-on keresztül, onnan nyit a 327 az utólag beírt 3k3-mal. Meg kell próbálnod ezt külön, elvileg jónak kell lenni. Annyi fáradságot/anyagot vehetsz...
helo! :wave:
Én egy 20 ledes villogót szeretnék késziteni a lehető legegyszerűbben. A ledek egyszere villogjanak. a segitséget előre is köszönöm
Hát egy kicsit visszafele is olvashatsz .
pl ez csak az egyik tranzisztort elhagyod ledestől. vagy ez bár ezt nem próbáltam ,de szerintem működik.
Üdv!
Nekem is kéne egy kis segítség (nem is kicsi): Nekem arra lenne szükségem, hogy 4x5 led villogjon (ha lehet akkor jólenne ha a leden 5ösével párhuzamosan lehetnének kötve) ugy h rövideket villanjanak, és több legyen a szünet a villansáok között... Az optimális az lenne ha villanna egy rövidet az első 5-es, aztán hossabb szünet, aztán a második 5-ös és a harmadik 5-ös között egy rövid szünet, , mjad megint hoszabb szünet és a negyedik 5-ös aztán előről. (és mindehez 12V-os áramforrást szeretnék használni). Előre is köszi a segítséget! Üdv! Barbár
Vezérlés pl ez csak az ic kimeneteire közvetlenül ,a diódák elhagyásával ,kell kötni a tranzisztorok bázis ellenállását.
1 tr Q0 2 tr Q3 3 tr Q5 4 tr Q8 Ja és azt nem mondtad utána mit csináljon.Ez egy rövid szünet (4-5 közötti) után újra kezdi.
Hali!
Köszi, már kezdem érteni... Egy olyant még kérhetnék h feltennétek kapcsolási rajzot arról h a 4017-es IC említett lábaira (q0, q3... stb) mit is kell kötnöm h pl 5 db led villanjon fel egyszerre? Köszi! Üdv!
Pl az előbbi rajz.Csak az egyik ledsort elhagyod meg a másikból egy ledet és megnöveled annak a sornak az ellenállását 100-200 ohmmal.
Két példa az alap-felváltvavillógó teljesítmény tuningolására...
Sziasztok!
Olvastam a topicot, de lehet elkerülte a figyelmemet a kérdésemre a válasz, így feltenném. Astabil multivibrátort a kondenzátorok különbözőségével(kapacitás) meglehet úgy csinálni, hogy az egyik oldala csak felvillanjon a másik oldala meg olyan 3 másodpercig égjen? Vagy ide ellenállást is változtatni kell majd? Előre is köszi.
Módosíthatod a bázisellenállásokat is.
( Azért 1-2Kohmnál kisseb ne legyen!. ) ( Ha med túl nagy akkor nem fog átváltani... ) S Változtathatsz a kondenzátorok értékeit is.. Mindkét megoldás ugyanazt az eredményt hozza. :yes:
Hmm, akkor jól gondoltam, köszi...
Haszonló kapcsolást akarok készíteni mint a mood lámpa, csak nem találtam hozzá egy jó kapcsolást csak bonyolultat és így majd ezt a kapcsolást átalakítva valami hasonló eredmény érek el remélem. És még annyit szeretnék kérdezni, hogy mi is a kiszámolása annak, hogy mennyi ideig villan fel a Led?
Nemtudom segít e valamit a kiszámításban: ANALÓG ÉS DIGITÁLIS ÁRAMKÖRÖK. 177-178 oldal. AMV
[off] Azt az 5V-os tápfeszforlátozást nem egészen értem...
hali
és mi van akkor ha csak az 1ik világít folyamatosan? Mikor ráteszem a telepre az 1ik bevillan utánna világít a másik folyamatosan Ha valaki tud vmit ajánlani az legyen szives írjon köszike mellékelem a képet de kicsit sufni tuning szal ne lepődjön meg senki
Szia!
Túl sok lehetőség nincsen! Legelőször a folyton világító led tranzisztorát kellene kimérned, kicserélned. Hasonló leragadást okozhat ha a kondi polaritása rosz!!! Esetleg túl kicsi bázidellenállás! [off] Vagy, esetleg felcserélted a "beragadt" tranyó kivezetéseit...
Hát az az igazság h a tranzisztort má kicseréltem, próbáltam má minden féle képp de de sehogy se jobb.
A kondi polarítása az tuti h jó mer többször is ellenőriztem, a led-ekre 1-1 100ohm-os ellenállást használtam, viszont a báziellenállás az 15-15kohm.Lehet h kicsit sok?
Nem, nem hiszem, mert 100K-s bázisellenállással is láttam már kapcsolást. Az elvi rajzra tudnál egy linket, hogy melyik verziót készítetted el. Ha minden jó akkor annak mennie kell...
Lehet gond azzal az oldallal is ami nem világít!
S ha ezt a próbát elvégzed, talán hamarabb meg lesz a hiba! (Egy ellenállással, ( ami 1/10-ed akkora mint a bászist táprhúzó ellenállása ) össe kell kötni a bázist és az emittert. Ekkor el kell aludjon a led. Ha eleszik akkor az rendben van... Esetleg a kondikat is kikötheted a próbára! )
Hát kösz szépen a segítségat csak ami azt illeti most c.h.(cin hiány) ba vagyok, de majd veszek és megpróbálom aztán ha van valami majd írok és köszi h segítettél
Javasolnék egy egyszerűbb megoldást. CD4017. Van 7 kimenete, UJT-vel az elején lehetne vezérelni a sebességet. Van 7 kimenet. Simán megoldható, hogy 2 led villog, és a kimeneteket úgy variálod, hogy az egyik led 3 lábról kapja a kimenőt(diódán keresztül) és akkor 3-szor annyi ideig világít. Marad 3 üres hely, tehát szüneteket is be tudsz iktatni.
Pl- így: 1. led villan 1 sec-ig, utána 2 sec szünet, utána a másik led világít 3 sec-ig, utána 1 sec szünet és kezdi újból. Egyszerű! Tetszik? :smoke:
Íme a kapcsolás:
A led-ek fordítva lettek rajzolva, bocsi.
Nemrossz a rajz!
S a 4017-es kimenetén levő diódás és-kapuk valamint a ledek is jól vannak feltüntetve. :yes: Bár a RESET bemenetet vagy testre, vagy az egyik kimenetre kell kötni. ÚGY Idézet: NEM MARADHAT!!! :felkialtas: „LÓGVA” ... Csak nem tudom ez menyire illik Idézet: eredeti kérdéséhez!? „(#239257) kjéé” ... Ez inkább ide a: LED-ek sorban történő léptetése-be, vagy Villogó, LED-ekből (RC) autóra (FBI style) ( bár már ott is eléggé keveredik a téma... ) illet volna.
Köszi szépen az ötletet nem rossz lehet megcsinálom még nemtudom
|
Bejelentkezés
Hirdetés |


















