Fórum témák
» Több friss téma |
Szia!
A leírt frekvencia-átfogásos dolgot értem, pont ezért építettem a képek szerint cserélhető kvarcosra, és szereztem be anno a vidéki bolt kínálatából 20, 27, 32 MHz-es darabokat. Így tehát három fokozatban 86..93; 93..100; 98..105 MHz tartomány vehető. (Tudom, ez nem a teljes sáv, de nekem anno teljesen, és igazából most is megfelelne.) Elvben - mert ugye gyakorlatilag a 20 megás kvarccal jött be 105.3 és 107.8, 66 és 68 MHz környékén. Ez majd 40 MHz különbség.. Érzékenységcsökkenés, az van, de bőven. (Ha nem azt teszem fel, hogy nem jó helyre kever át, mert azon ugye a legnagyobb érzékenység se segít.) Viszont, mivel tényleg a közzétett rajz alapján dolgoztam, a tekercsek tologatásán kívül nekem nem sok ötletem van, hol lehetne ezen hangolni. Még ami most szemet szúrt: a linkelt cikkben CCIR-OIRT konvertert ír, és 1989-es forrásra hivatkozik. Lehetséges, hogy a tekercsadatok beírásakor elfelejtette megcserélni a ki- és bemeneti szűrő adatait, és így inkább az OIRT-ot konvertálná felfelé az áramköröm?
Lehet, hogy tükörfrekvenciát sikerült megcsípni, vagy az a rajz fordított keverést mutat CCIR sávos rádión hallgatni az OIRT sávot. De nem tudom, ellenőrizd le.
És... bingó! A két tekercset megcserélve rögtön jóval több csatorna bejön, és a kivonásokkal számítható helyeken. Ezek szerint elfeledkezett a közzétevő az adatok megcseréléséről.. Mert amúgy a célja az volt, ami nekem, (mai adás vétele a régi készüléken) a bevezető alapján..
![]() Logikus is, mert nagyobb menetszám -> nagyobb induktivitás -> kisebb rezonanciafrekvencia. Mindez a kimeneti (88-108) oldalon.. A hozzászólás módosítva: Máj 13, 2020
Sziasztok!
Szereztem egy Sokol-308-at, és szeretném áthangolni. A forgókondival párhuzamos 2 kondit kiszedtem (C3, C12) de nagyon nem akartam belebújni a tekercsekbe, nehogy elrontsam, amit elkezdtem... Tudnátok segíteni, hogy melyik tekercs, és trimmer mit csinál?
Szerintem szükség lesz a tekercsekhez hozzányúlni. Számold meg a modulátor tekercs L2 primer, és az L2 oszcillátor tekercs menetszámát. Ezek menetszámát kéne 2/3 -ra csökkenteni.
A C12 kondenzátor főleg az AFC hatékonyságában játszik szerepet. A trimmer kondenzátorokkal a hangoló forgó kapacitás átfogását tudod beállítani, az oszcillátor körben kissé elbonyolított módon.Hangoláskor a trimmer kondenzátorokkal a sáv felső végét, a tekercsek vasmagjával a vételi sáv alját tudod a helyére hangolni. Mivel mindkettő hatással van egymásra, a hangolási folyamatot több lépcsőben kell elvégezni.
Bocsánat elírtam, az oszcillátor tekercs L3. A többi stimmel.
Sziasztok! Talált nekem a Google egy kapcsolást. Megvan hozzá mindenden ketyere, de hiányos ismereteim miatt nem tudom hogy milyen kvarc kellene hogy működjön is. Külföldi oldalakon kapható KIT-benSegítség!
Ezt már megválaszolták, úgy látom:
https://www.hobbielektronika.hu/forum/topic_post_2288931.html#2288931 Ugyane rajzhoz https://www.hobbielektronika.hu/forum/topic_post_1912062.html#1912062 feltett kérdésre adta a választ. A hozzászólás módosítva: Okt 20, 2020
AAAAAh legközelebb figyelmesebben görgetek. Köszönöm szépen!
![]()
Szívesen. Néhe én is belefáradok, és pont azt nem találom meg, amit keresnék, de nagyon
Sziasztok! VT R4902 áthangolásában kérnék segítséget.
A fórum indításakor (2008 jan.) pont egy Kolléga kért segítséget egy ilyen rádió URH áthangolására. A tuner rész kapcsolási rajza megegyezik az R4932-vel, de az már tartalmazta a sztereo dekodert is. 2008 május 2.-án Müszi Kolléga jelezte, hogy sikerült áthangolnia. A módszerét nem értem, mert az L10 fojtó az előerősítő fokozatban van bent, nincs köze az oszcillátor frekvenciájának meghatározásában, és ráadásul ez elég nehezen megközelíthető helyen van (a KH, RH forgókondi oldalán). Szeretném áthangolni, amit edig tettem: L11 menetszáma 7-ről 5 menetre, L27 mindkét induktivitás menetszámát hasonlóan 7-5 menetre csökkentettem. Eredmény: csak zaj, nincs vétel. Majd csökkentettem az oszcillátor fokozatban lévő C24 30pF-t 24 pF-re. Csak zaj, hangolva olyan mintha már felette lennék a 87,8-18 MHz sávnak. (A légiirányítás nem FM modulációt használ?) Átnéztem az R4932 URH fokozat kapcs. rajzát és a tunerben a fontos frekvencia meghatározó kondenzátorok nagy része más értékű. Az L23-l próbáltam lejjebb vinni, de nincs siker. Lehet, hogy a 108 MHz- felett vagyok? Tudnátok segíteni? Mivel ez a lészülék is készült exportra, tehát CCIR URH-val, van e valakinek ilyen verzióról kapcsolási rajza? (AR612; Bolgár M10 Melodia-t sikerült áthangolnom. Ott a módszer bevált!)
Szerintem az L27 menetszámát 3 - 4 menetre csökkentsd, jobbnak gondolom a 3 menetet, mert ha esetleg túllőnél a célon (108 MHz fölé mennél) még kondival visszahúzhatod. Ennek megfelelően a modulátor köri L11 -et 4 - 5 menetre csökkentsd.
Meglehet, hogy az oszcillátor köri AFC -hez tartozó L23 -at is macerálni kell. Egyébként tényleg macerás az átalakítás. A hozzászólás módosítva: Okt 24, 2020
Szia.
Az L27 két tekercsből áll. melyikre gondolsz? mindkettőt? vagy csak a rácskörit?
Nem tudom, már nagyon régen csináltam ilyet. Nézd meg az eredetit, hogy ott milyen arányban vannak a menetek. Szerintem mindkettőre vonatkozik, bár az L27 rajzon baloldali, és a vele soros L23 alkotja az oszcillátor tekercset. A soros induktivitás hangolásával lehet az oszcillátor frekvenciát helyére hangolni.
Az L27 jobboldali tekercse a modulátor becsatolása, de ezt is hangolja a mozgó ferrit.
Az L27 valamint az L11 tekercstestről leesztergáltam a menetek rögzítésére való barázdákat, így 6,3mm tekercsátmérőt kaptam. Az L27 primer a vastagabb ezüstözött rézhuzalból készült az 7 menet. A szekunder (rácsköri) tekercs 8 menet. Az L23 itt fügőlegesen látható az 5 menet.
Az L11 is 7 menet, az 519.jpg képen látod A kép még az átalakítás elött készült. Kipróbálom a javaslatodat. Jelentkezem.
Próbáld meg a tekercs kivezetéseket csak áthelyezni, mint leágazásokat, a további tekercsrész lóghat a levegőben. Úgy látom, nincs akadálya. Így könnyebb próbálkozni.
Először csak az oszcillátor kört maceráld, nyekeregni fog így is, ha az már jó, foglalkozhatsz a modulátor körrel. A hozzászólás módosítva: Okt 24, 2020
Szia Pucuka.
L27 lecsökkentve 4 menetre. Az L11-t is hasonlóképpen. URH zaj van, vétel nincs. A képeken az átalakított tekercsek. Megpróbálk szerezni egy szignál generátort, mert így "vakon" nagyon nehéz. Nem hittem volna, hogy egy kapacitív hárompont oszcillátor így kifog rajtam!
Ha egy városban laknánk, megpróbálhatnánk a frekvenciamérőmmel megmérni. FM szignálgenerátorom nekem sincs. Nem sok variométeres rádiót hangoltam át, amire emlékszem, annál is kompromisszumot kellett kötni, a sáv melyik végéről tudnánk lemondani? Ebben még a "trimmerek" is a rezgőkörrel sorba kötött tekercsek. Esetleg átalakítani az egészet varicap hangolásra, mennyire nehezen megoldható opció lenne? Ha már az AFC úgyis varicap, azt meg nem is lehet másképp megoldani. Ez a fajta rádió valahogy kimaradt az életemből.
A hozzászólás módosítva: Okt 25, 2020
Ha URH zaj van, akkor jó úton haladunk. Az oszcillátor megy, csak a frekvenciát kéne valahogy belőni.
Jó lesz az a 3 menet. A hozzászólás módosítva: Okt 25, 2020
Uraim! Mindkettőtöknek jogos a 10 pont!
Gyakorlatilag újra építettem az oszcillátor kört, és kidobáltam belőle a hibás C31 kondít (szakadt volt) és ügyeltem a szigetelő távtartókra isC30-C31 közös pontja egy ilyen távtartón voltm de rosszul. Az L11 valamint az L27 4-4 menetre csökkenteni. Az L23-al lehet az átfogást beállítani. Tapasztalatom: C24 30pF >20pF-re cserélni, L23 vasmagot majdnem kicsavarni. Együtfutást a hangoló szerelvényen be lehet állítani. Az antenna bemeneten lévő rezgőköri C3-t 10pF-re cseréltem. Öreg rádió nem vén rádió! Köszönöm a segítséget és a "rugdosást! 7 állomást a szoba antennával szól!!! A hozzászólás módosítva: Okt 26, 2020
Szervusztok!
R4902, 4932, 5932 stb áthangolása 88-104MHz-re nagyon egyszerű. Az ábra alapján kipróbáltam R4902 és R5932-re is. Tökéletesen működik. Az átalakítás után a variométer oszcillátor vasmagot teljesen ki kell csavarni, így bejön a 88-104MHz. Az antenna körbe 5-35p trimmer kondenzátort tettem 3-20ppm helyett (mert azt bányásztam). Ez is működik, Még ennek a hangolása, fülre, ami szükséges volt.
AR 602 OIRT-CCIR áthangolása a korhűséget és eredetiséget csak kissé változtatva meg.
AR602 kiegészítő A hozzászólás módosítva: Szept 16, 2021
Találtam ezt a cikket:
Üdv, érdeklődők.
A Sangean SG789, rádió gyári OIRT-sávról CCIR-sávra történő áthangolásához, a modulátor kört, és az oszcillátor kört is át kell hangolni,/ húzni/a tekercsek cseréjén kivül, kisméretű kerámia kondikat is szükséges cserélni. Valamint a bemeneti kört is illeszteni kell, a megfelelő vételi érzékenység, + sávátfogás érdekében.. Konverter használatának nem sok haszna van, ebben az esetben. A hozzászólás módosítva: Okt 2, 2021
Sziasztok!
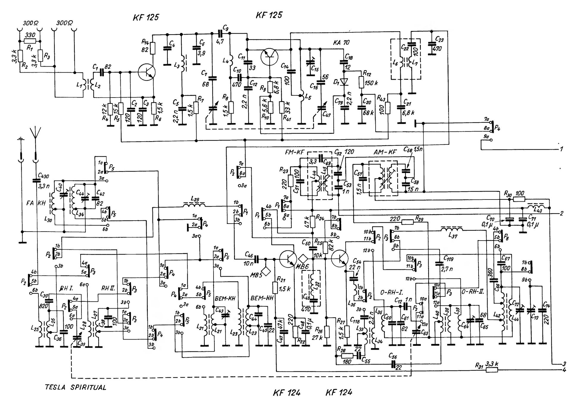
Egy Tesla Spiritual 442-t szeretnénk CCIR-re hangolni. Rajzot találtam, de nem értek a rádiótechnikához sajnos. Rajz alapján létezhet valami egyszerű megoldás pl. kondicserékkel vagy tekercs-elhangolással? Ilyen-olyan modulokat nem szeretnék építeni, sem mélyebben belenyúlni. Minden ötletet előre is köszönök!
A csehek meg a lengyelek tudták ilyen kacifántosan megoldani a dolgokat. Úgy látszik, még az oroszok is adtak el a kapitalistáknak, mert azokat könnyebb volt áthangolni. C4 a rajzon nincs értéke megadva, pedig az lenne az egyik, amit csökkenteni kellene kb. 20 pF -el. A C1 helyett szintén kb. 68 pF kellene, de az oszcillátor kört nem értem. Ott az L4 és L5 egymással párhuzamos tekercsek? Talán a C11 csökkentésével, és a C15 tekergetésével próbálnék adót behozni. Azután az L3 vasmagjával érzékenyíteném, s ha az L1-L2 balun nem zárt, hanem menetes, akkor azt is. Ferritgyűrű esetén nem bántanám, akkor csak a C1 az, ami hangolja. A forgókondival sorbakötött kondenzátorok értékét nem szabad csökkemtemi, mert a sávátfogás sínyli meg. Kihagyni és rövidre zárni se lehet őket, mert akkor 1 centi lesz a skálán az egész sáv. Értéküket arányosan növelve nő a sávátfogás, de akkor a C4-C11 értékén többet kell változtatni, vagy akár teljesen kidobni őket. (Ha a C4 30- 40 pF jörüli lehet. Jó lenne tudni az értékét.)
A hozzászólás módosítva: Okt 18, 2021
Jó lenne egy jó fénykép a tunerről. Én egyszerűbbnek látom a tekercsek bizgálását, bár az sem probléma nélküli az oszcillátor tekercs leágazása miatt. A sávátfogással még így is probléma lesz. A kondenzátorok cseréjénél több kondenzátorhoz is hozzá kellene nyúlni, és akkor már szignálra is szükség leget.
Az első fokozat egy szélessávú erősítő, nem hiszem, hogy hozzá kéne nyúlni. Az önrezgő keverő fokozat kissé kacifántos a földelt bázisú kapcsolás miatt, de azért az L4, és az L5 nincsenek párhuzamosan, az R8 miatt.
Igen, ott az L4 hideg oldalán egy 470 pF és 2,2n osztó van a bázisra, ráadásul a kollektor - körből is visszacsatol az emitter felé az L5 leágazása is közbejátszik, ezért nem értem az egészet, annyira kacifántos. Mindenhonnan visszacsatol mindenhová, még csoda, hogy nem gerjed összevissza. Ilyen oszcillátort még az életben nem láttam. Az önrezgő keverő erősítés szempontjából földelt bázisú, de az oszcillátornak benne mije földelt, az már nem tiszta egyáltalán. Mert a bázisra is csatol vissza, és az emitterre is.
A hozzászólás módosítva: Okt 19, 2021
Mindenesetre elég izzadmányos egy kapcsolás, nem is tudom miért kellett ennyire erőltetni a mindent egy tranzisztorral megoldást. Ezért nehéz egy ilyen "egyszerű" kapcsoláshoz hozzányúlni, mert bármit változtatsz, megy vele minden más is.
|
Bejelentkezés
Hirdetés |

















