Fórum témák

» Több friss téma
Fórum » Erősítő probléma
 
Témaindító: proksa1, idő: Márc 15, 2006
Témakörök:
Lapozás: OK   81 / 85
(#) Bmw5 hozzászólása Ápr 28, 2020 /
 
Van egy Genius sw g 1250 -es 2.1 hangfalszettem és a jobb oldali hangfal már eddig is azt csinálta, hogy halkabban szólt, de mostanában már valamikor nem is szól.
Nem a hangszóró rossz, mert ha a bal oldalit kötöm a jobb oldali kimenetébe, akkor az nem szól.
Mi lehet vele?
(#) vargaf válasza Bmw5 hozzászólására (») Ápr 28, 2020 /
 
Itt van a javítási kézikönyve:
Kézikönyv
(#) reloop válasza Bmw5 hozzászólására (») Ápr 29, 2020 /
 
Üdv! A potenciométertől, az elektronikán át a csatlakozókig bármi lehet.
Elsőként a burkolat kettényitásával kéne megbirkóznod, majd fotózd le a panelt!
(#) misi93 hozzászólása Jún 17, 2020 /
 
Sziasztok!
Lenne egy kis problémám egy JBL SUB 200 típusú házi mozi mélynyomóval.
(Service Manual) (kapcsolás részlet képként mellékelve)
A problémám az lenne, hogy ha kikapcsolom akkor néha pattan egyet a hangszórója, (néha visszakapcsol pár másodperc múlva a relé) ezt a kapcsolást a PDF-ben a 31. oldalon lehet megtekinteni. A Q114-es tranzisztort cseréltem, illetve az R134-es ellenállást is cseréltem 1K-ra, javult ,és azt is gondoltam, hogy meg is oldódott a probléma, de sajnos mikor összeraktam ugyanaz lett... Tanácstalan vagyok mi lehet.
// Lenne egy másik probléma ezzel az erősítővel, mégpedig néha menet közben a relé kikapcsolt mintha kapcsolt volna a védelem. nagy nehezen rájöttem, hogy már az erősítő bemenetén van egyen feszültség ez miatt kapcsol a védelem, és kiderítettem tovább kutakodva, hogy van benne egy "limiter" kapcsolás ( U301, Q301, Q302) ezt kiiktatva nem jelentkezett a probléma, ha visszaforrasztottam eredetileg ahogy volt kis idő múlva ismét jött a hiba //
De az első probléma fontosabb számomra, mert limiter nélkül nem kell feltekerni maxra és kész.
A segítségeteket köszönöm.
(#) reloop válasza misi93 hozzászólására (») Jún 17, 2020 /
 
Szia! Leálláskor Q113 bázis (elég trehány módon) lóg a levegőben, bármit összeszedhet a környezetéből. Kösd össze a bázis és az emitter lábakat egy 100k-s ellenállással!
(#) misi93 válasza reloop hozzászólására (») Jún 17, 2020 /
 
Rendben, ki fogom próbálni.
Köszönöm segítséged!
(#) zsozso72 hozzászólása Jún 26, 2020 /
 
Sziasztok!
Egy kis segítségre lenne szükségem, adott egy Reloop D1080 végfok aminek elszállt az egyik oldala. Nem az enyém így nem tudom hogyan és mi válthatta ki. A gazdája javíttatni szeretné csak nem tudja hova fordulhatna vele, ebben kérnék segítséget, köszönöm szépen.
(#) xxxyyy hozzászólása Júl 5, 2020 /
 
Sziasztok,

Egy Sansui végfok Sanken 2sa1490/2sc3854 párosát kellene pótolnom.

Van esetleg valakinek pozitív tapasztalata a HQ-nál árusított PMC gyártmánnyal, vagy pedig a Compatel oldalán található Sanken 2sa1491/2sc3855 párossal?
A segítséget előre is köszönöm.
(#) mcc válasza xxxyyy hozzászólására (») Júl 6, 2020 /
 
A Compatelt lehetőség szerint kerülöm, amióta sikerült ott egy nagyobb adag hamis tranzisztort beszereznem.
A PMC egy érdekes cég, mert igen kevés róla a fellelhető információ. Nekem kicsit a sötét ló kategóriában van.
A 2SA1940/2SC3854 páros szinte bármelyik azonos tokozású ma divatos párossal pótolható (NJW0281/0302, 2SC5200N/2SA1943N).
(#) xxxyyy válasza mcc hozzászólására (») Júl 6, 2020 /
 
Szia

Köszi az infót. A PMC-ről annyit találtam, hogy 5éve felvásárolta a Microsemi. A Compatel-nél pedig annyira olcsón van a Sanken, hogy az már túl szép.(610/750HUF) Az általad javasolt helyettesítő típus még Toshibából is megvan 2 sör árából. Még egyszer köszönöm.
(#) mcc válasza xxxyyy hozzászólására (») Júl 6, 2020 /
 
A Toshibából kifejezetten az N végű kell. A betű nélküli nem jó!
(#) xxxyyy válasza mcc hozzászólására (») Júl 7, 2020 /
 
Thx. Természetesen megörültem a hestore-os ajánlatnak. Így már nem ad sok magyar találatot a google, de azért nem lehetetlen.
(#) misi93 válasza reloop hozzászólására (») Júl 8, 2020 /
 
Kipróbáltam, sajnos ugyanaz a probléma.
(#) mcc válasza xxxyyy hozzászólására (») Júl 8, 2020 /
 
Megpróbálhatod a 2SC5198/2SA1941-et is!
(#) xxxyyy válasza mcc hozzászólására (») Júl 12, 2020 /
 
Teszek egy próbát ezekkel az olcsó PMC-kel. Gyaníthatóan nem az utolsó végfokpár lesz, amit veszek az erősítőhöz: az erősítőt KH-an vettem, azzal, hogy majd rendbe rakom. Kevés használat után is már sokat javult az állapota így nem estem neki, tetszett ahogy volt.
Amikor elszállt az egyik oldal akkor ugyan napok óta be volt kapcsolva de nem hallgattam rajta semmit...
A hangfalam túlélte, a védelem jól működhetett.
Lesz időm pepecselni (és tanulni) vele, mivel szerencsémre egy másik, a vaterán hibásként vett vintage erősítő javítás nélkül is használható állapotban van.
(#) Atti44 hozzászólása Nov 24, 2020 /
 
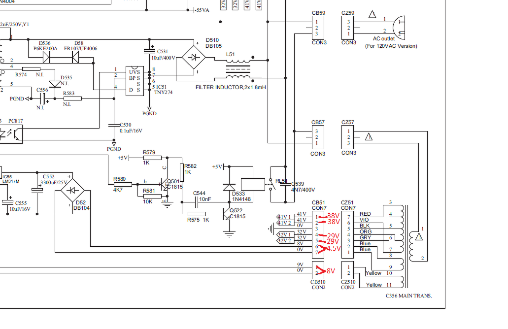
Sziasztok. Adott egy NAD C356BEE erősítő, készenléti állapotban egyszer csak elkezdett kattogni, készenléti fény kialudt, nem reagál semmilyen indítási próbálkozásra. Szétszedve kiderült hogy az 5v feszültség ingadozik 0.5-2v között, 12v, 18v, 26v, 55v hiányzik. Ha az előlapra vezető egyik szalagkábelt lehúzom az alaplapról visszáll az 5v és a többi fesz is. Szóval zárlatos lehet az 5v valahol az előlapon?
(#) Szig válasza Atti44 hozzászólására (») Nov 24, 2020 / 1
 
Szia!

Először is rámérnék az előlapra, hogy zárlatos-e. (szerintem nem, mert zárlatnál nem ingadozik a feszültség)
Ha nem, akkor nekimennék a tápnak és kicserélnék pár elkót.
Pozíciószám szerint:
C531, C533, C545, C551, C552, C555, C527

A feszültségek megjelenése érdekes, hiszen a proci kapcsolja a trafót a relével, ami a standby tápról megy.
(#) Atti44 válasza Szig hozzászólására (») Nov 25, 2020 /
 
Köszönöm a segítséget! Igazad van, az előlap jónak tűnik. Elválasztottam az alaplaptól és adtam neki 5 voltot, erre bejött a narancs készenléti fény, bekapcsoló gomb megnyomásra kék lesz, azaz bekapcsol és még a távirányítóval is működnek ezek a funkciók. Megnézem akkor a tápot lássam találok e valamit. Köszi!
(#) Atti44 válasza Szig hozzászólására (») Nov 25, 2020 /
 
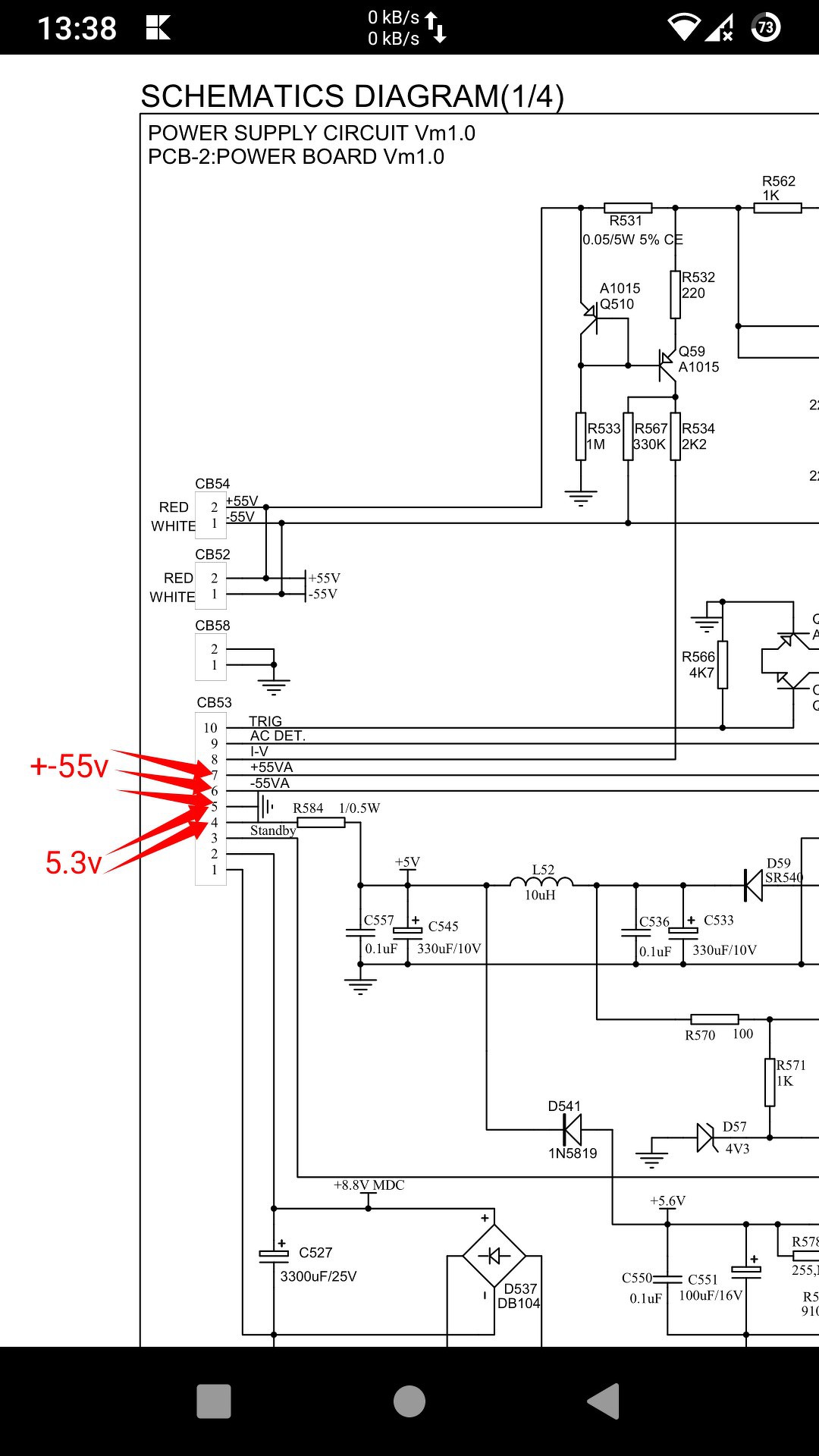
Közben egyelőre elválasztottam a tápot az alaplaptól, rámértem a kondikra, nem cseréltem még őket. A rajzon bejelöltem milyen értékeket mértem.
A hozzászólás módosítva: Nov 25, 2020
(#) Szig válasza Atti44 hozzászólására (») Nov 25, 2020 /
 
Szia!

Az első képen az 5,5V azért nem mérvadó, mert arra már rádolgozik a táp, nem a standby tápot méred magában.
A második képen szerintem váltakozófeszültséget próbáltál mérni a trafón egyenfeszültség állásban, azért kaptál 0 Voltos eredményt.
A kondikat ne mérd, cseréld! Elvileg az első hármat (C531, C533, C545) ha kicseréled, már működnie kellene, a többit később úgyis cserélni kellene, akkor legyen meg inkább most.Utána méregetheted őket, ha kíváncsi vagy, de nincs jelentősége.
(#) Atti44 válasza Szig hozzászólására (») Nov 25, 2020 /
 
Fhuuuu tényleg, váltóáramot mértem egyenáram módban . Ok, keresek kondikat és cserélem, aztán kiderül mi lesz. Köszönöm!
(#) Atti44 válasza Szig hozzászólására (») Nov 25, 2020 /
 
Kicseréltem a kondikat, kivéve a C552 és a C527-et, nem találtam ilyeneket (3300uf/25v). A probléma továbbra is megmaradt. Az miért lehet, hogy ha a tápot leválasztom az alaplapról, akkor az RL51 relé ki-be kapcsol amikor én bekapcsolom hátul az erősítőt? A C517 kondi mintha folyt volna valamikor, ez bezavarhat? Kezdjem vizsgálni az alaplapon a kondikat, hátha ott találom meg a hibát?
(#) Atti44 válasza Atti44 hozzászólására (») Nov 25, 2020 /
 
De ha összekötöm az alaplapot az előlappal táp nélkül és adok 5v-t az alaplapra akkor megintcsak van készenléti fény az előlapon gombnyomásra be is kapcsol (kék fény). De csak egy relé kapcsol ilyenkor ami a potméterek nyákján van (ez az amelyik kattogott a meghibásodáskor), gondolom azért mert a többi feszültség nincs jelen.
(#) Szig válasza Atti44 hozzászólására (») Nov 26, 2020 /
 
Ha összekötöd a két lapot és adsz neki 5V-ot, akkor tulajdonképpen a Standby tápot helyettesíted. Az RL51 a trafót kapcsolja, hogy a többi táp meglegyen. Most kellene az egyenfeszültségeket megmérni. Ha a hangszóró relék nem kapcsolnak, az lehet védelem miatt (R150 és R250-en van-e egyenfesz) vagy csak egyszerűen nincs bekapcsolva egyik hangszóró kimenet sem.
A 2 kondi helyett tehetsz 4700µF/25V-osat is. A nagy puffereket vedd ki és nézd meg őket alulról, hogy szivárognak-e. A nyákot takarítsd le (alkohol jó hozzá).
(#) Atti44 válasza Szig hozzászólására (») Nov 27, 2020 /
 
Egyelőre kicseréltem a 300-as kondikat és kivettem az egyik puffert. Nem tudom eldönteni, hogy szivárgás e az barna valami az alján, vagy valami más.
(#) Atti44 válasza Atti44 hozzászólására (») Nov 27, 2020 /
 
Az előző hozzászólásban a 300-as helyett 3300-at akartam írni. Tettem helyükre 4700/25v. Na de végül visszatettem a puffert is, tisztitottam a nyákot, de ugyanott vagyok ahol elkezdtem
(#) Atti44 válasza Atti44 hozzászólására (») Nov 27, 2020 /
 
Ja meg amit még észrevettem, hogy a D52 diódahíd eléggé forrósodik....
(#) Szig válasza Atti44 hozzászólására (») Nov 30, 2020 /
 
Akkor azt kellene csinálni, amit a másik topikban írtak, átkötni a relét ideiglenesen. Meg kellene pár feszültséget mérni, mert ellentmondásos, amit írsz. Ha kattog a relé, akkor a feszültségeknek is ingadozniuk kell, mindnek, kivéve a STNDBY 5V-ot. Az L52-t és D541-t kiemeled és R584 kondi felőli lábára kötöd a tápegységedet. Így leválasztod az 5V-os tápokat és tudsz áramfelvételt mérni.
A D52 és áramköre kb. 10 alkatrész, ebből 2 félvezető, ami mérhető (D541, D52), 1 meg tippelhető (IC55, LM317M), 5 perc alatt átnézhető.
A trafón a váltókat ellenőrizni kellene, mert a védelem része az AC detect, és lehet, hogy ott van valami bibi, ami miatt esetleg a védelem tilt.
A kattogó relé pozíciószáma is segíthetne, mivel előtted van a készülék, nekem semmit nem mond a "potméterek nyákján".
(#) Atti44 válasza Szig hozzászólására (») Nov 30, 2020 /
 
A kattogó relé az RL311.
(#) Atti44 válasza Szig hozzászólására (») Nov 30, 2020 /
 
Váltóáramok a trafóról. Az előlap le van választva, különben az RL51 nem kapcsol és nincs mit mérni. Nem tudom ha jól mértem a 6-7-nél a 4.5V-t?
A hozzászólás módosítva: Nov 30, 2020

Nad3.png
    
Következő: »»   81 / 85
Bejelentkezés

Belépés

Hirdetés
XDT.hu
Az oldalon sütiket használunk a helyes működéshez. Bővebb információt az adatvédelmi szabályzatban olvashatsz. Megértettem