Fórum témák
» Több friss téma |
Fórum » Skoda Octavia elektromos probléma
Valamikor régen tán tizenöt- húsz éve javítottam egy Passatot hasonló hibával. Ott a légtömegmérő csatlakozója volt a ludas.
Szia! Hibakód nincs? Szervó olaj nyomás gomba jó?
Ugyan nekem AKL-es 1.6-osom van, de ismerős a hibajelenség. Első sorban főtengely nullponti jeladóra tippelnék, másodsorban vezérműtengely jeladót nézetném meg ha az a te motorodban is van. Utóbbinak a hibája nálam generált hibakódot is.
A torpanás nálam olyan volt, hogy majdnem kiszálltam a szélvédőn. Nem vagyok autószerelő, de talán a dugattyútörésed is a túl korai gyújtás miatt volt. A hozzászólás módosítva: Okt 16, 2020
Azt írtad, hogy már minden gyújtással kapcsolatos alkatrészt kicseréltél de a gyújtáselosztóban lévő hallos főtengely szöghelyzet jeladóról nem tettél említést. Az ugyanis elég érzékeny a kontaktusra és a kopásra. Ha az érintkezők és a csatlakozó oxidos az bizonytalanná teszi a helyes gyújtást, a kopás szintén, a tengelyen elhelyezkedő serleg alakú megszakító ami a hall érzékelő előtt forog el (a tengely nem lóghat az elosztóban, nem kotyoghat). A "torpanás" mikor történik? Menet közben fix gázpedál állásnál vagy amikor leveszed a pedálról a lábadat és váltani próbálsz?
Gyujtás csere alatt úgy értem, hogy maga a gyújtás elosztó is cserélve lett kompletten mert igen a csatlkozo mozgott benne nem is kicsit. A torpanás egyenletes haladáskor is jelentkezik és ha akkor visszább engedem a gázt megindul.
A főtengely jeladó nem volt cserélve még lehet azt megpróbálom akkor aztán meglátjuk. A map szenzor is volt még cserélve de semmit nem változott.
Ja és hibakódot nem ad ki. Szervó az tökéletes 1 hete lett benne teljes kormánymű, szervószivattyú cserélve újakra mert menetközbe elfolyt az olaj és be sült a szivattyú is.
Olajnyomást is néztünk az is rendben van szóval nem értem
Sziasztok!
Ismét Octavia probléma. Elektromos ablakemelőhöz keresnék kapcsolási rajzot,ha valaki tudna szolgálni ilyennel, nagyon hálás lennék. Szép napot!
Szia! A képek között megtaláltad volna .... ITT összeszedtem az egyik verziót. Kinyomtatva össze lehet ollózni és egy nagy rajzot kapsz belőle.
Sziasztok! Egy Skoda Octavia tourba szeretnék távírányítós központi zár vezérlőt beszerelni. A vezérlő egyszerü két rellés 6 kivezetéses kütyü. Gyárilag csak sima kulcsos központija van. Tanulmányozva a kapcsoláaibrajzát láttom, hogy canbusos. Szóval az ajtó átvezető kábelnél nem lehet megoldani a bekötést. Szerintetek hogyan tudnám megoldani? 81 es ajtózár és a 70 es ajtóvezérlő modul közé betudnám iktatni?
Sziasztok. Olyan probléma merült fel néhány napja, hogy egyenlőre nem bírtunk vele. Van egy nyolc éves Superb-nk. Egyik napról a másikra a vezetőajtóban meghalt minden kezelőszerv, de közben a mögötte lévő utasajtónál is ugyanez a helyzet állt elő.A műszerfalon sem jelezte az ajtó kinyitását sem az autó, sőt ezt a két ajtót nem is zárta be. Némi keresés után rájöttünk, hogy a vezetőajtó átvezetőnél van elszakadva néhány vezeték. Nem volt egyszerű, de megkötöttük őket. Viszont nem lett jobb a helyzet, mire némi hibakeresés után találtunk egy hibás biztit is. Ezt kicseréltük,utána már a vezetőajtónál minden rendben lettt, zárt-nyitott, ablakokat emelt. Viszont a vezető mögötti ajtónál nem lett jó minden, ha kinyitom az ajtót a ajtóban lévő kis lefele világító lámpa kigyullad, meg a saját ablakemelője is működik. De a műszerfalon sem jelzi a nyitás tényét, meg nem is zárja ezt az ajtót. Mit lehetne megnézni még rajta? Van ötletetek?
Kedves JZoli!
Hasonló problémákkal küzdöttem én is! (Bár nekem Octaviám van, de gondolom hasonló lehet.) Nem biztos, hogy nálad is ugyanaz a megoldás, de azért leírom. Sajnos az elektronika olyan rossz helyzetben van az ajtóba építve, hogy bele tud csöpögni a víz, és egy idő után a beázástól elkorrodál a csatlakozó. Ez az egyik. A másik: az ajtózárban lévő mikrokapcsolók valamelyike elkopott és nem küld jelet a komfort elektronika felé. Ez sajnos csak a zár kiszerelése után ellenőrizhető, ill. javítható. Én külföldi oldalról (sajna már nem emlékszem honnan) rendeltem mikrokapcsolókat negyed áron mintha itthon venném. Az eddig leírt hibákat javítottam, már vagy 2 éve, azóta nincs gondom vele. ui.: ha már úgyis kiveszed a zárat visszaszerelés előtt a mozgó részeket kend be valami zsírral, vagy WD-vel. Remélem tudtam segíteni. Üdv: csibai
Szia! A "csibai" ajtóvezérlője és a korrózióról készült képek. Bővebben: Link Tehát lehet, hogy kívülről nem is látszik semmi különös de a dobozban és a csatlakozóban már ott van a víz okozta probléma. A zár kapcsolójáról sok kép található de van amelyik kapcsoló szétszedhető és kis tisztogatással rendbe hozható.
A terjedelem miatt nem akartam mindent leírni, de az ajtóban semmi látható gond nincs, még az ajtóátvezetőket is kimértük azokkal sincs baj. Írtam, ha kinyitjuk az ajtót a kis lámpa ami az ajtó alatti részt világítja meg az egyből működik, így azt gondolom, hogy maga az ajtó érzi a nyitást, meg az ablak is működtethető a saját gombról, csak valamiért a központi résszel elveszett a kommunikáció. A szerelő szerint BUSZ-on kommunikálnának. Valami ilyen jellegű gond lehet. Ha az ajtózárnál lévő mikrokapcsoló meghibásodik akkor a nyitást sem jelzi? Na meg a vezetőajtó gombjairól ezt az ablakot se le- se fel nem lehet "tekerni". Ennek van köze a mikrokapcsolókhoz?
Sziasztok!
Fabia Mk3. 1.2 66Kw. 2015. CJZ24. Ablaktörlő nem áll le. Tapasztalt valaki már ilyesmit??? És mi lett a nóta vége??? Ablaktörő mükődik normálisan .,mindkét folyamatos és egy szakaszos üzemmódban is.., végállás is jó.., Probléma hogy ,Ha a kapcsoló leállitás "0" poziciójában van .,akkor állandóan szakaszos üzemmódban megy az ablaktörlőmotor.., csak gyujtáslevétellel lehet leállitani!!! köszi minden segitséget!
Szia! Én úgy néztem, hogy a bajusz kapcsolón keresztül kap a törlőmotor táplálást és az ütemadót is az kapcsolja a megfelelő, szakaszos vagy folyamatos intervallumra a relénél. Tehát ha nem akar kikapcsolni a motor akkor szerintem a bajusz kapcsoló nem szakítja meg az áramkört.
Sziasztok!
Van egy 2008-as Oktáviám. Ahogy bejött a hidegebb idő, akkor kezdtem el valami furcsát hallani a rádió mögül. Kb. 2 másodpercig zizegő hang, aztán 1 másodpercig csend, majd 1 máspdpercig megint zizegés. A hang olyan, mintha nem tudna behúzni egy relé, hanem prellezik. Úgy tudom, hogy relék csak a biztosítótáblákon van. Mi van a rádió mögött, aminek ilyen hangja van? És ez mennyire veszélyes, hogy egyszercsak nem indul el az autó? Vagy leáll? Egyéb tünet nincs.
Szia!
Én is erösen gondolok ilyesmire.., kivált hogy egy 6C Polo testvérmodelnél olvastam ugyanilyen problémáról, hogy kikapcsolt helyzetben nincs kikapcsolva az ablaktörlő , hanem ehelyett itt is mindig megy a szakaszos fokozat.., Egyik videos esetben látni hogy a kapcsoló belsejében a kontaktok valami rézporszerüséggel lettek rövidrezárva és egy alapos tisztitással lette megoldva ez a rejtélyes kikapcsolás blokkolás...., Ami az intervallum relét illetti: Ez egy különálló relé volna??? Vagy inkább a karosszéra BCM- be van már integrálva?? Nincs rajzom sajnos..., gondolom érted a kérést.., erről a kapcsoló- motor-elektronika vonulatról...., Csak korral jaró feledékenységgel mentegetőzhetnék....,,hogy elfeledkeztem Boldog Újévet kivánni! Üdv L.
Ez teljesen kikapcsolt utastér szellőztetésnél/fűtésnél is jelentkezik?
Nem lehet esetleg a fűtés ventilátora? Ha esetleg az, akkor azt elég macerás javítani sajnos.
Üdv: csibai
Szia! Szerintem sokan vagyunk így ezzel az üdvözléssel, hogy már gondolatban megtesszük a válasszal együtt. B.U.É.K!
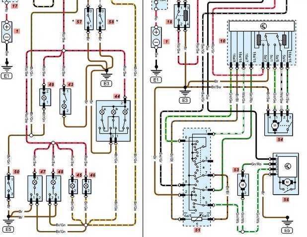
A bajusz kapcsolóról a barna-kék szál a szabályozott ütem, a lassú az a fehér-zöld szálon, a gyors az pedig a zöld-sárga szálon megy a vezérlőjébe ami egy kilenc lábú relé dobozka a relétáblán (utastérben a 6.). A rajzot most nehéz volna megcsinálnom de ha kell .... majd holnap, mert most megyek dolgozni. A hozzászólás módosítva: Jan 6, 2021
Nem tudom, de megnézem. A javítás biztosan nagyon macerás, mert valószínű le kell bontani a műszerfalat.
Sajnos jelentkezik, mindentől független. Ha bedugom a sluszkulcsot és elfordítom, de nem a gyújtásig, akkor már jön ez a zizegés.
A hozzászólás módosítva: Jan 6, 2021
Köszi!
Ezek szerint különálló ütemszabályzója van??? Amit csak ki kell huzni a cseréhez??? Mint régebbi évjáratú autókon szokásos volt. Azt hittem hogy az iŕányjelző reléhez hasonlóan., már teljesen integrálva van a karrosszéria elektronikában. Üdv.L. P.S :Rajz..., Ha nagyon ráérsz
Megmondom őszintén, hogy ezek 2009-s rajzok de mind CAN-bus kommunikációs kocsihoz való. A komfort elektronika ezen részén más VAG csoportbélinél sem változtattak számottevően.
Szia!
Elbüvőlsz--mint mindig. Köszi nagyon! Szerintem itt van a kutya elásva.., már ezen a Fabia mk2-es auton is felmerül bennem a kérdés: A "'10"-es jelölt "electronic controll modul"., (ahová az ablak.törlő kapcsoló vezetékei becsatlakoznak) fizikailag hol található? És mit értenek alatta? 1.Egy különálló "hagyományos" intervallum relében? 2. A relék már a BCM alaplapjára vann fölforrasztva? Az autó nincs itt megvizsgáláshoz a fentieknek.Alvázszámalapján az autosboltosok állandóan gyári számokat kérnek eldöntéshez. Egyébbként ez az :"TMBEM6J3FZD24974" Fabia 3. 1.2/66kw CJZ Hétvégén hozzák kapcsoló cserére---megrobálok utánanézni.. Üdv L.
Ha nem a nagyobbik típus van benne akkor a kisebbet kell keresni .... a hang után.
Bővebben: Link Ha nincs a Fábiában szabályozható lassú fokozat akkor a kisebb relé foglalja magában az ütemvezérlőt. A nagyobb relé az törlő/mosós bajuszkapcsolóhoz való.
Reléhangok után lehallgatva..., egyértelmüen a beltéri biztitábla mögött lévő BCM -ben belül vannak ráforrasztva az ablaktörő relék...
Egyébbként ablaktörlőkapcsoló baja volt..., szerencsémre pont rossz állaponban érkezett.., és az uj kapcsolóra rátudtam dugni elöször beszerelés nélkül a csatit----és rögtön meg szünt a hiba is... üdv L.
Az "átjáróba" vannak beépítve, mármint abba a BCM-be. Bővebben: Link Bővebben: Link a panel mindkét oldala.
A hozzászólás módosítva: Jan 8, 2021
|
Bejelentkezés
Hirdetés |







A bajusz kapcsolóról a barna-kék szál a szabályozott ütem, a lassú az a fehér-zöld szálon, a gyors az pedig a zö






