Fórum témák
» Több friss téma |
Pláne még a kettős logaritmikus potinak jó is legyen az együtt futása.
Építsd a szabályzót a műveleti erősítő visszacsatoló ágába, akkor lineáris potenciométert használhatsz. Példa.
Két tranzisztorral már építettem hasonlót probléma nélkül. Csak annyiból érdekelt volna mennyire más hangzásban egy lepke szabályozó. TDA1524A-val analóg műholdvevő beltérihez készítettem rádió csatornához hangegységet. (Ezzel nem voltam valami elégedett és kiiktattam.)
A példa kapcsoláshoz tudsz -e esetleg beültetési és nyák rajzot mellékelni nem sprint layout-ban. Ha nem, se baj mert találhatok hozzá a világhálón.
Összerakhatod a lepkeszabályzót lineáris potival, ha pont magas és mély emelésre vágynál a poti középállása mellett.Bővebben: Link
Az előbbi áramkör megvalósított példánya erre.
Köszönöm.
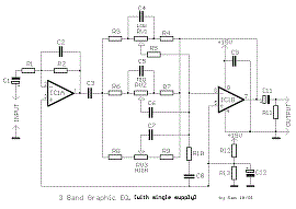
Sziasztok, srácok azt szeretném kérdezni, hogy az alábbi egyszerű kis hangszínszabályzót meg lehetne csinálni (egyszerűen) úgy, hogy közép szabályzás is legyen benne?
Köszi a segítséget, üdv. A hozzászólás módosítva: Márc 3, 2021
Szia! Ugyan azt a visszacsatoló hálózatot alkalmazhatod itt is , amit a 3 band tone control circuit keresésre kidob a gugli. A kiszemelt áramköröd inkább szemléltető eszköznek való, mintsem gyakorlati használatra. Gyári keverők kapcsolási rajzaiban találsz kivitelezésre alkalmas példákat.
Szia! A szabályzó rész helyes felépítésű.
Szíves engedelmeddel folytatnám: . . . de az erősítő elemhez való csatolást még át kell gondolni.
Csatlakozom reloop kolléga írásához miszerint ez nem a használhatóak közé tartozik.
Persze működni működik csak a hangerő szabályzó elhúzza a hangszínszabályzókat illetve az az 1 tranzisztor mint aktív elem ebben a kapcsolásban nagyon kevés lessz. Javaslok egy bevállt kapcsolást megépíteni inkább mint ezt.
Köszönöm, találtam én sokféle rajzot a keresőben de nekem elsődleges szempont, hogy szimpla tápos legyen mert a végfok is szimpla 24V tápos digitális panel, nem kell, hogy nagy hifi kívánalmaknak feleljen meg mert egy kis zenekari padló monitor hangfalba lesz, csak ne legyen bonyolult, 3 sávos legyen és szimpla tápos - ezek a követelmények...
UI: Roninnak is köszönöm, ha ezt a rajzot működőképessé tennénk az is jó lenne... A hozzászólás módosítva: Márc 4, 2021
Ehhez mit szóltok? -most találtam, 9V tápfeszültséget ír, vajon mennyi lehet a maximum amit adhatok neki?
A hozzászólás módosítva: Márc 4, 2021
Szia! Ha a forrásjel nem kimondottan alacsony impedanciás, akkor a dual műveleti erősítő másik felért használd meghajtó fokozatnak. A tápfeszültségnek az IC szab határt, általános esetben ez 36 V.
A "forrásjel" egy Yamaha MG10/2 keverőpult - nem tudom az milyen impedanciás (ezt soha nem értettem).
A kép amit mellékeltél sajnos szintén szimmetrikus tápos ami nekem nem lesz jó. Nekem feltétlenül sima nem szimmetrikus tápos kapcsolás kellene. üdv.
A keverő kimenete után nem kell illesztő fokozat.
Az iménti ábra sajnos gyenge felbontású, de ügyeltem, hogy szimpla tápost válasszak. Kerestem másikat.
Ez tökéletes lenne csak még az alkatrészek értékeire lenne szükség, köszönöm szépen.
Üdv. A hozzászólás módosítva: Márc 5, 2021
Úgy látom ugyanezt mellékeltem én is kicsit fentebb, azon rajta vannak az adatok, akkor ezt meg is építem gyorsan...Köszönöm a segítséged még egyszer, üdv.
A szabályzón kívüli értékeket azért ráírtam.
Amit a reloop kolléga mellékelt a megelőző hozzászólásában, az szimpla tápos. A táp a test, és a + 15 V között van. Csakhát a műveleti erősítők általában szimmetrikus tápot igényelnek a bemeneti erősítőjük miatt. Az egy tápot igénylő erősítők nem igazán műveleti erősítők, és a paramétereik is gyengébbek, mint egy műveleti erősítőnek. A problémát úgy lehet áthidalni, hogy a műveleti erősítő neminvertáló bemenetét fél tápra kötjük (és az osztót hidegítjük) ahogy a csatolt kapcsolási rajzon is látható. Mivel az osztó terhelése nem nagy, és hidegítve is van, több műveleti erősítő féltápos munkapontját is ez az egy osztóval lehet beállítani.
reloop utolsó hozzászólásában csatolt képen látható kapcsoláson ugyanaz a megoldás van. Egy dologra kell vigyázni, a tápfeszültségnek nagyobbnak kell lenni, mint a legkisebb (adatlap) ± tápfeszültség (ez általában ± 5 = 10 V) és kisebbnek, mint az adatlapon megadott max tápfeszültség.
Köszönöm, a mellékelt képeden jelentősen eltérnek az alkatrészek értékei attól amit én találtam, miért van ez ha egyszer ugyanarról a kapcsolásról van szó? Melyiket javasolod használni?
Nem véletlenül írtam át az értékeket. A ToneControl1 ábrán a C1 hibásan alulméretezett, a C6 feleslegesen nagy kapacitás, az R12 méretezési hibás, az R10-en feleslegesen nagy a jelveszteség.
A C7 az egységesítés miatt 10 µF nálam, ne kelljen annyi féle kondi. Az egyéb módosításokat a nálam bevált kapcsolásból vettem át.
Talán egy ilyen?
De jó, igaz nem 3sávos de lementem magamnak, köszönöm szépen egyszer még jól jöhet..
reloop engedj meg még 2 kérdést, ha szeretnék a bemenetére egy hangerőszabályzót is tenni akkor oda milyen értékű potit javasolsz? És a kimeneten nagyobb vagy kisebb jelszint jön ki mint amit a bemenetére kap a kapcsolás? A keverőpultból 5-6V kimenet jelszint is kijön ahogy mértem... Köszi a sok segítséget...
A hozzászólás módosítva: Márc 7, 2021
Nem baj, ha beleszólok, reloop sem mondana mást.
A hangszín szabályzót kis impedanciával kell meghajtani, és nagy impedanciával terhelni. Ezért van a rajzon a követő fokozat. A hangszín szabályzó alapesetben lineáris állásban annyit kell csillapítson, amekkora kiemelést szeretnél elérni. Ez azt is jelenti, hogy a hangszínszabályzót az áramkör azon a részén kell alkalmazni, ahol a lehető legnagyobb szint van, mert ebből jön le az alapcsillapítás, ami a jel/zaj szintet rontja. Ebből következik, hogy a hangerő szabályzót a hangszínszabályzó kimenetén, pontosabban a követő erősítő kimenetén kell alkalmazni.
Rendben köszi tehát R11után kell, hogy legyen és milyen értékű potit rakjak be?
A hozzászólás módosítva: Márc 7, 2021
Mondjuk R11 helyett, 50 - 100 kΩ között bármi jó, leginkább a következő fokozat bemeneti impedanciájától függ. ezért inkább az 50 kΩ körülire szavaznék.
Annak érdekében, hogy ez a hangszínszabályzó illeszkedjék a rendszerbe, kérlek add meg milyen végerősítőt fogsz használni.
A most tárgyalt hangszínszabályzó a potenciométerek középállásában egységnyi erősítésű, tehát ami be, az ki. A kiemelés az adott sávban tízszeres erősítésig fokozható. |
Bejelentkezés
Hirdetés |




















