Fórum témák
» Több friss téma |
- Ez a felület kizárólag, az elektronikában kezdők kérdéseinek van fenntartva és nem elfelejtve, hogy hobbielektronika a fórumunk!
- Ami tehát azt jelenti, hogy a nagymama bevásárlását nem itt beszéljük meg, ill. ez nem üzenőfal! - Kerülendő az olyan kérdés, amit egy másik meglévő (több mint 17000 van), témában kellene kitárgyalni! - És végül büntetés terhe mellett kerülendő az MSN és egyéb szleng, a magyar helyesírás mellőzése, beleértve a mondateleji nagybetűket is!
Mint az elején is írtam,nem tudtam hogy jó helyre teszem fel-e kérdésemet! De azért köszi neked is az infót!
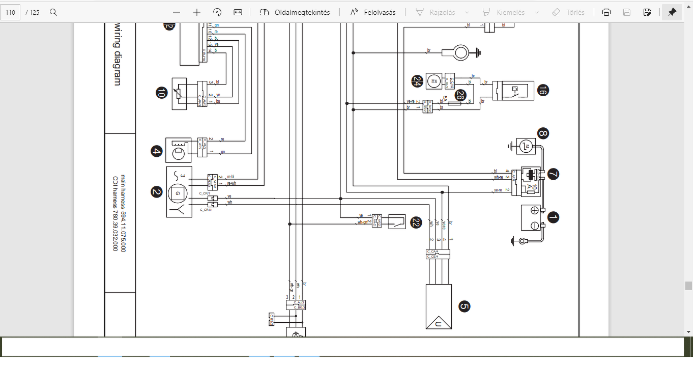
Sziasztok! A motoromon a hűtőventilátor bekapcsolása miatt lassabban tölti az akksit a generátor, emiatt sokszori inditás után nem teker az önindító. Az akksi új és minőségi. Próbáltam keresni megoldást hogyan lehetne megoldalni még egy fesszabályzó nélkül a dolgot. Akinek van ötlete légyszi segítsen. A kapcsolási rajzot melléklem. 24 a ventilátor.
A hozzászólás módosítva: Márc 20, 2021
1. nézd meg nem e szivárog el valahol az áram.
2. Nagyobb generátor ha lehetséges. 3. Kevesebb indítás több járatás nem alapjáraton.
Lehet, hogy a ventillátor az indokoltnál többet fogyaszt - pl. ha kicsit szorul, csapágyhibás, stb.
A sok indítás veszi ki az energiát az aksiból. Mikor házhoz vittem a tejet kocsival volt hogy egymás után 8-12 alkalommal is megálltam és indítottam. Ezért került a kocsiba egy 74Ah 600A aksi. Miközben a kocsi 1.4 8 szelepes Thalia. 55Ah is simán elment vele de azt hamar megette volna ilyen terhelések mellett.
Sziasztok kellene egy kis segítség .... kiszakadt egy micro USB foglalat ami csak töltést szolgált. Kérdésem az volna : az USB kábelről mit kell rá forrasztani és hova hogy működjön?
Tehát direktbe szeretném rá kötni kihagyva a csatlakozási lehetőséget . A segítséget előre is köszönöm!!! A hozzászólás módosítva: Márc 20, 2021
IGN látom a képeket , de nekem csak 3 csatlakozó van vagy rosszul látom? Valahogy nem értem mit hova kell forrasztani.
Ne haragudj!!! Most vettem észre ahogy jobban megnéztem, le van szakadva a két szélső lába azért hittem hogy csak 3 van.
Banális hiba.... Köszönöm a segítséget. A hozzászólás módosítva: Márc 20, 2021
Sziasztok!
Lenne egy kezdő kérdésem. 2 hajtóműves villanymotor (220v, 1A) mozgását szeretném összehangolni. Az egyik egy fordulatot tenne meg a hajtóművön (1:30) ekkor leáll a másik elindul egy fordulatot tesz meg a hajtóművével (1:20) és szintén leáll majd újra indít az első motor és így tovább. Hogyan lehetne ezt kivitelezni egyszerűen? (Gondolgoztam valamilyen 2 végálláskapcsoló és mágneskapcsolók összehozásában, de eddig még nem állt össze. Továbbá a hajtómű "fogaskerék" részére, ha tennék egy kiálló csavart ami minden fordulatnál adna jelet egy mikrokapcsolónak az is jó lenne, csak ha fixen megállna mindig a mikrokapcsoló felett akkor indításnál is lezárna. Esetleg Arduino, amihez meg nem értek.)
Hello! Pld. így meg tudod oldani, ha megfelel és egy kis 12V-os dugasztápról tudod járatni.
Sziasztok!
Mi a különbség a folyasztószerek között ha mondjuk smd alkatrészeket szeretnék forrasztani? Van egy csomó féle, és az áruk nagyon eltérő. Ha jól tudom a flux a legjobb, de van még folyaszó paszta, folyasztó zsír, folyasztó víz, mi a különbség közöttük és melyikkel lehet smd-t forrasztani? Előre is köszi a segítséget!
A flux a legtöbb forrasztási célra megfelel. A paszta előnye, hogy olyan helyen is lehet használni ahol a folyékony szerek lefolynának.
Az angol flux magyar megfelelője (fordítása) folyasztószer.
A folyasztó- vagy forrasztóvíz többnyire valamilyen erősen savas anyagot tartalmaz, NYÁK/vezeték közelébe sem kerülhet, bádog forrasztására van kitalálva. Forrasztóvíz néven fordul elő leginkább. Van olyan folyasztószer, amit le kell mosni forrasztás után, mert oxidálhatja a NYÁK-on lévő fémeket és van olyan, amelyiket nem kell lemosni. Utóbbiak "no-clean" jelzővel futnak és akkor sem okoznak gondot, ha évekig a NYÁK-on maradnak. Abból lehet probléma, ha a folyasztószer összeszed más anyagot, pl. valamilyen port, és vezetővé válik, ezért ajánlott mindig lemosni a folyasztószert forrasztás után. Manapság inkább "no-clean" típus kapható. Van amelyik úgy folyik mint a víz és van, amelyik szobahőmérsékleten sűrű mint a fogkrém. Az áruk általában a benne lévő anyagokat (minőség) és koncentrációjukat (mennyiség) tükrözi, de a jó hobbisták egymást kérdezgetik, kinek melyik jött be legjobban. ![]() A híg könnyen be tud folyni pl. SMD IC lábak alá is, általában maradék nélkül elpárolog. A sűrű nyugton marad, nem párolog el (másod)percek alatt. Én használok hígat és sűrűt is, a feladat határozza meg. Furatszerelt alkatrészekhez pedig elég a forrasztóónban lévő folyasztószer.
Értem, köszi.
Ezeket néztem, ki: https://www.eurobeat.hu/szerszamok-muhely-segedeszkozok/forrasztast...opasty vagy https://www.hestore.hu/prod_10031135.html Melyik a jobb cucc? Találtam pár fél fecskendőnyi flux-ot, brutál áron, azt inkább kihagynám ![]() Nem is tudom ki vesz meg 5ml-t 6-8k-ért.
Az első link hibás, a második jó lehet de konkrétan nem ismerem. A gyártó oldalán azt írják, nem kötelező lemosni de ajánlott, alkohol bázisú oldószerrel.
A sűrített folyasztószernek is megvannak az előnyei, pl nagyon kevés is elég a boldogsághoz, az a kis fecskendőnyi sokáig elég.
Oké, de ha pl. kb: 100db 44 lábú PIC-et kell beforrasztanom, akkor arra már nem hiszem hogy elég lenne az a kis fél fecskendőnyi. Nem?
Itt a link remélem most jó lesz. https://www.eurobeat.hu/szerszamok-muhely-segedeszkozok/forrasztast...opasty
Jónak tűnik ez is. Ez hígabb, gyorsabban fog fogyni.
Szerintem elég 100 db. 44 lábú IC-hez, tényleg kevés kell belőle. Nevezett IC-hez (TQFP 44) kb. négy gombostűfejnyi elég, szétkenve a forrasztási pontokon.
Ilyen vezeték toldót használ valaki, mennyire jó? Bővebben: Link
A hozzászólás módosítva: Márc 22, 2021
Moderátor által szerkesztve
Sziasztok!
30-40VDC-ből szeretnék előállítani 12VDC-t (500mA) Illetve +/- 12V-ot (ami csak 2db TL072 IC-t hajtana) Szerintetek lehet szimpla feszültségből +/- feszültséget előállítani? A Földpontnak meg kell egyezni minden esetben, mert erősítőhöz kellene. Köszönöm szépen!
A 30-40V egyenáram egy trafóról származik? Ha igen, középleágazásos?
A hozzászólás módosítva: Márc 22, 2021
Szia!
2db Makita 18V-os akkupakk sorba kapcsolva. Tehát 0 - 18 - 36 V áll rendelkezésre (0-hoz képest). A fő terhelés egyszerre terheli a 2 sorba kötött pakkot. De most gondolkodok rajt, mivel tápról is tud menni, így azzal is mennie kell, tehát csak szimpla 36V. A hozzászólás módosítva: Márc 22, 2021
Létezik ilyen. Ezt hasracsapásszerűen választottam ki, olcsób, jobb is lehet a piacon - mindössze a létezését demonstrálva.
Ez szuper, köszi. Akkor keresek egy ugyanilyet ami pozitív és olyat, ami negatív feszültséget tud. Illetve külön a 12Vot is.
Ezeknek van hatása a hangminőségre? Előfokot hajtana.
Megfelelő szűrést érdemes tenni a kimenetére, mert elég zajosak szoktak lenni, de megoldható.
|
Bejelentkezés
Hirdetés |
















