Fórum témák
» Több friss téma |
Mielőtt kérdezel, a következő két dolgot ellenőrizd!
I. A helyes tápfeszültségek megléte.
II. A kimeneten van-e egyenfeszültség.
Élesztés.
Azért kéne megnézni szkóppal. Azon egyértelműen látszania kell a keresztezési torzításnak.
Én mindig szkóppal állítom be, és amikor kisimul a nullátmenet, akkor jó.
Fotózd le a panelt! Erről a készülékről van videó a YT-on. Az elszenesedett panelrészeket simán letolja dremellel és huzallal pótol. Lehet Nálad is megoldható lenne, ha ez a probléma.
Az elkókat mérted?
Szia!
Kihallatszik. Persze csak kis hangerőn, és/vagy széles sávú hangszóróval Persze sokunk csak halkan dönget szubládát, mert panel házban nem illik hangoskodni. Hazai három betűs cég is gyárt így erősítőt, de ez egy KEF. Talán többet várnék tőle. De lehet hogy akusztikailag nem tud lesugározni 100Hz felett, és akkor akusztikusan van lenyelve a torzítás. Már a hangszóró sem rezeg a magasabb harmonikusokon.
Sziasztok!
Szeretném a segítségeteket kérni egy erősítő javításával kapcsolatban. Elszállt a kocsiban lévő erősítőm, szóval szétkaptam, helyrehoztam, amit helyre tudtam, de elakadtam, s tanácstalan vagyok. Az egyik végfok lett zárlatos, magával vitt egy-két ellenállást, tranzisztort itt-ott a végfok részen, illetve elszállt a táp részen is pár alkatrész, de végül mindent kicseréltem, és elméletileg minden jó, mégsem kapcsol be, protect leddel alvóba marad. Ami érdekes, hogy (azt hiszem így hívjátok, de ne kövezzetek meg, ha mégsem ez a neve) dupla tápos, 2x30v. Ha itt kap tőlem 2x30v ot, akkor indul a végfok, zöld a led, és erősít is, minden úgy működik ,ahogy kell, de nem azonnal. Várnom kell 20-30 másodpercet, lekötött hangfallal, különben az elérhető összes ampermennyiség megjelenik a kimeneten, de aztán ha rákötöm a hangfalakat, akkor még pár másodpercig gerjedezik, de végül úgy 1 perc után már szépen szól, probléma nélkül. Ami még érdekesség, és esetleg segíthet a megoldásban, hogy ezen a ponton, ha rákapcsolom a 12v ot az eredeti bemenetre, akkor ráindul a saját tápja, le is tudom vennei az enyém, elmegy sajátról, szóval valszeg a táp is jó, gondolom a kimeneten megjelenő balhé miatt ugrik be protectbe. BTW cseréltem az összes kondit. Előre is köszi mindenkinek, remélem sikerül életet lehetni a drágaságomba
Leszereltem a hűtőzászlókat. Ha csavarhúzóval hozzáérek Q11 műanyag tokjához, negatív irányba kezd elmászni a feszültség, ha Q13-hoz akkor pozitív irányba. Szinte azonnal. Az R110 - 111 ellenállásokat cseréltem 220 Ohmra. Így megint stabilnak tűnik. Most már Q16-Q17 is melegszik kicsit.
Jelgenerátorral hajtva kis hangerőn a kimeneten néztem szkóppal a keresztezési tozítást. A képek: A hozzászólás módosítva: Máj 10, 2021
Ez nagyon szép jel. Nincs keresztezési torzításod.
És a Q18, Q19? A Q16 párhuzamosan van kötve a Q18-al, áramkiegyenlítő ellenállással, ha az egyik melegszik, akkor a másiknak is kéne. Mekkora DC feszültséget mérsz a 220 ohmos ellenállásokon?
Már kiegyenlítődött melegedés. Az ellenállásokon 1,43 V körül mérek.
A Q11 árama 6,5mA, kb 300mW a disszipáció. Gondolom most már nem éget annyira.
Ha így stabil, akkor kezd el használni. Esetleg nézd meg a jelet nagyobb kivezérlésnél is. Ha nem gerjed, nem leng, lehet hogy jó lesz.
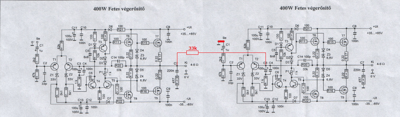
Sziasztok! Egy régi témával kapcsolatban szeretnék segítséget kérni. Nyilván sokunknak ismerősen hangzik a "Baji fetes 400w" kit formában kapható erősítő. A következő lenne az elképzelésem: Szeretném 3-3 Fetre bővíteni a kapcsolást. (a meghajtók piszkálása nélkül) A tápfesz úgy alakulna, hogy a fetek +-75 voltról mennének, a meghajtás pedig +- 85 körül. Szeretnén 4 ohm terheléssel használni, illetve 8 ohmon hidalva. Megkapná a BD139-es nyugalmi áram stabilizálást, illetve a meghajtó tranzisztorok is a fetekkel közös hűtőbordára kerülnének. A fetek száma, illetve a hidalás, stb onnan jött, hogy van olyan tranzisztoros erősítőm, ami hasonló paraméterekkel üzemel, passzív hűtés mellett. Van valami kifogásolható az elképzelésemben?
A tranyók már nem égetnek, ez e hőmérséklet teljesen elfogadható. Volt nagyobb kivezérléssel is próba, minden rendben van. A szkópfotók készítésekor még nem volt hűtőborda a végtranyókon, akkor nem mertem jobban hajtani. Most teljesen össze van szerelve, jónak tűnik. A közösített hűtőzászlók vezettek rá, hogy biztosan ott van a hiba. Valószínűleg az MPS tranyók cseréje után, az eredetihez képest nagyon más viselkedésük okozta a problémát.
Köszönöm a segítséget mindenkinek.
Üdv!
Van egy LH-D6245 típusú erősítőm, és a képen látható jelalakot produkálja a sub kimeneten egy bizonyos hangerőszint felett. Találkozott már valaki ilyennel? Lehetséges, hogy a végfok IC adta meg magát? Köszi! A hozzászólás módosítva: Máj 12, 2021
Csak ötletelni tudok, mert ilyen kapcsoló üzemű végfokokban nincs gyakorlatom. De több szem több csipa. A sub van egyedül híd kapcsolásban. Próbálj rákötni ohmos műterhelést, és úgy is mérd. A szkóp másik csatornájával nézd a tápfeszt közvetlen az IC-n. Van-e ugyanott a tápfeszen is zavar. Esetleg amikor a sub csatorna így begerjed, a vele egy tokról járó jobb első jobb hátsó csatornákon is látszik valami?
Szia! Ha terheletlenül mértél, akkor másról van szó, de ha a saját hangszórójával, akkor a következőket lehet tenni:
Ahogy az előző írásban olvashatod, próbáld műterheléssel mérni. A szub hangszórót is érdemes legalább Ohm mérővel ellenőrizni, lehet részleges menetzárlat. A hullámalak olyan, mintha az IC túláram védelme szólalna meg.
Üdv!
Terheléssel mértem, egy 4 Ohmos hangszóróval, ami biztos hogy jó. Holnap kipróbálom amit mondtatok, és írok. Köszi!
Ha jól értelmeztem, akkor a szkóp ábrán 5V/div a beállított érzékenység, a hangszóró pedig 4 Ohmos.
Nos ebben az esetben jó hír, hogy a TSA505 teljesen jól teszi a dolgát. A rossz hír pedig az, hogy 4 Ohmos terhelést hídban nem tud meghajtani, mert 3,5A az áramlimit. Igaz, van olyan opciója, hogy paralel híd, de ezt nem tudod alkalmazni ebben a kapcsolásban. Minimum 8, de inkább 12 Ohmos hangszóró kellene a szub kimenetre, a 4 Ohm az kicsi.
Sziasztok!
Egy egyszerű kis erősítőt szeretnék csinálni egy TDA2040-el, és annyi lenne a kérdésem hogy tudtok-e segíteni a hangváltó tervezésében? Van egy mélyközepem 50Hz...7kHz-ig és egy piezzóm 2kHz...20kHz-ig. Ezt kellene belőni hogy a közepet levágja 7kHz-nél, és a piezzóra meg 2kHz-töl menjen minden. Előre is köszi a segítséget!
Sziasztok!
A rajz szerinti bekötés megoldja a híd bemenetének fázis fordítását?
Elvben meg, feltéve, hogy a jobboldali erősítő elviseli gerjedés nélkül a szoros visszacsatolást.
Ez így a képről szerintem nem eldönthető. Annyi látszik, hogy nem egy bonyolult áramkör lehet,
ráadásul csak egy oldalas panel, ha van egy kis türelmed, simán te is visszafejtheted...
Üdv!
Megismételtem a mérést egy 15Ohm-os ellenállással, az eredmény ugyan az. (fehér jel) A hangerő csak félig volt tekerve, de már ott is megjelenik ez a torzítás. A tápfeszültségekkel nincsen gond, nem nem esik, ill. nem zajosodik be.
Semmi bajom a vissza fejtéssel ! Csupán az alkatrész értékekre lettem volna kíváncsi,összehasonlítani.Van benne kondenzátor ami eltérő a két végfokban ,és szakadt illetve megnyúlt ellenállás. Bd249-250 gyakori végfok gondoltam van róla rajz .Azért köszönöm a választ,és ne haragudj!!
Ez nem jó jel. A TSA505 tulajdonképpen nem nevezhető hagyományos PWM erősítónek, mert már a bemeneteire sem analóg jel, hanem logikai szintű PWM jelfolyam érkezik a 31, és 32 lábakon. Nem tudom mennyire férhető hozzá a nyákon ez a két lábhoz menő fóliacsík ami a PS9818 felől jön, de ott is lehetne mérni. Talán segít, hogy egy-egy 47 Ohmos SMD ellenállás van a jelútban.
Viszont nen direkt szkópos mérés lenne a célszerű, mivel nehezen lehetne értelmezni, én inkább egy alulátersztő (10 Ohm, 1nF) szűrővel integrálnám a PWM jelet, ami után visszanyerhető az audió jel. Ha ezen nincs törés, akkor egyértelműen a TSA505 a beteg. Mivel a SW kimenet híd kapcsolású, érdemes megmérni mind a +, mind a - pontot a hangszóró kimeneten. Ha netalán az egyik nem beteg, akkor jó hírem van, mert van egy kihasználatlan félhíd a rendszerben, amit kis ügyeskedéssel átköthető.
Nem haragszom...
Az ellenállások zöme ha jól látom színkódos, azt egyszerű számolni, de akár mérheted is, gondolom, egy multimétered csak van... Kondenzátorok szintén vagy feliratosak,vagy mérhetőek, bár ahoz már nem biztos, hogy rendelkezésedre áll műszer, gondolom. Mindenesetre ha egy kapcsolási rajzot felrajzolsz, és feltöltöd, a hozzá értők a hiányzó értékek meghatározásában biztos tudnak segíteni... Míg nem látunk rajzot, nem hinném, hogy tovább tudsz lépni ez ügyben... A hozzászólás módosítva: Máj 14, 2021
Üdv, megnézem köszönöm!
![]() Idézet: „Mivel a SW kimenet híd kapcsolású, érdemes megmérni mind a +, mind a - pontot a hangszóró kimeneten.” Mértem, ott van a képen! A két színes csík. (Nincs differenciális mérőfejem a szkóphoz, így csak szoftveresen 2 csatornával tudtam megoldani. Amikor direktbe kötöttem rá csipeszel 1 csatornát, folyton letiltott az erősítő kimenete, valamint más anomáliák is voltak.)
Szia! Azt gondoltam valaki felismeri. Vissza fogom rajzolni ,már csak az egyszerűsége miatt is . Lehet hogy felteszem ide is.Mint írtam eltérő értékű kondenzátor van a két végfokban.A multiméteremről meg annyit 4 van 2 forr.állomás ,hőlég,labortáp,alkatrész teszter. A fiam műszerész a haverom is. Közel 40 éve javítok,megfogom oldani!
Ja, igen. Nem figyeltem csak a fő ábrát. Annyira egyforma a két fázis hibája, hogy nem fogható rá hogy az egyik kimenet hibás.
Nagyobb, mondjuk 50-100 Ohmos terheléssel is megmérheted, hátha mutat valamit. Nem valószínű hogy gyárilag is már rossz volt, de ha mégis, akkor a kimeneti LC szűrő induktivitása is telíthet, és attól tilthat a kimenet. De ez csak gondolat.
Sziasztok.
Harman Kardon aktiv sub…csattogos csettintos hangokat hallatott: https://youtu.be/5OTBi0fvzX0 A kep magaert beszel: |
Bejelentkezés
Hirdetés |

















