Fórum témák
» Több friss téma |
- Ez a felület kizárólag, az elektronikában kezdők kérdéseinek van fenntartva és nem elfelejtve, hogy hobbielektronika a fórumunk!
- Ami tehát azt jelenti, hogy a nagymama bevásárlását nem itt beszéljük meg, ill. ez nem üzenőfal! - Kerülendő az olyan kérdés, amit egy másik meglévő (több mint 17000 van), témában kellene kitárgyalni! - És végül büntetés terhe mellett kerülendő az MSN és egyéb szleng, a magyar helyesírás mellőzése, beleértve a mondateleji nagybetűket is!
Rá volt írva a tápra, hogy AC, kizárólag egy trafót találtam benne. Tettem a kimenetére egy egyenirányítót pufferkondival, azóta egy régi orosz VEF rádiót táplál.
![]() De volt már olyan is, hogy nem tudtam használni a 9V dugasztápot ahhoz, amihez vettem, mert süvített a hangszóróból az elektromos zavar, amit a dugasztáp termelt - egy kisrádió vételét teljesen hazavágja, ha rákötöm! (Az egyik, ami HEstore-ban kapható.)
Tudnátok segíteni abban hogy ezt milyen ma kapható alkatrészre lehetne kicserélni? Nézegettem a TME-t de van egy csomó féle. A hestoreban nem találtam ilyen nagy tokozásút.
Ha elég lenne 600 V-os, akkor az van az "IRF" sorban (HE store - ban is).
Talán erre: STW10NK80Z
Kedves hobbi elektronikások illetve szakmabeliek!
Szeretnék egy tartós (több másodperc) túlfeszültség esetén is működő és gyorsan reagáló lekapcsolást leválasztást biztosító áramkört. A kérdésem az lenne, hogy kaphatnék e ötleteket tőletek ehhez? Mellékeltem egy vázlatot kiindulási alapnak nagyjából mire gondoltam, illetve milyen feszültség és áram várható az áramkörben. Amire gondoltam, valami olyasmi kellene, ami lekapcsolja a bemenetet ha a szupresszor dióda vezetni kezd (védve a diódát is a túl sokáig tartó terheléstől) és visszakapcsol ha bemeneten 0V-ra csökken a feszültség (ki-be kapcsolás resetelje). Előre is köszönöm a segítséget!
Mekkora feszültségről működik a kütyü?
Gondolom 15V DC körül. Egy sima feszültség figyelő komparátor, ami egy relét vezérel. A relé záró érintkezőjének a helye ott ahol pirossal metszi a téglalap a +ágat. Beállítod a komparátort, hogy engedje el a relét mondjuk 17V-nál. Alatta meghúz, és zárja a terhelés felé a kört. Ha a táp ki van kapcsolva akkor is nyilván el van engedve. A terhelés csak akkor kap tápot, ha a tápfesz eléri a komparátor, és a relé működéséhez szükséges szintet, illetve 17V alatti az a feszültség. A túlfesz levezetőnek csak pillanatnyi szerepe van, mert a relé viszonylag gyorsan elenged. A hozzászólás módosítva: Szept 29, 2021
Kedves Suba53!
Köszönöm az ötletet! Kipróbálom!
A relé lassú. Az áramkörnek meg magát kell reszetelnie, mert amikor behúz a "relé", leesik a feszültség, a komparátor elengedi a relét, mivel a feszültség már alacsony. Ebből lenne egy jó kis kattogás... Amíg a bizti ki nem ég, már ha van sorosan valahol, és ki tud alakulni a megfelelő nagyságú áram.
A hozzászólás módosítva: Szept 29, 2021
Hello! Azért tisztázni kellene, mi is amit szeretnél. Mert ha van a készülékben szupresszor, az a hosszú idejű terhelésbe belehal. Amire a relé" megszólal", vége van. Tehát illene már előtte működni a védelemnek. Az sem mindegy, hogy a túlfeszültség mennyi idő alatt épül fel.
De rajzoltam két áramkört, hátha..
És talán még egy frappánsabb megoldás..
Miért esne le a feszültség? Bár nem adta meg a feszültség forrást, de gondolom stabilizált, ami nem esik le a terhelés ráadásakor. Valamint egy ilyen jellegű komparátornak illik hiszterézist is adni, ami a relé prellegését megakadályozza. Egyetlen tényező nem ismert, a túlfesz levezető teherbírása.
De szerintem annyi ideig bírnia kell a 2.5A terhelést, amíg a relé leold. Ez pár milliszekundum lehet. Nem villám energiákról van szó. A bizti meg lehet hogy nem ég ki, mert nem zárlat van, csak megszalad a tápfesz valami miatt, amiről megint nem tudunk sokat.
A kérdező szemérmesen elhallgatja, hogy mi az áramforrás.
Napelem, akkumulátor (járműben, menet közben), vagy egy hálózati tápegység? Hálózati tápegység esetén meghibásodás elleni védelemben kell gondolkodni, ami egy olvadóbiztosíték reakcióidejét veszi figyelembe, napelem, akkumulátor esetén tartós, de ideiglenes túlfeszültséggel kell számolni. Részinformációkkal csak ötletelni lehet, de megoldást nem tudunk adni.
Attól nem lesz szakszerűbb a kérdésed, hogy az adatok egy részét elhallgatod. A körülmények jelentősen befolyásolják az optimális megoldást. Mi az áramforrás, és mi a terhelés (fogyasztó)?
Így igaz. Ötletelünk, de remélem előbb utóbb csak kiterülnek azok a kártyák.
Zavaró a kérdező pontatlan fogalmazása.
Én úgy értettem, hogy túlfeszültség esetén rövidzárlatba küldjük a betápot, ezzel megmentve az utána levő készüléket. A rövidzárlat azért rendesen megejti még a stabilizált táp kimenetét is
Hali
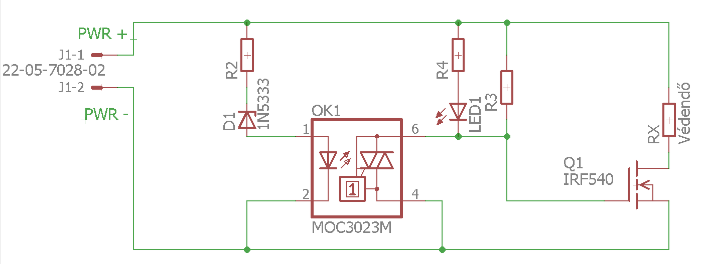
esetleg van itt ilyen megoldás is .. ha nem feltétel hogy a fogyasztó felül legyen leválasztva. Ugye itt addig nem történik semmi, amig a feszültség el nem éri a Zener és az OptoTriac LED Forward Voltage feszültségienek az összegét. Ha elérte , nyit a TRIAC, FET bezár , fogyasztó leválasztva,,, a LED csak azért van ott hogy jelezze hogy túlfeszültség van/volt. Ez az állapot marad addig mig le nem csökken a feszültség annyira hogy a TRIAC-on átfolyó áram lesik a tartóáram küszöb alá ,, ami ugye elég kicsi. Ha visszatér a feszültség , megy minden elölről. Ezt egy ATX táp labortáppá alakitásakor használtam. Ugye ott ki kell vezetni a a TL494 visszacsatolását külső potméterre. Ha a poti vagy a vezeték megszakad, a feszültség az "egekbe" szökik. Ezért tettem bévülre egy körmömnyi NYÁK-on ezt a kapcsolást. Ha a feszültség bármilyen oknál fogva felszaladt 20V fölé, TRIAC bekapcs, az letiltotta a TL494-et , és addig ugy maradt mig meg nem szünt a 5V Standby feszültség is, tehát teljesen ki nem lett kapcsolva.
Üdv.
Lenne egy kérdésem ami tegnap este nem hagy nyugodni. Feltűnt hogy a mozgásérzékelős napelemem nem működik. Szétszedtem picit megtöltöttem a három darab Nimh aksikat. Egyből működött. Viszont azon gondolkodtam hogy működhet a töltés amikor a középső elem fordítva van bekötve. A másik nagy kérdésem hogy a napelem részt szeretném megvédeni úgy hogy ne menjen visszafelé áram. Milyen diódát kell oda berakni? Kábel szakadás van rajta ezért nem töltött fel az aksi. A hozzászólás módosítva: Okt 1, 2021
Szia!
Egy kis schottkyt tegyél be, azon kis feszültség esik.
A töltésvezérlő valószínűleg védi a napelemet (már ha védelemre szorul), neked ezzel nem kell foglalkoznod. A fordított bekötést vagy elnézted vagy a gyárban nézték el. Át tud polarizálódni az akku de ez semmiképpen nem tesz jót neki.
Örülj, hogy még nem gyulladt ki a rosszul betett cella. Én mindenképp cserét javaslok helyette.
Te már olvastál olyanról, hogy egy NiMH cella kigyulladt?
Jajjj bocsánat, én valamiért lítium alapúra asszociáltam hirtelen. Most látom csak, hogy rosszul.
Így már más, azt hittem, lemaradtam valamiről! A frász jött rám, hogy mi nem történhetett volna, ha ...
Nálam nagy pukkanás mellett egy cella ledobta a kupakját, túl sok volt a gázképződés az egymás után többszöri töltés kisütés alatt. Használati utasításban egyébként is le van írva, hogy egy nap max. 2x lehet feltölteni az akksit (modellautóba való NiCd vagy NiMh, nem tudom pontosan).
Nem néztem el. Tuti hogy meg van forgatva rendesen sőt az érintkezők is úgy vannak kialakítva. Nem hiszem hogy van benne mert egy sima LIDL márkás napelemes lámpa. Akkor jól sejtettem hogy valami nem oké a rendszerrel.
Mikor fel volt kapcsolva és rádugtam a napelemre egyből kisebb fénnyel világított. Innen tudtam meg hogy a cella éjszaka fogyasztóként működik. A hozzászólás módosítva: Okt 1, 2021
Elhiszem, de nagyon halkan megjegyzem, hogy esetedben jó eséllyel gyorstöltés alanya volt az egyed.
Úgy könnyű!
Üdv
Érdeklődni szeretnék. Van egy HT16K33 Adafruit 16x8 LED-mátrix meghajtó. 13x7 szegmenses led kijelzős projekthez lesz. A kérdésem, hogy a kijelzők közös anódos vagy katódos legyen. A másik pedig, hogy van e itt valaki, aki esetleg használ, próbált már ilyen Ht16k33 meghajtót? Köszi
Egy plazma gyújtónál befolyásol valamit, hogy 1/2/3 ív van? És hogy oldják meg, hogy átellenesen legyenek az ívek?
Adatlap szerint közös katódos kijelző kell hozzá, egy IC 14 db. 7 szegmenses kijelzőt tud meghajtani ha a sorokat (ROW0 - ROW15) kettéosztod.
|
Bejelentkezés
Hirdetés |






(Az egyik, ami HEstore-ban kapható.) 











