Fórum témák

» Több friss téma
Fórum » EVSE áramkör - elektromos autó töltésvezérlő
Lapozás: OK   2 / 3
(#) gyuszo válasza uniman hozzászólására (») Nov 25, 2018 /
 
Az elektromos autók terjedésével szerintem már nem lehet elmenni e téma mellett.
(#) gyuszo válasza zolika60 hozzászólására (») Nov 25, 2018 /
 
Társasházaknál lakógyűlésen felmerül a kérdés a töltőre, de milyet ?
Erre keressünk a jobb választ.
(#) gyuszo válasza zolika60 hozzászólására (») Nov 25, 2018 /
 
Igen, erre gondolok, éjszaka a vezérelt áramról, nappal a napelemről.
(#) uniman válasza gyuszo hozzászólására (») Nov 25, 2018 /
 
Ez esetben forduljatok az áramszolgáltatóhoz...biztosan segítenek: Bővebben: Link
(#) elektrorudi válasza uniman hozzászólására (») Nov 25, 2018 / 1
 
Nagyon nem tetszik ez a hozzászólás, de nem akartam egy lefelé mutató mancsot nyomni.
A kérdező nem autótöltőt akart csinálni, csak érdeklődött, hogy másoknak mi a tapasztalata ezekkel kapcsolatban? Mert ez egy fórum, ahol ilyeneket lehet megbeszélni.
Valamint nem is az áramszolgáltató linkjét kereste, ahol semmitmondó információt sem talál a kédésével kapcsolatban.
Magam részéről, kíváncsian várom a hozzászólásokat, véleményeket.
A hozzászólás módosítva: Nov 25, 2018
(#) weend válasza elektrorudi hozzászólására (») Nov 25, 2018 / 1
 
Azért én nyomtam neked egy mancsot.
(#) uniman válasza elektrorudi hozzászólására (») Nov 25, 2018 /
 
Nekem a "házi csatlakozó kiépítése" alapján az "jött le", hogy házilag akar ilyen csatlakozót kiépíteni és nem gyári készüléket kíván használni.
Ugyanis vannak a lengőkábeles 10-16A igényű, az autókhoz gyárilag adott mobil töltők. Ezekkel egy éjszakán keresztül pont fel lehet tölteni a lemerült akkupakkot.
Aztán vannak a fixen telepített nagyobb teljesítményű töltőegységek, ezeket a nagy áremigényük miatt mindenképpen a áramszolgáltatóval kell egyeztetni.
Küldtem neked (valamint Gyuszo-nak is) üzenetben egy kis "olvasnivalót"...

De ezeket is érdemes átolvasgatni...
A hozzászólás módosítva: Nov 25, 2018
(#) zolika60 válasza gyuszo hozzászólására (») Nov 25, 2018 /
 
Értem én ezt, de egy olyan napon mint például a mai több száz négyzetméter napelem kell egyetlen autó feltöltéséhez. A társasház ha több ilyen autó van még keményebb dió.
(#) gyuszo válasza zolika60 hozzászólására (») Nov 25, 2018 /
 
Pedig egyre több ilyen autó van az utcán és energiára szükség lesz.
(#) zolika60 válasza gyuszo hozzászólására (») Nov 25, 2018 /
 
Ebből következik, hogy erőmű kell a dologhoz Pakson. Másképp nemigen megy. Nyáron tán jobbak az esélyek, de akkor sem kevés napelemmel, mert senki nem akar heteket várni míg mehet egy kört az autójával.
(#) gyuszo válasza zolika60 hozzászólására (») Nov 25, 2018 /
 
Igen, sajnos már vártam erre a válaszra is, van benne igazság. Az otthoni töltéshez szerintem alap a 3x32 A-es csatlakozás egy családi háznál, ha az autót is tölteni kell.
A hozzászólás módosítva: Nov 25, 2018
(#) keri válasza gyuszo hozzászólására (») Júl 3, 2021 /
 
Sziasztok!
Éppen egy okosított EVSE-t akarok építeni 3*32A-re.
Én is elég jól utána kerestem már a dolgoknak meg a fórumot is végigolvastam.
Maga a vezérlő áramkör tervezése és megépítése nem okoz gondot, meg az erős áram sem, de pár dolog nem derült ki egyértelműen számomra.

1. Pl. 6Amper alá nem lehet levinni a töltőáramot? Csak azért mert még ez is 4kW három fázison, és úgy akarom megcsinálni hogy csak akkora teljesítményt vegyen fel az autó amit a napelem épp megtermel, és ez azért elég nagy teljesítmény lenne.

2. Másik hogy bár sejtem hogy így van, de az 1 fázisú Type1 és a 3 fázisú Type2 csatlakozok protokollja az ugyan az?

3. Említést tesznek egy digitális kommunikációról a PWM 5%-nál. Erről van valami infója valakinek hogy mi ez és mire jó?
(#) superuser válasza keri hozzászólására (») Júl 3, 2021 / 1
 
Tudtommal nem lehet. Rakjad egy fázisra, harmada lesz a felvett teljesítmény.
(#) Skori válasza keri hozzászólására (») Júl 4, 2021 / 1
 
Egyetértek az előttem szólóval. Nem csak 3 fázisról lehet tölteni, hanem 1-ről is (1380W).
A protokoll ugyanaz csatlakozótól függetlenül.
A hozzászólás módosítva: Júl 4, 2021
(#) szücsien válasza keri hozzászólására (») Júl 4, 2021 / 1
 
3. A digitális kommunikáció egy PLC alapú kommunikáció az autó és az EVSE között. DC töltésnél (CCS) mindenféleképpen szükséges, AC töltésnél egyenlőre kevesen használják. Érdemes átnézni az OCPP 2.0 leírást, ISO15118 szabványt.
(#) gyuszo válasza keri hozzászólására (») Júl 4, 2021 / 1
 
Nem a 3 fázisú töltésre gondoltam elsősorban, nem is ezt írtam, hanem a ház megnövekedett energia igényére. Főzni, sütni, mosni is kell. Nyáron meg megy a klíma is. Nemcsak az autót tölteni. Az összes felvett energia szükséglet, ami meg fog ezzel is növekedni.
Az 1 fázisú töltés is energia szükséglet.
A hozzászólás módosítva: Júl 4, 2021
(#) keri válasza szücsien hozzászólására (») Júl 4, 2021 /
 
Hű, azt hittem kihalt már ez a topik
Köszönöm mindenkinek a gyors választ!

Akkor szerencsére a digitális kommunikáció engem nem érint.

3 fázis csak azért érdekes számomra, mert ZOE-t vettem asszonynak, az meg azt szereti. Egy fázison nagyon pocsék a hatásfoka, és Varsányi Péter cikke alapján a töltő áramkört is erősen igénybe veszi, szóval ha nem muszáj, akkor érdemes kerülni a használatát.
De ha nem lehet másként akkor nem lehet.

Mégis csak kénytelen leszek a CCS protokollal foglalkozni, hogy DC-n tetszőleges árammal tölthessem
(#) keri válasza gyuszo hozzászólására (») Júl 4, 2021 /
 
Én nagyon takarékos vagyok ezek szerint. Nekem eddig elég volt a 3*16Amper. Csak a kompresszorom meg a mikrosütő nem szeret egyszerre menni

A mostani kocsim (Nissan Leaf) is 1*10Amperrel tölt és leginkább éjszaka, így nincs egyidejűség semmi nagy fogyasztóval. Úgy vélem így a Zoe töltése is működni fog.

Most is csak azért építek 32Amperre töltőt, mert nem sokkal drágább az ekkora áramú mágneskapcsoló, fi relé, és túláram védelem, aztán ki tudja mit hoz a jövő, ne kelljen már variálni vele utólag.
(#) Leonetto hozzászólása Okt 15, 2021 /
 
Sziasztok!
Abban kérném a segítségeteket, hogy a csatolt rajz alapján elkészített eszközzel lehet-e tölteni egy Leaf-et? Az autóba menő dugóban gyárilag benne van egy 1k5 értékű ellenállás a védőföld és a PP között, a kábel másik vége szabadon van. Arra tenném a villásdugót és a diódás ellenállást. Tényleg nem kell a CP vezetékre semmilyen külső jel, elég egy soros dióda-ellenállással lekötni a védőföld vezetékre?
Előre is köszönöm, ha megosztjátok tapasztalataitokat!

lényeg.jpg
    
(#) Leonetto hozzászólása Okt 23, 2021 / 1
 
Úgy tűnik, itt kihalt minden. Nem baj, én kipróbáltam a fenti összeállítást, és persze nem történt semmi.

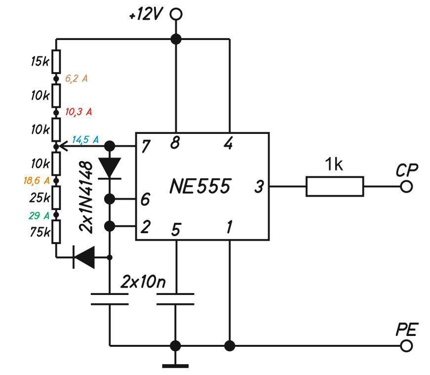
Így kénytelen voltam tovább keresgélni, ismerkedni a vonatkozó előírásokkal. Az alábbi áramkör hozta el a megoldást, és az egész kijött bruttó 790.- Ft-ból. A legdrágább alkatrész a 12 fokozatú yaxley volt (de csak 5 állását használtam ki,) nettó 449.- Ft-ért; ebben a megoldásban jobban bíztam, mint a potméterben. Az ellenállások 0,4 W-os, 1% tűrésű fémrétegek, a két kondi 50V-os kerámia, +-10% tűréssel. Ezekkel szerencsém volt, mert az 1,002 ms-os periódusidőt a 2021-es Leafem simán elfogadja. A 25k-s ellenállást egy 15k és egy 10k összege adta. Egyelőre egy régi router 12 V-os kapcsolóüzemű tápegysége biztosítja a kis áramkör energiaigényét. Majd, ha készítek hozzá nyomtatott lapot, azon helyet szorítok egy hálózati transzformátornak, az egyenirányítónak és az elkóknak is. A 7805-öt szerintem nem fog kelleni hűteni. És még régebben rendeltem egy digitális, áramváltós AC árammérőt, majd az is hozzáépül...

.

EVSE.JPG
    
(#) Skori válasza Leonetto hozzászólására (») Okt 23, 2021 /
 
Csakhogy ez még olyan messze van a szabványtól mint Makó Jeruzsálemtől.
A szabvány szerinti protokoll kb:
- A CP lábra először 12V-ot kell kapcsolni 1k ellenálással.
- Az autó beterheli adott mértékben (wikipédián fent vannak a pontos értékek), ezt ellenőrizni kell, és ha benne van az adott határok között (tehát nem hibát jelez az autó) akkor:
- ±12V-os négyszögjelet kell rákapcsolni 1k-n keresztül. Ennek a pozitív periódusát adott mértékben terheli az autó (ezzel jelzi az adott üzemállapotot), a negatív periódust nem terheli (ha igen akkor hiba van). Az 1kHz kitöltési tényezője hozdozza azt az információt, hogy az autó maximálisan mekkora áramot vehet fel. A frekvenciának pontosnak kell lennie (az RC oszcillátor pontossága határeset, néha meghülyülhet az autó, célszerűbb kvarc-oszcillátorból előállítani az 1kHz-et)
- Ha az autó normál üzemállapotot jelez (tehát nincs hiba) csak akkorl ehet rákapcsolni a 230V-ot a kábelre!
- Ha az autó hibát jelez, akkor a 230V-ot meg kell szakítani. Hasonlóképp ha az autó jelzi a töltés végét.

A protokoll részletesen le van írva a wikipédián. Talán ha visszaolvasol itt is fent vannak linkek rá. Az efféle 555-re épülő áramkörök bár működhetnek, erősen gányolásnak számítanak. Ezekkel semmilyen hibakezelés nincs megoldva, és érintésvédelmileg sem megfelelők, mivel csak akkor lehetne hálózati feszültség alatt a kábel, ha a protokoll szerint minden rendben van.

Az előző kérdésedre is azért nem kaptál választ, mert az méginkább gányolás, és mert nem tudjuk, hogy konkrétan a Leaf hogyan reagál erre a gányolásra.

Persze lehet mondani, hogy kit érdekel ha működik, de ez addig igaz amíg egyszer elő nem fordul egy hiba, és az áramköröd nem teszi azt amit kellene, hanem adja szépen tovább a négyszögjelet, nem áramtalanít, és nem tesz semmit. A következmény meg: lehet hogy semmi, de az is lehet, hogy sokszor többe kerül majd mint egy rendes töltőáramkör.
A hozzászólás módosítva: Okt 23, 2021
(#) Skori válasza Leonetto hozzászólására (») Okt 23, 2021 /
 
Egy korábbi hozzászólás a témában: Bővebben: Link
A letölthető doksi a 11. oldaltól részletezi a négyszögjel paramétereit.
(#) Leonetto válasza Skori hozzászólására (») Okt 23, 2021 /
 
Nem szabványt akartam teremteni, mindössze annyi volt a célom, hogy megépíthessek egy olyan egyszerű áramkört, amely lehetővé teszi a 32A terhelhetőségű, csatlakozóval szerelt töltőkábelemnek, hogy rajta keresztül az autóm villamos energiát vételezzen. Ha az autó hibát érzékel, vagy feltöltődött, a töltési folyamat megszakítását jól átgondolt, professzionálisan megtervezett algoritmus alapján elvégzi a belső fedélzeti töltő kényszer-áramtalanítás nélkül is. Amint megteszi ezt magától értetődően valamennyi mai, fejlett technológiájú akkumulátoros eszköz is.

Tudom, hogy ezt a folyamatot a végtelenségig lehet bonyolítani, pl. lehetne hiányolni a többszázezres vezérlőkből azt a funkciót, hogy mielőtt a kontaktorok zárásával jóváhagyja a tulajdonos töltési szándékát, ellenőrizze a fali dugaszoló aljzatom, egyáltalán az elektromos hálózatom megfelelőségét, továbbá a levegő pára- és hidrogén-cianid tartalmát, stb. Én a másik végletre kerestem és találtam működőképes megoldást: az áramkör az autóm által támogatott teljes töltőáram-tartományban megbízhatóan működik. A Leaf nem igényel kvarcpontosságú 1 kHz-et, de még csak a negatív tartományba eső periódusrészt sem. Ezzel lehetővé tették a felhasználónak a feltételek mérlegelését, a döntést és az ezzel együtt járó felelősség vállalását. Nekem ez szimpatikus.

Gondoljunk bele, előnyös vagy hátrányos lett volna, ha annak idején a kazettás magnónk hálózati csatlakozó kábele addig nem adott volna feszültséget a készüléknek, ameddig egy szabványosított protokoll szerint nem informálódik arról, hogy a biztonságos tápellátásnak néhány feltétele adott-e. Vagy a nagy áramfelvételű elektromos készülékeink (mosogatógép, mosógép, hősugárzó, vasaló, mikró stb.) hálózati kábele elkezdene okoskodni, és információt kérne arról, hogy pl. a használt konnektor csatlakozó hüvelye elég erővel szorítja-e a dugvillát, nem túl nagy-e az átmeneti ellenállás stb..

Számomra azon túlmenően, hogy átlag feletti intellektualitást tükröző, szarkasztikus stílusával igen szórakoztató volt, el is gondolkodtatott Varsányi Péter szaktársunk egy, az ABL fali töltőről írt cikke - https://varsanyipeter.hu/abl_wall_charger.pdf - amely végső soron arra sarkallt, hogy a kis áramkört megtervezzem, elkészítsem, leteszteljem és a sikeres bemutatkozást követően a hozzám hasonlóan járatlan útra tévedő kollégáimnak segítséget nyújtva elvi rajzát közzétegyem.

Nos, akinek szüksége van rá, az használja egészséggel, aki pedig inkább az ABL vagy egyéb megoldásokat preferálja, válasszon a piac teljes kínálatából, s szerezzen az számára örömteli perceket!
(#) Skori válasza Leonetto hozzászólására (») Okt 23, 2021 /
 
Ha ennyivel jobban tudod a dolgokat másoknál, akkor miért itt kérdeztél? Mit vártál, szóbeli vállonveregetést, hogy ügyes vagy, mert összeraktál NE555-el egy négyszögjel generátort?
Az internet teli van ilyen kapcsolásokkal, nem jelent igazi kihívást összerakni valamelyiket.

Mellesleg egy rendes elektronikát is össze lehet rakni olcsón, annyira azért nem bonyolult a szabványos megoldás sem.

A megfelelő csatlakozók pl sokkal drágábbak, és azt nem igazán lehet egyszerűen és olcsón kiváltani - ahhoz képest az elektronika filléres dolog - nem azon érdemes spórolni. Speciel én az ÉV relét (vagy esetlegesen az EVSE ezt megvalósító funkcióját) sem érzem feleslegesnek.
(#) SzilCsong hozzászólása Jan 22, 2022 /
 
Sziasztok
Hozzám került javításra egy elektromos autó 220-as töltő adapter, nem tölt, hibajelenséggel.
Szétszedve találtam benne egy 100mA-es smd biztosítékot, ami szakadt.
Ahogy átnéztem, egy nagy teljesítményű relével kapcsolja a 220-at a EV felé és van egy visszajövő vékonyabb zsinór (gondolom innen kapja a visszajelzést, hogy tölthet-e)
Ennek a visszatérő ágnak a körébe van ez a szalkadt biztosíték.
Viszont semmiféle zárlatot nem mérek ennek a környezetébe.
Más töltővel tölt a kocsi.
Mellékeltem pár képet.
Javított már valaki ilyet?
A hozzászólás módosítva: Jan 22, 2022
(#) kerekes389 hozzászólása Jan 7, 2024 / 3
 
Egy BMW i3-hoz adott Kopp Percedos MK7 töltésvezérlő (EVSE) kalandos de sikeres javítása. Egy kedves ismerősöm megkért, hogy nézzem meg a konnektorba dugható töltésvezérlőt, mert nem tölti a kocsit. Az ellenörző lámpák zölden világítottak, de hiába lett a Type2 csatlakozó bedugva bármelyik kocsiba, nem indult el a töltés. Már a szétszedéssel is meggyűlt a bajom, mert a 6 db Torx tamper-proof csavart a műanyag doboz nagyon mély és szűk járataiban kellett kicsavarni miután nagy nehezen, roncsolva, kipiszkáltam a porzáró gumidugókat.Nem kellett sokat keresgélni a hiba okát, mert a kimenő fázisvezeték alaposan el volt szenesedve. Villamcsapás, túlmelegedés? A vezérlőpaneltől elkülönítve, egy külön lapon van 3 ipari relé, ezek külön-külön kapcsolják a fázist, a nullvezetőt és a földelést. A relék NC (Normally Closed) érintkezőit nem használja az áramkör, csak a NO (Normally Open) érintkezőket: ha az alaplap lefuttat egy öndiagnosztikát és ha mindent renben talál, valamint detektálja, hogy a Type2 csatlakozó be van dugva az elektromos autóba, akkor ezek az NO érintkezők zárnak és kezdődik a töltés. A relék 24 voltos Hongfa HF105F-5 024D tipusúak és a megégett fázisvezetőn lévő NO érintkező is megégett, ráadásul az NC érintkezője is szakadást mutatott. Kiforrasztottam de hosszas internetes keresgélés után sem találtam ugyanilyen relét, a Farnell-től rendeltem egy hasonló méretű és lábkiosztású P&B T9AS1D22-24 nagyteljesítményű relét, bár annak an NC lába ki sem volt vezetve a reléházból. Mivel azt úgysem használja az áramkör, gondoltam nem lesz gond. Beforrasztottam, de összerakva a vezérlőt, az öndiagnosztika futtatása alatt villogó lámpák után a korábbi zöld LED-ek helyett piros lámpák maradtak égve. Arra gondoltam, hogy talán az alaplap szállt el, viszont akkor miért csak az új relével jelez diagnosztikai hibát? Megint kiforrasztottam az új relét, visszatettem a rosszat, összeraktam és így már megint zöldek maradtak a LED-ek a diagnosztika lefutása után. Hmmm. Ezek a vezérlők nagyon kényesek a minimális eltérésekre is, lehet mindhárom relét le kellene cserélni, hogy azonos tekercsellenállásúak lenyenek? Jobban szemügyre véve a relé-panelt, észrevettem, hogy csak a fázis relénél a "nem használt" NC lábához mégis vezet egy vezeték az alaplapon, azaz hasznája az NC lábat is! Lehet ezt is ellenörzi a diagnosztika? Megint szédszedtem, kiforrasztottam a rossz relét és a nullvezető jó reléjét, a fázisra tettem a biztosan jó relét és a nullvezetőre pedig az új, más márkájú relét. Ott ugyanis biztosan nem használja az NC lábat, mert semmilyen vezeték nem ment oda. Összeraktam és láss csodát, működik a töltésvezérlő, 2 autón kipróbálva is. Tanulság: ne feltételezz, hanem alaposan vedd szemügyre a nyomtatott áramköri lapot.
(#) BLAnick válasza kerekes389 hozzászólására (») Nov 13, 2024 /
 
Sziasztok! Az elektromos Dacia Sping-em 1 fázisú AC töltőn max. 7 KW töltésre képes. Ehhez ugye 1 fázis kellene 32 A-es biztosítékkal. Nekem azonban 3 fázis 3*16A biztosítékkal elérhető. Igy itt csak 1 fázis 16 A 3,7 KW-os töltést tudok megvalósítani. Jó lenne elérni a 7KW-ot, de a teljesítmény bővítés 32A-re nem olcsó, nem is vagyok benne biztos, hogy lehetséges volna. A kérdésem a következőkben leírt ötletemmel kapcsolatos, hallottatok-e már ilyet, tudtok-e esetleg hasonló megvalósításról, mi a véleményetek?
Az AC töltőkből 230 V 50 Hz-es váltóáram jut be az autó töltésvezérlőjébe, ami ezt egyenirányítja, majd ebből az egyenáramból mindenféle egyedi protokollok alapján feltölti az akkut. Saját készítésű Graetz hidakkal nagyon egyszerű módon lehetséges volna a 3 fázist egyenirányítani, az így kapott egyenfeszültséggel a 3*16 A-ből akár 11 KW-os töltést is meglehetne valósítani, a nekem szükséges 7 KW-os töltésre mindenképpen elegendő volna. A nagy kérdés az, hogy mit szólna hozzá az autó, ha 230V 50 HZ helyett 325 V egyenáramot küldenék be neki, és persze a PWM jellel meg mondanám, hogy mehet a 7 KW-os töltés?
Az autó belső töltőjében ha diódákkal egyenirányítanak, akkor esetleg túlterhelődhet a diódák egy része az egyenáramtól. Ha diódás az egyenirányítás, akkor valószínűleg van benne PFC áramkör, ami viszont pont azért van, hogy a diódák egyenletesebben terhelődjenek, ne legyek hatalmas áram impulzusok. Ebben az esetben talán kibírná a belső töltő az egyenáramot.
Mi a véleményetek? Tudtok esetleg valakiről, aki már kipróbált ilyet?
A DC töltésnek a vezérlése sokkal bonyolultabb, mint az AC töltőé. Állítólag már van DC töltőre is Open megvalósítás, elérhető vezérlőelektronika kapcsolás és program. Ha ilyet tudtok javasolni azt is megköszönöm, mert a Springben van DC 30KW-os töltési lehetőségem is. Oda meg mindenképpen egyenáram kell, meg bonyolult kommunikációs protokoll.
A hozzászólás módosítva: Nov 13, 2024
(#) BLAnick válasza Skori hozzászólására (») Nov 13, 2024 /
 
Sziasztok! Az elektromos Dacia Sping-em 1 fázisú AC töltőn max. 7 KW töltésre képes. Ehhez ugye 1 fázis kellene 32 A-es biztosítékkal. Nekem azonban 3 fázis 3*16A biztosítékkal elérhető. Igy itt csak 1 fázis 16 A 3,7 KW-os töltést tudok megvalósítani. Jó lenne elérni a 7KW-ot, de a teljesítmény bővítés 32A-re nem olcsó, nem is vagyok benne biztos, hogy lehetséges volna. A kérdésem a következőkben leírt ötletemmel kapcsolatos, hallottatok-e már ilyet, tudtok-e esetleg hasonló megvalósításról, mi a véleményetek?
Az AC töltőkből 230 V 50 Hz-es váltóáram jut be az autó töltésvezérlőjébe, ami ezt egyenirányítja, majd ebből az egyenáramból mindenféle egyedi protokollok alapján feltölti az akkut. Saját készítésű Graetz hidakkal nagyon egyszerű módon lehetséges volna a 3 fázist egyenirányítani, az így kapott egyenfeszültséggel a 3*16 A-ből akár 11 KW-os töltést is meglehetne valósítani, a nekem szükséges 7 KW-os töltésre mindenképpen elegendő volna. A nagy kérdés az, hogy mit szólna hozzá az autó, ha 230V 50 HZ helyett 325 V egyenáramot küldenék be neki, és persze a PWM jellel meg mondanám, hogy mehet a 7 KW-os töltés?
Az autó belső töltőjében ha diódákkal egyenirányítanak, akkor esetleg túlterhelődhet a diódák egy része az egyenáramtól. Ha diódás az egyenirányítás, akkor valószínűleg van benne PFC áramkör, ami viszont pont azért van, hogy a diódák egyenletesebben terhelődjenek, ne legyek hatalmas áram impulzusok. Ebben az esetben talán kibírná a belső töltő az egyenáramot.
Mi a véleményetek? Tudtok esetleg valakiről, aki már kipróbált ilyet?
A DC töltésnek a vezérlése sokkal bonyolultabb, mint az AC töltőé. Állítólag már van DC töltőre is Open megvalósítás, elérhető vezérlőelektronika kapcsolás és program. Ha ilyet tudtok javasolni azt is megköszönöm, mert a Springben van DC 30KW-os töltési lehetőségem is. Oda meg mindenképpen egyenáram kell, meg bonyolult kommunikációs protokoll.
A hozzászólás módosítva: Nov 13, 2024
(#) kadarist válasza BLAnick hozzászólására (») Nov 13, 2024 /
 
A 7 kilowatt energiáját nem lehet 230V 16A-ből kihozni, ez könnyen belátható.
(#) Bakman válasza kadarist hozzászólására (») Nov 13, 2024 /
 
Ez mire válasz? Éppen ez a kérdező problémája.
A hozzászólás módosítva: Nov 13, 2024
Következő: »»   2 / 3
Bejelentkezés

Belépés

Hirdetés
XDT.hu
Az oldalon sütiket használunk a helyes működéshez. Bővebb információt az adatvédelmi szabályzatban olvashatsz. Megértettem