Fórum témák
» Több friss téma |
lécci valaki segítsen,mert alacsony hangerőnél is torzít az erőlködő. Mp 3 lejátszóról hajtom meg(kimenő impedancia
32 Ohm).Ez gond lehet??? ![]() Ui:potmeterrel már kipróbáltam .
32ohmal terheled az erősitőt?
mert ha igen akkor csak nagyon kis hangerőt birsz kicsikarni belőle a nagy ellenállás végett. próbálj rákötni egy 4ohmos hangszórót és azzalhajtani meg. vagy pedig próbálkozz más feszültségekkel.l
jah és amúgy is ez egy ic-s erősitő tehát nem szólhat úgy mint egy tranzisztoros, és kössé valami előerősitőt bele mert az mp3 az ilyen végfokokat nem igazán hajtya ki.
2db 8 Ohm-os hangszóró van rajta, az pont 4 Ohm.
Egyébként az Mp3 lejátszó 32 Ohm -os. Ja,és még valami:stereo erőlködő és csak az egyik felét hajtom meg.
Szia!
Szóval 32ohmos hangszóró( vagyis vmi fülhallgató féle) van az erősítő kimenetén? Vagy az mp3 lejátszó kimenetét kötötted az erősítő bemenetése? Jah már értem, tehát a 2. és a 32 ohm az mp3 lejátszó kimeneti impedanciája... Hát igen kéne vmi előfok is az erősítő elé. Amúgy ezt a kapcsolást építetted meg, ami itt van, a gyárit? Előfoknak ajánlanám az LM1036 féle előerősítő kapcsolást! Üdv
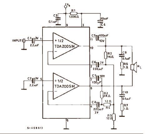
Ez a rajz egy 20w-os hídkapcsolás.
én az adatlapban lévőt építettem meg
Előerősítő.
Egyébként meg azért is torzíthat, mert nem kapja meg a megfelelő feszültséget, áramot! miről hajtod? 12voltos dugasztápról? mert akkor az lesz a probléma!
már bocs de magadnak miért fogadtad el ezt megoldásnak???
Előerősítő: ne5532 Sztereo a képen a "12V" ra 24 Vot köss!!! (nem lett átírva) uli
Sziasztok!
Van egy orion márkájú autóba való 2×20W-os erősítőm, aminek az egyik kimenete recsegve szól. Eddig mp3 lejátszóval adtam rá a jelet, az erősítő meghajtására ATX tápot használtam, valamint a kimenetekre 4 ohmos hangszórókat kötöttem. A kondikat diódateszttel ellenőriztem és mindegyik feltölt. A panelen van egy gyanús értékű ellenállás, mert ugyanazon típusú 2k7 ellenállás az egyik oldalon 2-szer akkora, mint a másikon.(legalább is a multiméter szerint) A többi ellenállásnál nincs ekkora eltérés. Ja és szerintem az ic-k is jók. Vajon mi lehet a probléma?
Üdv!
Ha az ellenállást beforrasztva mérted kétszer akkorának, akkor a körülötte lévő alkatrészek befolyásoljk az értékét ily módon. ellenállás nem szokott csak úgy magától "elállítodni" (kiforrasztva is teszteld!). Lehet, hogy az IC-nek van valami baja!
Kovidivi!
Köszönöm a gyors választ. Azóta újból kimértem a kérdéses ellenállást és nem találtam hibát. Szóval neked van igazad, bár továbbra sem tudom pontosan, hogy mi lehet a baja az erősítőmnek.
az ellenálás környezetében méricskélj, mert ott rossz valami, és ezért mértél más értéket az ellenálláson! talán valami tranzisztor lesz az.
A panelen nincs tranyó. Ezért megnéztem diódateszttel az ic-ket, nincs-e valami rövidzár vagy ilyesmi, de nem találtam rővidzárt, kontakthibát. Ennek ellenére mégis úgy gondolom, hogy a bal ic sérülhetett meg (ez vezérli a rossz kimenetet), de vajon mivel tudom megállapítani szkóp nélkül, hogy tényleg rossz?
Hali!
Ha kicsatolókondis, cseréld ki a kondit. Esetleg egy jó minőségű kép sokat segít. Vagy egy típusszám, hogy rajzot lehessen nézni. (Az IC meg van fejelve tranyóval?) Üdv!
Egy idézet:
Idézet: „A panelen nincs tranyó.”
Na ez jól elkerülte a figyelmem.
Viszont hűtőbordán még lehet...(az nem a panelon van) Idézet: „Ja és szerintem az ic-k is jók.” Úgy érted, hogy 2 db TDA2005 van benne? Akkor valószínű, az IC-k hídba vannak kötve. (Nincs kicsatolókondi.) Ha a kondik jók, akkor cseréld az IC-t. Ja, és a kondikat ne diódateszttel ellenőrizd, inkább cseréld le őket.
Újból kipróbáltam az erőlködőt. Mellékesen megjegyzem, hogy az erősítőben 2 db tda2005-ös ic van. Nem rég még fel lehetett ismerni a számot, amit hallgattam a bal hangszórón, de most semmit sem hallok. A másik csatorna tökéletesen működik. titi tanácsára megnéztem a "kicsatoló kondikat", és a bal kondi fel se tölt. A képen látható régi kondenzátorok fajtáját nem tudom, de találtam 10µF-os 25V-os elektrolit kondit egy rádió panelen. Talán azzal ki lehetne cserélni, ugye?
A 10 µF biztos nem kicsatoló, ahoz túl kis értékű, másrészt mint írtam, ha 2 db végfok van benne, és sztereó, akkor a végfokok hídba vannak kötve, tehát nincs kicsatoló kondi.
(Kicsatoló kondi alatt a végfok kimenete és a hagszóró közötti soros elkót értem.) Viszont az a zöld kondi úgy néz ki, mintha meg lenne puffadva. Vagy nem jól látom? Mellesleg, ahogy nézem, nem mai darab az erölködő, így lehet, hogy az elkók haldoklanak benne. Én a helyedben lecserélném az elkókat újakra.
A táp egyébként rendben?
Az IC 9-es lábán megvan a tápfesz? Bár szerintem a kondikkal együtt vehetsz új végfok IC-t is.
Hello
Kellene egy kapcsolási rajz a cuccról, és egy jó minőségű fénykép a végfokpanelról, megpróbálok segíteni ![]() IC-s cuccokhoz nagyon jól értek, de mondjuk az én területem a tranyós és a csöves végfok
Először is kicseréltem a zöld mellett lévő kondit. Ezáltal visszajött a hang a jobb csatornára. (bal csatorna még mindig jó) Zene van csak hát elég torz meg mintha késne egy ütemet. Ezután kicseréltem a zöld, nem zárlatos, jónak tűnő kondit, de semmi változás. Az ic-k egyébként rendben megkapják a tápfeszt. A tda2005-ről van adat az alldatasheet-en, de a dokumentumban lévő rajzok egyike sem egyezik meg pontosan a panelemmel. Biztos azért, mert az én erősítőm nem a gyári ic kapcsolás alapján üzemel. Így hát arra az elhatározásra jutottam, hogy veszek ic-t meg kondikat, s majd szép sorjában beforrasztgatom őket a helyükre.
Köszi szépen mindenkinek! |
Bejelentkezés
Hirdetés |















