Fórum témák
» Több friss téma |
- Ez a felület kizárólag, az elektronikában kezdők kérdéseinek van fenntartva és nem elfelejtve, hogy hobbielektronika a fórumunk!
- Ami tehát azt jelenti, hogy a nagymama bevásárlását nem itt beszéljük meg, ill. ez nem üzenőfal! - Kerülendő az olyan kérdés, amit egy másik meglévő (több mint 17000 van), témában kellene kitárgyalni! - És végül büntetés terhe mellett kerülendő az MSN és egyéb szleng, a magyar helyesírás mellőzése, beleértve a mondateleji nagybetűket is!
Az hogy ha más feles kábelel toldottam meg a kábeleketet.
Az befolyásoljhatja a felmelegedési időt ?
Most kicserélted, vagy megtoldottad? Milyen kötéssel?
Hasonlítsd össze a két kábel ellenállását, lehet, hogy a vastagabb kábelnek nagyobb a feszültség esése, ami már kihat a melegítés gyorsaságára (de ez csak elmélet). Illetve, megfelelőek a kábel kötéseid?
![]() Toldás helyett esetleg nem lehetne teljesen kicserélni a kábelt egy másik, kívánt hosszúságú kábelre? A hozzászólás módosítva: Feb 28, 2022
Ez az egész egy femdobozba zárt vezérlő. Abba van külön a kapcsolóüzemű táp, és a házi nyák amin többek között a pic, és a relé. Most nincs szemem előtt a nyák, se tudom hogy a pic közelébe tettem SMD 100nF és 1000nF kondenzátort. A ventilátor nullát állandóan kap, fázist kapcsol a relé. Na mondjuk amit írsz, érdekes, mert én nem úgy kötöttem próbára a kondit. Vettem egy 330nF X2es kondit, és bekötöttem az állandó nullára, és a ventilátor kimenetre, tehát a relére, a bekapcsoló kontaltra. A probléma továbbra is fennáll.
Másik érdekessége, ezt a PIC újraindítást ventilátor Ki-be kapcsolasnal eddig nem csinálta, most kezdte csak.. Vesztettek volna a kapacitásukból a táp kondenzatorai? De akkor az X2es kondit hova is kössem? A relé két kapcsoló kontaktjára, tehát az állandó fázisra, és a ventilátorra kapcsoló fázis kontaktjára?
Miért? A drót így lassabban melegszik fel.
De a kolléga az ülést szeretné fűteni, nem a drótot.
A fiam is vett egy elég jó minőségű kondenzátor mikrofont. Szintén PC-vel használja.
Csináltam neki egy kis mikrofon előerősítőt mert túl halknak találta. Az erősítő 2db LiIon akkumulátorról megy. Kis méretű zárt fém házban van maga az erősítő, és mellette két 18650-es foglalatban a két akkumulátor. Arról kapja a fantom tápot is a mikrofon. Na abban nincs semmiféle zaj, zavaró impulzus. Tettem rá egy 2 cellás akku feszültség figyelőt, amivel ellenőrizni tudja az akkuk feszültségét. Ha már csak két led világít, akkor cseréli teljesen töltöttekre. Tökéletesen működik neki. A szabvány fantom táp 48V, de a legtöbb mikrofonnak nincs ennyire szüksége. Általában megadják a mikrofon adatlapján a táp igényt. A PC mikrofon bemenete is ad tápfeszt a mikrofonnak, és soknak az is elég. Mérd meg, van rajta úgy 3V körüli DC.
Én ezt már nem hiszem el. Azóta sem tudtam meg semmit amit kérdeztem.
Ha ezekből, és a netről olvasottakból neked még nem jött le, hogy mi a lényege, akkor az a te bajod.
Helyetted nem fogom kimazsolázni, és szájba rágni a műszaki tartalmakat.
Ezekben nem volt olyan információ, amilyet kérdeztem, mindent tudtam amit leírtál, de nem is azt kérdeztem.
Idézet: „Most kicserélted, vagy megtoldottad? Milyen kötéssel?” Le szettem a szivargyújtó véget rá forrasztottam egy másfeles kábelt amit wago segítségével megtoldottam és plusz egy kapcsolót is közé raktam . Csak gyújtáson működjen a ülésfüttés igy egy relét is beraktam fix 12v közé amit a gyújtás 12v vezérel. Csak arra lettem figyelmes kb 20 perc kell hogy kellő meleg legyen az ülésfüttést . Ma megnézem hogy van e feszültség esés.
Nézd ez egy hobbi fórum. Mivel én nemrég foglalkoztam vele, leírtam a saját megoldásomat, remélve, hogy segít valamit. Ha mástól még nem kaptál pontosan a feltett kérdéseidre választ, akkor lehet hogy nem jó helyen keresgélsz.
Relé, kapcsoló mind soros ellenállás, megtoldott kábel ismét plusz ellenállás. Az ülésfűtés sok áramot szív, valószínűleg a feszültség, ami eljut hozzá sokkal alacsonyabb, mint az akksifrsz. Ezt ki is mérheted, közvetlenül az ülésfűtésnél bontsd meg a kábelt. Persze az akksi feszültsége is esik, ha terheled, tehát azt is terhelés alatt mérd. Aztán össze tudod hasonlítani, hogy az átalakításod mennyit módosított az eredeti működésen.
Nem akartam elterelni a témát, de csak leírom azt is, hogy arról sem írtál semmit amit csináltál. Nem derült ki, hogy hogy volt összekötve mikor halk volt, hogy milyen feszültségről megy most. Csak feltételezni lehet, hogy 3-7V-ról. Nem tudom, mitől volt halk, nem tudom, hogy hogy állítja elő magának a megfelelő feszültséget a mikrofon. Tudom, ezt is biztos szándékosan félreérted, ezért leírom, hogy az a kérdés, hogy mikor szabványos 48V-ot kap, abból ő belül hogy állítja elő a mondjuk 5V-ot vagy amennyit használ, mert ettől függ az is, hogy a mondjuk 3V-os tápból mit állít elő magának. Nem-e lehet, hogy azért volt halk, mert alacsonyabb feszültségről ment? És nem-e lehet, hogy más feszültségen változik a karakterisztikája is? Az erősítőknek szokott. Én értem, hogy te tettél az előerősítőre egy akkus előerősítőt, és így is működik, de nem biztos, hogy nem lenne jobb 48V-ról plusz erősítő nélkül. Azt sem írtad, hogy szimmetrikusan kötötted rá egy differenciál erősítőre, és utána erősítetted, vagy asszimetrikusan erősítetted kivonó nélkül.
Egy, még nem is létező mikrofon fantomtápjához szerintem senki sem tudott volna ennél többet segíteni.
Ahhoz itt egy gyári megoldás. Bennem tíz éve merült fel a számítógépes zenélés lehetősége. Bár eredetileg csak szintetizátor és midi jelek bevitele volt a cél, már akkor odafigyeltem a mikrofon lehetőségére is. Ha már hangkártya: ahogy nézem, jelenleg durván 30-70 ezerig kaphatók az otthoni felhasználásra elterjedt darabok. Egy ilyen eszköz nagyon komplex, a teljesség igénye nélkül mikrofon előerősítőt, fantom tápot, ad és da konvertert, fejhallgató erősítőt, és gyártmánytól függően egyéb funkcionális, vagy kényelmi extra hardvert (pl.: direkt monitoring, auto gain stb) tartalmaz. Ezek bármelyikének házi - főleg szakirányú ismereteket nélkülöző páciens általi - összegányolása értelmetlen és egyben gazdaságtalan is. Ezért nem ugranak sokan a hasonló kérdésekre. Előre lehetett tudni, hogy a kérdés elméleti jellegű, sem a kabát, sem a gomb nem áll rendelkezésre. Én részemről köszönöm az általad előzőleg linkelt leírást, számomra hasznos volt. A hozzászólás módosítva: Márc 1, 2022
Az összes fantomtáp egy még nem létező mikrofonhoz készül...
Ebben igazad van. Azért szabvány. Mint a kamera mikrofonok esetében a plug-in táp. És pont ezért nem kell vele az átlag usernek foglalkoznia. Csak annyit, hogy ha szükséges, legyen. Ha hanggal akarsz foglalkozni pc-s környezetben, először is a célt kell meghatározni, és ahhoz választani eszközöket. Először is kell egy interfész, hogy a mikrofont legyen hova csatlakoztatni. Ezt hívják a szatócsboltban hangkártyának. Mikrofon szintű jel fogadására legyen alkalmas, xlr bemenettel rendelkezzen és esetleges kondi mikrofonhoz fantom táppal. Ha ez megvan, jöhet a mikrofon. Kész is vagy. Nagyságrenddel olcsóbban is megoldhatod 3,5-es jack csatlakozóval szerelt pc mikrofonnal, esetleg usb-s mikrofonnal. A választáshoz rengeteg teszt, edukatív videó áll rendelkezésre. Én pont tegnap vettem meg az első nagymembrános kondenzátor mikrofonomat, ami rögtön elsőre működött. Pc-vel és keverővel is…
Te sem mondtál semmi újat, akár el is olvashattad volna a beszélgetést az elejétől. Attól, hogy szerinted ezek rettentően bonyolult dolgok, és csak venni lehet, szerintem nem. Az meg már végképp nevetséges, hogy azért vegyek olyan mikrofont, amin van visszahallgatáshoz jack, hogy azzal kössem össze a géppel ahelyett, hogy adjak neki tápot, és zavar nélkül kössem a gépre. Mondjuk táp nélkül a jack-et is hiába dugnám be, ha lenne rajta. De te sem írtál semmit a mikrofonodról, nem tudom, mi köze a témához, hogy milyen, és mennyiért, és hogy van összekötve. Nem hiszem, hogy csak jack csatlakozó van rajta, sőt szerintem nincs is rajta. Még a rossz bóvli mikrofonokat is kamu XLR-el szerelik, pedig csak simán asszimetrikusak.
Melyik kábelt? A szivargyújtóvól odamenő kábelrészt, vagy a fűtő kábelrészt? Milyen anyagból van ez utóbbi? Mértél áramfelvételt?
A hozzászólás módosítva: Márc 1, 2022
Te egy rettentően hisztis pasas vagy!
![]() Csak a nyafogás, hogy ezt sem írták, azt sem írták. Most vagy van valamiféle elektronikai alap tudásod, ami alapján erre sertepertélsz, vagy azt várod, hogy a nagy ürességet majd itt töltsék meg valamennyire? Ez nem így működik. Mindenki segíteni próbál a saját szempontjai szerint, de neked semmi nem jó. Így nem fog menni.
Holnap írok akkor tudok majd mericskelni és remélem nem esik majd a hó
![]() Szivargyújtó oda menő től cseréltem.
Egyelőre ott tartunk, hogy azt sem tudjuk, mi a terved azzal a nem létező mikrofonnal, és hová akarod dugni. Nem azt mondtam, hogy lehetetlen, meg űber bonyolult, hanem hogy teljesen felesleges. Ugyanis, akinek feltétlenül kondenzátor mikrofonra van szüksége, az nem a pacsirta rádió bemenetére, vagy a laptop integrált hang bemenetére fogja rádugni. Minimum kell hozzá egy tisztes külső hangkártya, vagy egy keverőpult. Ezeken meg hivatalból ott a fantomtáp. Igaz, a kérdésedre nem adtam olyan választ, mint szeretted volna, csupán azt írtam le, hogy sok millió ember, kik videózásra, rádiózásra, tévézésre, podcastolásra, vagy akár csak éneklésre adják a fejüket, hogy szokták ezt csinálni. Lehet, hogy te a kenyeret is otthon sütöd, de az emberek többsége boltban veszi.
Nem írtam, hogy jack csatlakozós, vagy visszahallgatós mikrofont vegyél, ezt te képzelted a szövegbe. Vannak olyan asztali mikrofonok, melynek a kábele végén 1/8-os jack dugó van. Amit be tudsz közvetlenül a pc-be dugni, és szintén nem jár további macerával. Fejhallgató kimenet az usb-s mikrofonokon szok’ lenni, méghozzá direkt monitoring céllal. A mellékelt képet csupán szemléltetésnek szántam (meg egy kicsit dicsekvésnek). Azért nem írtam tipust, meg árat, mert még mindig nem tudjuk, hogy konkrétan milyen eszközökről beszélünk, és nem is ide tartozik. Egyébként nem titok, rode nt1a a pontos tipusa. Ha legalább egy netes árlistát átnéztél volna, biztosan felismered… Természetesen xlr kábellel csatlakozik. Egyébként vannak egyéb mikrofonjaim is a gyártótól, de ezek egész más célra valók. Főleg kamerákhoz, telefonhoz. De a felső usb-n is tud csatlakozni, nem csak jack-en.
Szép dolog, amikor az embernek van mivel dicsekedni!
Azért láttam bele, mert próbáltam valami értelmet belelátni. És engem nem érdekel, hogy miért beszéltek másról, mint amit kérdeztem. Attól nekem nem lesz jobb, hogy mondjuk tudatlannak néztek, és szerintetek ezeket se tudtam. Azért nem ezt kérdeztem, mert ezt tudtam... De ha nem tudtam volna se erre lettem volna kíváncsi, ha nem ezt kérdeztem. És most is ott tartunk, hogy regényeket írunk a hatalmas semmiről. És nem amiatt, hogy nincs mikrofonom, hanem amiatt, hogy ti nem a kérdésre válaszoltok, meg amiatt, hogy még hozzáteszitek, hogy ez csak természetes, és őrüljek neki. De tényleg, hogy már második oldalon tartunk, és olyanokat írtok, amiből csak az látszik, hogy szerintetek ezeket se tudom, és lehet, hogy jó szándékból akartok felvilágosítani, és nem hiszitek el, hogy tudom, de ettől én nem fogok örülni, hogy más választ kapok, és hülyének vagyok nézve. Mondtam, hogy olvasd el elejétől. Hol érdekelt engem jack csatlakozós mikrofon? Te vagy az, aki belelátja a dolgokat. Én magyarul, egyértelműen kérdeztem mindent, mégis olyanokat kértek számon rajtam, amik nem ahhoz kellenének, hogy válaszolni lehessen a kérdéseimre, hanem ahhoz, amire válaszolni akarnátok a kérdéseim helyett.
Ennél még szebb dolog, hogy szükség esetén van mihez nyúlni. Ezek mind a kivétel kategóriába tartoznak. Mert bár kondenzátor mikrofonok, fantom táp nem kell hozzájuk.
Én leírtam, hogy kész megoldásokat használok. Olvastam az elejétől, azt írtad, átmenetileg, vagy valami hasonló. Erre írtam, hogy fölösleges. Nem a gombhoz vesszük a kabátot. De te tudod. A konkrét megvalósításra azért nem adtam választ, mert nem tudom. Ilyen mélységben sosem érdekelt. Azért köszöntem meg Suba53-nak a linket, mert bővítette ezáltal a tudásomat. De te arra is azt válaszoltad, hogy tudod. Ezek szerint nekünk kéne tőled érdeklődnünk a témáról. Fentiek tükrében csak egy kérdés maradt: ha ennyire okos vagy, mi a kérdés?
Azzal kezdtem, hogy leírtam. gg válaszának volt köze a kérdésemhez.
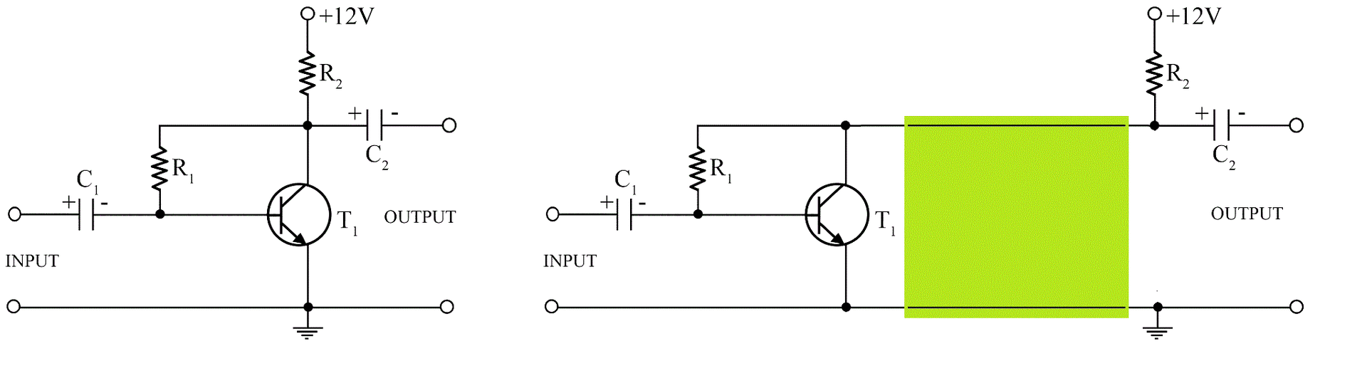
Szia! Megpróbálom szemléltetni.
Az alábbi ábra bal oldalán a létező legegyszerűbb tranzisztoros erősítő látható. Jobb oldal ugyan az a kapcsolás, csak van benne egy zöld mező ami a valóságban egy érpár, ami a jelforrást a fantomtáppal összekötő vezeték. Tehát maga a fantomtáp egy feszültségforrásból, egy ellenállásból és egy kondenzátorból áll. Hogyan is működik? Az esetünkben R2 pozíciószámot kapott ellenálláson keresztül áramot küldünk a jelforrás aktív elemére. Ez most a T1 tranzisztor, de állhat ugyan itt egy ördögien bonyolult áramkör is, a lényeg, hogy az áramfelvétele az elküldendő jellel legyen arányos. Az áramváltozás feszültségváltozást hoz létre a fantomtáp ellenállásán (R2), amiről az egyenfeszültséget egyszerűen leválasztjuk egy kondenzátorral (C2) és megkapjuk a távolról küldött jelet.
És az mert nem volt elég? Ott az elvi rajz, értékekkel, tűrésekkel, magyarázattal. Egyáltalán megköszönted?
|
Bejelentkezés
Hirdetés |










