Fórum témák
» Több friss téma |
Fórum » Muzeális készülékek-alkatrészek restaurálása
Témaindító: Kutyuli, idő: Márc 29, 2008
Témakörök:
Unortodox
megoldást javaslok, készítsd el több felbontásban a fájlokat, és ők eldöntik, melyiket tudják használni. (300 dpi, 600 dpi, 1200 dpi, 2400 dpi)
Az alábbi régi orosz óra mérő készülék javításához keresek hozzáértőt. Hibajelenség: a kvarc stabilizált motor nem indul el - (a motor jó!) A készülék többi része is működik. Bp.
Rajzok.> http://www.horology.ru/workshop/ppch7m.htm
Keresem, hogy van-e valahol lehetőség egy "Mustang 7002" kazettás rádióban a szalagsebesség szabályozására. Tettem bele szíjat, amivel megy is, de állítani kellene a szalagsebességet. Bármiféle lehetőséget szívesen fogadok, amivel eredményt érhetnék el.
Vegyé új motort,nézd meg milyen feszülségre kell és annak a fenekében van fordulatszabályozó,hanem épits egyett,van a netten elég rajz
Azt hiszem autorádió,12 voltos motor kell ,még a roncsokban is találsz
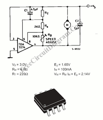
Itt van egy rajz RT 220ohm 12 volthoz TDA7275 kell
A hozzászólás módosítva: Jún 13, 2022
A név ne tévesszen meg, itt már tettem be róla fotót, egy régi kazettás rádióról van szó. Nem találok a panelen sebesség szabályozó trimmert, illetve a motornak közvetlenül van a két kivezetése ‒ vagyis sajnos nem a hátulján van a sebesség szabályozás.
Hány voltos a motor?A megoldás mégis egy új motor fordulatszám szabályzóval,vagy egyet épiteni
A hozzászólás módosítva: Jún 13, 2022
Biztos nem elektronikus fordulatszabályozóval van a motor,akkor kuka ,motort kell cserélni
Röpsúlyos fordulatszabályozó van a motorban, emiatt van csak két vezeték. Ezért írják a kollégák az alternatív javaslatokat.
Tényleg "röpsúlyos"??
Akkor nem csodálom, hogy nem találtam fordulatszám szabályozást sehol sem! Esélyeesnek tartom, hogy 12V körül kaphat a motor tápot, de még nem mértem.
Akkor biztos találsz 12 voltos motrot még az autórádió roncsokban is aminek van elektronikus szabályozója
Ha mérted volna, lehet, hogy kiderült volna, hogy a kívánatosnál kisebb feszültséget kap az a motor, aminek lehet, hogy semmi baja. Aztán lehet, hogy mégsem
.
Sziasztok,
Keresek olyas valakit aki segítene összehozni egy üzembiztosan, csőkímélően működő erősítő kapcsolást AZ1-REN804-RENS1374 csövekkel. A cél természetesen nem a tökéletes hangzás hiszen a feltételek sem azok, hanem a csőkímélő elektromos paraméterek megteremtése (ha már eddig kibírták). Köszönöm szépen.
Ebből szerintem ki lehet indulni.
Transzformátorok megvannak hozzá? Hálózati sem egyszerű, mert 2 x 4V-os független fűtőtekercs kell hozzá. Kimenő sem teljesen szokványos, azon is el lehet agyalni hogy hány Ohm-os kellene hozzá... Autentikusság végett "nieder" trafó dukálna hozzá, azt talán meg lehet spórolni. Fő kérdés, hogy jók-e a csövek?
Stabilizált fűtőfeszültség áramkorláttal (bekapcsoláskor a hideg fűtőszálon nagy áram folyna).
Ez a RENS1374-nél kb. 1.3A áramkorlát, a REN804-nek kb. 1.1A, a legegyszerűbben L200 típusú IC-vel valósítható meg. Az anódfeszültség, anód, katód, segédrács áramok, disszipációk ne haladják meg a megengedett 80%-át. A hozzászólás módosítva: Jún 15, 2022
Értem. Annyi nem elég neki ha a trafó 6,3V-os tekercse kap egy megfelelő soros ellenállást amin esik 2,3V? Így a bekapcsoláskor hideg fűtőszál nagyobb árama miatt több felszültség is esik ami elvileg védi a fűtőszlat.
(elnézést, azt nem említettem, hogy van néhány dolog az alap csöveken kívül amt használni szeretnék ha nem kizáró ok és ilyen egy régi csöves rádió táp trafója is). A hozzászólás módosítva: Jún 15, 2022
Ebből hitviták lesznek.
Személy szerint én nem szivesen látnék olyan "retró" csöves erősítőt, ami alul tele van kínai DC/DC és egyéb modulokkal. Mert akkor már kiégett villanykörtéből is lehet alulról kék leddel megvilágítva sokkal attraktívabbat csinálni. Kis válogatás után valószínűleg találsz csöves rádióból bontott kimenőtrafót, ami megfelelhet. Hálózati trafó azért problémásabb bontásból, mert ugyan az egyenirányító csöveknél járatos érték volt a 4 V fűtés, de a többinél inkább a 6.3 V. Meg az is jó lenne, ha 240 V-os primer tekercs is lenne rajta... Áramkorlátozó ellenállás helyett inkább inkább NTC-t javasolnék. Kicsit hosszú, de ha bírod a nyelvet, akkor a témában érdemes megnézni. Sok kérdésedre benne van a válasz... A hozzászólás módosítva: Jún 15, 2022
Attól függ, hogy mennyire akarod védeni a csövet, egy 6,3V+ellenállás sokkal jobb, mint egy 4V-os transzformátor korlátozó ellenállás nélkül.
Az NTC jobb, mint az ellenállásos túláramvédelem, de az pl. L200-as IC-vel megvalósított áramkorlátozott feszültség stabilizátor jobb. A hozzászólás módosítva: Jún 15, 2022
Jól látod, van 4V-os tekercs de azt elviszi az AZ1 (gyárilag is az volt benne). Viszont van benne elegendő terhelhetőségű 6,3-as tekercs és a220-ról 230V-ra emelt primer fesz miatt is kellene soros R-tag még akár az AZ1-nél is.
Tekertettem hozzá még sok éve egy 10K Ra kimenőt. Amennyire csak lehet én is próbálnék kihagyni minden "evilági" vivmányt amennyire csak lehet.
Hogy én mekkora marha vagyok, pont az NTC link maradt le.
Sziasztok!
Az alábbiban kérem a segítséget, ennek a tápegységnek keresem a kapcsolási rajzát: a banánsor úgy tűnik utólag lett kiépítve. Előre is köszönöm szépen! A hozzászólás módosítva: Jún 24, 2022
Sziasztok!
Egy Videoton R4932 sztereó csöves rádió javításában kérném a segítségetek. Áthangoltam az URH részt 87,5-105,5 MHz-ig (csak az oszci és modulátorköri tekercsekkel sorbakötött tekercseket vettem ki). Azonban egyszer fogta magát a rádió, és azóta nem szólal meg FM-en (csak fehérzaj van). A KF tekercseket ellenőriztem, jelgenerátor híján egy zsebrádió demodulált KF jelével, minden tekercs reagált rá (hallottam a zsebrádión vett adót). A szakadásokat, feszültségeket, kondikat ellenőriztem és nem volt gond. Szerintetek hol lehet a gond a csöveken kívül (egyébként másik ECC85, ECH81-gyel is megnéztem, ugyanez volt a hiba)? Esetleg a sztereo panellel is gond lehet? A másik kérdés:Az AM II.KF fokozatban a vasmagok mozgatására semmi változás nem történik. A szakadásokat és a kondikat itt is ellenőriztem, nem találtam hibát. Ezeken kívül eléggé halk a rádió, csak mono üzemmódban működik megfelelően. Előre is köszönöm a segítséget!
Én végigvizsgálnám a kapcsolókat, mert sajnos ennyire koros készüléknél tipikus hiba a kontakt-hiba. Lehet, hogy az ECC 85 egyszerűen nem kap tápfeszt, vagy a jel a 2.FM kf előtt megszakad.
Lehet ugyanez az AM kf-nél is. A hozzászólás módosítva: Jún 27, 2022
Eredeti orosz Sokol 403 kisrádió, bőrtokkal! Egészen szépen működik, nem recsegnek a kezelőszervei.
Egyedül a ferritrúd rögzítése lett kényszer-házilagos, az elem csatlakozót kellett újravezetékezni, valamint eltűnt a hátlapja.
Én is szeretem, időnként használom is. Nagymamám ilyenen hallgatta a Szabó családot és a Déli híreket. Szabó család már nincs, Déli (és esti) krónika van. És jó érzés, hogy ezt sem hagytuk kidobni.
ui: Nejem megint azt mondta: már csak a két laposelem kéne a hátuljára. Az apja úgy használta. A hozzászólás módosítva: Júl 3, 2022
~22:30-tól (vagy ~21:30-tól?) szokott lenni "rádiószínház" (Kossuth), de ahhoz már FM vétel kell, mert éjjel már nincs AM adás.
![]() Arra nem emlékszek, hogy az enyém honnan van, de szerintem a hátlapja már nálam tűnhetett el. Még az elektorszmogos szobámban is vette a Kossuthot, bár kissé recsegve. A hozzászólás módosítva: Júl 3, 2022
Délután 2-kor is van Rádiószínház, nemcsak éjszaka.
A Kossuth-ot szinte bárhol veszi (ez az előnye), csak jófelé kell fordítni, és elég finoman kell csavargatni a keresőt. Én mindkettőre emlékszem, honnan hoztam. Szépen kellett értük beszélgetnem -de amúgy is tizenéve járok oda A hozzászólás módosítva: Júl 3, 2022
|
Bejelentkezés
Hirdetés |




megoldást javaslok, készítsd el több felbontásban a fájlokat, és ők eldöntik, melyiket tudják használni. (300 dpi, 600 dpi, 1200 dpi, 2400 dpi) 

Akkor nem csodálom, hogy nem találtam fordulatszám szabályozást sehol sem!
Esélyeesnek tartom, hogy 12V körül kaphat a motor tápot, de még nem mértem.
. 





