Fórum témák
» Több friss téma |
Fórum » Egyfázisú villanymotor fordulatszám szabályozása
Témaindító: mikado, idő: Okt 25, 2005
Témakörök:
Milyen motorról van szó? Azt hittem, a porszívót akarod feljavítani kicsit. A szabályzó bírni fogja, a motor már kérdéses, aszinkron motorhoz nem nagyon illik. Működik, de egy határ alatt a motor inkább csak melegedni fog amíg le nem ég.
Motor típust azt nem tudok, egy 15000rpm motor fordultát kellene megfelezni. Tehát 0 - 7500rpm között kellene szabályozni a fordulatot nem pontosan.
Ha kihúzod a potenciométer csatlakozóját, R2 ellenállást mekkorának méred? A kisebb fordulatszámhoz, kisebb feszültséghez az R1, R2 és potméter eredő ellenállásának nagyobbnak kell lennie. Ha R2 összemérhető a 470K-val, akkor azt nagyobbra kellene választani, mert ha jól nézem, a potenciométerrel párhuzamosan van kötve.
Az R2 3M Ohm.
Sikerült képet kérnem a tulajtól a motorról.
Ehhez lehet hazsnálni nyugodtan a triakos szabályzót. Egy dologra figyelni kell, ha nagyon alacsonyra van véve a fordulat, túlmelegedhet a motor, mert a forgórészen lévő ventilátor nem mozgatja eléggé a levegőt.
Ez esetben a potenciométert kellene nagyobb értékűre cserélni.
Esetleg a zöld testű kondenzátor növelése is megoldás lehet.
Meg sem néztem milyen motor, az "universale" elég volt.
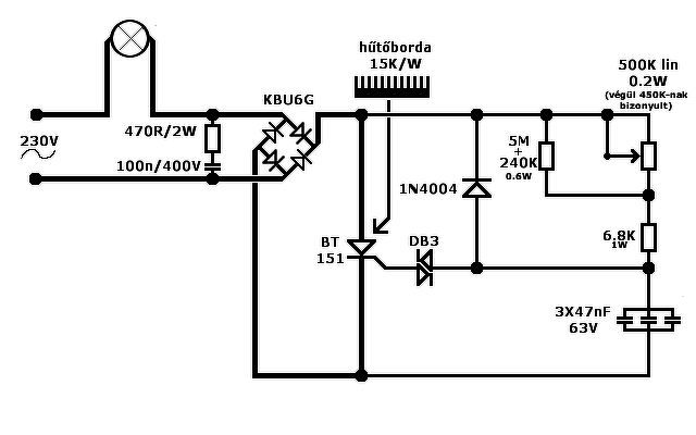
A képet elnézve ez egy triac-diac fázishasításos vezérlő, ami nem képes az alsó feszültségtartomány vezérlésére. Ugrásszerűen "jön meg" a feszültség, majd az indulási feszültség alá lehet vinni, ahol szintén lesz egy küszöb, amikor nullára esik. Ez egy általánosan ismert hibája ennek az áramkörnek, amit 4 dióda és 2 ellenállás további hozzáadásával lehet valamelyest javítani. De nullától nem lesz képes vezérelni úgy sem.
Viszont az univerzális motorokat lehet DC-ről is működtetni, így egy FET/IGBT kimenetű PWM vezérlő is jó, ami viszont képes 0-100% közötti vezérlésre.
Egy IGBT-vel szerelt alternatíva.Bővebben: Link
Megépítettem a triakos fényerőszabályzót, egy 40W-os hagyományos izzót rákötve villog, a potmétert tekergetve valamennyit változik a fényerő. Mi lehet a probléma?
A porszívó szabályzóból vettem a BTA 600B tiriakot, potméterem sajnos csak 470 Ohm-os van. Kondenzátort nagy barna 104J 250V találtam. A hozzászólás módosítva: Aug 31, 2022
Hello! Ha tényleg 470 ohm a poti, akkor ne csodálkozz! Ha 470kohm akkor működnie kellene.
470k ohm, bocs elírtam.
Akkor valami nem az áramkörnek megfelelő értékű vagy bekötésű, vagy hibás a triac.
Kicseréltem a triacot egy BTB04 600SL-re, és a potmétert egy 500k Ohm-ra. A lámpa rendesen világít, de nem reagál a potméterre a 470k Ohm-al sem.
Elkötés, eltérő lábkiosztás?
Egyedül a diac-ot nem mértem építés előtt az zsír új volt, de majd rámérek.
A diacot úgyse tudod mérni.
Ahhoz kell 30-50 V, ellenállás, célszerű még kondi és szkóp. Egyébként a hibaleírás alapján nem a diac a bűnös, hanem a triac. Lehet, hogy műszerrel mérve jó, nagyobb feszültségen meg áthúz (bekapcsol).Szerintem vizsgáld át mégegyszer a bekötést, minden egyezik-e a rajzzal! Nehogy hiába fussuk a köröket.
Szia!
Triaknál az a 0,07 ohm nem igazán nyerő érték.
Visszaraktam a triakot az eredeti porszívó panelra és ott meg szabályoz, hát már nem értem hogy a panelemen mi lehet a probléma minden átmérve és minden vezetősáv többször leellenőrizve de csak nem jó.
Hello! Nem látom jól, de mintha a "jobb alsó" dióda, fordítva lenne benne.
Fölső felén van a jelölő gyűrű, csak már kicsit kopott.
Hasonlóval (csak épp tirisztoros) én is játszottam, sőt, készen van, forrasztópákához használom. (A "forrasztópáka hőmérséklet szabályzása topikban láthatod, ha érdekel, utolsó előtti és utolsó oldal).
Én is izzóval teszteltem, -azzal láthatóbb. Nekem először keveset szabályozott le, mert kevés volt a 47nF. Amikor 3 db 47-est tettem be, akkor ugyanezt csinálta: villogott, és nem ment teljes teljesítményre (azaz: kevesebb volt a változás megint a vártnál). Ki kellett söntölnöm a potmétert (azthiszem valami 4.15K-ra) a 141nF mellé, akkor értem el, hogy (szinte) 0-ról képes indulni, és szinte teljes teljesítményre lehet tekerni. A teljes 0-t az enyémmel is lehetetlen pontosan eltalátni, hiszen a "bevillohás" a hálózati feszültség változásával előjöhet. De egy motornál a 0 feletti is nyerhet, 5%-al sem indul el... Tehát a potméter-kondenzátor arányt variálgasd. Én jót szórakoztam ![]() De mai napig azzal forrasztok. (Azaz, azzal járatom a pákát) Kép hozzá, hogy (majdnem pont) ilyen lett a "nyerő arány": A hozzászólás módosítva: Szept 4, 2022
Sajnos a triakos szabályzó nem jött be, valahogy azzal az univerzális motorral nem úgy működött ahogy kellene.
Közben lett a képen látható szabályzó mai elvileg egy 150W-os dremmelből való. A panelen az ellenállások nagyon kicsiknek tűntek ezek le lettek cserélve értékhelyesen nagyobbakra (több wattosra). A kapcsolással már végre jól működik a motor szabályoz rendesen ahogy kell, de a panelen lévő 2db tekercsen megégett a zsugorcső. A két tekercset is cserélni kellene nagyobb keresztmetszetű huzallal újratekerni. Mindkettő tekercs 0.02mH 0.3Ohm.
A motor tengelyén van egy szegmentált mágnesgyűrű. Ahhoz közel a nyákon egy ellenállásra hasonlító induktivitás. Na az szakadt meg. Kicseréled, örülsz.
Tachogenerátoros mosógép motor vezérlésére orosz oldalon találtam ezt a rajzot. Egyszerű, de sok a hiányosság benne. Nincs motor áram figyelés, tacho szakadás ellen sem védett.
Sajnos a TDA1085 beszerzése körülményes. Bővebben: Link 220V 650W oszlopos fúró fordulatszám szabályozása és ASIST eszterga220V 650W oszlopos fúrógéphez kellene fordulatszám szabályozó kényelmesebb mint ékszíjat cserélgetni.és ilyen kellene kis eszterga ASist vezlrlésére is . Vettem 220V 4000W ford szab. de nem dolgozik vele ha izzóval próbálom azzzal múködik Olvastam nem mindegy kefés a motor vagy nem kondi van vagy nincs. Azthiszem nagy a zavr nálam.. Az Alin láttam frekvenciavaálót 12000 bemenet220V 750W kimenet 3 fázis de nekem csak 1 fázis a motorok az jó nekem is? Ha megveszem az esztergához fgordulat váltáshoz ( menet esztergálás) kell külön kapcsoló?
Az nagyon jó!
Ha lecseréled az esztergádon a motort egy 3F motorra. Üdv. M.
Én is lecseréltem az oszlopos fúrómon a kondis motort 3f-re és kapott 1f->3f frekiváltót. Ékszíj középen, így is megfelelő a min max fordulat. Kis fordulaton gyengébb a motor, de nekem elég.
|
Bejelentkezés
Hirdetés |





Ahhoz kell 30-50 V, ellenállás, célszerű még kondi és szkóp. Egyébként a hibaleírás alapján nem a diac a bűnös, hanem a triac. Lehet, hogy műszerrel mérve jó, nagyobb feszültségen meg áthúz (bekapcsol).














