Fórum témák
» Több friss téma |
Szia!
Szerintem regisztráció után ingyenesen le tudod tölteni...
Regisztráltam, és egy csomó elektronikai szakirodalom tölthető le ingyenesen.
![]() Nagy huncutok, mert minden letöltés előtt megpróbál rávenni a fizetősre váltásra, de azt simán átlépve már tölthető is, amit szeretnék.
Ez nekem nem megy. Talán azért, mert már régen regisztráltam és egyszer fizettem is egy cikkért.
Megpróbálok új regisztrációt. Nem rossz ez az oldal, de az IEEE sokkal jobban érdekelne. De az is fizetős. Vagy mégse?
Próbáltad már? Ha van ingyenes regisztráció, az elég egyértelmű szokott lenni.
Idézet: „Ez nekem nem megy. Talán azért, mert már régen regisztráltam és egyszer fizettem is egy cikkért. Megpróbálok új regisztrációt. ” Kértél jelszó emlékeztetőt? Az is eléggé általános szolgáltatás. Persze ahhoz legalább arra kell emlékezni, hogy milyen loginnal, email címmel voltál anno. A hozzászólás módosítva: Okt 2, 2022
Érdekes. Van amit enged letölteni, de van amit nem. Annyira nem érdekel, mert már korábban mindent megnéztem, ami érdekel. Ezeknek a cikkeknek a többsége inkább csak ötletadónak jó, igazán komoly dolgot nem találtam bennük.
Engem csak a D-class érdekel, amiket ezekről írnak, hát az nagyon alapszint.
Megígértem "metabo123"-nak, hogy írok arról hogyan kell nyákot tervezni. Eltelt egy hét és nem jut eszembe semmi. Nem tudom, hogy kell jó nyákot tervezni. Sokan tudnak, de én nem. Csillagpont, meg teleföld, meg nem is kell nyák... ehhez én nem értek. De azért töprengtem kik azok akik valóban értenek hozzá. Hát pl. a Japánok. Bogarásztam erősítők szervizkönyveit, de nem lettem okosabb. Aztán leesett a tantusz. Ketten biztosan értenek ehhez: az egyik Brüel, a másik Kjaer.
Nem tudom élnek-e még vajon - remélem igen, de már nagyon idősek lehetnek - örök tisztelőjük és csodálójuk leszek amíg én élek. Van ennek története is. A 90'-es évek elején számolták fel a BEAG-ot (is), rendesen, ahogy illik. Bandi barátom ezt időben megneszelte valahonnan és ott is termettünk lóhalálában a potom pénzért elherdáláson. Már nem emlékszem pontosan, de vagy 6-8 Brüel and Kjaer műszert sikerült szinte fillérekért megszereznünk. (Aki nem ismerné, ezek voltak akkoriban a műszerek Rolls Royce-ai. Ha még szintíró is lett volna hozzá, meglett volna az a teljes műszerparkunk amivel akkoriban Sólymos Antalék mértek a MEEI-ben a Hifi Magazinnak.) A legkedvesebb műszerem ezek közül a mérő erősítő (Measuring Amplifier). Sokan próbálkoztak ilyesmivel, Philips és társai, de tudtommal senki nem mert 1 mV-os méréshatár alá merészkedni. A "Brüel" 10 uV-ot tudott, amíg élt. Most 50 éves, de még - így hibásan is - féltve őrzöm. Nyitott bemenettel volt 8 uV zaja, rövidre zárttal 3 uV és ehhez 114 dB-t kellett erősítenie, négy fokozatban. Néhány centis vezetéken meg lehetett mérni vele a zavarjelet. Szóval eszembe jutott ez a műszer a nyáktervezés kérdése kapcsán. Aztán meg az, hogy jó lenne valahogy újra életet lehelni belé. Van róla fénymásolt szervizkönyvem, de azon a "main board" panelnek csak a fólia oldal felőli rajza van meg. Se csillagpont, se teleföld, se árnyékolás, csak vonalak kuszasága szerteszanaszét és mégis működik. Kibogarászom az alkatrész oldalt is, mert miért ne. Aztán vissza fogom rajzolni, hogy vezették a GND-t és a tápvezetékeket. Az első ránézésre látszik, hogy a tápvezeték is egyenrangúan van kezelve, csak a GND néhol foltokban egyenrangúbb a többinél ("árnyékol" itt-ott valamelyest). Csodálatos ez szerkezet, az utolsó porcikájáig.
Kibogarásztam a nyákot és összerajzoltam kapcsolási rajzzal. Kevés hibát találtam, azok is inkább a módosítgatások miatt keletkezhettek. A legnagyobb sikerélményem az volt, hogy az egyik Graetz-et ők is elrajzolták : ) Tanulság, hogy csillagpont nélkül is lehet jó nyákot tervezni... persze nekem egy ilyenbe beletörne a bicskám.
1969-ben készült az első változata ennek az erősítőnek (oda van írva, onnan tudom). Akkor talán még számológép sem volt. Már régebben leszimuláltam ezt a 22.5 kHz-es aluláteresztőt. Elképesztő. Szerintem. Számomra. És ez a gyakorlatban is ilyen. 22 kHz-ig teljesen lineáris az átvitel, majd kicsit feljebb nyomtalanul eltűnik a jel.
De jó, hogy nem nekem kell az ilyet méretezni... Akkoriban talán még nem is volt műveleti erősítő. Vagy a szűrőelméletek sem voltak talán tisztázva.
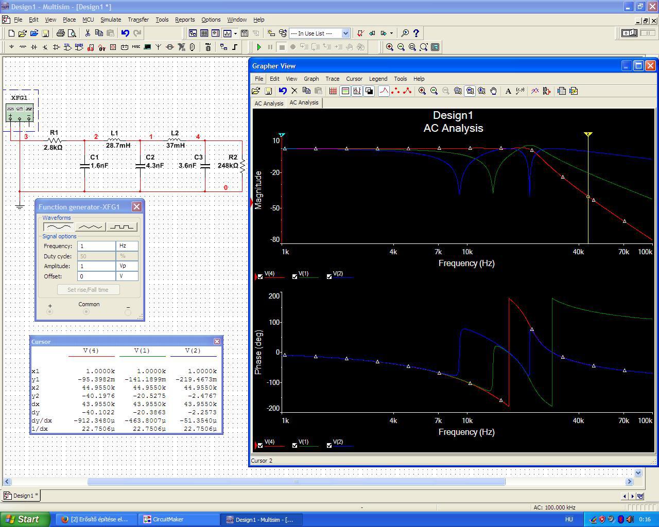
Ez egy 5-ödrendű szűrő. Tényleg tudja a -100dB meredekséget dekádonként. Feltennéd a csoportfutási időt? A Multisim hülyeséget rajzol.
Valamelyik Rádiótechnika évkönyvben van egy cikk a félvezetők történelméről, de már nem emlékszem mikor fejlesztették ki az első IC-t. Mindegy.
A szűrőelméletet szerintem már Csebisevék tisztázták. A különböző fokszámú szűrők együtthatóinak táblázata benne van a Tietze - Schenk könyvben is. Igen, ez valóban ötödrendű szűrő... a CM fájl is ezen a néven van elmentve, hogy bármikor megtalálhassam : ) A Multisim mit mutat?
Lehet, csak a kimenet futási idejére voltál kíváncsi...
A frekvenciamenetet, meg a fázist jól mutatja, ugyanolyan, mint a CM, de a futási időre valami nagyon furcsát rajzol. A tüskéket kivéve mindenhol nulla, ráadásul nem időben, hanem fokban, az is pozitív irányban. Szóval egyenlőre nem értem...
Mondjuk azt nálad sem értem, hogy az utolsó képeden mitől lett pozitív a görbe, amikor előtte mindhárom csomópont negatívba ment. Már látom, csak a piros nem piros, mert egymásra rajzolta a CM, meg nagyon kicsi az a mérete a kimeneti görbe mérete. A hozzászólás módosítva: Okt 7, 2022
Biztosan nem ezt akartad kitenni, mert ez is amplitúdó- és fázismenet, de annak is csúfos.
Nálam is olyan Bode, mint a CM-ben... de a Multisim 12 nem tud csoportfutási időt (ezt talán Te is említetted régebben) így azt nem tudom megnézni. Meg nincs is ennek ez egésznek semmi jelentősége szerintem.
A Bode-t jól rajzolja nekem is az MS.
Az Output listában van olyan kiterjesztési lehetőség, hogy " grpdelay ". Gondoltam, hogy ez ad valamit a futási időre. Ha ezt írom be az AC sweep listába, akkor hozza ki a Bode-ra ezt az idétlenséget. Az alsó kép meg aztán pláne zagyvaság. Szóval, ez nem megy... Vagy nem értem az értelmezését.
Ha majd valaminek kíváncsi leszel a futási idejére. leszimulálom neked CM-ben : )
Úgy tűnik sikerült életre keltenem. Még le kell kalibrálni és újra meg tudok mérni uV nagyságrendű zajokat/jeleket (ha el nem rontok valamit közben).
Az igazsághoz hozzá tartozik, hogy tulajdonképpen én rontottam el ezt a műszert. A (ZH 13 panelen) a kalibráló potméterek már annyira kontakthibásak voltak, hogy így már használhatatlanná vált. Gondoltam egy merészet és megreformáltam ezt a panelt - az a preamp bemenet úgysem kell, mert sose lesz hozzá csatlakozóm, meg túl sok felesleges vezeték megy oda - ezeket kiirtottam. Rögvest 3uV-ról 2mV-ra nőtt az alapzaja és nem tudtam többé visszaállítani az eredeti állapotot. Sejtettem, hogy ehhez vissza kell rajzolnom, meg kell értenem és be kell magolnom az egész kapcsolást/nyákrajzot. Kellett hozzá több, mint egy hét és némi türelem. Így utólag már nem tudom megítélni bonyolult-e ez az egész szerkezet, vagy sem. Egy számítógép sokkal bonyolultabb, egy erősítő meg általában sokkal egyszerűbb. Talán addig számít bonyolultnak valami, míg meg nem értjük a működését. De tanulni sokat lehet belőle... emiatt is gondoltam azt, hogy talán ebben a topikban lesz a legjobb helyen. Az első képen a bemenet vezetékezése. Semmi árnyékolt kábel, árnyékoló lemez vagy búra, semmi hókusz-pókusz... mégsem "brummos" a kimeneti jel, pedig 560 000-szeresen erősít! Jól van kitalálva a nyákterv az átláthatatlan kuszasága ellenére is. Legmegdöbbentőbb, hogy elmerték vinni az első fokozat visszacsatolókörét ezekre az öcsipanelekre. Valamiért náluk nincs nyák-kapacitás, meg fólia-induktivitás. És pl. Tektronix szkóp is így van megcsinálva, mégis mindenben százszor különb a digitális "csodaszkópomnál". Zajtalan és még ma is azonnal "betriggerel" az 1-2 mV-os 100 MHz-es jelre. Valamit nagyon nem tudunk még ezekről a dolgokról. A másik a túlmisztifikált csillagpont kérdése. Hogy melyik a jobb? Ez, vagy ha a kimenettől a bemenet felé haladva "felfűzzük" a fokozatokat? Nyilván az utóbbi. Minden műszer nyákja ilyen elven van megtervezve és ez nem lehet véletlen. Kiteszem a teljes (remélem már hibátlan) - valamint az egyszerűsített, könnyebben átlátható - nyákrajzokat. Szerintem érdemes tanulmányozni őket, sokat lehet tanulni belőlük, hogy, hogy csinálják a "nagyok". A kapcsolási rajzot is "gatyába ráztam" egy kicsit, talán így áttekinthetőbbé vált... és a jelszinteket is odaírtam. A hozzászólás módosítva: Okt 12, 2022
Az "A" osztályú végfok végleges nyákterve, kapcsolási rajza és nyugalmi áram stabilitása. Még egyszer biztosan nem futok neki ennek az erősítőnek, de ezt még el kellett követnem vele mert megérdemli.
Játszottam a B and K mérőerősítővel (szkóp fotó). A VAS fokozat kísérleti paneljének kimenetén néztem a zajt és véletlen kiesett a kezemből a nyák, miközben a szkópot néztem. És mintha láttam volna valami furcsát. (100 dB-lel van felerősítve a kimenet jele.) Elkezdtem kopogtatni a nyákot. Nem volt könnyű "elcsípni" tároló szkóppal sem a pillanatot. Nem mese, hogy létezik az akusztikai visszahatás jelensége a félvezetős erősítőknél is. Ezt én eddig is tudtam, de most mindenki láthatja a saját szemével, amiről már többször írtam különböző topikokban. Az erősítők hangjának hallható megváltozása bedobozolás után... állványok, tüskék saját hangja. Ezeket ugyan már nem lehet kimérni, de meghallani annál inkább. Mint a fotón látszik, a lecsengés elég hosszú, minimum 50 ms.
Szép meló, gratulálok.
Azt sikerült megállapítanod, hogy konkrétan melyik alkatrész kocogtatásakor jelentkezett az akusztikai hatás?
Köszönöm!
Azt nem néztem. De már olyat is játszottam mc bemenetű korrektorral, hogy különböző típusú/márkájú interkonnektet dugtam a (bal) csatorna bemenetébe. A bal csatorna kimenetét a jobb csatorna bemenetébe, tehát sorba kötöttem a két 66 dB/1kHz erősítésű fokozatot. 50 Hz-en 166 dB volt a feszültségerősítés. Majd végfok (plusz 26 dB erősítés) és hangszóró. Ha az interkonnektet kopogtattam, olyan volt mintha egy mikrofon lett volna a bemeneten. Nem meglepő módon a kábelek "hangtónusa" is változott típustól függően. Okosabb ugyan ettől sem lettem, csak annyit bizonyítottam be magamnak, hogy van saját hangjuk a vezetékeknek is. De "kísérlet" eredeti célja az volt, hogy megállapítsam mennyire "brummos" maga korrektor. Csak sistergés volt a hangszóróban, de most nem ez a lényeg, hanem a jelenség, aminek viszont van egyszerű fizikai magyarázata.
A jelenség biztosan létezik, még a digitális világban is. Tirisztoros inverterbe ( 6,3 kVA ) használtam frekvencia korlátozó áramkört. ( Inkább valami féle időkorlátozónak nevezném, hogyha egyszer a jel a kimenetén 1-be ment, akkor maradjon is ott mondjuk 300 us-ig, vagy ha 0-ba ment akkor maradjon ott mondjuk 300 us-ig. Tehát ez valami minimális időkorlátozó volt ) Erre azért volt szükség, mert a tirisztorok kényszerkommutációjához idő kellett. Mivel aszinkron ( nem egy háromszögjel volt a vivő előállítása ) működésű volt a vivőfrekvencia előállítása, csak ezen a módon tudtuk megcsinálni, hogy mindig legyen idő a kommutáló áramkörök energiaszintjének beállására. ) E nélkül sikertelen lehetett a kommutáció, ami az egymás alatti tirisztorok összegyújtását eredményezte.
Ez a dolog még 1978 körül történt, még nem voltak elérhetők a CMOS ic-k. A frekvenciakorlátozó H sorozatú ic-kből épült fel ( talán ATES? ) Asztalon működött, europa méretű ( 100 x 160 mm ) kártyára volt felépítve, Socapex 36 pólusú aranyozott csatlakozója volt, az ellendarabja meg a rack fiókban. Működött, de néha furcsa dolgokat művelt. Kiverte a híd a biztijét. Ilyenkor ütögettem, kissé rugdaltam a szekrényt, hogy történjen valami, mert a hibajelenség ritkán fordult elő. Becsaptam a szekrény ajtaját, erre elszállt a híd biztije. Kerestem a rossz forrasztást, nem találtam semmit. A frekvenciakorlátozó kártyát kitettem hosszabbítóra, ekkor gyorsabban kijött a hiba, elég volt egy műanyag darabbal megütnöm a kártya élét. Kivettem a kártyát és fél méteres drótokkal csináltam meg a kihosszabbítást, tehát csatlakozók nélkül. Működik, jaj de jó. Fogtam a kártyát az élével koppintottam egyet az asztalra, azonnal kiverte a biztit. Aztán ezt 5 kártyával kipróbáltam, ugyanezt csinálta. Az idősebb mérnökök is csak néztek, hogy ilyen állat nincs... de van. Nem is tudtunk vele mit csinálni. Aztán jöttek a CMOS-ok és teljesen új áramkört terveztem, az már nem csinált ilyet. Szóval, hogy van ez? Mi nem tetszett a H ic-knek?
Ha a költői kérdésekre nincs válasz, akkor igen.
Most akkor meg kell mondanom, hogy a vezeték "mikrofóniája", vagy a gyors HC74xx volt-e a ludas?
Ezek nem a HC sorozat tagjai voltak. Szerintem, akkor a HC még gondolatban sem létezett. Erről van szó:
https://www.datasheetarchive.com/pdf/download.php?id=1c6b930465755d...m=H117
Így van.
De a sima 74-es TTL logikai IC családnak is volt "H" ( Nem CMOS ) sorozata. Az SN 74xx az alap széria, az SN74Lxx a "Low power", az SN74Hxx a " High speed", az SN74Sxx a "Schottky" és az SN74LSxx a " Low power Schottky" Aztán még lehetett a nem CMOS bipoláris TTL szériából más is. Talán valamilyen széria a sugárzásállóságra is volt az űrtechnika számára?
Készül az akkumulátoros tápegységű előerősítőm. Újabb kísérlet kezdődik. Nem csak a csatolókondikat hagyom ki a jelútból, de a pufferkondit is a tápegységből. Csak néhány kompenzáló és hidegítő kondi lesz a kapcsolásban. Mivel az ellenállások is torzítást visznek be, ezek számát is minimalizálom. Csak annyi lesz benne amennyi már tényleg nélkülözhetetlen. A félvezetőkkel nem spórolok. Egyáltalán nem szempont milyen bonyolult lesz az egész, csak rendesen tegye a dolgát. Jobban szóljon, mint egy darab drót. Az álom-végfokot illik egy álom-előerősítővel kiszolgálni.
Egyelőre az akkus tápegység a biztos pont. Ha beválik, akárhány előerősítő kapcsolást kipróbálhatok. Most ez a kapcsolás szimpatikus. Összeötvöztem a régi előerősítő alapkapcsolását az "A oszt 22" feszültségerősítő fokozatával. Ennek a bastode bemenetű kapcsolásnak rendkívül kicsi a kimeneti feszültség-driftje, ezért ezt mindenképpen megtartom. A nyugalmi áramokat áramgenerátorokkal stabilizálom, az ellenállásokon eső feszültségeket kettős emitterkövetőkkel. A tápfesz stabilizálása helyett inkább a nyugalmi áramokat teszem tápfeszültség függetlenné. A kapcsolás még nem végleges, aludni kell még rá néhányat - hátha hoz a Jézuska még valami jó ötletet januárig.
Kétszer épitettünk be ilyen DC csatlakozásu keveröpultot ( amerikai eredet). A hangja valoban nagyon jo volt, de a használata nagyon keserves. Föleg a másodiké, ami egy hatalmas kongresszuscentrumba ill szinházba került ( a szinpadot át lehetett alakitani szinházi célokra, és hetente volt müsor.).
Sajnos a bemeneti potik (érzékenység/gain) minden esetben kisebb nagyobb zajt okoztak, igy a szinházi pultra, késöbb egy plexitakaro elemet kellett csináltatni, hogy elöadás közben még véletlenül se tekergessen ott valamit. A nagyobbik, egy TV hangstudioban viszont bevált, ott élö felvételt nem csináltak, igy a hanggal nagyon meg voltak elégedve. |
Bejelentkezés
Hirdetés |
































