Fórum témák

» Több friss téma
Fórum » Autó rádió és erősítő összekötése
Lapozás: OK   6 / 6
(#) bubuka86 válasza oregtamas0202 hozzászólására (») Nov 20, 2022 /
 
Sziasztok! Egy kis segítséget szeretnék kérni tőletek, mert már teljesen tanácstalan vok. Van egy Panasonic mini hifim, ami nagyon rossz hangzású, ezért rá szeretnék kötni egy komolyabb hangtechnikát, viszont a probléma ott kezdődik, hogy a hifinek semmilyen kimenete nincs (a high level hangszóró kimeneteken kívül). Vettem hozzá egy jelszint átalakítót, de nagyon-nagyon gyenge jelet produkál, ha rákötöm a hangszóró kimenetekre. Belinkeltem ezt a kütyüt. Ez azért ilyen gyenge, mert igazából autós fejegységhez van kitalálva (kb. 2x50 W) és nem a gagyi hifimhez (2x10 W)? Vagy át kellene hidalnom a potméter közelében lévő ellenállások közül azokat, amik a jelszint átalakító kimeneteinél vannak? Van ötletetek? Előre is köszönöm szépen a segítséget.
A hozzászólás módosítva: Nov 20, 2022

s-l400.jpg
    
(#) zolika60 válasza bubuka86 hozzászólására (») Nov 20, 2022 /
 
Ha van esély jobb minőségű kimeneti jelre az a készüléken belül van a végfok bemenetén.
(#) Inhouse válasza bubuka86 hozzászólására (») Nov 21, 2022 /
 
Tehát ha ezen is maximumra tekered és az erősítődön is a potmétereket, majd adod a hangerőt a rádión, akkor hiába tekered azt is maxra, halkan szól? Azok a hangszórók, amikre kötötted, ilyenkor hangosak? Mennyire halk az erősítőt keresztül, épp csak áthallatszik valami? Akkor szakadás.
(#) bubuka86 hozzászólása Nov 21, 2022 /
 
A mini hifi hangosan szól, de közben a kütyüről alig jön le némi jel, azaz fülhallgatón keresztül alig hallani.
(#) Tomi111 válasza bubuka86 hozzászólására (») Nov 21, 2022 /
 
Fülhallgatón?? Hogy jön az ide? Előbb erösítőt írtál. Köss rá azt és üvölteni fog! A fülhallgatónak nagyobb jel kell, mint egy erösítőnek. De zolika60-nak igaza van. Belülről a végfokot kihagyva jobb minőségű jeled lenne és ez a kütyü sem kellene.
(#) bubuka86 hozzászólása Nov 21, 2022 /
 
Természetesen erősítővel is kipróbáltam, nagyon gyengén és rosszul szólt.
(#) bubuka86 hozzászólása Nov 21, 2022 /
 
Azok az erősítők és aktív mélyládák, amelyek tudják kezelni a high level inputot, azok milyen átalakítóval oldják ezt meg?
(#) dB_Thunder válasza bubuka86 hozzászólására (») Nov 21, 2022 /
 
Ki kellene dobni mindkettőt!!
Az átalakítóban van tekercs vagy trafó, de minek?? Kuka!!
Minihifi rosszul szól!! Szintén kuka!! Semmi nem garantálja, hogy a végfok előtt még jó a hang, ha meg a kimeneten rossz azon semmilyen átalkítő nem segít!!

Megannyi jó jelforrást lehet fogni a Facén vagy a Jógogáson is.
Kakából nem lesz vár!!
(#) dB_Thunder válasza bubuka86 hozzászólására (») Nov 21, 2022 /
 
Idézet:
„Azok az erősítők és aktív mélyládák, amelyek tudják kezelni a high level inputot, azok milyen átalakítóval oldják ezt meg?”

Ellenállásos osztóval!
(#) Inhouse válasza bubuka86 hozzászólására (») Nov 21, 2022 /
 
Árulj már el valamit a komolyabb hangtechnikáról!
Egyébként ezen a minihifin nincs véletlenül egy fülhallgató kimenet?
(#) bubuka86 hozzászólása Nov 21, 2022 /
 
Nincs fülhallgató kimenet
(#) Inhouse válasza bubuka86 hozzászólására (») Nov 21, 2022 /
 
Nem semmi ez Panasonic-éktól...erre nem fért el egy Line, vagy füles kimenet? Ehh...
A helyzet nem túl fényes, semmi más esélyed nincs, csak a végfok kimenetből lehet valamit kialakítani házilag.
Jól kötötted be az átalakítót? A fülhallgatós tesztet felejtsd el, az itt nem játszik.
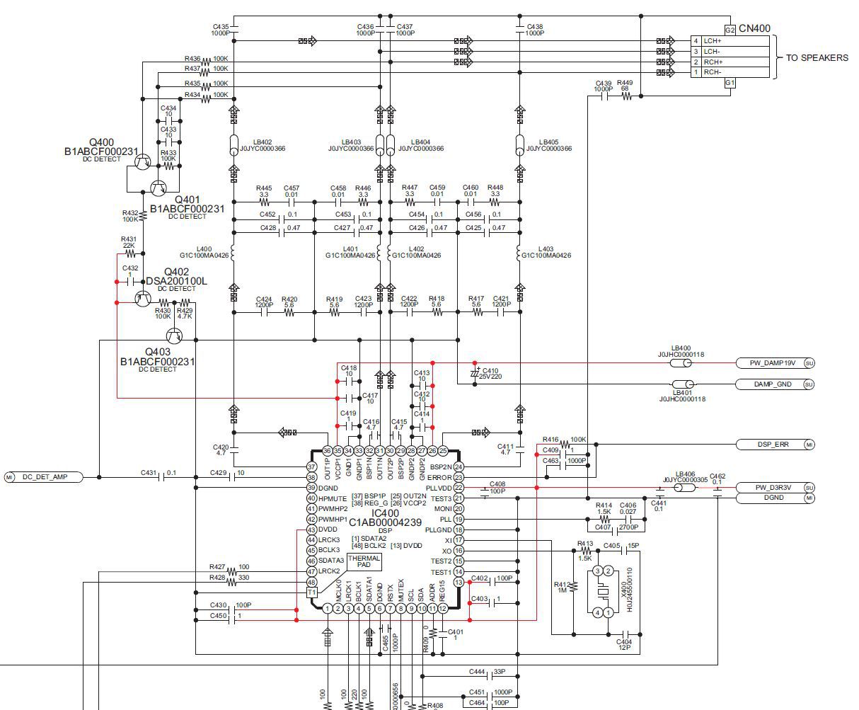
A gyári hangszóróknak, vagy annak megfelelő impedanciának rajta kell lennie a kimeneten. Bár ahogy látom, ebben az átalakítóban van valami teljesítmény ellenállás, kérdés, hogy hogyan is van bekötve. Hhidalt végfok, úgyhogy nem szabd a (-) pontokat közösíteni, mert nem test!
A hozzászólás módosítva: Nov 21, 2022
(#) Inhouse válasza dB_Thunder hozzászólására (») Nov 21, 2022 /
 
Azért most te is fogsz egy kicsit csodálkozni...
A hozzászólás módosítva: Nov 21, 2022
(#) dB_Thunder válasza Inhouse hozzászólására (») Nov 21, 2022 /
 
Miért kellene??
(#) Inhouse válasza dB_Thunder hozzászólására (») Nov 22, 2022 / 1
 
Idézet:
„Minihifi rosszul szól!! Szintén kuka!! Semmi nem garantálja, hogy a végfok előtt még jó a hang, ha meg a kimeneten rossz azon semmilyen átalkítő nem segít!!”

Ez a forrás szerintem nem kuka, így, hogy már látjuk. A végfok előtt sincs kivezetési lehetőség.
Szerintem annyi gondja van vele, hogy a hozzá járó kis hangszóróknak szerények a képességei. Maga az eszköz valóban érdemes lehet arra, hogy máson szólaljon meg. Csak erre gondoltam. Persze látatlanban igazad van. Én is meglepődtem, amikor belinkelte és ránéztem. Ejj, ezek a japánok.
(#) dB_Thunder válasza Inhouse hozzászólására (») Nov 22, 2022 /
 
Én nem vagyok hasra esve a teljesed digitális belső és a PWM végfog okán!!
Sőt...
Annyit még megérhet hogy kap egy rendes hangfalat, hátha..
De PWM végfokról levenni a jelet... a hátamon feláll a szőr!
(#) Inhouse válasza dB_Thunder hozzászólására (») Nov 22, 2022 /
 
Idézet:
„Annyit még megérhet hogy kap egy rendes hangfalat, hátha..”

Igen, az is segítene. De attól még marad a 10W és az itt már 10% THD.

Idézet:
„De PWM végfokról levenni a jelet... a hátamon feláll a szőr!”

Ja, de nincs más és a hangszórón azért már analóggá válik a jel, nem? Max kéne egy magas vágás a felharmonikusok ellen...
(#) dB_Thunder válasza Inhouse hozzászólására (») Nov 23, 2022 /
 
Idézet:
„hangszórón azért már analóggá válik a jel, nem?”

Nagyon konyhanyelvi megfogalmazás!

Nem szokták túlzásba vinni a szűrést a kimeneten, a hangszórón is csak azért "lesz analóg" mert az nem tud olyan gyorsan mozogni!
Ettől a jel még egy halom tüske marad! Jó nagy feszültségű tüskehalom!
Minimum egy jól méretezett RC szűrővel kellene visszasimogatni a tüskehalmot normális jellé!!
De nem vagyok biztos abban, hogy meg fog jönni a hangminőség!!
A hozzászólás módosítva: Nov 23, 2022
(#) Inhouse válasza dB_Thunder hozzászólására (») Nov 23, 2022 /
 
Idézet:
„Nagyon konyhanyelvi megfogalmazás!”

Igazodik a kérdéshez.
Következő: »»   6 / 6
Bejelentkezés

Belépés

Hirdetés
XDT.hu
Az oldalon sütiket használunk a helyes működéshez. Bővebb információt az adatvédelmi szabályzatban olvashatsz. Megértettem