Fórum témák
» Több friss téma |
Mielőtt kérdezel, a következő két dolgot ellenőrizd!
I. A helyes tápfeszültségek megléte.
II. A kimeneten van-e egyenfeszültség.
Élesztés.
Sziasztok! Ugyanilyen, PBTL, master+slave TPA3116-al szerelt panelen kicseréltem az induktivitákosat az eredei 33uH-ről 10uH-re. A 33uH elvileg 8 ohmos hagszórókhoz jobb, 4 ohmoskohoz pedig a 10uH jó, nem vágja úgy le a magasabb frekvenciákat már kb. 3 kHz-től fölfelé. A csere után a slave IC oldalán a teljesítményt kb. 3/4-ed fölé emelve elhallgat a csatorna. Lejjebb tekerve a hangerőt újra megszólal.
Két ilyen panelem van, mindkettőnél megvolt a csere, és ugyanezt csinálja. A master oldal maximumig kivezérelhető ugyanezekkel az induktivitásokkal. A slave oldal akkor sem, ha a master oldal terheletlen. A 33uH-ket visszacserélve újra a teljes teljesítményig kivezérelhető mindkét csatorna. A 10uH-s induktivitások nem túl nagy darabok, de adatlap alapján 5A-t tudnak, illetve a master oldalon nincs is probléma velük. A fóliakondenzátorokat is cseréltem 1µF-ra, de az nem változtat a jelenségen, ha ezek vannak bent, vagy az eredeti 0,68µF-osak. Szerintetek mi lehet a probléma? Előre is köszönöm a segítségeteket!
Az ic-nek 7,5 A-en van az áramkorlátja. Ezt ki is használja, ha 100W-ot kell csinálnia. Ha te kisebb fojtókat teszel be a kimenetre, akkor nő a fojtón az áramhullámosság, és esetleg nagyobb lesz mint 7,5 A. Ettől már letilthat az ic. A másik, hogy beteszel egy 5A-es fojtót, amiről azért tudni kellene, hogy az a termikus terhelhetőségét jelenti, vagy pedig azt, hogy hol telít a fojtó. 7,5 A-en már biztosan telít, ez azt jelenti, hogy kezd úgy viselkedni a fojtó, mintha nem lenne benne ferrit. Vagyis, az induktivitása jóval kisebb lesz, ami megint azt jelenti, hogy nő az áram hullámossága, biztos, hogy letílt az ic.
Én a helyedben nem kisérleteznék ilyesmivel, amit tud ez a panelka méregdrágán, az a maximum, én nem akarnék többet kihozni belőle, mert nem fog menni. A 100W már elég írreális...
A tápból felvett teljesítményből hatásfokot kivonva kb. 65W lehet csatornánként a leadott teljesítmény (amikor nem hallgat el). Szerintem a 4A-t sem éri el az áramerősség, ami a fojtón átmegy. Illetve a master oldalon minden gond nélkül kivezérelhető ez a maximális teljesítmény, csak a slave oldalon nem.
Nem akarok nagyobb teljesítményt, csak nem szeretném, ha levágna a magasabb frekvenciákból (csatolt képek). A gyári panel 8 ohmra van tervezve, én pedig 4 ohmra szeretném átalakítani. Még az jutott eszembe, hogy most van 8 db 10uH fojtóm, egy csatornára kiadná úgy, hogy 2-2-t párhuzamosan, majd ezeket sorba kötve (és ezt a pakkot kétszer). Maradna a 10uH, de talán így jobban eloszlana a terhelés, egy ferrit helyett 4 lenne. Persze ez sem magyarázná, hogy a master oldalon miért jó eleve egy párral, de ha a slave megjavulna, akkor vennék komolyabb fojtót. Érdemes kipróbálni, vagy már elméletileg is hülyeség? Viszonylag távol drótoznám össze őket egymástól, hogy egymásra ne legyenek hatással.
Hogy a master miért jó, azt nem tudom. Azt azért tudni kell, hogy ezeknek a filter nélküli elrendezéseknek az a fő baja, hogy a kimenetről nincs visszacsatolás, vagyis úgy fog szólni, amilyen szűrőt beiktatsz. Ráadásul, ezt szűrő nélkülinek van kitalálva. Rátehetsz szűrőt, de akkor ez az eredmény. Vagyis van az ic-n belül egy modulátor, ami előállítja a pwm jelet, ez felerősítve kerül a kimenetre, de nincs visszacsatolás arról, hogy ebből milyen sávszélességű jel lesz. 4 ohmnál valószínű, hogy már túl magas a hangszóró csillapítása a nagyobb frekvenciákon, ezért esik a magasátvitel. Ez egy teljesen más világ, hiszen ez pwm. Analóg erősítőknél alig jelentkezik ilyen probléma. Holnap megnézem szimulátorban, hogy mire számíthatsz, de nem hiszem, hogy meg lehet ezt rendesen csinálni.
Előre is köszönöm! Közben megnéztem az induktivitásom adatlapját alaposan, 2,4A-en már a névleges induktivitásának 75%-ára esik vissza. Valóban inkább az a fura, hogy master oldalon működik.
![]() A TPA3116 adatlapján is 10uH-t ajánlanak egyébként, ott szó sem esik 33uH-ről. 8 ohmra, 4 ohmra egyaránt 10uH-t írnak. PBTL esetén 4 ohmra eggyel nagyobb fóliakondenzátor az ajánlás, 0,68µF -> 1uF.
Sziasztok! Valaki meg tudná mondani a pirossal bekarikázott rész mit csinál?
PBTL esetén 15A az áram limit, ez 4 Ohmos terhelés esetén 450W kimeneti teljesítményt jelentene, ha lenne hozzá 60V tápfesz. De természetesen a TPA3116 vékonyka kivezetései, meg a 27V körüli maximálisan használható tápfesz ezt nem teszi lehetővé. Tehát bőven nem kellene némítania magát.
Ahogy sejted, az induktivitás telíthet be. Én megtesztelném légmagos tekercs használatával. Az nem telít be. Ha azzal is némít akkor az IC megbetegedést.
A relé utáni pontról is visszacsatolva a jelet. Így ebben a kapcsolásban kb ötödjére csökkenti a relé kontakt hatását a jelre, ami jobb hangot eredményez.
Szia!
Ha az R661-e gondolsz, akkor szerintem a fejhallgatót táplálja meg, a végfokozat (és annak a torzításnak) kihagyásával.
Az IC szerencsére jó, az eredeti 33uH-s fojtókkal jól működik.
Légmagos tekercsem sajnos nincs, és ha készítenék, mérni sem tudnám ellenőrzés céljából, ezért a régebbi ötletem alapján kiraktam 4 db 10uH-s induktivitásból egy eredő 10uH-t (egymástól 5-10cm-re elhelyezve, elég vastag vezetékkel összeforrasztva), ahogy a csatolt képen megrajzoltam. Két ilyet beforrasztottam az két eredeti 33uH-s helyére. Ezzel így tökéletesen kivezérelhető. Vagyis érdemes lesz vennem nagyobb terhelhetőségű 10uH-s fojtókat. Ha már benne voltam, megmértem, egy fojtó "blokkon" 3,6A áram haladt át ebben a felállásban, az adott (végleges) táppal. Ilyen induktivitások megfelelnének? Úgy látom, ez 5,2A-nél 10%-ot veszít az induktivitásából.
https://www.circuits.dk/calculator_multi_layer_aircore.htm
Itt van egy link, ezt használható. Igaz AWG-t használ mm helyett, de táblázat segítségével könnyen lehet használni. Természetesen a te elgondolás is jó. Az csak érdekesség, hogy bár alap beállítás szerint a TPA3116 400kHz-en ketyeg, a master/slave szinkronjel 100kHz.
Szia! A 4 Ω-mal terhelhető DIY paneleken rendre toroid magos tekercsekkel találkozom. Bővebben: Link
Itt van néhány szimulációs eredmény. A 4 ohm, már nagyon csillapítja ezt a rezgőkört, de ez az összes fojtó, kondi variációra elmondható. A szűrőkör -3dB-es pontjai szerintem túl magasan vannak. ( de legalább elférnek a panelen a kisebb méretek miatt ) Ez olyan 40...70 kHz között van.
Én biztos hogy nem tenném a töréspontot max 30 kHz-re és úgy, hogy egy kicsit inkább kiemeljen, mint túl korán vágjon. ( Vagyis ne legyen túlcsillapítva. ) Azt ne felejtsd el, hogy a kimeneti kondin jó nagy áramok folyhatnak, szinuszos terhelésen. Ez több amper is lehet, nagyobb kivezérléseknél és magasabb frekvenciákon. Tehát szinuszosan csak burst jelekkel illik terhelni, különben felrobban a kondi... meg egy ilyen panelt ne használj terhelés ( hangszóró, vagy műterhelés nélkül ) ha négyszögjellel van meghajtva. Ekkor a kimeneti szűrő egyáltalán nincs csillapítva és egy soros rezgőkör nagyon gyorsan jelent rövidzárat az ic-nek, nem illik feszegetni az ic áramkorlát határait. ( meg egyebeket ) Amit még olvastam ezekről a panelekről, hogy az eredeti TPA ic 32 lábú. Ezekben meg 28 lábú ic van. Biztos, hogy ezek utángyártottak, lehet, hogy tényleg jók, de hát... Ezt valószínű csak úgy tudod megnézni, hogy leveszed a hűtőbordát róla. Én mégiscsak csinálnék légmagos fojtót. Nem baj ha nagyobb, a panel mellé teszed és biztosan a legjobb megoldás.
Köszi, ez tényleg jó! Gyorsan meg is csináltam két tekercset.
![]() Érdekes, hogy 0,68µF-dal kb. 99%-os kivezérlésnél még elhallgat a slave csatorna, 1µF-os kondenzátor + légmagos 10uH tekercs pedig tökéletesen működik ebből a szempontból! A képen a kondenzátorok nem látszanak, azok a panel másik oldalán vannak jelenleg. 0,9mm-es rézhuzalból van, és a kalkulátor segítségével méreteit tekintve akkorára terveztem, hogy állítva véglegesen is elférne a panelon.
Nagyon köszönöm a szimulációkat! Meg is fogadom.
A TPA IC eredeti, azzal kezdtem az egészet, hogy utánanéztem, melyik eladó árulja eredetivel, és megérkezéskor ellenőriztem is. Készítettem légmagos fojtót, igaz, 10uH-set (előző hozzászólás). De a 18uH-s sem lenne sokkal szélesebb, még egy menetnyivel, vagyis kb. 2mm-rel, a 10-eshez képest. Ez még éppen beférne a panelba is. A 3µF-os kondenzátorral vagyok egy kicsit bajban. 3,3µF-os lenne, amit egyrészt meg is tudok vásárolni, másrészt beférne a panelba (50V-os). Ez mennyivel borítaná az elképzelést? Most jut eszembe, az előző képemen látszik egy schottky dióda, ami a bemeneti táp fordított bekötésétől véd. Ezen kívül esetleg van más értelme is? Mert ha nincs, szívesen elhagynám a végső összeszerelés során, az egész panelen ez melegszik legjobban.
Nyugodtan beteheted a 3,3µF-ot, nagyon keveset változtat. A schottkyt kihagyhatod, csak nehogy fordítva kösd rá a tápot.
Rendben, köszi szépen! Nézegettem még a szimulációs képeket, és feltűnt, hogy a fázisfordítás 10-20kHz között a 10uH+1µF kombinációval a legkisebb. Ennek kisebb a jelentősége, mint hogy a töréspont 20kHz környékén legyen és ne 40kHz körül?
Szia reloop!
Próbálom rajzolgatni. Így jó lehet? Akkor egyesíteném a Cleopátra fiziologiát, az Alkotó-s szűrővel. A vt poti bekötését nem ismerem, nincs ilyenem, nem tudom felderíteni a lábkiosztást.
Szerintem nincs különösebb jelentősége, a moduláció az ic-n belül úgy alakul ki, hogy a bemenet és a kimenet között csak minimális fázistolás van. Időben kifejezve csak us tartományban van.
Sajnos, ebben a kapcsolásban nincs visszacsatolás a kimenetről, tehát az ic csinál valamilyen modulációt és nem tud arról, hogy mi van a szűrő után. Tehát itt biztosan lesz fázistolás, láthatod is, hogy a frekvencia függvényében hogy alakul a fázistolása szűrőnek és ez lesz a teljes kimeneten is. Nem hinném, hogy ez baj, bár erről biztosan lehetne vitázni. Olvasd el Skori honlapját, ő kisérletezgetett ezzel az ic-vel és nagyon jó véleményt alakított ki.
Szia! Ezt bizony módosítani kell. Érdemi tanácshoz add meg mi marad a Cleoban és milyen külső eszközök lesznek rákötve?
Sziasztok!
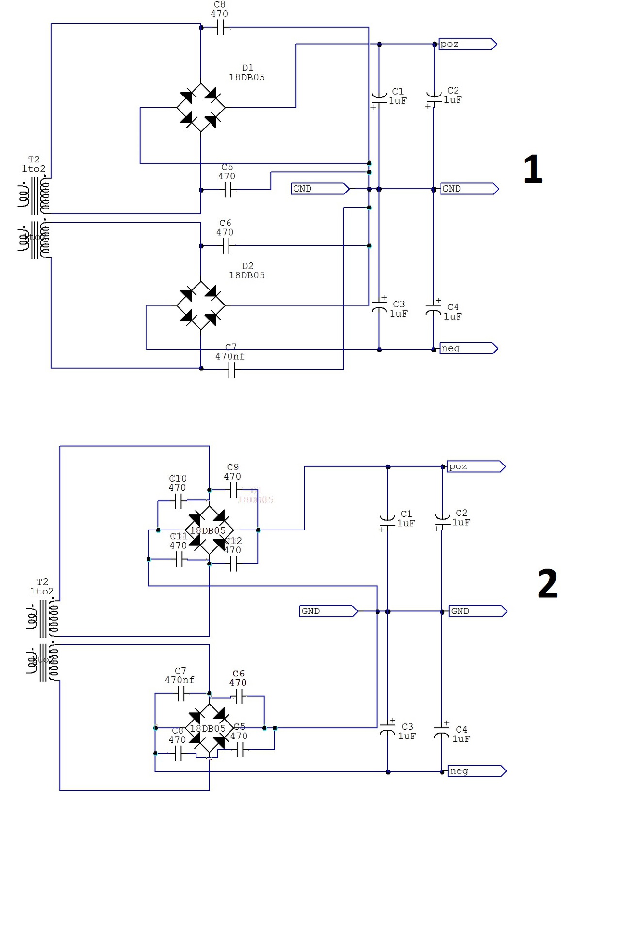
Lenne egy kérdésem erősítő egyenirányításával kapcsolatban. Adott egy 2 külön álló szekunderes toroid ~ 800VA. Szekunderek külön külön vannak egyenirányítva (diódahíddal), viszont így kicsit bizonytalan vagyok a fólia/kerámia kondik bekötésével, ami a diódán szoktak lenni. Tudnátok segíteni, hogy hogyan is kellene ezt csinálni. Csináltam Móriczka rajzot, hogy miről is lenne szó. Segítséget válaszokat előre is köszönöm! A hozzászólás módosítva: Dec 30, 2022
Fúha, nem lesz Cleo, csak a trafó, a fiziológiai poti és a végfok (szimpla vagy szimmetrikus tápos, vagy amit majd akar a srác végfoknak). Hogy mit köt rá, nem tudom. Gondolom vonalszintű valamit. Majd rákérdezek.
Szia! Itt a feladat a szekunder tekercs lengéseinek csillapítása az egyenirányítók zárása- és nyitásakor. A 2. ábra a helyes bekötés.
Egyszerűbb alkalmazásoknál a kondenzátort a szekunder tekerccsel kötjük párhuzamosan és elhagyjuk a diódák mellől.
könnyebben és olcsóbban is megúsznád, ha a két szekundert közösítenéd. A két rajzodon közelebb lévő tekercsvezetéket összefogod, az lesz a GND, a két szélső szekunder vezetéket meg egy diódahídra vezeted, abból lesz a pozitív és negatív feszültség. Emígyen.
A hozzászólás módosítva: Dec 30, 2022
Reloop: Köszönöm a segítséget!
Régi motoros: köszönöm, viszont anno itt a topikban a "nagyok" kifejtették miért jobb ez a megoldás, mármint a 2db hidas megoldás. Köszönöm Mindenkinek, szép estét, s B.U.É.K.
Rendben, akkor csináld úgy. BUÉK!
A végerősítő szimpla, vagy szimmetrikus tápja az egyik alappillére ennek a projektnek. Szimmetrikus táphoz egyrészt ajánlott hangsugárzó védelmet használni, aminek a koppanásgátló szerepe sem elhanyagolható, másrészt tranyós zeneres stabilizátorral zajszegényen táplálhatók a műveleti erősítők, mivel nem folyik tápáram a testvezetőn.
Ha a trafó megcsapolása nem felezi pontosan a graetz-re menő AC feszültséget akkor inkább maradjon így a táp és a végfok. Eldöntendő kap-e mondjuk egy NYÁK-trafót az előerősítő, mert ez meghatározó a kapcsolás szempontjából. Természetes átdolgozható olyanra, hogy a végfok tápfeszültségéről, vagy a trafó megcsapolásáról menjen. A másik pillér a két helyen megcsapolt 2x220k-s hangerőpoti. Emberi számítás szerint ez már recseg, vagy hamarosan recsegni fog. Ebből újat, minőségit beszerezni komoly kihívás. Azért linkeltem be korábban loudness áramköröket, mert van közöttük hagyományos potenciométeres. Nem gördítve akadályt a gyári poti elé, az előerősítő bementi ellenállását 2-300k-ra választanám, mint a gyári készülékben, ehhez 2-300 nF csatoló kondi illik. A visszacsatolás és a helyi tápszűrés majd a táplálás módja szerint alakul.
Köszi, bár relay helyett a doksijába breaker van. De biztos relé lesz ott.
Köszi neked is. A fejhallgató a tekercs után van bekötve oldalanként ket ellenállással.
|
Bejelentkezés
Hirdetés |




Viszonylag távol drótoznám össze őket egymástól, hogy egymásra ne legyenek hatással. 


















