Fórum témák
» Több friss téma |
Mielőtt kérdezel, a következő két dolgot ellenőrizd!
I. A helyes tápfeszültségek megléte.
II. A kimeneten van-e egyenfeszültség.
Élesztés.
Lekötöttem a kimenetet, nehogy a A/B csatorna kapcsolója vagy a fejhallgató kimenet bekavarjon. Hangszóróra ra két kábel l, az egyik testre a másikkal tapogattam. Mellényúltam, a kimenet helyett sikerült megtaláni a pozitív betápot...
Kimenten ott a tápfesz. Betettem az eredetit, ott ugyanez. Egy nap kettőnek annyi. Szóval nem látok az idegtől. Pedig csere után egy izzó sorba volt kötve a 220al, de nem világított, sőt, most hogy kint a tápfesz a kimeneten most se világít.
Ha a hangszoro egyik vége a testen volt, a másikat meg a tápra kötotted, akkor a hangszoronak kellett volna tönkre mennie nem az STKnak. Tedd el holnapra…
Mondjuk azt se értem, hogy ment el mind a két oldal, mindkét STKnál.
Na aludtam rá egyet. És akkor most hogyan tovább? Oké, hogy kell új stk, de mit kell átnézzek, hogy ne menjen tönkre az új is?
És akkor mégegyszer a javított kapcsolás
Négy csatorna lesz, így a kondikon rengeteget dolgoztam. Nem jöttem rá, hogy mi okozta az eltérést, de most egészen jók lettek. Párba is válogattam (vagyis 4-be) már a kondikat (vettem többet
), de még azokkal is játszani kellett. (Ezeken egyébként nincs vonal jelölés, de igazad van, van olyan, amin van.) Azt meg tudom erősíteni, hogy a lábhossz nagyon sokat számít, de ezen kívül volt valami, lehet, hogy a panel sajátossága miatt.Meghallgattam, mély, közép, magas, minden OK. Kondik, tekercsek az IC hűtőbordájának hőmérséklete alatt vannak, ami langyos, 10 perces teljesen kivezérelt zene után. Ijesztően hatékony, és meglepően szépen szól. ![]() Az egyetlen negatívum az alapzaj, ami szerintem bőven a normál kategóriában van, csak nekem sok. Azon gondolkodom, hogy e miatt a 26dB-es erősítést levegyem-e 20-ra, vagy mit lehetne még kezdeni vele.
Valamit láttam az adatlapján, hogy az ic lábain be lehet állítani a vivőfrekvenciát. Most 400 kHz. Ha ennyire nem melegszenek a FET-ek, akkor talán feljebb lehetne emelni a vivőfrekvenciát, 600kHz? Ezzel csökken a torzítás, meg a zaj is.
Zaj szempontjából gondolj arra, hogy a legjobb szalagos magnó is kevesebbet tud... ![]() Az erősítést ( 26dB ) csökkentheted egészen addig, míg a jelforrás ki tudja vezérelni a végfokot. Ezzel is csökken a zaj. A zaj nagymértékben függ a nyáktól. Ha azt elrontották, aminek nagy a valószínűsége, akkor minden előfordulhat, de ezen nem tudsz változtatni. Ez ilyen. Esetleg hasonlítsd össze a Texas adatlapjával, hogy mit ajánl. Talán látsz valamit, hogy esetleg egy plusz dróttal lehetne csökkenteni a zajon. Sajnos, a D osztály alapjaiban más követelményeket támaszt mint egy analóg erősítő. Ez egy másik világ... de ez a panelka legalább valahogy össze van rakva, olcsó és nem baj ha utólag kicsit meg kell hekkelni.
Elnézést kérek, én magam vittem be a zajt a forrással. Alapvetően 26dB-es erősítéssel is teljesen megfelelő még nagy elvárás mellett is, de kipróbáltam 20-szal is, az már a lenyűgöző kategória.
Ha már így alakult, maradok a 20dB-nél, mert így is tovább ki tudom vezérelni, mint amit a táp tervezetten ehhez elő fog állítani amperben.Ettől függetlenül is a vivőfrekvenciával lehetne még kísérletezni, de lemondok róla. Ugyan kíváncsi lennék rá, hogy mit tud mondjuk 1,2MHz-en, de egyrészt így is tökéletesen meg fog felelni, másrészt - és ez a döntőbb - a beállításhoz tartozó lábak most mind GND-n vannak úgy, hogy az IC alatti területhez kapcsolódnak, vagyis föl kéne emelni az IC 1-2 lábát, ami parányi és nyilván könnyen törik, valamint utána még a hűtőborda alatt is el kéne férni. Nem lenne lehetetlen, de mindenképpen gány jellegű. ![]() Egyébként az erősítés mértékének csökkentése (20dB-re) után elfelejtettem visszarakni a hűtőbordát, és úgy kezdtem el vizsgálni, hogy mennyire tudom kivezérelni. 22V/1,8A-t (40W) még stabilan vitt borda nélkül, utána tiltott le a hővédelem. (De ugye itt az IC PBTL-ben van.)Még egy érdekesség, hogy 24V-os tápról 114W-ot (22V/5,2A) szolgáltatott kimeneten 4 ohmos műterheléssel. (Ennek én a felét tervezem kivenni, csak pár pillanatig teszteltem.) Ez több, mint amit az adatlapon vállaltak (105W 3ohmon).
Akkor a projekt kínosabb része kész van. Lehet dobozba rakni.
Igen, köszönöm szépen a támogatást! Még a koppanást kell megszüntetnem, de azt már teszteltem, csak szépen meg kell valósítani. A mute lábat kell bekapcsoláskor magas szintre emelni, aztán alacsonyra 1-2 s után.
Üdv! A 2n3773 összességében ki tudja szolgálni a quad606-ot, illetve az utódait? Teljesítményre gondolom nem problémás 3 párral. Minőségre bele férhet?
Szia! A 2N3773-mal csak az egyik baj, hogy elavult. Alacsony a határfrekvenciája, keveset erősít és nem elég lineárisan.
Gyártotta boldog-boldogtalan és nagy szorgalommal hamisították is. A hozzászólás módosítva: Jan 10, 2023
Hát ennek annyira nem örülök. Főleg hogy a többit is ugyanúgy hamisítják. Akkor egyáltalán létezik valami gazdaságos és kevésbé megbízhatatlan TO3?
Olyat keress ami ritka. Azokkal a típusokkal machinálnak ami népszerű, gyakori, vagyis nagyon sok fogy belőle. Ja, és megbízható helyről kell venni, nem a sarki kiskereskedésből, mert az szegény csak úgy tud talpon maradni, hogy megveszi ezeket a gyanúsan olcsó termékeket, sőt igazából csak olyanokat vesz. Sok éve, több mint 10 ezer forintom bánt egy ilyen helyi akciót, ment a zacskónyi hamis tranyó a kukába.
A hozzászólás módosítva: Jan 10, 2023
Szerintem a TO3 tokozásnak leáldozott, sok hátrányos tulajdonsága van, és még drága is!! Inkább TO3P és ennek bármelyik verziója, vagy TO247. Természetesen nem a kialakított furaton keresztül rögzítve, hanem leszorító sínnel!!
Ha a nyák már TO3ra van gyártva akkor az MJ15003 ajánlanám! Hogy mennyire hamisítják azt nem tudom, nagyon rég vettem MJxxxxx tranyót!! 20 éve jó volt.. De érdekes az árkülönbözet: https://www.tme.eu/hu/details/mj15003-cdi/npn-tht-tranzisztorok/cdi...15003/ https://www.tme.eu/hu/details/mj15003g/npn-tht-tranzisztorok/onsemi/
A CDIL-t elég sokan szidják, talán ezért a nagy árkülönbség. Egyébként pont a 15003-at szerettem volna kiváltani. Ha nem marad más, akkor némi átalakítás, és jöhet az mjl3281 esetleg...
A hozzászólás módosítva: Jan 10, 2023
Hát, sokkal inkább a 15003 mint a 3281. A 15003-ból biztosan kapsz eredetit, de annak már sok évvel ezelőtt is 4 számjegyet közelítő ára volt.
Hát ez egyre jobb. Kár, hogy idáig fajult az alkatrészek hamisítása. A 15003-ból talán van eredeti, de azért az sem kizárt, hogy jó drágán veszek abból is hamisítványt.
A 2SC5198-cal is el kéne mennie és abból az utángyártottal sem tapasztaltam problémát.
Bővebben: Link Bővebben: Link A hozzászólás módosítva: Jan 10, 2023
A 15003-at valamikor a lomex-ből vettem, 8db-ot mert ennyi kellett a reflex RX800-ba. Ennek már közel 10 éve, azóta sem hozták vissza. Előtte valami szervizben tettek bele 2N3773-akat, azokkal fél órát üzemelt és zárlatosak lettek.
A lomexnél az onsemi bruttó 2950Ft, az FDH-nál nettó 4302Ft a RET-nél bruttó 4798Ft. Szerintem ez is egyik oka lehet annak, hogy manapság már nem nagyon építenek bjt-vel semmit.Ha jól emlékszem amikor én vettem olyan 800Ft körül volt darabja, ugyanígy az onsemi-nek. Szóval ha 1000Ft alatt látsz ilyen tranyót manapság arról biztosan tudhatod hogy ne vedd meg.
Köszönöm a válaszaitokat! Örülök, hogy új alkatrész is felmerült közben, mint ajánlás. A 15003-at nem akarom erőltetni az ára miatt. Nagyon bízom ebben a kapcsolásban, de az is hozzá tartozik, hogy még nem hallottam szólni, illetve nem tudom, hogy mennyire lesz stabil.
Úgy néz ki megtaláltam a hibát. Egy oszcillószkópos appot letöltöttem a telefonra, csináltam hozza kábelt és méregettem (STK nélkül) mert az még nincs. A rossz oldal becsatoló kondija után -44db mértem, a jó oldalt -10db. Kicseréltem, most egyformán -10db.
Amit nem tudok, hogy a második stk mitől lett kuka. Amire gondolok, hogy ugye a teszthangszóróval megtaláltam a tápot. A hangszóró zárlatos lett, és utána ezzel a hangszóróval próbáltam. Honnan lehet tudni, hogy a hangszóró rossz? Nyolc ohmot mér rajta a műszer.
Egy 1,5V-s ceruzaelemet érints a hangszoro csatlakozoihoz és pukkania kell. Söt ha nagyobb a hangszoro látod, hogy merre mozdul a membrán. Mindenképpen hangot kell kiadnia.
A hozzászólás módosítva: Jan 11, 2023
Hangszóróval ne tapogass erősítőben. Kinyírhatsz vele sokmindent. Én a képen látható előtétet használom évek óta, zsugorcsőbe csomagolva. (7x50mm) A GND pontra csatlakozik kb 20 centis vezeték csipesszel, A jack aljzat meg egy kábellel mehet egy kis erősítőbe.
A hozzászólás módosítva: Jan 11, 2023
Az biztos, hogy sok mindenre rájöttem utólag, hogy mit nem kellett volna csinálni. A megoldásod nagyon jó, el is készítem.
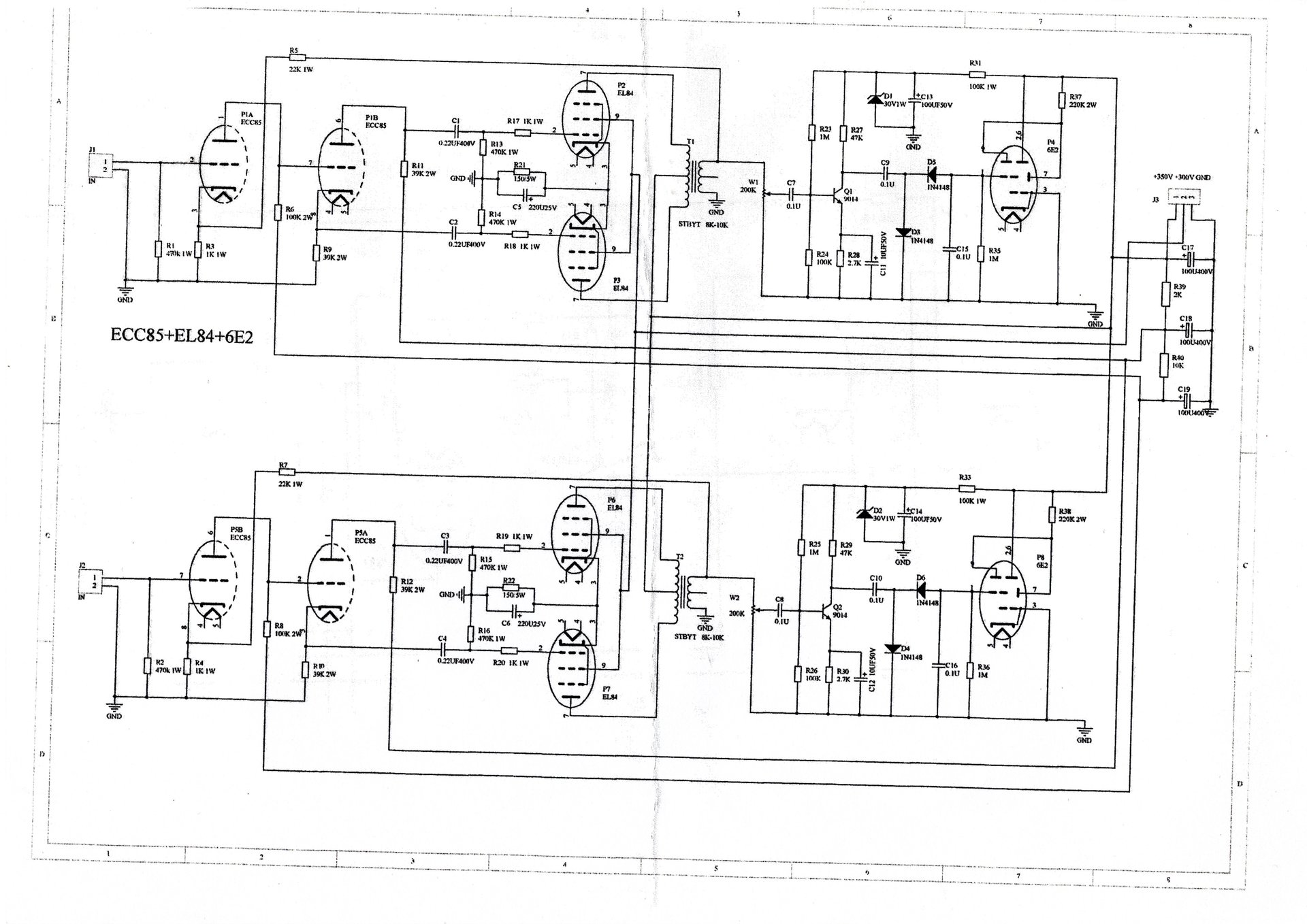
Sziasztok
A mellékelt képen egy kínai csöves erősítőnek a kapcsolási rajza látható, azt kérdezném, hogy ez életképes lehet ebbe a formába, és esetleg mi az a teljesítmény amit ez így tudhat? Válaszokat köszönöm előre is. Üdv: Zoltán
Átlagos kapcsolás, működőképes. A Peavey gitárerősítőktől az APX100 vasútállomás hangosbemondóin keresztül az audiofil csöves tábor szent gráljáig használják. A minősége a passzív alkatrészeken kívül a csövek típusától, de leginkább a kimenő trafótól függ.
Tápfeszültség és munkaponti beállítás függvényében ezekkel a csövekkel10-20W csatornánként, persze a kimenő trafó áttételét ennek megfelelően kell megválasztani.
Sziasztok!
Arra keresnék választ, hogy hogyan lehet azt megoldani, hogy 2 pár hangfalat nem csak egy erősítővel, hanem szükség esetén egy másodikkal is meg lehessen szólaltatni? Csak simán bekötöm a 2 pár hangfalat a második erősítőbe is, úgy mint az elsőbe és ahol kell, ott kapcsolom be az erősítőket (természetesen szigorúan felváltva ) vagy van valami kütyü, amit be kell iktatni a rendszerbe? Elnézést a pongyola fogalmazásért, de laikus vagyok! ![]() Előre is köszönöm a segítő válaszokat! |
Bejelentkezés
Hirdetés |






), de még azokkal is játszani kellett. (Ezeken egyébként nincs vonal jelölés, de igazad van, van olyan, amin van.) Azt meg tudom erősíteni, hogy a lábhossz nagyon sokat számít, de ezen kívül volt valami, lehet, hogy a panel sajátossága miatt.







