Fórum témák
» Több friss téma |
Mielőtt kérdezel, a következő két dolgot ellenőrizd!
I. A helyes tápfeszültségek megléte.
II. A kimeneten van-e egyenfeszültség.
Élesztés.
Gazdagon elláttál képekkel, de a különböző szögekből készült fotókból számomra lassan halad az áttekintés.
Egyelőre ott tartok, hogy a bemeneti erősítő inkább az 5532 lesz IC101 és U202 pozíciószámmal, az U102 pedig a híd fázisfordítója. Megzavart, hogy U206-ból kettő is van. Valószínűleg U106 lenne a "jó csatorna" 4558-as műveleti erősítője. A környező passzív alkatrészek is százzal kezdődnek azon a tájon. Derítsd fel, hogy a VR201 trimmer a jel útjába esik-e? Akár az is lehet a ludas. Meg azért ne tekergesd, mert fontos beállítás is múlhat rajta!!! A mérendő egyelőre az lenne, hogy azonos jelet adva mindkét csatornára, a CN101 csatin ebből mennyi megy a potik felé és mennyi tér vissza.
az ic 101 és az u 202 az szerintem az elő fok.
VR201 berajzolva a potikhoz 0,5V megy fel és annyi vissza is jön. mellékelek még egy képet a panel hátáról A hozzászólás módosítva: Jan 19, 2023
Mérj ellenállást U202 6-7 lábak között feszültségmenetes állapotban. Ha ez az érték hasonlít R111-re, akkor jellel mérj AC feszültséget U202 7-es lábán, illetve IC101 1-es lábon. Ezek a hangerő poti utáni erősítő fokozat kimenetei (ha jól látom).
Ha ezek közel egyformák, az U206-osok körül fogunk szétnézni, amik kizárásos alapon clip és/vagy limiterek lehetnek. Mindjárt nézem az előző hozzászólásod módosítását... A hozzászólás módosítva: Jan 19, 2023
u202 6-7 láb közt 3k ohm van
u202 7 lábán 0,8V az ic 101 1 lábán 1,1v van
A 0,8 V és az 1,1 V közötti különbség hangnyomásban 3 dB, az már egy érzékelhető eltérés, de gondolom ettől nagyobb hiba jelentkezik nálad.
Lássuk a mi történik a 4558-asok táján! Továbbra is jelszintet vizsgálunk, most a végerősítő bemenetén. Ebből a rajzból az következik, hogy R120 illetve R220 a végfok bemenet. Mérd meg mekkora jel kerül rájuk! Ha a korábbi arány itt is fenn áll, akkor kapcsolj bridge üzemmódba és nézd meg kiegyenlítődik-e a két jelszint?
R120 után 1V van R220 után 0,6V SZTEREÓ módba
R120 után 1V van R220 után 0,9V BRIDGE módba
Egyre valószínűbb, hogy a VR201 trimerrel helyrehozható a hangerőkülönbség a csatornák között.
A biztonság kedvéért a két kimenetet is mérd meg, itt 20 V körüli AC feszültség várható. A halkabb csatorna nem csak a mélyhangokat viszi át gyengébben? Ez csatoló kondenzátor hibára utalna.
A végfok erősítése rendben lesz.
Akkor ezzel a potival amit körberajzoltál próbáld meg a CH2 kimeneti feszültségét növelni.
A potmétere nem reagál. hiába csinálok vele bár mit is.
Az miért van, hogy bekapcsolom az erősítőt, olyan tíz másodpercig akarhová nyúlok hozzá, pattog a hangfal. Olyan mintha a bemenetet tapogatnám. Kb 10 másodperc után semmi, akarhová nyúlok
Milyen értékű ez a trimmer és mérhető-e rajta ellenállás változás a két végállás között?
102 van rá irva 0-930 ohm ig változik az értéke.
teszek még egy ilyen képet ezen hátha jobban látszik minden
Akár mennyit kotlok a kép felett, csak az jön ki, hogy az U202 6-7 lábak között az R211 (2k4) és a VR201 (0-1k) van sorosan. A 6-7 lábak között így 2k4-től 3k4-ig kéne változni az ellenállásnak. A 6-os invertáló bemenetről az R210 (1k2) megy a testre, ezért 2-től 4-szeresre állítható a fokozat erősítése. Az U202 7-es lábán jellel mérve mutatkozik esetleg változás a poti tekerésére? Lehet az U206-ot tartalmazó fokozat fogja meg a jelet.
7 lábra nem hat a tekergetés folyamatosan 0,8V van
A 6-7 lábak között változtatható az ellenállás? Feszültség mentes állapotban mérve.
igen változik az ellenállás értéke.
Lehet ki veszem a panelt és a bemeneti szint erősítőnek a kapcsolóján át forrasztom a lábakat.
Az U202 6-os láb és a test között mérhető az 1k2?
Illetve ott van még a CD115, jó az a kondi? A hozzászólás módosítva: Jan 20, 2023
Kondit mindjárt fel veszem a fél lábát és rá nézek.
melyik ellenállásra gondolsz?
kondit fel vetem a fél lábát és rá néztem 48uf mértem rajta 7,4Mohm
Az 1k2 pozíciószáma: R210.
Kifoghatunk rajta. Mérőjellel vizsgálva mérd az 5, 6, 7 lábak AC feszültségét! Az 5-ösre kell érkezzen a jel a hangerőpoti csúszkájáról, a 6-oson ugyan ekkora feszültséget kell érzékelj, a 7-esen lenne a felerősített jel. A jó csatornánál ugyan ezek az IC101 3, 2 és 1 lábak az előbbi sorrendben, tehát ott az 1-es láb a kimenet.
U 202 5 0,1V 6 0,1V 7 0,8V
IC 101 3 0,2V 2 0,2V 1 1,1V R210 az nem a földre megy hanem csatlakozik bele R212-R214 be és onnan megyen az erősitést állitó kapcsolóba. A sárga multival tudnék mérni de az egy rossz multi meg fogom a mérő vezetékét nem a csúcsát és már 3V mér.
A bemeneti szintválasztó az két, vagy három állású? Melyik állásban végezted a méréseket?
A bridge kapcsoló is érdekelne, azon van paralell állás is? Ez indokolná az egyik oldal erősítésének finomszabályzását. A CN01 csatiból hová megy a kábel?
A bemeneti szint választó 3 állású 0,77V 26dB 1,4 V én a 0,77 használom.
Az is 3 állású paralel st bridge ebbe a sorrendbe. Trolid mellet van egy kis segéd panel oda megy a jel itt érzékeli hogy van e jel.
A kétoldalas NYÁK-ot nem tudom a képek alapján visszafejteni.
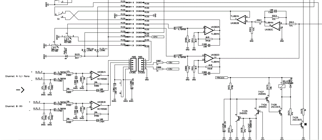
Készíts egy vázlatot az IC101, U202, U102-ről, valamint hogyan van bekötve hozzájuk a szint és a módválasztó kapcsoló. Mellékelem az E-800 bemeneti áramköri rajzát, amihez sokban hasonlít.
letöltök egy kapcsolás rajz készitőt és meg rajzolom hogy van a kapcsolása az erősitőnek
A sárga multimétered nem biztos hogy rossz. A 2 V~ állásban természetes a mérőzsinór érzékenysége. Ha összezárod a mérőcsúcsokat akkor 0 V~ot mutat?
A 001 az 1 mV AC feszültség, ennyi zavart simán elviselnek a méréseink. A mérésekhez generált jelet mekkorának mutatja a sárga multimétered? Milyen frekvenciájú jelet használtál?
|
Bejelentkezés
Hirdetés |














